i-PRO WV-Q182 Pole Mount Bracket Instruction Manual

Before attempting to connect or install this product, please read these instructions carefully and save this manual for future use.
The model number is abbreviated in some descriptions in this manual.
For U.S. and Canada:
i-PRO Americas Inc.
For Europe and other countries:
i-PRO EMEA B.V.
https://www.i-pro.com/
© i-PRO Co., Ltd. 2022 sL1217-3042 PGQX2196XA Printed in China
Preface
Features
WV-Q182/WV-Q188 (hereinafter, bracket) is designed to be used to install a camera or mount bracket for camera to a vertical round pole with diameter from 80 mm to 200 mm.
- WV-Q182 is different with WV-Q188 in color, and same in structure. This manual takes WV-Q188 as an example for explanation.
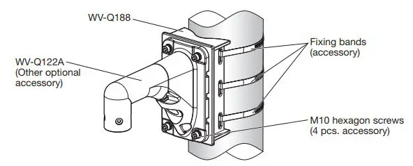
Parts and functions

(In this illustration, fixing WV-Q122A to a pole by using WV-Q188 is taken as an example.)
Specifications

Precautions
Refer installation work to the dealer.
Installation work requires technique and experiences. Failure to observe this may cause fire, electric
shock, injury, or damage to the product.
Be sure to consult the dealer.
The exclusively designed mount bracket shall be used.
Failure to observe this may cause a drop resulting in injury or accidents.
Use the exclusively designed mount bracket for installation.
Do not install this product in locations subject to vibration.
Loosening of mounting screws or bolts may cause a fall of the product resulting in injury or accidents.
Install this product in a location high enough to avoid people and objects from bumping the product.
Failure to observe this may cause injury.
The measures of protection against a fall of this product shall be taken.
Failure to observe this may cause a drop resulting in injury.
If there is specified safety wire, please make sure to install it.
The screws and bolts must be tightened to the specified torque.
Failure to observe this may cause a drop resulting in injury or accidents.
Select an installation area that can support the total weight.
Selecting an inappropriate installation surface may cause this product to fall down or topple over, resulting in injury or accidents.
Installation work shall be started after sufficient reinforcement.
Periodic inspections shall be conducted.
Rust on the metal parts or screws may cause a fall of the product resulting in injury or accidents.
Consult the dealer for the inspections.
Do not hang down from this product or use this product as a pedestal.
Failure to observe this may cause injury or accidents.
Do not use this bracket except with specified cameras or mount brackets.
Failure to observe this may cause a drop resulting in injury or accidents.
Avoid installing this bracket in the locations where salt damage occurs or corrosive gas is produced.
Otherwise, the mounting portions will deteriorate and accidents such as a fall of this product may occur.
Do not install this product on a place that is greatly influenced by wind.
Installation on a place where the wind speed is 60 m/s {approx. 134 mph} or more may cause a fall of the product resulting in injury or accidents.
Do not attempt to disassemble or modify this product.
Failure to observe this may cause a fall of the product resulting in injury or accidents.
Consult the dealer for the repair or inspections.
Do not rub the edges of metal parts with your hand.
Strong rubbing may cause injury.
Precautions for installation
i-PRO Co., Ltd. assumes no responsibility for injuries or property damage resulting from failures arising out of improper installation or operation inconsistent with this documentation.
In order to prevent injury, the product must be securely mounted to the pole according to Operating Instructions.
About installable pole
- Please consider the influence of vibration and wind at the installation site and mount the bracket onto the poles with appropriate strength.
Installable pole: round (ø80 mm ~ ø200 mm {ø3-5/32 inches ~ ø7-7/8 inches}) - Please do not mount it onto a pole made of wood or resin with low endurance or quality having changed after experiencing years’ time.
- After the bracket is mounted, please verify the following content once a year. In the event of abnormality, please inform the dealer or the constructor.
• Do not allow any slanting, distortion or offset in installation.
• Bracket and fixing band should not have any serious rust or damage. - Please refer to our support website (https://i-pro.com/global/en/surveillance/training_support/support/technical_information) for installation information of the bracket.
About the installation methods
- The bracket is specifically designed for installation onto a round pole.
- Fix the bracket to a pole by tightening the screws of three fixing bands. Please make sure to fix firmly with the following tightening torque.
Recommended tightening torque: 5 N·m {3.69 lbf·ft}
IMPORTANT:
• Please do not exceed the torque limit when tightening the screw. Excessive tightening may damage the screw of the fixing band. Please do not use a fixing band with damaged tightening screws.
Limited tightening torque: 7.5 N·m {5.53 lbf·ft} - For the pole, install the fixing band vertically. An slanted installation of the fixing band will result in excessive slack which could lead to a fall.
- When installing, please pay attention to not damage any part that influences the strength of the fixing band.
- When the pole mount bracket is installed to a pole with easy gliding painting or coating, please pay attention to rotating and sliding down.
- After the installation is finished, please check if there are deviations related to slackness, fitting and rotation of the fixing band.
In the event of abnormality, please tighten again.
Check before the installation.
Once the bracket is installed with a deformed mount bracket and/or damaged part, it could potentially fall. Before the installation, please make sure to check the appearance of the bracket and the fixing band.
Do not place this product in the following places:
- Locations where a chemical agent is used such as a swimming pool.
- Locations that have a specific environment that is subject to an inflammable atmosphere or solvents.
- In areas by the sea or the seashore, regions with snow melt agent scattered and locations that produce a corrosive gas such as volcanic areas and hot springs.
- Locations where the ambient operating temperature of camera is not within the specified range.
- Locations subject to vibrations, such as on vehicles, marine vessels, or above product lines.
(This bracket is not designed for on-vehicle use.)
Screw tightening
- Make sure to tighten the screws (accessory) that fix camera or mount bracket onto WV-Q182/ WV-Q188.
- Do not use an impact driver. Use of an impact driver may damage the screws or cause tightening excessively.
- When a screw is tightened, make the screw at a right angle to the surface. After tightening the screws or bolts, perform checks to ensure that the tightening is sufficient enough so that there is no movement or looseness.
Make sure to remove this product if it will no longer be used.
Installations/Connections
Standard accessories
<WV-Q188>
Operating Instructions (this document)……………………………………………………………………………..1 pc.
Fixing bands……………………………………………………………………………………………………………… 3 pcs.
Support band ………………………………………………………………………………………………………………1 pc.
Use the following accessories as the installation requires (use of all accessories together will likely not be necessary):
Safety wire fixing bracket……………………………………………………………………………………………….1 pc.
M10 × 30 mm {1-3/16 inches} hexagon screws ……………………………………………………………… 5 pcs.
M6 × 16 mm {5/8 inches} hexagon screws…………………………………………………………………….. 2 pcs.
M5 × 20 mm {25/32 inches} screws……………………………………………………………………………… 5 pcs.
M4 × 16 mm {5/8 inches} screws…………………………………………………………………………………. 4 pcs.
M3 × 10 mm {13/32 inches} screws……………………………………………………………………………… 2 pcs.
Note:
- One spare is provided for each type of screw.
- In order to tighten the fixing bands during installation, it’s necessary to use torque wrench (locally procured).
- A Hexagon wrench (procured locally) is needed when M10 or M6 hexagon screw is used.
(In this manual, hexagon socket head cap screw is described as hexagon screw.)
<WV-Q182>
Operating Instructions (this document)……………………………………………………………………………..1 pc.
Fixing bands……………………………………………………………………………………………………………… 3 pcs.
Support band ………………………………………………………………………………………………………………1 pc.
M10 × 30 mm {1-3/16 inches} hexagon screws ………………………………………………….5 pcs. (1 spare)
Install the mount bracket onto a vertical pole
Please wear gloves during installation. Cutting off fixing bands may cut your fingers.
① Pass the cable to be connected with camera through the cable access hole and pull out an adequate length as needed for the camera.

Note:
- Please choose to wring port upward or downward as per the site situation.
This manual illustrates the example with the wiring port downward.
② Pass the support band (accessory) through the access hole of fixing band (upper) to temporarily fix WV-Q188 onto the pole to be installed.

Note:
- During installation, please note that the cable is not placed between WV-Q188 and the pole.
- Please confirm the installation height after considering the height of installing camera onto WV-Q188.
IMPORTANT:
- To prevent WV-Q188 sliding down, please pull the support band tightly to temporarily fix it.
③ Take out one fixing band and pass it through access hole of fixing band (middle), then use a torque wrench (locally procured) to tighten the fixing band lock screw in a clockwise direction to completely fix WV-Q188. Then take out another fixing band and pass it through access hole of fixing band (lower), and fix it in the same way.
Recommended tightening torque of fixing band: (5 N·m {3.69 lbf·ft})

Note:
- During installation, please rotate fixing band to adjust its position and make sure the fixing band lock screw is located on the surface of the pole.
- When passing through the access hole of fixing band of WV-Q188, please pay attention not to pinch the cable in the middle of fixing band and pole.
④ Cut and remove the support band. Fix the last access hole of fixing band (upper) in the same way.

Note:
- After finishing the installation, please confirm there is no looseness or inclination for fixing bands.
⑤ For the remaining part of fixing bands, leave approximate 70 mm in the part of fixing band lock screw and use a tool (locally procured) to cut off the remaining part. Please treat the cut-off part to prevent injury
Install camera or mount bracket for camera to pole mount bracket
WV-Q182/WV-Q188 (pole mount bracket) is designed to be used to install following camera or mount bracket for camera. (As of November, 2017)
For the latest information about the mountable models, refer to our support web site
(https://i-pro.com/global/en/surveillance/training_support/support/technical_information).
Cameras installed with WV-Q188: cameras can be directly installed with WV-Q188
- WV-SPW series outdoor box type network camera
WV-SPW631LT, WV-SPW631L, WV-SPW611L, WV-SPW611, WV-SPW531AL, WV-SPW532L,
WV-SPW311AL, WV-SPW312L - WV-S series outdoor box type network camera
WV-S1531LTN, WV-S1531LN, WV-S1511LN - WV-SPV series outdoor box type network camera
WV-SPV781L - WV-CW series outdoor box type color CCTV camera
WV-CW324LE, WV-CW314L, WV-CW314LE, WV-CW304LE
Mount bracket installed with WV-Q182/WV-Q188: install camera onto WV-Q182/WV-Q188 by using other mount bracket
WV-Q182 (Light gray): WV-Q185
WV-Q188 (Fine silver): WV-Q120A, WV-Q122A
IMPORTANT:
- Only 1 camera or mount bracket can be installed with WV-Q182/WV-Q188, please do not install camera or mount bracket other than the above models.
Please choose one appropriate way from the following five installation methods according to the camera to be installed. For the cables connected to camera, please refer to the manual of camera.
Ⓐ Install cameras using WV-Q185 (Wall mount bracket: Light gray) or WV-Q122A (Wall mount bracket: Fine silver) <WV-Q182> <WV-Q188>
Ⓑ Install network camera with round camera mount bracket <WV-Q188>
Ⓒ Install color CCTV camera with round camera mount bracket <WV-Q188>
Ⓓ Install network camera with quadrangle camera mount bracket <WV-Q188>
Ⓔ Install network camera with adapter box (accessory provided with camera) <WV-Q188>
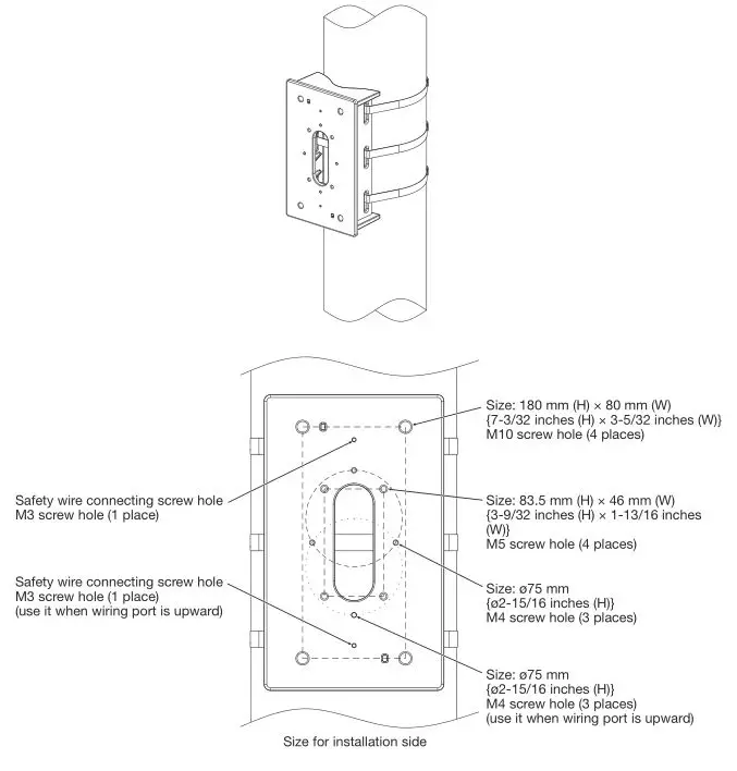
■ Size illustration for installing part of WV-Q182/WV-Q188

Ⓐ Install cameras using WV-Q185 (Wall mount bracket: Light gray) or WV-Q122A (Wall mount bracket: Fine silver) <WV-Q182> <WV-Q188>
* The installation needs four M10 hexagon screws (accessory).
For the camera connect and installation with WV-Q185/WV-Q122A, please refer to the Operating Instruction of WV-Q185/WV-Q122A.
Align the four installation holes of WV-Q185/WV-Q122A with the M10 screw hole (4 places) of WV-Q182/WV-Q188, and fix WV-Q185/WV-Q122A with four M10 hexagon screws (accessory).
(Recommended tightening torque: 10.8 N·m {7.97 lbf·ft})

Note:
- When install WV-Q185 (Wall mount bracket: Light gray), please use WV-Q182 (Light gray).
- When install WV-Q122A (Wall mount bracket: Fine silver), please use WV-Q188 (Fine silver).
Ⓑ Install network camera with round camera mount bracket <WV-Q188>
Applicable network camera: WV-SPW532L, WV-SPW312L
* The installation needs one M10 hexagon screw (accessory), three M4 screws (accessory), one M6 hexagon screw (accessory) and one safety wire fixing bracket (accessory).
a) Use one M10 hexagon screw (accessory) to install the safety wire fixing bracket (accessory) on the top left corner of WV-Q188. (Recommended tightening torque: 10.8 N·m {7.97 lbf·ft})

b) Before installing the camera, please rotate the camera mount bracket so that its side cable access hole is downward. For more information about the adjustment method, please refer to the manual of camera.
c) Align the three installation holes of WV-SPW312L or WV-SPW532L with the M4 screw hole (3 places) of WV-Q188, and fix WV-SPW312L or WV-SPW532L with three M4 screws (accessory). (Recommended tightening torque: 0.78 N·m {0.58 lbf·ft})

d) Use one M6 hexagon screw (accessory) to fix the safety wire of the camera onto the safety wire fixing bracket.
(Recommended tightening torque: 2.45 N·m {1.81 lbf·ft})

Ⓒ Install color CCTV camera with round camera mount bracket <WV-Q188>
Applicable color CCTV camera: WV-CW324LE, WV-CW314L, WV-CW314LE, WV-CW304LE
* The installation needs three M4 screws (accessory) and one M3 screws (accessory).
a) Before installing the camera, please rotate the camera mount bracket so that its side cable access hole is downward. For more information about the adjustment method, please refer to the manual of camera.
b) Align the three installation holes of camera mount bracket with the M4 screw hole (3 places) of WV-Q188, and fix the camera with three M4 screws (accessory).
(Recommended tightening torque: 0.78 N·m {0.58 lbf·ft})
c) Use one M3 screw (accessory) to fix the safety wire of the camera onto WV-Q188.
(Recommended tightening torque: 0.59 N·m {0.44 lbf·ft})

Ⓓ Install network camera with quadrangle camera mount bracket <WV-Q188>
Applicable network camera: WV-SPW531AL, WV-SPW311AL
* The installation needs four M5 screws (accessory), one M6 hexagon screw (accessory), one M10 hexagon screw (accessory) and one safety wire fixing bracket (accessory).
a) Use one M10 hexagon screw (accessory) to install the safety wire fixing bracket (accessory) on the top left corner of WV-Q188. (Recommended tightening torque: 10.8 N·m {7.97 lbf·ft})

b) Align the four installation holes of camera mount bracket with the M5 screw hole (4 places) of WV-Q188, and fix the camera with four M5 screws (accessory).
(Recommended tightening torque: 1.86 N·m {1.37 lbf·ft})
For the fix of camera mount bracket cover (accessory attached with the camera), please refer to the manual of camera.

c) Use one M6 hexagon screw (accessory) to fix the safety wire of the camera onto the safety wire fixing bracket (accessory).
(Recommended tightening torque: 2.45 N·m {1.81 lbf·ft})

Note:
- The two network cameras applicable in this installation method can be also connected to WV-Q188 through WV-Q120A. For the detailed installation method, please refer to Ⓔ (WV-Q120A and adapter box are similar in structure).
Ⓔ Install network camera with adapter box <WV-Q188>
Applicable network camera:
WV-SPW631LT, WV-SPW631L, WV-SPW611L, WV-SPW611, WV-S1531LTN, WV-S1531LN, WV-S1511LN, WV-SPV781L
* The installation needs four M5 screws (accessory) ,one M6 hexagon screw (accessory), one M10 hexagon screw (accessory) and one safety wire fixing bracket (accessory).
a) Use one M10 hexagon screw (accessory) to install the safety wire fixing bracket (accessory) on the top left corner of WV-Q188. (Recommended tightening torque: 10.8 N·m {7.97 lbf·ft})

b) Align the four installation holes of adapter box with the M5 screw hole (4 places) of WV-Q188, and fix adapter box with four M5 screws (accessory).
(Recommended tightening torque: 1.86 N·m {1.37 lbf·ft})

c) About mounting the camera onto adapter box (accessory provided with camera), please refer to the manual of camera.

d) Use one M6 hexagon screw (accessory) to fix the safety wire of the camera onto the safety wire fixing bracket (accessory).
(Recommended tightening torque: 2.45 N·m {1.81 lbf·ft})

Note:
- These network cameras applicable in this installation method can be also directly installed onto pole mount bracket without using adapter box, for the detailed installation method, please refer to Ⓓ.


















