NATIONAL INSTRUMENTS NI CVS-1459 Compact Vision System

Product Information
The NI CVS-1459 is a compact vision system that acquires, processes, and displays images from USB3 Vision cameras. It comes with preloaded Windows Embedded Standard 7 64-bit. The device is designed to be used with shielded cables and accessories to ensure specified EMC performance. The device must be kept away from live circuits and unauthorized parts or modifications should not be made.
Required Components
- USB3 Vision cameras
- Development computer or network
Optional Equipment
- USB3 Vision cables: 1 meter, 2 meter, or 3 meter cable (part numbers: 182845-01, 182845-02, or 182845-03 respectively)
- Unshielded accessory cable (part number: 156084-0R5)
Product Usage Instructions
Safety Information
It is important to follow the safety instructions provided in the manual when installing and operating the device. Do not operate the device in any manner not specified in the documentation. If the device is damaged, do not use it until it has been checked by service-trained personnel. Do not remove equipment covers or shields unless you are qualified to do so.
Electromagnetic Compatibility Guidelines
To ensure the specified EMC performance, operate this product only with shielded cables and accessories.
Configuring the Hardware
- Remove the NI CVS-1459 from its package and inspect it for damage. Notify National Instruments if the system appears damaged in any way.
- Ensure that the AC input to the external power supply is disconnected before plugging or unplugging any connector.
- Ground the unit to minimize the possibility of static electricity damage.
- Refer to Figure 1 in the manual for NI CVS-1459 Power Connectors and Reset Button.
COMPREHENSIVE SERVICES
We Offer competitive repair and calibration services, as well as easily accessible documentation and free downloadable resources.
SELL YOUR SURPLUS
We buy new, used, decommissioned, and surplus parts from every NI series. We work out the best solution to suit your individual needs.
- Sell For Cash
- Get Credit
- Receive a Trade-ln Deal
OBSOLETE NI HARDWARE IN STOCK & READY TO SHIP
We stock New, New Surplus, Refurbished, and Reconditioned NI Hardware.
Bridging the gap between the manufacturer and your legacy test system.
1-800-915-6216 www.apexwaves.com [email protected]
All trademarks, brands, and brand names are the property of their respective owners.
GETTING STARTED GUIDE
NI CVS-1459
Compact Vision System with USB3 Vision and Reconfigurable I/O The NI CVS-1459 is a compact vision system that acquires, processes, and displays images from USB3 Vision cameras. The NI CVS-1459 ships with preloaded Windows Embedded Standard 7 64-bit. This document explains how to install and configure the NI CVS-1459.
Required Components
The following items are necessary to set up and use the NI CVS-1459.
- NI CVS-1459
- One or two USB3 Vision cameras
- One USB 3.0 cable per USB3 Vision camera
- One CAT 5 10/100Base-TX, CAT 5e, or CAT 6 1000Base-T Ethernet cable to connect the device to the development computer or to a network.
Note A CAT 5e or CAT 6 1000Base-T Ethernet cable is required to achieve 1,000 Mbps (Gigabit) Ethernet performance. CAT 5e and CAT 6 Ethernet cables adhere to higher electrical standards required for Gigabit Ethernet communication. CAT 5 cables are not guaranteed to meet the necessary requirements. While CAT 5 cables may appear to work at 1,000 Mbps, CAT 5 cables are likely to cause bit errors resulting in degraded network performance. - Monitor
- Keyboard
- Mouse
- A compatible power supply, such as the NI PS-15 Power Supply (part number 781093-01)
Optional Equipment
National Instruments offers the following products for use with the NI CVS-1459:
- 24 VDC, 1.25 A Desktop Power Supply (part number 782032-01)
- 44-pin D-SUB cable for digital I/O
- 44-pin D-SUB male to pigtail cable (part number 156083-03 for 3 meter cable)
- 44-pin D-SUB male to 44-position D-SUB female cable (part number 156084-03 for 3 meter cable or part number 156084-0R5 for 0.5 meter cable)
- NI CVS I/O Accessory
Note This accessory is unshielded.- CVS I/O Accessory and 3 meter 44-pin D-SUB male to 44-position D-SUB female cable (part number 783327-01)
- CVS I/O Accessory and 0.5 meter 44-pin D-SUB male to 44-position D-SUB female cable (part number 783328-01)
- DIN Rail Kit (part number 781740-01)
- 10-position modular plug to 9-pin D-sub serial cable for RS-485 or RS-232 (part number 182845-01 for 1 meter cable, part number 182845-02 for 2 meter cable, or part number 182845-03 for 3 meter cable)
Safety Information
Caution The following paragraphs contain important safety information you must follow when installing and operating the device.
Do not operate the device in a manner not specified in the documentation. Misuse of the device may result in a hazard and may compromise the safety protection built into the device. If the device is damaged, turn it off and do not use it until service-trained personnel can check its safety. If necessary, return the device to National Instruments for repair. Keep away from live circuits. Do not remove equipment covers or shields unless you are trained to do so. If signal wires are connected to the device, hazardous voltages can exist even when the equipment is turned off. To avoid a shock hazard, do not perform procedures involving cover or shield removal unless you are qualified to do so. Disconnect all field power prior to removing covers or shields. Because of the danger of introducing additional hazards, do not install unauthorized parts or modify the device. Use the device only with the chassis, modules, accessories, and cables specified in the installation instructions. All covers and filler panels must be installed while operating the device. This is a Pollution Degree 2 device. Do not operate the device in an explosive atmosphere or where flammable gases or fumes may be present. Operate the device only at or below the pollution degree stated in the specifications. Pollution consists of any foreign matter—solid, liquid, or gas—that may reduce dielectric strength or surface resistivity. The following is a description of pollution degrees.
- Pollution Degree 1—No pollution or only dry, nonconductive pollution occurs. The pollution has no effect.
- Pollution Degree 2—Normally only nonconductive pollution occurs. Occasionally, nonconductive pollution becomes conductive because of condensation.
- Pollution Degree 3—Conductive pollution or dry, nonconductive pollution occurs. Nonconductive pollution becomes conductive because of condensation.
Clean the device and accessories by brushing off light dust with a soft, nonmetallic brush. Remove other contaminants with a stiff, nonmetallic brush. The unit must be completely dry and free from contaminants before returning it to service. You must insulate signal connections for the maximum voltage for which the device is rated. Do not exceed the maximum ratings for the device. Remove power from signal lines before connection to or disconnection from the device.
Electromagnetic Compatibility Guidelines
This product was tested and complies with the regulatory requirements and limits for electromagnetic compatibility (EMC) as stated in the product specifications. These requirements and limits are designed to provide reasonable protection against harmful interference when the product is operated in its intended operational electromagnetic environment. This product is intended for use in industrial locations. There is no guarantee that harmful interference will not occur in a particular installation, when the product is connected to a test object, or if the product is used in residential areas. To minimize the potential for the product to cause interference to radio and television reception or to experience unacceptable performance degradation, install and use this product in strict accordance with the instructions in the product documentation. Furthermore, any changes or modifications to the product not expressly approved by National Instruments could void your authority to operate it under your local regulatory rules.
Caution To ensure the specified EMC performance, operate this product only with shielded cables and accessories.
Configuring the Hardware
Remove the NI CVS-1459 from the package and inspect the system for damage. Notify National Instruments if the system appears damaged in any way. Do not use a damaged system. Ensure that the AC input to the external power supply is disconnected before plugging in or unplugging any connector. Ground the unit to minimize the possibility of static electricity damage. Refer to the following figures while configuring the hardware.
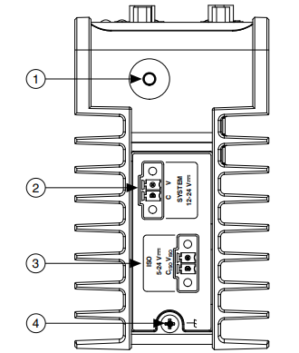
Figure 1. NI CVS-1459 Power Connectors and Reset Button
- Reset Button
- System Power Connector
- Isolated Outputs Power Connector
- Chassis Grounding Screw
Figure 2. NI CVS-1459 Front Panel Connectors
- VGA Connector
- RJ50 Serial Port
- USB 2.0 Ports
- RJ45 Network Port
- USB3 Vision Ports
- 44-pin Digital I/O Connector
Connecting the System Power Supply
Complete the following steps to supply power to the NI CVS-1459.
- Verify the power source is turned off.
- If the power connector plug is connected to the chassis, disconnect it from the device.
Figure 3. 2-Position Power Screw Terminal Connector
- V (Positive) Terminal Screw
- C (Negative) Terminal Screw
- Connector Screws
Caution Do not tighten or loosen the terminal screws on the power connector while the power is on.
- Connect the positive lead of the power source to the V terminal of the power connector plug and tighten the terminal screw to 0.2 to 0.25 N · m (1.8 to 2.2 lb · in.) of torque.
- Connect the negative lead of the power source to the C terminal of the power connector plug and tighten the terminal screw to 0.2 to 0.25 N · m (1.8 to 2.2 lb · in.) of torque.
- Install the power connector plug into the SYSTEM power receptacle on the NI CVS-1459 chassis and tighten the connector screws to 0.4 N · m (3.5 lb · in.) of torque.
- Turn on the external power source.
Connecting the Isolated Outputs Power Supply
Complete the following steps to supply power to the isolated outputs.
- Make sure the power source is turned off.
- If the power connector plug is connected to the chassis, disconnect it from the device.
Figure 4. 2-Position Power Screw Terminal Connector
- V (Positive) Terminal Screw
- C (Negative) Terminal Screw
- Connector Screws
Caution Do not tighten or loosen the terminal screws on the power connector while the power is on.
- Connect the positive lead of the isolated outputs power source to the V terminal of the power connector plug and tighten the terminal screw to 0.2 to 0.25 N · m (1.8 to 2.2 lb · in.) of torque.
- Connect the negative lead of the isolated outputs power source to the C terminal of the power connector plug and tighten the terminal screw to 0.2 to 0.25 N · m (1.8 to 2.2 lb · in.) of torque.
- Install the power connector plug into the ISO power receptacle on the NI CVS-1459 chassis and tighten the connector screws to 0.4 N · m (3.5 lb · in.) of torque.
- Turn on the external power source
Connecting the NI CVS-1459 to a Network
Complete the following steps to connect the device to a network.
- Connect one end of an Ethernet cable to the network port on the device.
- Connect the free end of the cable to an Ethernet hub or other network device.
- Verify the ACTIVITY/LINK LED on the port is on or blinking.
By default, the operating system automatically attempts to connect to the network using DHCP. If it is unable to initiate a DHCP connection, it connects to the network with a linklocal IP address (169.254.x.x)
Installing NI Vision Acquisition Software
Before using the NI CVS-1459, you must install the device drivers onto the device. If you have an external USB DVD drive, you can use the external DVD drive to install Vision Acquisition Software from the DVD shipped with the device. Otherwise, complete the following steps to download and install Vision Acquisition Software.
- Connect a USB keyboard and a USB mouse to the USB ports on the NI CVS-1459.
- Connect a monitor to the VGA port on the NI CVS-1459.
- Using the web browser on the NI CVS-1459, navigate to ni.com/drivers.
- In the Drivers search field, search for Vision Acquisition Software.
- Download the latest version of Vision Acquisition Software.
- Run the Vision Acquisition Software installer. Install the following parts from the installer:
- NI-IMAQdx—Required to control the USB3 Vision cameras connected to the NI CVS-1459.
- NI-IMAQ I/O—Required to use the default personality of the NI CVS-1459 FPGA in LabVIEW, or to reconfigure the default personality of the NI CVS-1459 FPGA in the LabVIEW FPGA Module.
NI-IMAQdx integrates with Measurement & Automation Explorer (MAX), the utility for configuring and testing National Instruments hardware and software. The NI MAX icon appears on the desktop after you install NI-IMAQdx.
Install other National Instruments software as needed.
Connecting Cameras
The NI CVS-1459 supports two USB3 Vision cameras. Complete the following steps to connect cameras to the NI CVS-1459.
- Connect a USB3 Vision cable to a USB3 Vision camera.
- Connect the other end of the cable to one of the USB3 Vision ports on the NI CVS-1459.
Repeat these steps for the other port if you are connecting two cameras.
Acquiring an Image in MAX
Complete the following steps to acquire an image in NI Measurement & Automation Explorer (MAX).
- Launch MAX.
- In the Configuration Pane, expand Devices and Interfaces.
- Select the camera you want to test.
- Click Snap to acquire an image.
For troubleshooting information, visit ni.com/info and enter the Info Code U3VGettingStarted.
Digital I/O Port
The 44-pin Digital I/O port on the NI CVS-1459 offers 8 isolated inputs, 8 isolated outputs, 2 bidirectional differential I/O (RS-422) or single ended input lines which can be used with a quadrature encoder, and 8 bidirectional TTL lines. The Digital I/O port can be connected to any appropriate shielded device or connector block using a shielded cable. Refer to the following image and table for pin locations and functions.
Figure 5. 44-pin Digital I/O Connector
Table 1. Digital I/O Pin Descriptions


Where to Go Next
The following documents and resources contain information you may find helpful as you use the NI CVS-1459 in an application. Refer to the National Instruments Product Manuals Library at http://www.ni.com/manuals for the most recent versions of product documentation.
- NI CVS-1459 Specifications—Contains detailed specifications for the NI CVS-1459.
- NI CVS-1459 User Manual—Contains connector pinouts, configuration information, mounting information, and answers to common troubleshooting questions.
- NI CVS I/O Accessory User Manual—Contains installation and operation instructions for the NI CVS I/O Accessory.
Resources for Vision Builder AI Users
Refer to the NI Vision Builder for Automated Inspection Tutorial to learn how to perform basic machine vision techniques using Vision Builder AI. You can access the NI Vision Builder for Automated Inspection Tutorial and other documentation by selecting Start»All Programs» National Instruments»Vision Builder AI»Documentation. You can also access context help within Vision Builder AI by clicking the Show Context Help button on the Vision Builder AI toolbar.
Examples of common Vision Builder AI inspections are installed to the \Examples directory, where is the location Vision Builder AI is installed.
Resources for LabVIEW Users
Documentation for LabVIEW is available from the Help menu on the LabVIEW toolbar. Access documentation for the NI Vision Development Module, NI-IMAQdx, and NI-IMAQ I/O by selecting Start»All Programs»National Instruments»Vision»Documentation. Documentation for the MAX configuration software is available from the Help menu on the MAX toolbar. Specific information about using MAX with NI Vision hardware is available by selecting Help»Help Topics»NI Vision»NI-IMAQdx. National Instruments Example Finder—LabVIEW contains an extensive library of VIs and example programs. To access the NI Example Finder, open LabVIEW and select Help»Find Examples. Visit the NI Developer Zone at http://www.ni.com/zone for the latest example programs, tutorials, technical presentations, and a community area where you can share ideas, questions,
and source code with developers around the world.
Worldwide Support and Services
The NI website is your complete resource for technical support. At ni.com/support, you have access to everything from troubleshooting and application development self-help resources to email and phone assistance from NI Application Engineers.
Visit ni.com/services for NI Factory Installation Services, repairs, extended warranty, and other services.
Visit ni.com/register to register your NI product. Product registration facilitates technical support and ensures that you receive important information updates from NI.
A Declaration of Conformity (DoC) is our claim of compliance with the Council of the European Communities using the manufacturer’s declaration of conformity. This system affords the user protection for electromagnetic compatibility (EMC) and product safety. You can obtain the DoC for your product by visiting ni.com/certification. If your product supports calibration, you can obtain the calibration certificate for your product at ni.com/calibration. NI corporate headquarters is located at 11500 North Mopac Expressway, Austin, Texas, 78759-3504. NI also has offices located around the world. For telephone support in the United States, create your service request at ni.com/support or dial 1 866 ASK MYNI (275 6964). For telephone support outside the United States, visit the Worldwide Offices section of ni.com/niglobal to access the branch office websites, which provide up-to-date contact information, support phone numbers, email addresses, and current events.
Refer to the NI Trademarks and Logo Guidelines at ni.com/trademarks for information on NI trademarks. Other product and company names mentioned herein are trademarks or trade names of their respective companies. For patents covering NI products/technology, refer to the appropriate location: Help»Patents in your software, the patents.txt file on your media, or the National Instruments Patent Notice at ni.com/patents. You can find information about end-user license agreements (EULAs) and third-party legal notices in the readme file for your NI product. Refer to the Export Compliance Information at ni.com/legal/export-compliance for the NI global trade compliance policy and how to obtain relevant HTS codes, ECCNs, and other import/export data. NI MAKES NO EXPRESS OR IMPLIED WARRANTIES AS TO THE ACCURACY OF THE INFORMATION CONTAINED HEREIN AND SHALL NOT BE LIABLE FOR ANY ERRORS. U.S. Government Customers: The data contained in this manual was developed at private expense and is subject to the applicable limited rights and restricted data rights as set forth in FAR 52.227-14, DFAR 252.227-7014, and DFAR 252.227-7015.
© 2015 National Instruments. All rights reserved.
References
Engineer Ambitiously - NI
Engineer Ambitiously - NI
Calibration Services - NI
Product Certifications - NI
NI Driver Downloads - NI
Using Info Codes - NI
National Instruments Patents - NI
Log In - National Instruments
NI Services - NI
Support - NI
NI Trademarks and Logo Guidelines - NI
Calibration Services - NI
Product Certifications - NI
NI Driver Downloads - NI
Product Documentation - NI
Contact Us - NI
Log In - National Instruments
NI Services - NI
Support - NI
Support - NI
CVS-1459 National Instruments Compact Vision System | Apex Waves




















