Fein GIMS75 GIMS 75 2H Mobile Drive Unit

Symbols, abbreviations and terms used.
The symbols in the Instruction Manual and on the machine shall aide in directing your attention to possible hazardous situations when working with this machine.
| Symbol, character | Explanation |
![]() | Do not touch the rotating parts of the machine. |
![]() | Observe the instructions in the text or graphic opposite! |
![]() | Make sure to read the enclosed documents such as the Instruction Manual and the General Safety Instructions. |
![]() | Before commencing this working step, pull the mains plug out of the socket. Otherwise there may be danger of injury caused by unintentional starting of the machine. |
![]() | Use eye protection during operation. |
![]() | Use ear protection during operation. |
![]() | Use a dust mask during operation. |
![]() | Use protective gloves during operation. |
![]() | Danger warning |
![]() | These locations can become hot. |
![]() | Confirms the conformity of the power tool with the directives of the European Community. |
![]() | Confirms the conformity of the power tool with the directives of Great Britain (England, Wales, Scotland). |
![]() | Worn out machine and other electrotechnical and electrical products should be sorted separately for environmental-friendly recycling. |
![]() | Mains supply: three-phase alternating current |
![]() | Switching on |
![]() | Switching off |
![]() | Rotation direction |
![]() | Product with basic insulation plus additional insulation on touchable, conductive parts connected to the protective conductor. |
![]() | may contain numbers and letters |


| Character | Unit of measurement, international | Unit of measurement, national | Explanation |
| v0 | m/s | m/s | Sanding-belt speed |
| n | /min, min-1, rpm, r/min | rpm | No-load speed |
| P1 | W | W | Power input |
| U | V | V | Rated voltage |
| f | Hz | Hz | Frequency |
| l1 | mm | mm | Sanding-belt length |
| l2 | mm | mm | Sanding-belt width |
![]() | kg | kg | Weight according to EPTA-Procedure 01 |
| m, s, kg, A, mm, V, W, Hz, N, °C, dB, min, m/s2 | m, s, kg, A, mm, V, W, Hz, N, °C, dB, min, m/s2 | Basic and derived units of measurement from the international system of units SI. |
For your safety.
- Do not use this machine before you have thoroughly read and completely understood this Instruction Manual and the enclosed “General Safety Instructions” (document number 3 41 30 054 06 1), including the figures, specifications and safety regulations.
Please also observe the relevant national regulations on electrical safety and occupational safety. Non-observance of the safety instructions in the said documentation can lead to an electric shock, burns and/or severe injuries. This Instruction Manual should be kept for later use and enclosed with the power tool, should it be passed on or sold.
Intended use of the machine.
The belt grinder with undercarriage is intended for grinding metal floor surfaces (except magnesium) using the grinding belts approved by FEIN in weather-protected environments.
Special safety instructions.
Wear personal protective equipment. Depending on application, use face shield, safety goggles or safety glasses. Where appropriate, wear dust mask, hearing protectors, gloves and workshop apron capable of stop-ping small abrasive or workpiece fragments. The eye protection must be capable of stopping flying debris generated by various operations. The dust mask or respirator must be capable of filtrating particles generated by your operation. Prolonged exposure to high intensity noise may cause hearing loss. Before switching on, make sure that all clamping levers of the undercarriage are well tightened. If the machine suddenly drops or lowers during the working procedure, this can lead to serious accidents. Work only on horizontal surfaces. On sloped surfaces, loss of control over the machine is possible. During the working procedure, always conduct the extension cable away from the workplace. If the power cord is run over, crushed or damaged, there is danger of electric shock!
Before connecting to the mains supply, make sure that the belt grinder is switched OFF (the “0” button on the safety switch must be pressed!). Connect the extension cable to the plug (21). Conduct the extension cable through the cable guide (22). While working, do not wear loose clothing, jewellery or open, long hair. Despite protective devices, loose objects can be snagged or caught by moving parts and lead to injury. Do not use worn, torn or heavily clogged grinding belts. Handle grinding belts carefully and store them according to the manufacturer’s instructions. Do not bend or fold grinding belts! Damaged grinding belts can tear, be flung away and injure someone. Do not use grinding belts or other accessories which are not specifically designed and recommended by the power tool manufacturer. Safe operation is not ensured merely because a grinding belt or accessory fits your machine. Always use the protective devices attached on the machine. The protective devices must be securely mounted to the machine in order to achieve maximum safety. The protective devices are supposed to protect the user from grinding particles thrown from the machine and from accidental contact with the grinding belt.
Warning! Danger of fire and explosion! When grinding metals (e.g., aluminium), dust develops that may be combustible or explosive. Do not operate the machine near flammable materials. Sparks could cause these materials to ignite. Pay attention that other persons are not put at risk from sparking. Remove flammable materials in close vicinity. Sparking occurs when grinding metal. Keep bystanders a safe distance away from work area. Anyone entering the work area must wear personal protective equipment. Fragments of workpiece or of a bro-ken accessory may fly away and cause injury beyond immediate area of operation. The surface being worked can become very hot. Do not touch it with your hands.
- Never touch the running grinding belt. Danger of injury.
In situations of danger, immediately press the safety pushbutton. The machine runs on for approx. 50 seconds. .Clean the ventilation openings on the power tool at regular intervals using non-metal tools. The blower of the motor draws dust into the housing. An excessive accumulation of metallic dust can cause an electrical hazard. The mains plug of the machine may be mounted only by a qualified electrician. The protective conductor in the mains socket outlet must be connected with the protective earthing of the mains supply. Pull out the mains plug for maintenance and repair! Switching the machine on unintentionally can lead to serious injuries. Have the electrical safety of the machine checked regularly in accordance with statutory regulations. For machines that have not been checked, there may be danger of electrical shock!
Check the rotation direction of the motor before starting the operation of the machine for the first time. If the rotation direction of the motor is incorrect, the work-piece can be thrown from the machine and cause an accident. The rotation direction may be changed only by a qualified electrician. Make sure that you or other persons are not standing directly next to the grinding belt when switching the machine on. The grinding belt can tear apart and cause serious injuries.
Handling hazardous dusts
For work procedures with this power tool where material is removed, dusts develop that can be hazardous to one’s health. Contact with or inhaling some dust types, e. g. asbestos and asbestos-containing materials, lead-containing coatings, metal, some wood types, minerals, silicate particles from materials containing stone, paint solvents, wood preservatives, antifouling paints for vessels, can trigger allergic reactions to the operator or bystanders and/or lead to respiratory infections, cancer, birth defects or other reproductive harm. The risk from inhaling dusts depends on the exposition. Use dust extraction matched appropriately for the developing dust, as well as personal protective equipment and pro-vide for good ventilation of the workplace. Leave the processing of asbestos-containing materials to specialists. Wood and light-metal dust, hot mixtures of grinding dust and chemical materials can self-ignite under unfavourable conditions or cause an explosion. Avoid sparking in the direction of the dust collector as well as overheating of the power tool and the materials being sanded, empty the dust collector/container in time, observe the material manufacturer’s working instructions, as well as the relevant regulations in your country for the materials being worked.
At a glance.
- Locking screws
- Steering bar
- Locking screw
- Crank for belt grinder height adjustment
- Screw for depth stop
- Screw for height stop
- Crank for stroke-force adjustment
- Star-knob bolt for parallel adjustment
- Spark guard
- Wing bolts of the spark guard
- Star-knob bolt for adjusting the tracking of the grinding belt
- Drive wheel
- Contact wheel
- Screw for side cover
- Side cover
- Clamping lever
- Screws for coarse adjustment of the belt tension
- On/Off switch
- Speed selector (only 2H models)
- Safety pushbutton
- Plug
- Cable guide
- Ventilation slots
- Lubricating nipple
- Instruction label
Adjustments.
- Before any work on the machine itself, pull the mains plug.
Adjusting the steering bar .
Loosen the four screws (1) and adjust the steering bar (2) to the desired working height. Tighten all screws in this position.
Adjusting the removal rate .
Adjust the belt grinder to the approximate working height with star-knob bolt (3). Adjust the clearance between grinding belt and surface with the crank (4). The removal rate can also be adjusted during the working procedure.
Adjusting the depth stop .
Loosen screw (5). Adjust the belt grinder to the maximum desired removal rate with the crank (4). Lock the depth stop in this position with screw (5).
Adjusting the height stop.
Pivot the steering bar upward, so that the belt grinder moves upward. The desired pivoting height can be set with screw (6).
Adjusting the stroke force .
The required stroke force can be set with the crank (7). Adjust the stroke force in such a manner that the belt grinder can be easily lowered and is automatically held in the upper position when raising it or during work breaks.
Adjusting the parallelism .
For uniform removal rate, it is required that the grinding belt runs parallel to the surface. Adjust the belt tracking with star-knob bolt (8).
Adjusting the spark guard (9).
Loosen both wing bolts (10) and adjust the spark guard (9) in such a manner that the grinding belt is covered off as far as possible. Retighten the wing bolts again.
Adjusting the belt tracking.
Switch the machine on only briefly and check the belt tracking. If the grinding belt moves left or right, adjust the belt tracking with the star knob bolt (11) until centred. If the belt tracking cannot be adjusted centred:
Clean the drive wheel (12) and the contact wheel (13) with compressed air. Check the drive wheel and the contact wheel for wear, deformation and damage. Have damaged components replaced without delay!
Replacing the grinding belt.
- Before any work on the machine itself, pull the mains plug.
Loosen screw (14) and fold down the side cover (15).
Tilt lever (16) downward to release the tensioning device. Remove the old grinding belt. Before mounting the new grinding belt, observe the running-direction indication on the rear of the grinding belt! It muscorrespond with the rotation direction of the drive wheel.
Place the grinding belt both around the drive wheel (12) and around the contact wheel (13).
Tilt lever (16) upward to tension the grinding belt. If the grinding belt can not be tensioned sufficiently, the tensioning device must be readjusted. Loosen both screws (17), change the position of the tensioning device and retighten the screws. Shut the side cover (15) and tighten screw (14) again. Mount the grinding rest (7) and the chip/grinding-dust box (8). Check the gap size of the grinding rest. Switch the machine on and adjust the belt run.
Operating instructions.
Switching on:
Press pushbutton “I” (18).
Switching off:
Press pushbutton “0” (18).
Switching on: (only 2H models)
Press switch “I” (18).
Switching off: (only 2H models)
Press switch “I” (18).
- After switching off, the machine runs on for approx. 50 seconds.
Safety pushbutton (20):
In situations of danger, press the safety pushbutton to switch the machine off.
Reversing the speed (19) (only 2H models)
Switch position 1: Low speed
Switch position 2: High speed
- The speed may only be reversed with switch (19) when the machine is stopped.
Overload protection.
In case of continuous high load over a longer period of time, the machine is switched off. After a cooling-down period of approx. 15 minutes, the machine is ready for operation again.
Working instructions
Move the undercarriage to the workplace. Switch the belt grinder on and pull the steering-bar lever to the working position. Guide the belt grinder with uniform speed over the surface to be ground. After completing the working procedure, tilt the steering bar upward and switch the belt grinder off.
Noise emission values.
REMARK: The sum of the measured emission value and respective measuring inaccuracy represents the upper limit of the values that can occur during measuring.
- Wear hearing protection!
Measured values determined in accordance with the corresponding product standard (see last page in this Instruction Manual).
Repair and customer service.
Repairs may be carried out only by qualified per-sons in conformity with the valid regulations.
For repairs, we recommend our FEIN customer service centre, the FEIN authorised service centres and FEIN agencies. When the machine’s power supply cable is damaged, it must be replaced using a specially prepared power sup-ply cable, available from your FEIN customer service agent. The current spare parts list of this machine can be found on the Internet under www.fein.com.
Daily maintenance
- Blow out the ventilation slots (23) at the motor housing and the marked locations with com-pressed air (see Instruction label (25)).
- Lubricate the machine daily (when in use) with machine oil at the locations marked (see Instruction label (25)).
Check the drive disc (12) and the contact disc (13) for wear and damage each time when replacing a grinding belt. Have damaged parts replaced. After sufficient cooling down, remove any deposits in the housing. These may only be disposed of with suitable containers. Lubricate the bearings of the tensioning device monthly via the lubricating nipple (24). Cleaning the exterior of the machine with compressed air. If required, you can change the following parts your-self: Grinding belt, spark guard
Warranty and liability.
The warranty for the product is valid in accordance with the legal regulations in the country where it is marketed. In addition, FEIN also provides a guarantee in accordance with the FEIN manufacturer’s warranty declaration. The delivery scope of your machine may include only a part of the accessories described or shown in this instruction manual.
Declaration of conformity.
This CE declaration is only valid for European Union and EFTA (European Free Trade Association) countries and only for products intended for the EU- or EFTA market. After placing the product on the EU market the UKCA mark loses its mark validity. The UKCA declaration is only valid for the Great Britain market (England, Wales and Scotland) and only for products intended for the Great Britain market. After placing the product on the Great Britain market the CE mark loses its mark validity. FEIN declares itself solely responsible for this product conforming with the relevant provisions given on the last page of this Instruction Manual.
Technical documents at: C. & E. Fein GmbH, D-73529 Schwäbisch Gmünd
Environmental protection, disposal.
Packaging, worn out machines and accessories should be sorted for environment-friendly recycling.
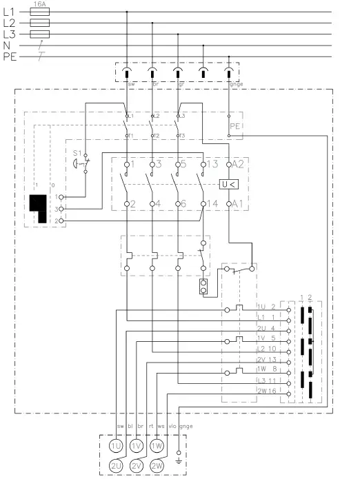
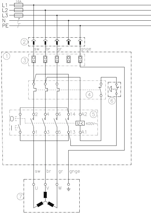
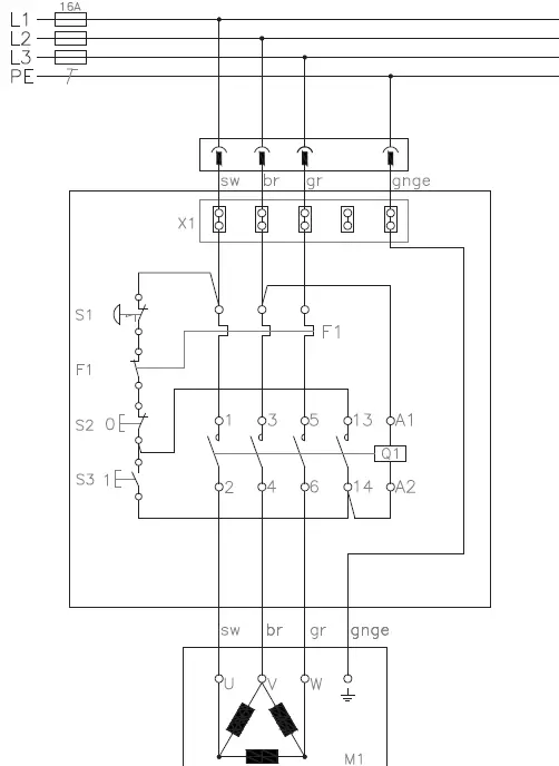
Connection diagrams.
Type GIMS75/GIMS150
440 V/254 V, 400 V/220 V
GIMS75-6/GIMS150-6
440 V/254 V, 400 V/220 V
Page 98
Type GIMS75/GIMS150
230 V/220 V
GIMS75-6/GIMS150-6
230 V/220 V
Page 99
Type GIMS72 2H/GIMS150 2H
440 V/254 V, 400 V/220 V
Page 100
China RoHS Status Certificate
Table of Toxic and Hazardous Substances/Elements and their Content as required by China’s Management Methods for Controlling Pollution by Electronic Information Products
GIMS75/GIMS150 GIMS75-6/GIMS150-6
GIMS75/GIMS150 GIMS75-6/GIMS150-6
GIMS75 2H/GIMS150 2H
This CE declaration is only valid for European Union and EFTA (European Free Trade Association) countries and only for products intended for the EU or EFTA market. After placing the product on the EU market the UKCA mark loses its mark validity.
EN ISO 3744:2010
EN ISO 11202:2010
EN ISO 4871:2009
EN ISO 12100:2011
2011/65/EU, 2006/42/EG, 2014/30/EU
The UKCA declaration is only valid for the Great Britain market (England, Wales and Scotland) and only for products intended for the Great Britain market. After placing the product on the Great Britain market the CE mark loses its mark validity.
EN ISO 3744:2010
EN ISO 11202:2010
EN ISO 4871:2009
EN ISO 12100:2011
Supply of Machinery Regulations 2008, EMC Regulations 2016, The Restriction of the Use of Certain Hazardous Substances in Electrical and Electronic Equipment Regulations 2012
C. & E. Fein GmbH
Hans-Fein-Straße 81
73529 Schwäbisch Gmünd-Bargau, Germany
www.fein.com







































