
INSTALLATION INSTRUCTIONS LTHROO5SMXX-3PK
LTHR005SMXX-3PK Smart LED Track Head
Thank you for purchasing CloudyBay Smart LED Lighting Fixtures.
Smart LED Track Head
![]()
GENERAL: All electrical connections must be in accordance with local and National Electrical Code (N.E.C.) standards. If you are unfamiliar with proper electrical wiring connections, contact and obtain the services of a qualified electrician. Use UL or IEC-approved wire only for input/output connections.
Remove the fixture and mounting components from the box, and make sure that no parts are missing, by referencing the illustration in the illustration instructions.
Turn the power off before installation, inspection, or removal. Use all necessary precautions while performing this procedure. Consult a qualified electrician to ensure the correct branch circuit conductor. Min 90°C supply conductors. Properly ground electrical enclosure. IT IS IMPERATIVE THAT THE OUTLET BOX BE PROPERLY GROUNDED.
DO NOT REVERSE THE HOT AND NEUTRAL CONNECTIONS, OTHERWISE, SAFETY WILL BE COMPROMISED.
This Integrated LED Fixture has no lamp/bulb to replace.
Contact us through: [email protected]
TROUBLESHOOTING
- Check that the line voltage at the fixture is correct.
- Ensure that there is the voltage at lamp fixture wires. If there is no voltage, then check all connections.
- Check that fixture Is grounded properly.
If the fixture does not light: - Check the switch to ensure that there are no defects.
- Check fuse/circuit breaker for trips, then check wiring connections.
CLEANING AND MAINTENANCE:
CAUTION: Ensure fixture temperature Is coot enough to touch. DO NOT clean or perform maintenance while the fixture is energized.
- Clean the lens and fixture with a non-abrasive cleaning solution.
- Do not open the fixture to clean LED. Do not touch the LED.
- Do not spray liquid directly on to LED, LED driver or wiring.
3-Year Limited Warranty:
This fixture is warranted to be free from defects in workmanship and material for up to 3 years. Based upon reasonable household usage, when used in accordance with the package and included instructions. If this fixture does not last for the time period guaranteed, the manufacturer will send you a replacement fixture upon receipt of the returned fixture, register receipt, and proof of purchase. To contact us, please email us at [email protected] to find out how to return the fixture. We are committed to making high-quality products. Returning the fixture will help us monitor and further improve product quality. This replacement is the sole remedy available, and LIABILITY FOR INCIDENTAL OR CONSEQUENTIAL DAMAGES IS HEREBY EXPRESSLY EXCLUDED.
PLEASE READ CAREFULLY BEFORE INSTALLING FIXTURE Save these instructions, as you may need them at a later date.

Please follow these steps for installation.
INSTALLATION INSTRUCTION-TRACK
- Place the track over the outlet box and mark the position of track mounting holes on the ceiling or wall. On wallboard or plaster, drill “5/8” mounting holes.
- The plain underside of the track faces the ceiling or wall and the slotted side of the track faces out to accept lights.
- Install track to ceiling or wall using toggle bolts (furnished). On wood, surfaces use standard#10 wood screws (not furnished).
INSTALLATION INSTRUCTIONS-LAMP HOLDER
CAUTION-Turn off the switch at the main power source before installing any track or fitting.
- Pull down the locking lever and insert “Adaptor contact” into the slot in the track.
- Rotate adaptor1/4 turn 90°to locked position.
NOTE: The polarity line of lampholder(Grounding tab, polarity side of two fingers) must point to the track debossed polarity line so that the debossed polarity line of the track can be aligned with the polarity line (side) of the adaptor. - To remove, depress the locking lever and turn 90°. 1:If you only have a dimmer at the handset it is to the highest level only.
If the light performance is not good, we strongly advise you to change it to a regular switch.
FCC Statement
This equipment has been tested and found to comply with the limits for a Class B digital device, pursuant to part 15 of the FCC Rules. These limits are designed to provide reasonable protection against harmful interference in a residential installation. This equipment generates, uses, and can radiate radio frequency energy and, if not installed and used in accordance with the instructions, may cause harmful interference to radio communications. However, there is no guarantee that interference will not occur in a particular installation. If this equipment does cause harmful interference to radio or television reception, which can be determined by turning the equipment off and on, the user is encouraged to try to correct the interference by one or more of the following measures:
- Reorient or relocate the receiving antenna.
- Increase the separation between the equipment and the receiver.
- Connect the equipment to an outlet on a circuit different from that to which the receiver is connected.
- Consult the dealer or an experienced radio/TV technician for help.
Caution: Any changes or modifications to this device not explicitly approved by the manufacturer could void your authority to operate this equipment. This device complies with part 15 of the FCC Rules. Operation is subject to the following two conditions: (1) This device may not cause harmful interference, and (2) this device must accept any interference received, including interference that may cause undesired operation.
RF Exposure Information
This equipment complies with FCC radiation exposure limits set forth for an uncontrolled environment. This equipment should be installed and operated with a minimum distance 20cm between the radiator and your body.

1 Please follow these steps for installation. 1
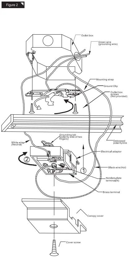
INSTALLATION INSTRUCTIONS –
FLOATING CANOPY CAUTION
– Turn off the switch at the main power source before installing any track or fitting.
- Fasten the mounting strap to the outlet box. Connect ground wire.
- Locate the track below the outlet box in the desired position then:
a) Rotate the ground clip to accept the track and push the track into the clip.
b) Fasten track to ceiling following instructions supplied with the track section.
c) Track ends must be terminated with either a dead end or a connector. - Insert the electrical adaptor into the track, and rotate 90°to the locked position to make electrical contact.
NOTE:
a) Polarity side of the electrical adaptor (The side of the grounding tab or marked “N” ) must point to track debossed polarity line.
b) Center line of the electrical adaptor must be set on the center line of the outlet box. - Pull positive (Black) wire from the outlet box and attach to the brass screw terminal marked “P’: Pull neutral (White) wire on the opposite of the track, and attach it to the nickel-plated screw terminal marked “N”. Push excess wire back into outlet box-wire must hug trackside. Install the cover and secure it with the screw.



















