
Installation
manual
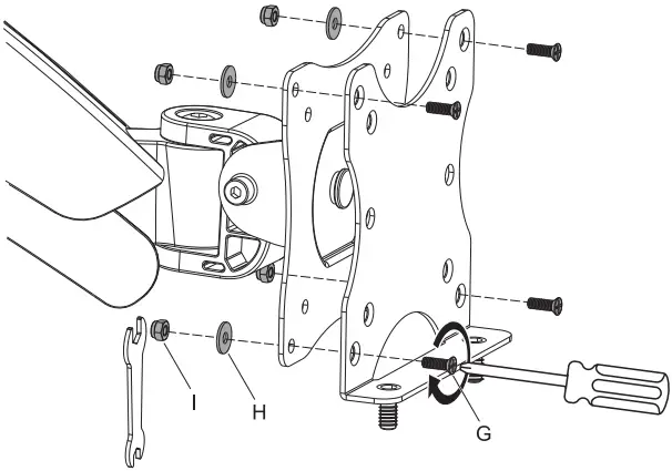
M Thin Client Holder
EAN: 7350105214448

IMPORTANT!
Your Plasma. LCD, TV, Projector, Projector Screen or other HiFi equipment represents a considerable value.
If screws are included they may not be suitable for the material of your wall, ceiling or floor. Replace the screws with suitable ones if needed.
In case you are unsure regarding any aspects of the mounting of this product please Consult a professional.
WARRANTY CARD
MULTIBRACKETS™ Limited Warranty
Multibrackets warrants its products to be free of defects in material and workmanship for the product’s Warranty Period.
The Warranty Period commences on the original purchase date of the product.
All Multibrackets products are covered by a limited product warranty:
- FIVE (5) years for metal video monitor mounts; all racks and non-electrical rack accessories
- TWO (2) years for gaslifts and sit-stand workstations
- ONE (1) year for all motorized and/or automated products, plastic speaker mounts; all speaker stands; all furniture; all wood (MDF) accessories
For warranty claims made during the Warranty Period, MULTI-BRACKETS will replace any defective product part free of charge. Should a part on your Multibrackets product fail, please create an RMA case on www.multibrackets.com/support to make a warranty claim. We will await your documentation and then discuss the problem with you and once we confirm the product is under warranty, we will ship replacement parts to you. This Limited Warranty does not cover the costs of removing and replacing defective parts from your Multibrackets product. So, if your problem requires a repair technician, you must pay any labor charges.
This Limited Warranty extends only to the original purchaser of the product and is automatically void if your Multibrackets product is modified in any way, improperly installed, taxed beyond its stated weight capacity or otherwise misused or abused. All Multibrackets products are intended for indoor use only and any
outdoor use voids this Limited Warranty. The Limited Warranty for wall and ceiling mounts is void if the mount is moved from its initial installation. To the maximum extent permitted by applicable law, Multibrackets disclaims any other warranties, express or implied, including warranties of fitness for a particular purpose and war-ranties of merchantability. Multibrackets will not be liable for any damages whatsoever arising out of the use or inability to use its products, even if Multibrackets has been advised of the possibility of such damages. To the maximum extent permitted by applicable law, Multibrackets disclaims any responsibility for incidental or consequential damages.
Multibrackets™ Stockholm Sweden 2016,
www.multibrackets.com
The content of this manual is subject to change without further notice. The latest version of this manual can be found online under the product name on the website:www.multibrackets.com
Warning!
Always check the depth of the holes before starting an installation.

|
|
|
| ||
|
|
|
|
| |
Note: Read the entire instruction manual before you start installation and assembly.
1

2a

![]()

![]()

2b

![]()

![]()

2c

![]()

![]()

![]()

![]()

![]()

(x1)
(x1)
(x1)
(x3)


















