
Operating manual
LM-8189FTV
WiFi Module
Version:1.0
Reversion History:
| Version | Date | Modification |
| 1.0 | 2020.11.30 | |
Overview
The LM-8189FTV is a highly integrated WI-FI single chip that supports a 72.2Mbps PHY rate. It fully complies with IEEE 802.11n and IEEE 802.11b/g standards, offering feature-rich wireless connectivity at high standards, and delivering reliable, cost-effective though put from an extended distance. Optimized RF architecture and baseband algorithms provide superb performance and low power consumption . Intelligent MAC design deploys a high efficient DMA engine and hardware data processing accelerators that offload the host processor. The CDW-B18189F-02 is designed to support standard-based features in the areas of security, quality of service, and international regulations, giving end-users the greatest performance at any time and in any circumstance.
Features
- IEEE 802.11b/g/n
- Embedded high-performance 32-bit RISC microprocessor
- Highly integrated RF with 55nm CMOS technology
- 1T1R mode with support of 72.2Mbps PHY rate
- Integrate high-efficiency switching regulator
- Best –in-class power consumption performance
- 802.11d/h/k compliant
- Security support for WGA WPA/WPA2 personal,WPS2.0,WAPI
- Supports 802.11n protected managed frames
- QoS support of WFA WMM, WMM PS
- Supports Wi-Fi Direct
- Fully compliance with SDIO 2.0 High-speed mode
General Specification
| Model | The LM-8189FTV |
| Product Name | WLAN 11n USB 1T1R module |
| Major Chipset | RTL8189FTV-VC-CG |
| Standard | 802.11b/g/n, 802.3, 802.3u |
| Data Transfer Rate | 1,2,5.5,6,11,12,18,22,24,30,36,48,54,60,90,120 and maximum of 72.2Mbps |
| Modulation Method | BPSK/ QPSKI 16-QAM/ 64-QAM |
| Frequency Band | 2.4-2.4835 GHz ISM Band |
| Spread Spectrum | IEEE 802.11b: DSSS (Direct Sequence Spread Spectrum)IEEE802.11g/n:OFDM (Orthogonal Frequency Division Multiplexing) |
| RF Output Power | 11n > 12dBm. 11g > 13dBm. 11b > 16dBm |
| Operation Mode | Ad hoc, Infrastructure |
| Receiver Sensitivity | 11b CCK11(PER<8%) < -85dBm , 11g OFDM54(PER<10%) < -73dBm , 11n 1-1120 MCS7(PER<10%) < -69dBm |
| Operation Range | Up to 180 meters in open space |
| OS Support | Windows2000,XP32-64,Vista32/64,Win732/64, Linux, Mac, Android. WIN CE |
| Security | WEP, TKIP, AES, WPA, WPA2 |
| Interface | SDIO2.0 |
| Power Consumption | DC3.3V 600mA |
| Operating Temperature | 0∼+70°C ambient temperature |
| Storage Temperature | -20∼125°C ambient temperature |
| Humidity | 5 to 90 % maximum (non-condensing) |
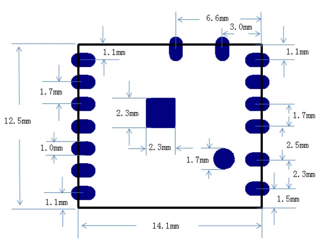
| Dimension | 14.1 x 12.5 x0.6 mm (LxW) ±0.15mm |
DC Characteristics
| Description | TYP | Unit |
| Sleep mode | 1.5 | mA |
| RX Active,HT40,MCS7 | 220 | mA |
| RX Power saving, DTIM=1 | 20 | mA |
| RX Listen | 10 | mA |
| TX HT40,mcs7 ©13dBm | 230 | mA |
| TX CCK,11Mbps ©17dBm | 280 | mA |
Note: All result is measured at the antenna port and VDD33 is 3.3V,3.3V Rating Current 600mA.
Pin Description and PCB size


| NO. | Name | Description |
| 1 | SD_CMD | SDIO Command Input |
| 2 | SD D3 | SDIO Data Line 3 |
| 3 | SD D2 | SDIO Data Line 2 |
| 4 | SD D1 | SDIO Data Line 1 |
| 5 | SD DO | SDIO Data Line 0 |
| 6 | SD_CLK | SDIO Clock Input |
| 7 | GND | Ground |
| 8 | GND | Ground |
| 9 | ANT | WIFI radio antenna, Impedance control to 50oh |
| 10 | WAKE | WIFI WAKE Device |
| 11 | VDIO | VDD for SDIO Pin. The power supply is the same as the signal level of SDIO bus(3.3V ∼ 1.8V) |
| 12 | VDD33 | Power supply 3.3V |
| 13 | CS | This pin can Externally Shutdown theRTL8189FTVwithoutrequiring an extra power switch |
| 14,15 | GND | Ground |
| 16,17 | GND | Ground, no connect |
Recommended Reflow Profile
Referred IPC/JEDEC standard.
Peak Temperature: <250°C
Number of Times: 2 times


This device complies with part 15 of the FCC Rules. Operation is subject to the following two conditions:
(1) This device may not cause harmful interference, and (2) this device must accept any interference received, including interference that may cause undesired operation.
Note: This equipment has been tested and found to comply with the limits for a Class B digital device, pursuant to part 15 of the FCC Rules. These limits are designed to
provide reasonable protection against harmful interference in a residential installation. This equipment generates uses and can radiate radio frequency energy and, if not installed and used in accordance with the instructions, may cause harmful interference to radio communications. However, there is no guarantee that interference will not occur in a particular installation. If this equipment does cause harmful interference to radio or television reception, which can be determined by turning the equipment off and on, the user is encouraged to try to correct the interference by one or more of the following measures:
- Reorient or relocate the receiving antenna.
- Increase the separation between the equipment and receiver.
- Connect the equipment into an outlet on a circuit different from that to which the receiver is connected.
- Consult the dealer or an experienced radio/TV technician for help.
Any changes or modifications not expressly approved by the party responsible for compliance could void the user’s authority to operate the equipment. This equipment complies with FCC radiation exposure limits set forth for an uncontrolled environment. This equipment should be installed and operated with a minimum distance of 20cm
between the radiator & your body.

The CDW-B18189F-02 is ESD (electrostatic discharge) sensitive device and may be damaged with ESD or spike voltage. Although CDW-B18189F-02 is with built-in ESD protection circuitry, please handle it with care to avoid permanent malfunction or performance degradation.
Integration instructions for host product manufacturers according to KDB 996369 D03 OEM Manual v01
2.2 List of applicable FCC rules
CFR 47 FCC PART 15 SUBPART C has been investigated. It is applicable to the modular transmitter
2.3 Specific operational use conditions
This module is stand-alone modular. If the end product will involve the Multiple simultaneously transmitting condition or different operational conditions for a stand-alone modular transmitter in a host, the host manufacturer has to consult with the module manufacturer for the installation method in the end system.
2.4 Limited module procedures
Not applicable
2.5 Trace antenna designs
Not applicable
2.6 RF exposure considerations
This equipment complies with FCC radiation exposure limits set forth for an uncontrolled environment. This equipment should be installed and operated with a minimum distance of 20cm between the radiator & your body.
2.7 Antennas
This radio transmitter 2AHTX-LMRTL8189FTV has been approved by Federal Communications Commission to operate with the antenna types listed below, with the maximum permissible gain indicated. Antenna types not included in this list that have a gain greater than the maximum gain indicated for any type listed are strictly prohibited from use with this device.
| Model | Type | Peak Gain(dBi) |
| 2.4GWLAN | FPC antenna | 2.5 dBi |
2.8 Label and compliance information
The final end product must be labeled in a visible area with the following “Contains FCC ID: 2AHTX-LMRTL8189FTV”.
2.9 Information on test modes and additional testing requirements
The host manufacturer is strongly recommended to confirm compliance with FCC requirements for the transmitter when the module is installed in the host.
2.10 Additional testing, Part 15 Subpart B disclaimer
Host manufacturer is responsible for compliance of the host system with the module installed with all other applicable requirements for the system such as Part 15 B.



















