ASHCROFT A4 Intrinsically Safe Non-Incendive Pressure Transducer

WARNING! READ BEFORE INSTALLATION
GENERAL
A failure resulting in injury or damage may be caused by excessive overpressure, excessive vibration or pressure pulsation, excessive instrument temperature, corrosion of the pressure containing parts, or other misuse. Consult Ashcroft Inc., Stratford, Connecticut, USA before installing if there are any questions or concerns.
OVERPRESSURE
Pressure spikes in excess of the rated overpressure capability of the transducer may cause irreversible electrical and/or mechanical damage to the pressure measuring and containing elements. Fluid hammer and surges can destroy any pressure transducer and must always be avoided. A pressure snubber should be installed to eliminate the damaging hammer effects. Fluid hammer occurs when a liquid flow is suddenly stopped, as with quick closing solenoid valves. Surges occur when flow is suddenly begun, as when a pump is turned on at full power or a valve is quickly opened. Liquid surges are particularly damaging to pressure transducers if the pipe is orig-inally empty. To avoid damaging surges, fluid lines should remain full (if possible), pumps should be brought up to power slowly, and valves opened slowly. To avoid damage from both fluid hammer and surges, a surge chamber should be installed.
Symptoms of fluid hammer and surge’s damaging effects:
- Pressure transducer exhibits an output at zero pressure (large zero offset).
- Pressure transducer output remains constant regardless of pressure
- In severe cases, there will be no output.
FREEZING:
Prohibit freezing of media in pressure port. Unit should be drained (mount in vertical position with electrical termina-tion upward) to prevent possible over-pressure damage from frozen media.
STATIC ELECTRICAL CHARGES
Any electrical device may be susceptible to damage when exposed to static elec-trical charges. To avoid damage to the transducer observe the following:
- Operator/installer should follow the proper ESD (electrostatic discharge) protection procedures before handling the pressure transducer.
- Ground the body of the transducer BEFORE making any electrical connections
- When disconnecting, remove the ground LAST!
Note: The shield and drain wire in the cable (if supplied) is not connected to the transducer body, and is not a suitable ground.
WARNING/AVERTISSEMENT
- DO NOT OPEN UNIT WHEN ENERGIZED
- SUBSTITUTION OF COMPONENTS MAY IMPAIR INTRINSIC SAFETY
- EXPLOSION HAZARD – DO NOT DISCONNECT WHILE CIRCUIT IS LIVE UNLESS AREA IS KNOWN TO BE NON-HAZARDOUS
- EXPLOSION HAZARD –SUBSTITUTION OF COMPONENTS MAY IMPAIR SUITABILITY FOR CLASS I, DIVISION 2
Ashcroft® A4 Pressure Transmitter, Typical Dimensions and Construction*
*Dimensions and construction details may vary based on product specified.
Mounting
The A4 transmitter requires no special mounting hardware, and can be mounted in any plane with negligible position error.
Although the unit can withstand normal vibration without damage or significant output effects, it is always good practice to mount the transducer where there is mini-mum vibration.
For units with NPT type pressure fittings apply Teflon® tape or an equivalent sealant to the threads before installing.
When tightening, apply a wrench to the hex wrench flats located just above the pressure fitting. DO NOT tighten by using a pipe wrench on the housing.
Power Supply
* Refer to Ashcroft drawing #825A022 for supply voltage and load limit.
** The minimum voltage at the terminals is 12Vdc. However, the minimum supply voltage should be calculated using the following graph and formula.
Vmin = 12V+ (.022A x RL) (includes a 10% safety factor) RL = RS + RW
RL = Loop Resistance (ohms)
RS = Sense Resistance (ohms)
RW = Wire Resistance (ohms)
Noise
For minimum noise susceptibility, avoid running the transducer’s cable in a conduit that contains high current AC power cables. Where possible avoid running the cable near inductive equipment.
Shielded Cable
Units with shielded cable electrical termination, connect the drain wire to the guard terminal on the read out device or measuring instrument, if available. In all other cases connect to the ground or to the power supply negative terminal.
Vent Tube (Cable Termination Only) The cable has a clear Teflon® vent tube required at pressure ranges below 500 psi to provide atmospheric reference. The open end should be placed in a
dry area.
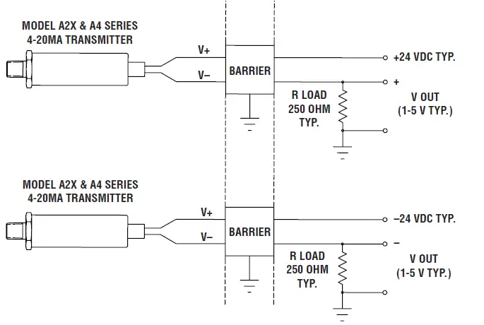
A4 Wiring Diagrams
A4 transducer has internal transient protection: for safety, limit line-to-ground voltage to 36 Vdc max.
Zero and Span Adjustment
Instructions below apply to the particular configurations noted. While Zero adjustment is not normally necessary, it may be desirable to trim out any offset in the system. However, proper Span calibration requires a pressure standard three to five times more accurate than the accuracy of the transducer, and there may also be interaction of Span on Zero.
A4 configurations with enclosure “S” offer Zero and Span potentiometer access.
Access to “Z” and “S” pots via the top (electrical termination end) of the unit is standard on all “S” enclosure units with 4-20mA output. Access is gained by removing the black threaded cap, once removed you will see the pots indicated by “Z” and “S” respectively as shown below. Using a small trim pot tool, you can adjust zero ±10% of full scale and span ±10% of full scale.
Recalibration Instructions:
- Apply 0% full scale pressure.
- Adjust the output using the zero adjust trim pot.
- Apply 100% full scale pressure.
- Adjust the output using the span adjustment trim pot.
- Repeat steps 1 through 4 as necessary.
HAZARDOUS AREA CERTIFICATIONS
Intrinsically Safe (applies to 4-20mA) FM/CSA:
Intrinsic Safety: Class I, II and III Div.1 and 2, Groups A, B, C, D, F and G per entity requirements see Ashcroft drawing # 825A022
Non-Incendive: Class I, II and III Div. 2, Groups A, B, C, D, F and G, no barriers needed
A4 INTRINSICALLY SAFE & NON-INCENDIVE RATED PRESSURE TRANSMITTER INSTRUCTION SHEET

ELECTRICAL TERMINATIONS FOR WELDED HOUSINGS ONLY EXCLUDING EXPLOSION PROOF

FM INSTALLATION GUIDELINES
INSTALLATION FOR FM
INTRINSICALLY SAFE CLASS 1, GROUPS A, B, C & D & CLASS ll, GROUPS E, F & G &
CLASS lll
INSTALLATION NOTES≥
Voc OR Vt ≤30VDC
Isc OR It ≤100mA
Ca≥ 0.053uF + Ccable
La ≥ 0.364uH + Lcable
- THE INTRINSIC SAFETY ENTITY CONCEPT ALLOWS THE INTERCONNECTION OF TWO INTRINSICALLY SAFE DEVICES FM APPROVED WITH ENTITY PARAMETERS NOT SPECIFICALLY EXAMINED IN COMBINATION AS A SYSTEM WHEN: Uo OR Voc OR V≤t Vmax, Io OR Isc OR≤ It Imax, Ca OR Co
≥ Ci + Ccable, La OR ≥Lo Li +Lcable≤, Po Pi. - THE NONINCENDIVE FIELD WIRING CONCEPT ALLOWS INTERCONNECTION OF NONINCENDING FIELD WIRING APPARATUS WITH ASSOCIATED NONINCENDIVE FIELD APPARATUS USING ANY OF THE WIRING METHODS PERMITTED FOR NON3HAZARDOUS (UNCLASSIFIED) LOCATIONS WHEN: Uo OR Voc OR Vt Vmax, Io OR Isc OR It Imax, Ca OR Co + Ccable, La OR Lo Li
+ Lcable, Po Pi. - FOR DIVISION 1 INSTALLATIONS, THE CONFIGURATION OF ASSOCIATED APPARATUS SHALL BE FM APPROVED UNDER ENTITY CONCEPT.
- FOR DIVISION 2 INSTALLATIONS USING NONINCENDIVE FIELD WIRING CONCEPTS THE ASSOCIATED APPARATUS SHALL BE FM APPROVED UNDER THE ENTITY CONCEPT OR NONINCENDIVE FIELD WIRING CONCEPT.
- FOR DIVISION 2 INSTALLATIONS THE ASSOCIATED APPARATUS IS
NOT REQUIRED TO BE FM APPROVED UNDER ENTITY CONCEPT OR NONINCENDIVE FIELD WIRING CONCEPT IF THE
A2X(4-20mA) & A4 SERIES PRESSURE TRANSDUCER IS INSTALLED IN ACCORDANCE WITH THE NATIONAL ELECTRICAL CODE (ANSI/NFPA 70) FOR DIVISION 2 WIRING METHODS EXCLUDING NONINCENDIVE FIELD WIRING. - CONTROL EQUIPMENT CONNECTED TO THE ASSOCIATED APPARATUS SHALL NOT USE OR GENERATE MORE THAN 250VRMS OR VDC.
- DIVISION 1 INSTALLATIONS SHOULD BE IN ACCORDANCE WITH ANSI/ISA RP12.06.01, “INSTALLATION OF INTRINSICALLY SAFE SYSTEMS FOR HAZARDOUS (CLASSIFIED) LOCATIONS’’ AND THE NATIONAL ELECTRICAL CODE (ANSI/NFPA 70).
- ASSOCIATED APPARATUS MANUFACTURERS INSTALLATION DRAWING SHALL BE FOLLOWED WHEN INSTALLING THIS EQUIPMENT.
- RUN SHIELDED INTERCONNECTION CABLE WITH SHIELD CONNECTED TO FM APPROVED ASSOCIATED APPARATUS GROUND.
- WARNING – DO NOT OPEN WHEN ENERGIZED.
- WARNING – DO NOT DISCONNECT EQUIPMENT UNLESS AREA IS KNOWN TO BE NON-HAZARDOUS.

CSA INSTALLATION GUIDELINES
INSTALLATION FOR CSA
INTRINSICALLY SAFE CLASS 1, GROUPS A, B, C & D & CLASS ll, GROUPS E, F & G &
CLASS llI
INSTALLATION NOTES:
Vmax 30VDC
Imax 100mA
Ci = 0.053uF
Li = 0.364uH
- THE INTRINSIC SAFETY ENTITY CONCEPT ALLOWS THE INTERCONNECTION OF TWO INTRINSICALLY SAFE DEVICES CSA CERTIFIED WITH ENTITY PARAMETERS NOT SPECIFICALLY EXAMINED IN COMBINATION AS A SYSTEM WHEN: Uo OR Voc Vmax, Io OR Isc Imax, Ca OR Co Ci + Ccable, La OR Lo Li +Lcable, Po Pi.
- THE NONINCENDIVE FIELD WIRING CONCEPT ALLOWS INTERCONNECTION OF NONINCENDING FIELD WIRING APPARATUS WITH ASSOCIATED NONINCENDIVE FIELD APPARATUS USING ANY OF THE WIRING METHODS PERMITTED FOR NON3HAZARDOUS (UNCLASSIFIED) LOCATIONS WHEN: Uo OR Voc Vmax, Io OR Isc Imax,
Ca OR Co + Ccable, La OR Lo Li +Lcable, Po Pi. - FOR DIVISION 1 INSTALLATIONS, THE CONFIGURATION OF ASSOCIATED APPARATUS SHALL BE CSA CERTIFIED UNDER ENTITY CONCEPT.
- FOR DIVISION 2 INSTALLATIONS USING NONINCENDIVE FIELD WIRING CONCEPTS THE ASSOCIATED APPARATUS SHALL BE CSA CERTIFIED UNDER THE ENTITY CONCEPT OR NONINCENDIVE FIELD WIRING CONCEPT.
- FOR DIVISION 2 INSTALLATIONS THE ASSOCIATED APPARATUS IS NOT REQUIRED TO BE CSA CERTIFIED UNDER ENTITY CONCEPT OR NONINCENDIVE FIELD WIRING CONCEPT IF THEA2X (4-20mA) & A4 SERIES PRESSURE TRANSDUCER IS INSTALLED IN ACCORDANCE WITH THE CANADIAN ELECTRICAL CODE (CEC, CAN/CSA3C22.1) FOR DIVISION 2 WIRING METHODS EXCLUDING NONINCENDIVE FIELD WIRING.
- CONTROL EQUIPMENT CONNECTED TO THE ASSOCIATED APPARATUS SHALL NOT USE OR GENERATE MORE THAN 250VRMS OR VDC.
- ASSOCIATED APPARATUS MANUFACTURERS INSTALLATION DRAWING SHALL BE FOLLOWED WHEN INSTALLING THIS EQUIPMENT.
- RUN SHIELDED INTERCONNECTION CABLE WITH SHIELD CONNECTED TO FM APPROVED ASSOCIATED APPARATUS GROUND.
- WARNING – SUBSTITUTION OF COMPONENETS MAY IMPAIR INTRINSIC SAFETY
- WARNING – TO PREVENT IGNITION OF FLAMMABLE OR COMBUSTIBLE ATMOSPHERES, DISCONNECT POWER BEFORE SERVICING.
HAZARDOUS (CLASSIFIED) AREA
CLASS I, DIVISION 1 & 2,
GROUPS A, B, C, & D;
CLASS II, DIVISION 1 & 2,
GROUPS E, F & G, CLASS III
NON-HAZARDOUS
(UNCLASSIFIED) AREA

©2019 Ashcroft Inc., 250 East Main Street, Stratford, CT 06614-5145, USA, Tel: 203-378-8281, Fax: 203-385-0499, www.ashcroft.com All sales subject to standard terms and conditions of sale. a4_transducer_im_ RevD_Ltr_10-24-19 (I&M011-10166-A4)



















