
Electric Stacker
Instruction Manual

Warning
Please read this instruction manual carefully before using the electric stacker.
This manual works for all electric stacker, and we reserve our rights for technical reform. Pictures and object maybe slightly different, please in kind prevail.
PROPER USAGE
1.1 The electric stacker described in the manual has following functions: travelling, fork raising, fork lowering, going back, and etc.. All functions can be easily achieved by using handle.
1.2 The electric stacker should be used on the flat ground. Staff should know the stacker’s function, structure, and maintenance clearly before using.
1.3 Please make sure that the stacker is normal before using. Correctly using can increase work efficiency.
1.4 In order to avoid dangerous, please make sure there is nobody around forks except the stacker operator when loading and unloading goods. It is prohibited to use stacker to carry people and dangerous cargo. When delivering cargos, the fork should be lower than 300mm.
1.5 Please follow the instructions, and do not overload.
OVERVIEW OF THE ELECTRIC STACKER


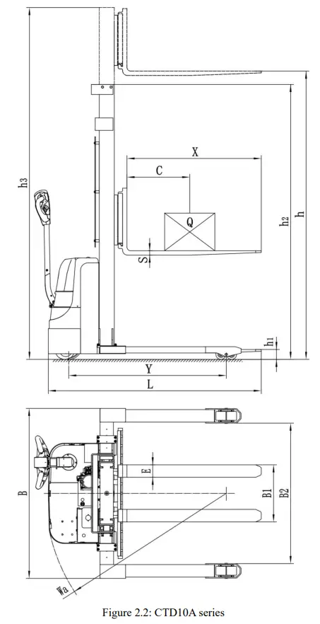
TECHNICAL DATA
| Model | Unit | CDD-B10 | CDD-B16 | CDT10A |
| Rated load Q | kg | 1000 | 1600 | 1000 |
| Load center distance C | mm | 500 | 500 | |
| Lifting height h | mm | 1600/2000/2500/3000 | 2000/2500/3000 | |
| Door frame retract height h2 | mm | 2090/1590/1840/2090 | 1605/1855/2105 | |
| Max. gantry mounting height h3 | mm | 2090/2545/3045/3545 | 2563/3062/3562 | |
| Fork’s lowest height h1 | mm | 86 | 60 | |
| Fork size X×E×S | mm | 1150×160×55 | 1070×100×35 | |
| Machine length L | mm | 1755 | 1700 | |
| Fork length X | mm | 1150 | 1070 | |
| Wheel base length Y | mm | 1264 | 1255 | |
| Overall width B | mm | 800 | 1146-1552 | |
| Fork width B1 | mm | 685/550 | 205-1000 | |
| Inner width of Fork B2 | mm | 365/230 | 914-1320 | |
| Turning radius Wa | mm | 1450 | 1440 | |
| Driving speed. No-load/Full-load | Km/h | 4.5/4.0 | 4.5/4.0 | |
| Lifting speed. No-load/Full-load | mm/s | 150/100 | 150/100 | |
| Lowering speed. No-load/Full-load | mm/s | 130/150 | 130/150 | |
| Lifting motor | V/kw | 24/2.2 | 24/2.2 | |
| Battery voltage/rated capacity | V/Ah | 2×12/85(20hr) | ||
| Drive control mode | V/Ah | Controller | Controller | |
| Net weight(height 3m) | kg | 487 | 520 | 586 |
INFRASTRUCTURE

| No. | Name | No. | Name |
| 1 | Lifting chain component | 8 | Rear frame component |
| 2 | Inner gantry mounting component | 9 | Electric controller |
| 3 | Outer gantry mounting component | 10 | Hydraulic station assembly |
| 4 | Fork component | 11 | Driving wheel component |
| 5 | Socket | 12 | Cover component |
| 6 | Hydraulic cylinder component | 13 | Emergency stop switch |
| 7 | Battery component | 14 | Operating handle component |

| No. | Name | Qty. | No. | Name | Qty. |
| 1 | Chain wheel | 2 | 9 | Battery | 2 |
| 2 | Oil cylinder | 1 | 10 | Emergency stop button | 1 |
| 3 | Outer mast | 1 | 11 | Straddle legs | 2 |
| 4 | Cover | 1 | 12 | Gyro wheel | 8 |
| 5 | Control handle | 1 | 13 | Carriage assembly | 1 |
| 6 | Driving motor assembly | 1 | 14 | Fork | 2 |
| 7 | Hydraulic unit | 1 | 15 | Inner mast | 1 |
| 8 | Training wheel assembly | 1 |
ADJUSTMENT OF STRADDLE LEGS
First, raise or lift the machine to let the straddle legs off the ground. Then, loosen the screws on the binder plate and pull out or insert the straddle legs. It will be more convenience to use hammer or crowbar when adjusting the straddle legs.

OPERATING HANDLE ASSEMBLY DIAGRAM

| No. | Name | No. | Name |
| 1 | Travel switch | 5 | Voltmeter |
| 2 | Alarm | 6 | Lowering button |
| 3 | Anti-collision button | 7 | Electric door lock |
| 4 | Raising button |
OPERATING INSTRUCTIONS
1.1 KX-CDDQ electric stacker has an emergency stop switch (13). Before using, turn off the emergency stop switch, insert the key into the electric door lock (7), clockwise rotation (turn on), and check the voltmeter.
1.2 Use the lowering button (6) to fall forks to the lowest position when load or unload cargos. The center of gravity of cargos should be on the center of forks, and cargos should not be overweight or oversize. Use the raising button (4) to lift forks, and press the Alarm button to remind the others to avoid the collision.
1.3 Use the travel button (1) to start the stacker, and please pay cautions to slope and uneven ground. When placing cargos on the goods shelf, press raising button (4) to lift goods to the specified height; press anti-collision button (3) to move the stacker to the location; press lowering button to lower forks until the cargo is placed on the goods shelf; moving stacker to safety area; turn off power, and then turn on emergency stop switch.
1.4 When the stacker break down or out of control, please press the emergency stop switch. If possible, please stop stacker at the safety area, rotate the key anticlockwise, pull out the key, and then inform maintenance department or service department.
1.5 In order to keep stacker working well, please use HL-N46 hydraulic oil when temperature is from -0 ℃ to 46 ℃, or use HV-N46 hydraulic oil when temperature is from -1℃ to -46 ℃.
1.6 Only professional serviceman can maintain, change, or charge the battery. Please follow the instructions, and the used battery should be disposed according to national law.
1.7 Please charge immediately (Do not over 24 hours), when battery is fully discharged or charging signal is on, otherwise, it may shorten the service life of battery. If not use tow truck for a long time, please charge once per month. Do not over charge or over discharge, in order to avoid battery damage (charging time: 8 hours).
MAINTENANCE
| Maintenance of machine | Interval | ||
| 2 month | 6 month | ||
| 1 | Check whether fastener is loose | √ | |
| 2 | Check whether oil tube connection is leak | √ | |
| 3 | Check whether gear case has noise or leak | √ | |
| 4 | Check whether lifting system works well | √ | |
| 5 | Check whether forks have crack or deformation | √ | |
| 6 | Check whether under pan has crack or deformation | √ | |
| 7 | Check whether wheels have abrasion or damage | √ | |
| Maintenance of hydraulic | |||
| 1 | Check whether hydraulic oil cylinder has abrasion, noise, and damage | √ | |
| 2 | Check whether hydraulic adapting piece and oil tube have damage or leak | √ | |
| 3 | Check whether oil level meet the standard | √ | |
| 4 | Check and adjust pressure valve’s function (+10%) load | √ | |
| Maintenance of electric appliance | |||
| 1 | Check whether cable, connector, and terminal connect well | √ | |
| 2 | Check the function of emergency stop switch | √ | |
| 3 | Check whether motor drive system works well | √ | |
| 4 | Check whether use correct fuse | √ | |
| 5 | Check whether contactor, display, and buzzer work well | √ | |
| 6 | Check whether control system works well | √ | |
| 7 | Check whether electric system works well | √ | |
| Malfunction | Cause | Solution |
| Voltmeter has no display after opening electric door lock | The fuse of electric system is burn out or the electric door lock is damaged | Change fuse or electric door lock |
| Hydraulic station and motor pump have noise when working | The magnetic valve of hydraulic station is dirty | Clean magnetic valve |
| Oily is too high | Use low oily hydraulic oil | |
| Cannot lift cargo | Overload | Check rated load |
| The Oil cylinder pressure is not enough | Check or change sealing element | |
| Low level of hydraulic oil | Refill hydraulic oil | |
| The fuse of lifting is burn out | Change fuse | |
| Low battery | charge | |
| Lock the electric door lock or turn on the emergency stop switch | Unlock the electric door lock or turn off emergency stop switch | |
| Cannot lower forks | The magnetic valve of hydraulic station without control. | Clean or change |
| Mast roller is stuck | Adjust or change | |
| Inner gantry mounting is oversize deformation | Adjust or change | |
| Oil return hole is blocking | Clean |
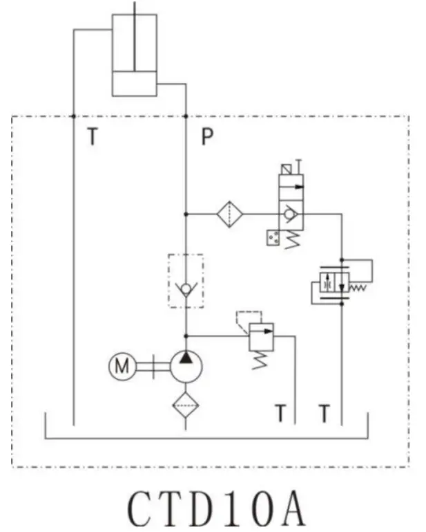
HYDRAULIC CIRCUIT

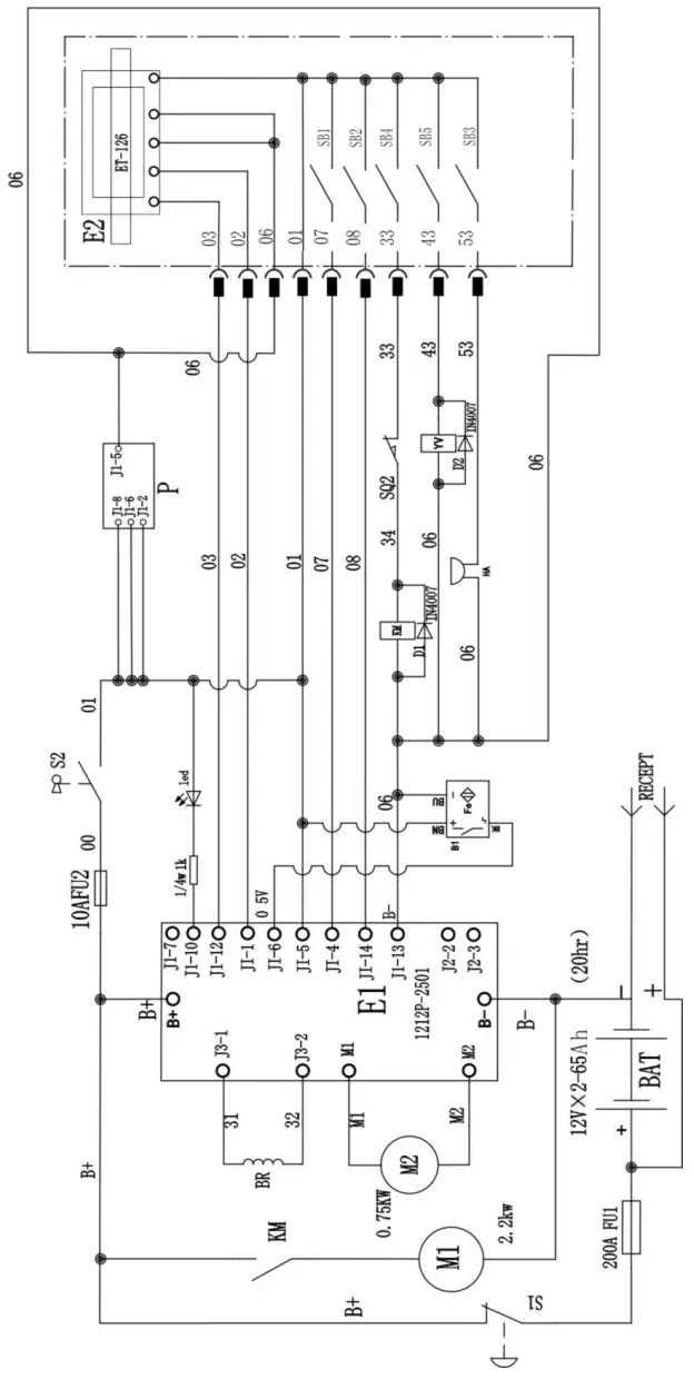
ELECTRIC CIRCUIT



















