CVW Thunder 2-Channel Wireless Transmission System

User Manual
This user manual applies to:
Transmitter:7074
Receiver:3074
Thank you for choosing CVW’s professional wireless HD audio and video transmission product. Read the following precautions carefully before using this product:
- Do not use this product for a long time in the sun or dusty place.
- Be sure to use this product within the temperature and humidity ranges.
- Do not operate the product under vibration or strong magnetic fields.
- Do not put conductive materials in the product vents.
- Do not open the product yourself without the guidance of our professionals.
- Before power-on, make sure that the adapter input voltage is AC110V-220V, and that the output voltage and current meet the product specifications.
- Before power-on, make sure that the antenna is installed.
About This Manual
This Manual details the product specifications, instructions for use, precautions, and troubleshooting. Read the Manual carefully before using the product. If you have any questions or difficulties in using this product, contact the Company or the seller in time.
Product Features
Thunder is a wireless HD video transmission device with wall-mounted, non-line-of-sight transmission features,supporting up to 1080P/60Hz video resolution. This system is based on 1.4Ghz wireless network technology for transmission. Image processing is performed using H.264 coding-decoding technology, and thus the images are clearer and the latency is lower.
Brief Introduction
- High-quality low-latency video footage
This product supports HD-SDI&3G-SDI input and output as well as HDMI full-HD input and output, with the highest resolution of 1080P/60Hz. With the use of H.264 coding-decoding technology with high compression ratio and high definition, the images have high definition, and the latency is as low as 70ms. - Wall-mounted and non-line-of-sight transmission features
This product is designed based on 1.4Ghz wireless network technology. The lower frequency makes it have better penetrating characteristics and can be transmitted under non-line-of-sight conditions, and this frequency is not easy to be interfered by the external environment. - Point-to-point mode and streaming mode
This product supports switching between two operating modes, namely point-to-point mode and RTSP streaming mode. In point-to-point mode, the video output interface is HDMI or SDI. In RTSP streaming mode, the video streaming interface is RJ45 network interface. There are more options for different applications. - RS232 transparent transmission
This product supports RS232 transparent transmission, which is convenient for users to control the transmitting terminal through the device at the receiving terminal, such as the PTZ.
Packing List
The following items are included in the product package
Structure & Interface
TX: 7074
Transmitter Key Operation
| Button | Operation | Description |
|
MODE | Press and hold the “MODE”button at the TX terminal for about 6s This button does not function at the RX terminal. |
When switching to streaming mode, the word “RTSP” will be displayed on the OLED display, and the product will enter streaming mode. |
| During the restart of the coding-decoding | ||
| RESET | Press the “RESET” button for about 3s | board, the “RESET” string will always be displayed on the OLED display, and the |
| string will disappear after the restart. |
RX: 3074
Transmitter Key Operation
| Button | Operation | Description |
|
MODE | Press and hold the “MODE”button at the TX terminal for about 6s This button does not function at the RX terminal. |
When switching to streaming mode, the word “RTSP” will be displayed on the OLED display, and the product will enter streaming mode. |
| During the restart of the coding-decoding | ||
| RESET | Press the “RESET” button for about 3s | board, the “RESET” string will always be displayed on the OLED display, and the |
| string will disappear after the restart. |
Product Installation
For transmitter
- Please install all the antennas on the transmitter (as shown in the picture).

- If using battery, equip to the transmitter. As shown in the figure below.

- Please fix the transmitter via
the screw at the bottom or the V-mount at the back, and place it at a height of around 1.5 to 2 meters above floor. (as shown in the picture). - Please connect the transmitter and camera with SDI or HDMI cable. (as shown in the picture).

Receiver Installation
- Please install all the antennas on the transmitter (as shown in the picture).

- If using battery, equip to the receiver. As shown in the figure below.

- Please fix the transmitter via
the screw at the bottom or the V-mount at the back, and place it at a height of around 1.5 to 2 meters above floor. (as shown in the picture). - Please connect the transmitter and camera with SDI or HDMI cable. (as shown in the picture).

Product Application
Point-to-point mode
In point-to-point mode, the video source is sent to the transmitter via HDMI or SDI. The receiver will receive the signal and display it to the display device via HDMI and SDI.
Streaming mode
In streaming mode, the video source is sent to the transmitter via HDMI or SDI. The receiver will receive the RTSP protocol network signal from the transmitter and send it to the computer for display through the network port. You can connect to the WIFI at the receiver via your mobile phone or tablet, and watch it through the player on the mobile phone or tablet.
Functional Instructions
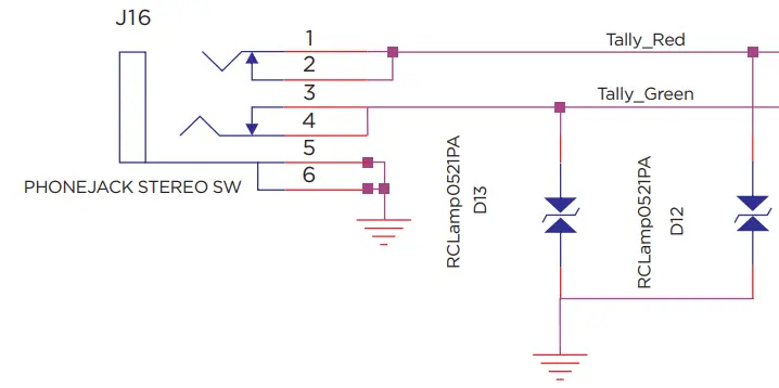
Tally function
Tally interface of the transmitter and receiver: The transmitter’s Tally interface is a standard φ3.5 headphone interface. The receiver’s Tally interface is a DB9 female.
Tally light output interface:
The DB9 header of the Tally input interface is defined as follows:
RS232/RS422 transparent transmission Description:
This interface defaults to RS232 function. For RS422 function, contact the sales staff in advance for customized information!
| RS232 | RS422 | |||
| Pin No | Name | Description | Name | Description |
| 1 | NC | NC | RXD- | Receive data RX- |
| 2 | P12V | No voltage output by default (Reserve 12V voltage output) | P12V | No voltage output by default (Reserve 12V voltage output) |
| 3 | NC | NC | TXD- | Transmit data TX- |
| 4 | TXD | Transmit data TX | TXD+ | Transmit data TX+ |
| 5 | GND | Ground | GND | Ground |
| 6 | RXD | Receive data RX | RXD+ | Receive data RX+ |
Attached: Baud rate settings
Log in to the backplane parameter settings page to change the baud rate settings:(For specific operating steps, refer to “Video Parameter Settings”)
Streaming Function
- When using the functions in streaming mode, the transmitter needs to switch to streaming mode. At this time, the word “RTSP” is displayed
on the transmitter’s OLED display, the SDI and HDMI at the receiver have no video output, and the image is transmitted to the streaming media software through the LAN port of the receiver for decoding display. - The streaming mode depends on software decoding. Comply with lots of streaming media software. The following is an example of common VLC streaming media software:After the transmitter and receiver establish a network connection, the transmitter network indicator is always on, the receiver network connection is normal; the transmitter is connected to the HDMI or SDI video source, and the receiver’s network port is connected to the streaming device.
- Take the VLC of the PC as an example. After running VLC, select to turn on the network stream.Fill in the address “rtsp://corresponding transmitter encoding board IP address/media/live/0”. Click “Play” to start streaming.
- Note that the transmitter must be connected to the video source, and the IP address of the terminal streaming device (such as a computer) must be the same network segment as the IP address of the encoding board. Otherwise, the streaming will fail.


Encoder/Decoder Configuration and Upgrading
Each transmitter has one encoder, and its configuration and software upgrading need to be implemented on its encoder . Since the receiver has four decoders, the configuration and software upgrading need to be implemented on its each decoder respectively. Keep the computer connected to the receiver through LAN port, and keep the receiver connected with all transmitters normally. Each transmitter has one wireless transmission module and one encoder. Receiver has one wireless transmission module and four decoders. All modules and each encoder/decoder have their respective IP address as follows, and all configuration and upgrading operation must be implemented under its own IP address.
| Transmitter | |
| Wireless | |
| transmission module IP | 192.168.1.201, 192.168.1.202, 192.168.1.203, 192.168.1.204 |
| (WiFi IP) | |
| Encoder IP | 192.168.1.111, 192.168.1.112, 192.168.1.113, 192.168.1.114 |
| Receiver | |
| Wireless | |
| transmission module IP | 192.168.1.100 |
| (WiFi IP) | |
| Decoder IP | 192.168.1.211,192.168.1.212,192.168.1.213,192.168.1.214 |
Open internet browser, and enter transmitter’s encoder or receiver’s decoder IP address in the address bar to enter the parameter settings page. V need to be configured one by one, please refer to the following configuration case.
Transmitter Encoder Case (transmitter 2):
Receiver module: (Since the receiver has four decoders, there are four corresponding IP addresses need to be configured)
Receiver Decoder Case (Decoder 2):
Product Specifications
| ITEM | TX:7041 | RX:3041 | |
| Frequency | 1427.9~1447.9MHz | ||
| Antenna | Two antennas 1T1R+1R | ||
| Protocol mode | TDD | ||
| Transmission Power | 33dBm | ||
| Transmission Distance | 1000M (video bitrate is 12Mbps) | ||
| Transmission Delay | 70ms(min) | ||
| Video bitrate | 1- 15Mbps | ||
| Streaming transmission protocol | RTSP | ||
| SDI: | |||
| SMPTE 296M 720p50,720p59.94,720p60 | |||
| SMPTE 274M 1080i50,1080i59.94,1080i60,1080p23.98,1080p24, | |||
| 1080p25,1080p29.97,1080p30 | |||
| SMPTE424M 1080p50,1080p59.94,1080p60 | |||
| Video Format | |||
| HDMI : | |||
| 720p50,720p59.94,720p60 | |||
| 1080i50,1080i59.94,1080i60,1080p23.98,1080p24, | |||
| 1080p25,1080p29.97,1080p30,1080p50,1080p59.94,1080p60 | |||
| Audio Format | PCM Sampling rate: 48KHz | Number of bits: 16bit | |
| Power consumption | Approx. 12W for transmitters Approx. 7W for receivers. | ||
| Operating voltage | 7-36V | ||
| Temperature | -10-50℃ | ||
Precautions
- If transmitter or/and receiver use HDMI cable:(a~f)
- a. Do not plug in or pull out the HDMI cable of the transmitter and receiver during normal use.
- b. Connect the transmitter to the video source and connect receiver to a monitor via HDMI and then power on the transmitter and receiver.
- c. When the OSD prompts that code matching fails after trying code matching, reboot the transmitter and receiver to see whether they can be connected normally. Perform code matching again when it is still unable to be connected after restarting.
- d. When there is no video source output since a blank screen appears during the receiver output after switching the video source resolution, pull out and then plug in the HDMI cable of the transmitter or receiver. If the HDMI cable cannot be recovered after removal and insertion, power off and restart the transmitter and receiver.
- e. When the network cannot be connected for a long time after switching frequency channel, reboot the transmitter and receiver.
- f. When the transmitter and receiver devices are connected normally, there is no output on the monitor at the receiver, or the video output is abnormal, re-plug the HDMI cable of the receiver and check whether the monitor is on standby. If it is still unable to output normally after the above operation, try to replace the display device.
- If there is a picture jam or mosaic during use, it is generally caused by interference in the network. Therefore, try switching the network frequency channel to avoid the interference band. The frequency channel switching operation refers to the frequency channel switching operation instructions.



the screw at the bottom or the V-mount at the back, and place it at a height of around 1.5 to 2 meters above floor. (as shown in the picture).


the screw at the bottom or the V-mount at the back, and place it at a height of around 1.5 to 2 meters above floor. (as shown in the picture).


















