SIEMENS PSX-12C 12 Amp Power Supply Extender Instruction Manual
INTRODUCTION
The SIEMENS Model PSX-12C is a high current power supply extender. The power supply extender works in conjunction with the PSC-12C power supply to provide an additional 12A of regulated 24VDC for internal or external system use.

Up to three PSX-12C modules may be connected to one PSC-12C power supply and one set of batteries. The PSX-12C has a microprocessorcontrolled transfer circuit that allows it to switch the system power to stand-by batteries during loss or reduction of the AC power.
The PSX-12C incorporates a 18A circuit breaker on the battery input.
The PSX-12C communicates directly to the PMI-S to report fault conditions and allows the PMI-S to query the status of the power supply extender. The PSX-12C mounts at the back of the enclosure of the system and occupies one location on the Mounting Plate.
Features
The PSX-12C features are as follows:
- Universal AC power input 120VAC-240VAC @ 60Hz / 50Hz
- Off-line Switch Mode Power Converter
- Power Factor Correction
- Total Output power of 12A@24VDC
- Two separate power output terminals: one power limited terminal with 4A max @ 24VDC capacity and one non-power limited terminal with 12A max @ 24VDC capacity (total not to exceed 12A)
- Both output terminals have current measurement capability
- Auto resettable current protection circuits for overload and short circuit
- Access to CC-5/CC-2 System bus
- Communicates via CAN protocol
OPERATION
The PSX-12C occupies one network address in the CAN network and has three functional components: the Controller, the Power Supply Extender and the Interface Board. The Controller monitors the status of the Power Supply Extender (loss of network ommunication, 24VDC terminal overload and the status of the battery). This information is relayed to the User Interface, where applicable, and is communicated to the PMI-S for system reporting. The Controller also allows the PMI-S to query the state of the power supply extender and its current load and can send a diagnostics command to the PSX-12C. The Power Supply Extender has an Off-line switch mode power converter and power factor correction circuit to improve conductive RF emission at low frequency. It is designed to take voltage inputs of 120VAC-240VAC at 50Hz/60Hz and has one resettable circuit breaker that can also be used as a battery power switch. The Interface Board provides diagnostics LEDs, system connections and the terminal connections on the PSX-12C.
Terminal Blocks Controls and Indicators
The PSX-12C has one reset switch, six LEDs, one address switch, one circuit breaker, two terminal blocks, two terminal connections and two 60 pin flat ribbon connections as shown in Figure 2. The ribbon cable connectors are used to connect the PSX-12C with a PSC-12C, additional PSX-12-Cs or a Card Cage (CC-2/CC-5). A reset switch is located on the top of the front panel. Pushing the reset switch reinitializes the PSX-12C operation.
The LEDs located at the top left of the module and are defined as follows:
POWER – (Green) Normally ON. When illuminated, indicates that the PSX-12C is powered from the AC mains. When flashing, indicates that the PSX-12C is powered from the battery.
MODULE FAIL – (Yellow) Normally OFF. When illuminated indicates that the module microprocessor has failed.
CAN FAIL – (Yellow) Normally OFF. When illuminated, indicates that CAN communication with the PSX-12C has terminated.
HNET FAIL – (Yellow) Normally OFF. Not used for E100 applications

24V 12A FAIL -(Yellow) Normally OFF. When illuminated, indicates that the 24VDC non-power limited output has a trouble condition or the PSX-12C has disconnected the 24VDC output due to current overload or short circuit.
24V 4A FAIL -(Yellow) Normally OFF. When illuminated, indicates that the 24VDC power limited output has a trouble condition or the PSX-12C has disconnected the 24VDC power output due to current overload or short circuit.
The terminal blocks of the PSX-12C are defined as follows (refer to Figure 2):
24VDC Power Limited Output Terminal. This terminal output is limited to 4A. When it is exceeded, it will shut down, light its associated diagnostics LED and send a fault condition to the PMI-S. This output is normally connected to the modules and cards located on the door of the enclosure or to the remote CAN network modules. This output is power limited to NFPA 70 per 760. All wiring must be in accordance with Article 760 of NEC or local building codes. (See Figure 2.)
Output Voltage: 24VDC +10%, -15%
Output Current: 4A max
TB3-1: (+) terminal
TB3-2: (-) terminal
24VDC Non-Power Limited Output Terminal. This terminal is non-power limited and can supply up to 12A. When the current draw is exceeded, it shuts down, lights its associated LED and sends a fault condition to the PMI-S. This output is normally connected to the input terminals of the CC-5. All wiring must be in accordance with Article 760 of NEC or local building codes. (See Figure 2.)
Output Voltage: 24VDC +10%, -15%
Output Current: 12A max
TB4-1: (-) terminal
TB4-2: (+) terminal
The total cumulative sum of the 24VDC output (power limited + non-power limited) must not exceed 12A. Over current draw will initiate a PSX-12C shut down. The main AC power line must be turned OFF prior to installation.
P9 Connects the back-up battery to the PSX-12C. Always apply AC power first followed by the battery. P12 AC input connector 60-pin Connects the PSX-12C to the system. It is a straight- through connection between the two connectors. It contains the communication signals and system signal bus that is necessary for the proper operation of the system. These connectors are power limited. If the PSX-12C is located in a different row in the enclosure, an optional extended ribbon cable, SIEMENS Model FCL (C24200-K28-B6), must be used.
PRE-INSTALLATION
The PSX-12C installation kit has the following components:
The following part is optional:
| STNENOPMOCTIKNOITALLATSNI | |
| 1 AC power cable | C24200-K10-B7 |
| 1 DC wire red/blue | C24200-K10-B6 |
| 1Ribbon cable 60 Pins, 1= 165mm | A5Q00004611 |
| 4 Flat head screws | A5Q00003958 |
| 1 Contact washer | H70093-A50-S667 |
- If the PSX-12C is not located on the same CAB-MP as the PSC-12C, PSX 12C and/or CC-5/CC-2 it is connected to, an extended 60 pin flat ribbon cable, SIEMENS Model FCL (C24200-K28-B6)), is required.
The following components must be set prior installing the module in the enclosure:
Verify that the dedicated circuit breaker for the PSX-12-C is turned OFF at the mains.
- Battery Circuit Breaker: Set this circuit breaker to the OFF position.
- Network Address Switch: Set the three-digit CAN network address for the PSX-12C using the three-position switch located near the bottom of the front panel. (Refer to Figure 2 for the location of the switch.) The address for the PSX-12C must be the same as the address selected for it in the Zeus Programming Tool. To increment each digit of the address, press the “+” button above the desired digit; to decrement each digit, press the “-” button below the desired digit. The range of allowable addresses is from 001 to 251 (leading zeros must be used).
INSTALLATION
Disconnect BATTERY and AC prior to working on equipment.

The PSX-12C mounts on the Mounting Plate (CAB-MP). The Mounting Plate may be located either “IN” or “OUT” of the enclosure to perform this installation procedure. If the Mounting Plate is located “IN” the enclosure you will have to gain access to it by opening the enclosure Inner and Outer doors. If the Mounting Plate is located outside of the enclosure, place it in front of you so that the word “TOP” is at the top and away from you
The PSX-12C can occupy any position on the mounting plate, but it should be installed in the row and position that is located directly above the PTB to which it is connected. (Refer to Figures 3 and 5). When the PSX-12C is mounted correctly on the Mounting Plate it will be flush on the top, bottom, and right with the Mounting Plate and the mounting screw holes of the PSX-12C will align with the threaded posts.

- Install four M5 screws in the threaded posts at the mounting position. Screw each of the M5 screws into the threaded posts 5-6 turns.
- Place the PSX-12C over the four screws on the Mounting Plate and slide it down or towards you to rest on the four screws. (Refer to Figure 4.) When the PSX-12C is in the correct position it will be flush with the top, bottom and right side of the Mounting Plate.
- Tighten the four screws.
WIRING The PSX-12C has removable terminal blocks and connectors at the top and bottom of the module. The terminal block at the top of the PSX-12C is power limited. The terminals and connectors at the bottom of the PSX-12C are non-power limited. (Refer to Figure 5.)
Use a separate or dedicated circuit breaker and run the earth ground from a suitable source to the PSX-12C. Check local requirements. Conduit is not an acceptable Earth Ground Conductor. Wire in accordance with local codes.


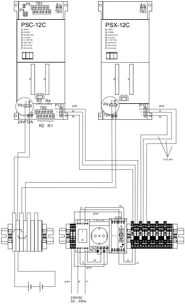
Wiring In The CAB-2 Enclosure

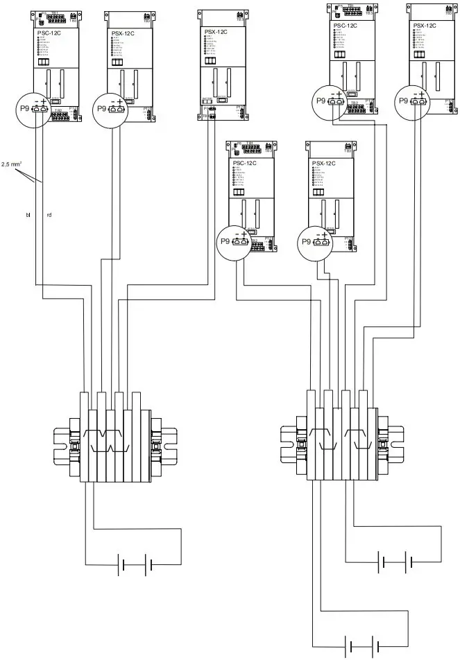
Wiring In The CAB-19 Enclosure
Power Supply Load Calculations
| Card / Module | Quantity | Screw Terminal 24V Current | |
| Per Card/Module | Total 24 VDC Current | ||
| AIC | 0 | 0 | |
| DAC-NET | 0 | 0 | |
| FCM-6S | 14mA +1mA per active LED | ||
| FMT-S | 150mA | ||
| LCM-8S | 14mA +1mA per active LED | ||
| LPB | 0 | 0 | |
| LVM-SS/HS | 25mA | ||
| LVM-D | 100mA | ||
| NIC-C | 0 | 0 | |
| OCM-16 | 14mA +10mA per active LED | ||
| PMI | 0 | 0 | |
| RNI | 75mA | ||
| RPM | 150mA | ||
| SCM-8S | 14mA +1mA per active LED | ||
| SIM-16 | 10mA per active relay + 1.2mA per supv. input | ||
| TZC-8B | 355mA | ||
| ZAC-40 | 150mA +53mA per Watt | ||
| ZAM-180 | 280mA +53mA per Watt | ||
| ZIC-4AC | Usage dependant | ||
| (Must not exceed 12 Amps) | |||
To ensure that the PSX-12C power supply is not overloaded, use the form and follow the procedure listed below.
- Enter the quantity of each card/module in the enclosure.
- Calculate both the 24VDC and 6.2VDC loads for each row.
- Total the Active 24VDC and Active 6.2VDC columns.
- Ensure that both totals are within the power supply output ratings.
Battery Power Make sure that the battery circuit breaker is in the OFF position.
Use either 14 or 12 AWG for (2.5mm2 or 4mm2 ) battery connection. Battery backup is required. (15 amp hours is the minimum size and 100 amp hours is the maximum size of the battery for the PSX-12C).
Battery Connections
- Attach the red battery wire to the quick disconnect on the positive terminal and the blue battery wire to the quick disconnect on the negative terminal with the M5 screws and lock nuts supplied with the PSC-12C.
- Close the covers of the battery terminals.

Wiring Batteries

ELECTRICAL RATINGS
| Input Voltage | 120VAC / 220VAC / 240VAC+10%, -15% |
| Input Current | 3.3A Max. @ 120VAC2.5A Max. @ 220VAC2.0A Max. @ 240VAC |
| Screw Terminal 24V Current | Power Limited: 4A Max. |
| Non-Power Limited: 12A Max. | |
| 24V Standby Current | 150mA |


















