SIEMENS PSX-12 12 Amp Power Supply Extender

INTRODUCTION
The Model PSX-12 from Siemens Industry, Inc., is a high current power supply extender. The power supply extender works in conjunction with the PSC-12 power supply to provide an additional 12A of regulated 24VDC for internal or external system use. Up to three PSX-12 modules may be connected to one PSC-12 power supply and one set of batteries. The PSX-12 has a microprocessor- controlled transfer circuit that allows it to switch the system power to stand-by batteries during loss or reduction of the AC power.The PSX-12 incorporates a 18A circuit breaker on the battery input
The PSX-12 communi-cates directly to the NCC to report fault conditions and allows the NCC to query the status of the power supply extender. The PSX-12 mounts at the back of the COM-1 enclosure and occupies one location on the studs in the backbox or on the optional CAB-MP Mounting Plate.
The PSX-12 features are as follows:
Features
- Universal AC power input 120VAC-240VAC @60Hz / 50Hz
- Off-line Switch Mode Power Converter
- Power Factor Correction
- Total Output power of 12A@24VDC
- Two separate power output terminals: one power limited terminal with 4A max @ 24VDC capacity and one non-power limited terminal with 12A max @ 24VDC capacity (total not to exceed 12A)
- Both output terminals have current measurement capability
- Auto resettable current protection circuits for overload and short circuit
- Access to CC-5 System bus
- Communicates via HNET protocol
OPERATION
The PSX-12 occupies one network address in the HNET network and has three functional components: the Controller, the Power Supply Extender and the Interface Board. The Controller monitors the status of the Power Supply Extender (loss of network communication, 24VDC terminal overload and the status of the battery). The Power Supply Extender has an Off-line switch mode power converter and power factor correction circuit to improve conductive RF emission at low frequency. It is designed to take voltage inputs of 120VAC-240VAC at 50Hz/60Hz and has one resettable circuit breaker that can also be used as a battery power switch. The Interface Board provides diagnostics LEDs, system connections and the terminal connections on the PSX-12.
Terminal Blocks, Controls and Indicators
The PSX-12 has one reset switch, six LEDs, three address switches, one circuit breaker, two terminal blocks, two terminal connections and two 60 pin flat ribbon connections as shown in Figure 2. A reset switch is located on the top of the front panel. Pushing the reset switch re-initializes the PSX-12 operation. The LEDs located at the top left of the module and are defined as follows:
- POWER – (Green) Normally ON. When illuminated, indicates that the PSX-12 is powered from the AC mains. When flashing, indicates that the PSX-12 is powered from the battery.
- MODULE FAIL – (Yellow) Normally OFF. When illuminated indicates that the module microprocessor has failed.
- CAN FAIL – (Yellow) Normally OFF. Not used in this application.
- HNET FAIL – (Yellow) Normally OFF. When illuminated, indicates that the HNET communication with the PSX-12 has terminated and the card goes to degrade mode (applicable only when the card resides in the HNET network).
- 24V 12A FAIL – (Yellow) Normally OFF. When illuminated, indicates that the 24VDC non-power limited output has a trouble condition or the PSX-12 has disconnected the 24VDC output due to current overload or short circuit.
- 24V 4A FAIL – (Yellow) Normally OFF. When illuminated, indicates that the 24VDC power limited output has a trouble condition or the PSX-12 has disconnected the 24VDC power output due to current overload or short circuit.
Three rotary dial switches located directly below the LEDs are used to set the HNET network address of the PSC-12. The terminal blocks of the PSX-12 are defined as follows (refer to Figure 2):
TB4
24VDC Non-Power Limited Output Terminal. This terminal is non-power limited and can supply up to 12A. When the current draw is exceeded, it shuts down, lights its associated LED and sends a fault condition to the NCC. This output is normally connected to the input terminals of the CC-5. All wiring must be in accordance with Article 760 of NEC or local building codes. (See Figure 2.)
- Output Voltage: 24VDC +10%, -15%
- Output Current: 12A max
- TB4-1: (+) terminal
- TB4-2: (-) terminal
NOTE
- The total cumulative sum of the 24VDC output (power limited +non-power limited) must not exceed 12A. Over current draw will initiate a PSX-12 shut down.
The main AC power line must be turned OFF prior to installation.
- P9 Connects the back-up battery to the PSX-12. Always apply AC power first followed by the battery.
P12 AC input connector from the PTB, terminals P4 or P5. - 60-pin Connects the PSX-12 to the system. It is a straight- through connection between the two connectors. It contains the communication signals and system signal bus that is necessary for the proper operation of the system. These connectors are power limited. If the PSX-12 is located in a different row in the enclosure, an optional extended ribbon cable, Model BCL (P/N 500-633997), must be used.
PSC-12 / PTB Kit PSX-12 PTB (Only) Four #10-32 ½” Phillips Screws (for PSC-12) Four #10-32 ½” Phillips Screws (for PSX-12) Four #10 Hex Nuts (for PTB) Four #10 Hex Nuts AC Wire Assembly, P/N 600-134264 AC Wire Assembly, P/N 600-134264 Battery Wire Assembly, P/N 465-633943 Battery Wire Assembly, P/N 465-633943 Battery Cable Conversion Kit P/N 545-634222 60-pin Flat Ribbon Cable, P/N 555-133036 
NOTE:
Positive and negative ground fault detected at:
- <50K ohms for TB3 terminals 1,2.
- <60K ohms for TB4 terminals 1,2.
PRE-INSTALLATION
The PSX-12 installation kit has the following components:
INSTALLATION KIT COMPONENTS
The following part is optional:
- If the PSX-12 is not located in the same row in the backbox (or on the same CAB-MP) as the CC-5, an extended 60 pin flat ribbon cable, Model BCL (P/N 500-633997), is required. The following components must be set prior installing the module in the enclosure: Verify that the dedicated circuit breaker for the PSX-12 is turned OFF at the mains.
- Battery Circuit Breaker: Set this circuit breaker to the OFF position.
- Network Address Switch: Set the three-digit HNET network address for the PSX-12 using the three rotary dial address switches located below the LEDs on the front panel. (Refer to Figure 2 for the location of the switches.) The address for the PSX-12 must be the same as the address selected for it in the Zeus Programming Tool. To set the address, turn the pointers on each of the three dials to the numbers for the selected address. For example, if the address is 123, set the pointer for the HUNDREDS dial to “1”, set the pointer for the TENS dial to “2,” and set the pointer for the ONES dial to “3.” The range of allowable addresses is from 001 to 251 (leading zeros must be used).
INSTALLATION
Remove all system power before installation, first battery then AC. (To power up, connect the AC first, then the battery.) The PSX-12 mounts on the Mounting Plate (CAB-MP). The Mounting Plate may be located either “IN” or “OUT” of the enclosure to perform this installation procedure. If the Mounting Plate is located “IN” the enclosure you will have to gain access to it by opening the enclosure Inner and Outer doors. If the Mounting Plate is located outside of the enclo-sure, place it in front of you so that the word “TOP” is at the top and away from you.
The PSX-12 can occupy any position in one row in the backbox or on the mounting plate, but it should be installed in the row and position that is located directly above the PTB to which it is connected. (Refer to Figures 3 and 5). When the PSX-12 is mounted correctly on the optional Mounting Plate it will be flush on the top, bottom, and right with the Mounting Plate and the mounting screw holes of the PSX-12 will align with the threaded posts.
- Install four 10-32 screws in the threaded posts at the mounting position. Screw each of the 10-32 screws into the threaded posts 5- 6 turns.
- Place the PSX-12 over the four screws on the Mounting Plate and slide it down or towards you to rest on the four screws. (Refer to Figure 4.) When the PSX-12 is in the correct position it will be flush with the top, bottom and right side of the Mounting Plate.
- Tighten the four screws.
WIRING
The PSX-12 has removable terminal blocks and connectors at the top and bottom of the module. The terminal block at the top of the PSX-12 is power limited. The terminals and connectors at the bottom of the PSX-12 are non-power limited. (Refer to Figure 5.) Use a separate or dedicated circuit breaker and run the earth ground from a suitable source to the PSX-12. Check local requirements.
NOTE
Conduit is not an acceptable Earth Ground Conductor.

Wire in accordance with local codes and Article 760 of the NEC, NFPA latest edition. In compliance with NEC, all power limited fire protective signaling conductors must be separated a minimum of a 1/4″ from all of the following wiring located within a control panel:
- Electric light
- Power
- Class 1 or non-power limited fire protective signaling conductor
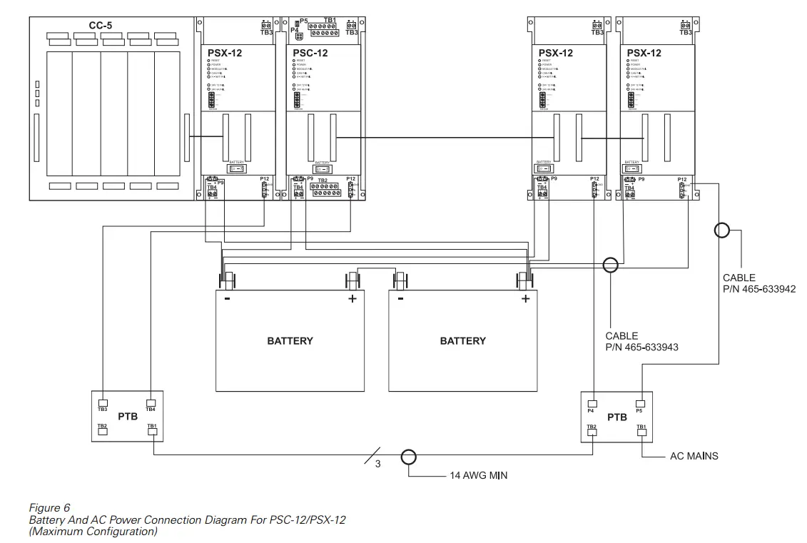
Refer to the CAB2-BB Installation Instructions, P/N 315-033009 for wiring require-ments to comply with NEC codes and Figure 6 for battery and AC power connections.
Power Supply Load Calculations
- To ensure that the PSX-12 power supply is not overloaded, use the form and follow the procedure listed below.
POWER SUPPLY LOAD CALCULATION FORM
| Card / Module | Quantity | Screw Terminal 24V Current | |
| Per Card/Module | Total 24 VDC Current | ||
| HUB-4 | 400mA | 0 | |
| NIC-C | 0 | 0 | |
|
(Must not exceed 5 Amps in standby, 12 Amps in Alarm) | |||
- Enter the quantity of each card/module in the enclosure.
- Calculate both the 24VDC and 6.2VDC loads for each row.
- Total the Active 24VDC and Active 6.2VDC columns.
- Ensure that both totals are within the power supply output ratings.
Battery Power
Make sure that the battery circuit breaker is in the OFF position. Use either 14 or 12 AWG for battery connection. Battery backup is required for compliance to UL864. (15 amp hours is the minimum size and 100 amp hours is the maximum size of the battery for the PSX-12).
Battery Connections
When BTX-1, BTX-2 or BTX-3 batteries are required, connect them to the system with the two quick disconnects provided. Follow the steps listed below.
- Attach one quick disconnect to the positive battery terminal and one quick disconnect to the negative battery terminal with the 10-32 x 3/4” screws and lock nuts supplied with the PSC-12.
- Attach the red battery wire to the quick disconnect on the positive terminal and the black battery wire to the quick disconnect on the negative terminal.

ELECTRICAL RATINGS
| Input Voltage | 120VAC @ 60Hz / 50Hz |
| Input Current | 3.5A Max. @ 120VAC |
| Screw Terminal 24V Current | Power Limited: 4A Max. |
| Non-Power Limited: 12A Max. | |
| 24V Standby Current | 150mA |
Siemens Industry, Inc. Building Technologies Division Florham Park, NJ Siemens Building Technologies, Ltd. Fire Safety & Security Products 2 Kenview Boulevard Brampton, Ontario L6T 5E4 Canada




















