SANTA FE ULTRA70 Dehumidifier

Product Information
Santa Fe Ultra70 Ventilating Dehumidifier
The Santa Fe Ultra70 is a high-performance ventilating dehumidifier that can be integrated with your heating and cooling system to provide the ultimate comfort, health, and property protection. It offers dehumidification, outdoor air ventilation (optional), and MERV-13 air filtration. The product was previously known as the Ultra Aire 70H.
The Santa Fe Ultra70 complies with Unified Standard UL 60335-2-40 and CSA Standard C22.2.60335-2-40 regulations. The product comes with a warranty that can be registered at santa-fe-products.com. For any repair or technical support, you can contact the manufacturer at 1-800-533-7533 or [email protected].
Product Safety Instructions
Before installing and operating the device, read the installation, operation, and maintenance instructions carefully. Failure to follow the instructions can result in serious injury or death. Make sure to disconnect the electrical power before starting the installation or servicing and leave the power disconnected until installation or service is completed.
Product Assembly & Installation
- Unpack the box and check that you have all the necessary parts: dehumidifier (1), leveling feet (4), filter – 9x11x1 MERV 13 (1), and 8 Round Duct Collars (2).
- Register your warranty at santa-fe-products.com before continuing.
Product Dehumidifier Set Up
Important Precautions
- Make sure to install the dehumidifier in an area where water leakage cannot cause damage.
Location Considerations
The dehumidifier requires a minimum clearance of 13 inches for proper air flow. The power cord is 9 feet long, and the return airduct and supply air duct have an 8-inch diameter. The back panel of the dehumidifier can be rotated to allow for horizontal or vertical flow through of the supply air.
Attaching Duct Collars
- If you want to set up the unit to provide outdoor air ventilation, see page 10.
- An 8-inch diameter duct collar is attached to the unit for return air inlet.
- An 8-inch diameter duct collar is attached to the unit for supply air outlet.
Product Usage Instructions
The Santa Fe Ultra70 is a ventilating dehumidifier that can be integrated with your heating and cooling system. It provides dehumidification, outdoor air ventilation (optional), and MERV-13 air filtration. To obtain maximum benefits from the product, follow these usage instructions:
- Make sure to install the dehumidifier in an area where water leakage cannot cause damage.
- The dehumidifier requires a minimum clearance of 13 inches for proper air flow. The power cord is 9 feet long, and the return air duct and supply air duct have an 8-inch diameter.
- If you want to set up the unit to provide outdoor air ventilation, see page 10 of the user manual.
- Attach the 8-inch diameter duct collar to the unit for return air inlet.
- Attach the 8-inch diameter duct collar to the unit for supply air outlet. The back panel of the dehumidifier can be rotated to allow for horizontal or vertical flow through of the supply air.
- Make sure to follow all safety instructions mentioned in the user manual while installing and operating the device. Failure to follow the instructions can result in serious injury or death.
The Santa Fe Ultra70 is a ventilating dehumidifier that integrates with the heating and cooling system to provide the ultimate in comfort, health and property protection through:
- Dehumidification
- Outdoor Air Ventilation (Optional)
- MERV-13 Air Filtration
SAFETY INSTRUCTIONS
WARNING: THIS SYMBOL MEANS IMPORTANT INSTRUCTIONS. FAILURE TO HEED THEM CAN RESULT IN SERIOUS INJURY OR DEATH.
CAUTION: THIS SYMBOL MEANS IMPORTANT INSTRUCTIONS. FAILURE TO HEED THEM CAN RESULT IN INJURY OR MATERIAL PROPERTY DAMAGE.
Read the installation, operation and maintenance instructions carefully before installing and operating this device. Proper adherence to these instructions is essential to obtain maximum benefit from the Santa Fe Ultra Series Whole House Ventilating Dehumidifier.
WARNING: 120 VOLTS MAY CAUSE SERIOUS INJURY FROM ELECTRIC SHOCK. DISCONNECT ELECTRICAL POWER BEFORE STARTING INSTALLATION OR SERVICING, AND LEAVE POWER DISCONNECTED UNTIL INSTALLATION OR SERVICE IS COMPLETED.
CAUTION
- READ ALL INSTRUCTIONS BEFORE BEGINNING INSTALLATION.
- ALWAYS USE CAUTION AND WEAR CUT RESISTANT GLOVES WHEN HANDLING SHEET METAL.
- IMPROPER INSTALLATION MAY CAUSE PROPERTY DAMAGE OR INJURY.
- INSTALLATION, SERVICE, AND MAINTENANCE MUST BE PERFORMED BY A QUALIFIED SERVICE TECHNICIAN.
- THE DEHUMIDIFIER IS HEAVY. HANDLE WITH CARE AND FOLLOW INSTALLATION INSTRUCTIONS.
- NEVER OPERATE A UNIT WITH A DAMAGED POWER CORD. IF THE POWER CORD IS DAMAGED, IT MUST BE REPLACED BY THE MANUFACTURER, ITS SERVICE AGENT, OR A SIMILARLY QUALIFIED PERSON IN ORDER TO AVOID A HAZARD.
- THIS APPLIANCE IS NOT INTENDED FOR USE BY PERSONS (INCLUDING CHILDREN) WITH REDUCED PHYSICAL, SENSORY OR MENTAL CAPABILITIES, OR LACK OF EXPERIENCE OR KNOWLEDGE, UNLESS THEY HAVE BEEN GIVEN SUPERVISION OR INSTRUCTION CONCERNING THE USE OF THE APPLIANCE BY A PERSON RESPONSIBLE FOR THEIR SAFETY. CHILDREN SHOULD BE SUPERVISED TO ENSURE THAT THEY DO NOT PLAY WITH THE APPLIANCE.
ASSEMBLY & INSTALLATION
- Unpack Box.
- Check that you have all parts:

- Dehumidifier (1)

- Leveling feet (4)

- Filter – 9”x11”x1” MERV 13 (1)

- 8” Round Duct Collars (2)

- Dehumidifier (1)
- Register warranty at santa-fe-products.com
Read all remaining steps and warnings before continuing.
DEHUMIDIFIER SET UP
Important Precautions
- The device is designed to be installed indoors in a space that is protected from rain and flooding.
- Install the unit with enough space to access all sides for maintenance and service. The entire shell needs to be removed in order to do repairs.
- Avoid directing the discharge air at people. The dehumidifier should be used in the upright position.
- If used near a water source; be certain there is no chance the unit could fall into the water or get splashed and that it is plugged into a dedicated circuit and Ground Fault Circuit Interrupter (GFCI) protected outlet.
- DO NOT use the dehumidifier as a bench or table.
- Do not place the dehumidifier directly on structural building members without vibration absorbers or unwanted noise may result. Place the Santa Fe Ultra70 on supports to raise the base of the unit.
- A drain pan with a float switch must be placed under the dehumidifier if installed above a living area or above an area where water leakage could cause damage.
Location Considerations

- Allow sufficient clearance to handle the unit’s overall dimensions as well as the necessary return and supply ductwork to the unit.
- Allow sufficient clearance for filter removal and to prevent airflow obstruction.
- Electrical service access will require the removal of the outside shell. Allow sufficient clearance around the unit.
- Locate the dehumidifier in an area where the unit’s 9 ft. cord can easily reach electrical outlet.
- Locate the dehumidifier in an area where field wiring the control (low voltage) to the unit will be possible.
- A back draft damper is required in the supply duct of the Santa Fe Ultra70, especially when connecting to the supply ducting system. The backdraft damper prevents supply air from counter flowing through the Santa Fe Ultra70 when it is not operating. The dehumidifier’s location should be chosen to allow installation of this accessory if necessary.
- The Santa Fe Ultra70 may be suspended with the hang kit or a suitable alternative from structural members, ensuring the assembly supports the dehumidifier’s base in its entirety. Do not hang the Santa Fe Ultra70 from its’ cabinet.
- Allow for proper drainage and routing of needed drain pipes.
ATTACHING DUCT COLLARS

- Outdoor Air Ventilation Duct
- Outdoor air ventilation is optional. If setting up the unit to provide outdoor air ventilation, see page 10.
- Return Air Inlet
- An 8” diameter duct collar is attached to the unit.
- Supply Air Outlet
- An 8” diameter duct collar is attached to the unit. The back panel of the dehumidifier can be rotated to allow for horizontal flow through or vertical flow through of the supply air.
- Horizontal Flow Through
- The unit ships configured for a horizontal flow through.
- Vertical Flow Through
- Remove the exhaust panel using a T20 torx bit. Rotate the panel so the exhaust collar is located on the top of the unit. Align screw holes and snap the panel onto the base. Secure the supply panel to the base by replacing the six screws.
ELECTRICAL REQUIREMENTS
8 Santa Fe ULTRA70 Installation & Operation Instructions Santa-Fe-Products.com | 800.533.7533 The Santa Fe Ultra70 plugs into a common grounded 115VAC outlet and draws 5.1 Amps. Locate the dehumidifier in an area where the unit’s 9 ft. cord can easily reach a 115 VAC electrical outlet with a minimum of 15 Amp circuit capacity. If used in an area that may become wet, a GFCI protected circuit is recommended. Consult local electrical codes for any further information. Santa Fe offers a variety of control devices for use with the Santa Fe Ultra70. The controls are to be located remotely from the dehumidifier and placed in the space to be conditioned. Low voltage (24 Volt) controls can be used with the Santa Fe Ultra70 and MUST be connected with low voltage (18-22 gauge) thermostat wire.
WARNING: THE REMOTE CONTROLS OF THE SANTA FE ULTRA70 ARE POWERED BY A LOW VOLTAGE CIRCUIT (24VAC) AND MUST NEVER CONTACT OR BE CONNECTED TO A HIGH VOLTAGE CIRCUIT.
CAUTION
- DO NOT ALLOW THE 24V TERMINAL TO CONTACT THE COM/DMPR TERMINALS ON THE SANTA FE ULTRA70 OR DAMAGE TO THE TRANSFORMER WILL RESULT.
- SOME OF THE SCREWS TERMINALS ON THE SANTA FE ULTRA70 MAY NOT BE USED WITH CERTAIN CONTROLS AND SHOULD BE LEFT UNCONNECTED.
Electrical Precautions
- Do not install the control where it may not accurately sense the relative humidity such as near HVAC supply registers, near exterior doors, on an outside wall, near a window, or near a water source.
- The screw terminals on the Santa Fe Ultra70 and the control are labeled to prevent confusion.
- Be sure to consult the electrical schematic in the CONTROLS Section (page 12) of this manual or inside the access panel of the Santa Fe Ultra70 before making control connections.
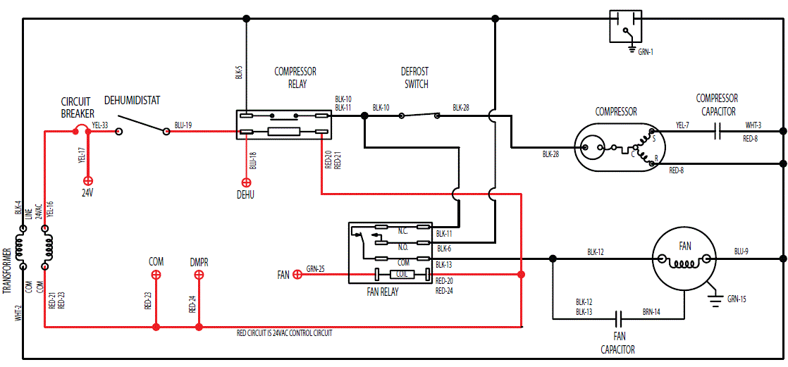
Wiring Schematic

DRAIN INSTALLATION
- The Santa Fe Ultra70 generates condensate.
- Place a secondary drain pan with a float switch under the dehumidifier if it is suspended above a finished area or in an area where water leakage could cause damage.
- A drain trap is required for the dehumidifier to run properly (see diagram below). Install a 3/4″ threaded male NPT adapter to the drain pan. Install a drain pipe assembly utilizing 3/4″ PVC pipe to transport the condensate to a drain. Pitch of drain should be 1″ per 10′.
- An optional condensate pump kit is available for use with the Santa Fe Ultra70 and may be installed if lift is required to dispose of condensate. Condensate is automatically pumped to a remote location when the water level in the pump’s reservoir rises to close the float switch.
- The pump also contains a safety float switch. The white leads from this switch extend from beneath the pump cover. This switch should be installed in series with the field wire that connects to the common lead from the Santa Fe
- Ultra70 to the control panel. If the pump fails, this switch opens the common control circuit and stops water production before the reservoir overflows. Contact a qualified electrician to install the safety float switch to the Santa Fe Ultra70 dehumidifier.
Drain Installation

- Dehumidifiers commonly use a negative air pressure drain pan. This causes air to flow backwards thru the drain system which can cause water to pool inside the dehumidifier and leak. A drain trap prevents this issue by trapping water in the pipe to stop air from flowing backwards.
- Please see the trap diagram below. This assembly can be made with common ¾” PVC pipe fittings. The pipe measurements and placement of the cap and vent are critical to the function of the trap. Once trap is assembled, be sure to fill with water.
DUCTING TO HVAC SYSTEMS
CAUTION
- DO NOT CONNECT WITH A STATIC PRESSURE GREATER THAN OR EQUAL TO +0.5 WG.
- CONTACT TECHNICAL SUPPORT AT (800) 533-7533 FOR ADDITIONAL DETAILS.
Ducting Considerations
- All flexible ducting connected to the Santa Fe Ultra70 should be UL listed.
- A short piece of flexible ducting on all Santa Fe Ultra70 duct connections is recommended to reduce noise and vibration transmitted to rigid ductwork in the structure.
- Use a minimum 8″ diameter round or equivalent rectangular duct for total duct lengths of up to 25′. Use a minimum 10″ diameter or equivalent for longer lengths.
- Grills or diffusers on the duct ends must not excessively restrict airflow.
- A length of 8″ or more of insulated flex duct or any other vibration isolating material on the outlet of the Santa Fe Ultra70 will reduce air noise from the blower.
- Effective dehumidification may require that ducting be branched to isolated, stagnant air flow areas.
- When ducting to two or three areas, use 6″ or larger diameter branch ducting. When ducting to four or more areas, use 4″ – 6″ or larger diameter branch ducting. Provisions must be made to provide airflow from supply locations to the central return location. Proper air distribution is important to ensure even humidity control and heat distribution throughout the structure.
- DO NOT locate the return in a bathroom or a kitchen.
Decide Where To Place The Unit
CAUTION: ALLOW FOR ENOUGH SPACING TO PROPERLY ROUTE YOUR RETURN AND SUPPLY CONNECTION
Choose Weather To Place On Floor Or Hang Dehumidifier
CAUTION: INTERNAL STOPS LIMIT FEET HEIGHT. DO NOT TIGHTEN FEET BEYOND THE RESISTANCE PROVIDED BY STOPS.
- If You Place On Floor

- Attach leveling feet and use vibration pads and/or risers.
- If You Hang Dehumidifier

- Use 2 Brackets* Per Unit.
- Brackets sold separately.
- Example Of Hanging Option:

Recommended HVAC System Installations
Attic
The recommended installation draws air from a central location through a dedicated return to the dehumidifier and ducts the supply of the dehumidifier to the air supply of the HVAC system. Utilize the optional outdoor air ventilation duct to provide outdoor air.
- Install a dedicated 8″ air return for the Santa Fe Ultra70 from a central area of the structure.
- Duct the supply of the Santa Fe Ultra70 to the supply of the HVAC system with a backdraft damper.
- If the existing system has multiple returns, instead of installing a dedicated return to the Santa Fe Ultra70, it is possible to select one to disconnect from the existing HVAC system and use it for the dedicated Santa Fe Ultra70 return.
- Select a return from a central location in the house that is always open to the rest of the structure. DO NOT use a return from a room where doors are kept closed.
- DO NOT locate return in a bathroom or kitchen.
- Control should be located remotely from the dehumidifier and placed in a central location.
Dedicated Santa Fe Return to HVAC Supply

Installation in a Basement or Crawlspace

Install a separate 8″ return for the Ultra70 in a central area of the structure. Duct the supply of the dehumidifier to the air supply of the HVAC system with a backdraft damper.
Optional: Duct the supply of the Ultra70 to a 8″ x 8″ x 8″ tee/damper with a gravity draft damper, adjusted to 20% open to the basement. CAUTION: Air takes the path of least resistance. If the upper levels of the living space are not receiving the appropriate amount of dry air, this damper may need to be adjusted. When the dehumidifier is not running, there is a chance that air from the basement or crawlspace will make its way back through the gravity damper and into the living space.
Alternative HVAC System Installation
If the Recommended Dedicated Ultra Series Return to HVAC Supply Installation is not possible, there are several alternative installation options available.
- DO NOT locate return in a bathroom or kitchen.
- Control should be located remotely from the dehumidifier and placed in a central location.
- For basement and crawl space installations, an optional tee can be installed on the Ultra Series Supply.
HVAC Return to HVAC Supply

- Check Damper should be in place between the Return and Supply connections of the dehumidifier.
- If Check Damper is not in place, the HVAC fan must turn on when the dehumidifier is in operation.
- If the system has greater than 0.5” WG the ducting must be reconfigured.
HVAC Supply to HVAC Supply

CAUTION: TO AVOID THE DEHUMIDIFIER CYCLING IN AND OUT OF DEFROST, IT IS RECOMMENDED THAT THE LEAVING AIR TEMPERATURE OF THE A/C COIL IS NOT BELOW 55°F. ALSO, THIS INSTALL IS NOT RECOMMENDED FOR CLIMATES WERE THE HEATING SYSTEM WILL RUN DURING THE SPRING AND FALL TIMES OF THE YEAR, AS THIS COULD DIMINISH THE WATER REMOVAL CAPABILITY OF THE DEHUMIDIFIER.
- If Check Damper is not in place, the HVAC fan must turn on when the dehumidifier is in operation.
WARNING: DUE TO PRESSURE RESISTANCE IT IS NOT RECOMMENDED TO USE THE OPTIONAL OUTDOOR AIR INTAKE WHEN INSTALLING THE DEHUMIDIFIER SUPPLY TO SUPPLY.
CAUTION: PLEASE NOTE: RETURN-TO-RETURN INSTALLS ARE TO BE CONSIDERED LAST RESORT OPTIONS AND ARE NOT RECOMMENDED. THE DEHUMIDIFIER WILL HEAT THE AC COOLING COILS WHICH DIMINISHES THE AMOUNT OF WATER THE AC SYSTEM WILL REMOVE WHEN OPERATING. IF THIS INSTALLATION IS CHOSEN, THE DEHUMIDIFIER MUST ACTIVATE THE HVAC BLOWER AND AC CALLS NEED TO LOCK OUT THE DEHUMIDIFIER FROM RUNNING. PLEASE CHECK YOUR LOCAL CODES PRIOR TO INSTALLING.
Dedicated Ultra Series Return to HVAC Return

- Create a separate return for the Ultra Series Dehumidifier in a central area of the building.
- Installing the supply air from the Ultra Series Dehumidifier to the return of the HVAC system requires the HVAC fan to run when the Ultra Series Dehumidifier is operating.
HVAC Return to HVAC Return

- If Check Damper is not in place, the HVAC fan must turn on when the dehumidifier is in operation.
No Existing Ductwork Installation
When installing the Ultra Series Dehumidifier in a structure that does not have a forced-air HVAC system or is not being tied into the system, a single return for the Ultra70 should be installed in a central location. Install a 6” insulated duct from outside, teeing into the 8” return duct of the Ultra Series Dehumidifier to provide outdoor air ventilation (optional). The supply of the Ultra Series Dehumidifier should be ducted to the rooms in the home that have the ductless mini-split heads and as close to the heads as possible. Be sure to utilize multiple rooms to allow air inside the structure to properly circulate. Proper air distribution is important to ensure even humidity control and heat distribution throughout the structure.
A 6” diameter duct is recommended for branches to bedrooms. An 8” diameter duct is recommended for branches to larger areas.

- DO NOT locate return in a bathroom or kitchen.
- DO NOT locate the supply in rooms where doors may be closed.
- Control should be located remotely from the dehumidifier and placed in a central location.
DUCTING TO HVAC SYSTEMS (Closet Installations)
WARNING
- WHEN INSTALLING THE DEHUMIDIFIER AS PART OF A COMBUSTION TYPE HVAC SYSTEM (GAS, OIL, PROPANE, ETC.), FOLLOW ALL LOCAL AND NATIONAL BUILDING AND SAFETY CODES.
Recommended Closet Installation
Due to space limitations, a closet installation may require additional considerations. Locate the dehumidifier under or next to the HVAC system as space allows. A passive vent or louver door is required to allow air to be pulled in from the living space.
- No inlet duct is required. Air is pulled through the louvers or grille from the living space.
- Control should be placed in a central location or the onboard control can be used for this installation.
- Where inlet space is restricted, the inlet duct collar is optional.
- Where outlet space is restricted, the outlet duct collar is optional or vertical flow through may be preferred.
Central Return to HVAC Supply

- Duct the supply of the Ultra Series Dehumidifier to the supply of the existing HVAC system with a backdraft damper.
PLEASE NOTE: RETURN TO RETURN INSTALLS ARE TO BE CONSIDERED LAST RESORT OPTIONS AND ARE NOT RECOMMENDED. THE DEHUMIDIFIER WILL HEAT THE AC COOLING COILS WHICH DIMINISHES THE AMOUNT OF WATER THE AC SYSTEM WILL REMOVE WHEN OPERATING. PLEASE CHECK YOUR LOCAL CODES PRIOR TO INSTALLING.
Alternative Closet Installation
If the Recommended Closet Installation is not possible, there are alternative installation options available.
- No inlet duct is required. Air is pulled through the louvers or grille from the living space.
- Control should be placed in a central location or the onboard control can be used for this installation.
Central Return to HVAC Return

- Duct the supply of the Ultra Series Dehumidifier to the return side of the existing HVAC system.
- In a central return system, the HVAC fan must run when the dehumidifier is running.
No Duct – Central Return to HVAC Return

- Attach outlet duct with a vertical flow through so air is not discharged into wall or other obstruction.
- The HVAC system will naturally pull dehumidifier air from the closet and distribute it throughout the structure.
OUTDOOR AIR VENTILATION
Outdoor air ventilation is optional
Outdoor air may be brought into the structure by connecting an insulated duct from outside the structure to a tee located in the inlet duct of the Santa Fe Ultra70. A ventilation control is needed to program the time and frequency that the unit introduces outside air. The time and frequency of ventilation should be based on the size and occupancy of the residence.
- The 6″ outdoor air ventilation duct should tee into the 8″ round collar on the front of the Santa Fe Ultra70.
- An insulated 6″ diameter duct can provide up to 55 CFM of outside air.
- Performance of the Santa Fe Ultra70 can be impacted by inside and outside air conditions.
- When a 6″ motorized damper is used, a digital control is required.
- It may be necessary to use 8″ duct work if additional outdoor air is required.
- In cold climates or at times when the dew point is low, ventilation can be used to dehumidify the structure, making the Santa Fe Ultra70 capable of year-round drying.
Outdoor Air Ventilation With Dehumidifier Off and Fan Only Operation

- Outside air mixes with return air prior to beginning the dehumidification process.
- Outside and inside temperature and relative humidity will impact the combined outlet air conditions.
Determine Ventilation Requirements
- The MINIMUM ventilation requirement is calculated using ASHRAE 62.2-2016.
- Use one or both of the options below to determine your ventilation requirement. Follow all local and national building and safety codes.
Option 1: Calculating Airflow Requirement Using ASHRAE 62.2-2016 Airflow Equation
ASHRAE Airflow in CFM = [House Area in Sq.Ft. x 0.03] + [(Number of Bedrooms +1) x 7.5]
NOTE: Use ‘Number of Bedrooms + 1’ or ‘Number of Occupants’, whichever is larger.
- Example 1: Number of Bedrooms + 1
- 1800 square foot house with 3 bedrooms, 4 occupants = [1800 X 0.03] + [(3+1) X 7.5] = 84 CFM
- Example 2: Number of Occupants
- 1800 square foot house with 3 bedrooms, 5 occupants = [1800 X 0.03] + [5 X 7.5] = 91.5 CFM
Record the required CFM ____________
Option 2: Calculating Airflow Requirement Using Table 4.1 from ASHRAE 62.2-2019 Ventilation Air Requirements, CFM
| Floor Area (ft2) | Number of Bedrooms | ||||
| 1 | 2 | 3 | 4 | 5 | |
| <500 | 30 | 38 | 45 | 53 | 60 |
| 501-1000 | 45 | 56 | 60 | 68 | 75 |
| 1001-1500 | 60 | 68 | 75 | 83 | 90 |
| 1501-2000 | 75 | 83 | 90 | 98 | 105 |
| 2001-2500 | 90 | 98 | 105 | 113 | 120 |
| 2501-3000 | 105 | 113 | 120 | 128 | 135 |
| 3001-3500 | 120 | 128 | 135 | 143 | 150 |
| 3501-4000 | 135 | 143 | 150 | 158 | 165 |
| 4001-4500 | 150 | 158 | 165 | 173 | 180 |
| 4501-5000 | 165 | 173 | 180 | 188 | 195 |
CONTROLS
The Santa Fe Ultra70 features a built-in dehumidistat control as well as the ability to wire a separate remote mounted control to the unit.
If using the built-in dehumidistat to control the unit, locate the unit in an location where it can accurately sense the humidity of the area where humidity control is desired. Adjust the humidity control so that the unit maintains the desired level of humidity. If the Santa Fe Ultra70 is located outside of the area where humidity control is desired, consider using a remote wired humidity controller that is located in the area where humidity control is desired. In this configuration the built in dehumidastat should be set to off. Santa Fe offers the DEH 3000 proprietary remote mounted control. The DEH 3000 monitors and controls relative humidity and proper ventilation levels in their home. This control is also available in a version that has remote sensing capability called the DEH 3000R.
NOTE: The DEH 3000 is sold separately. Other thermostats are compatible with the Santa Fe Ultra70.
Wiring Controls
CAUTION: DO NOT ALLOW THE 24V TERMINAL FROM THE SANTA FE ULTRA70 TO CONTACT THE COM TERMINAL ON THE SANTA FE ULTRA70 OR DAMAGE TO THE TRANSFORMERS WILL RESULT.
Circuit Breaker

To prevent damage to the 24 volt control transformer, the Santa Fe Ultra70 comes with a resettable circuit breaker. Check wiring for any electrical short and repair before resetting breaker. Resetting the circuit breaker without correcting the electrical short may result in transformer damage. Be sure to check the electrical schematic in this manual or inside the access panel of the Santa Fe Ultra70 before making any control connections. The reset button for the circuit breaker can be found on the back of the unit.
Control Connections

- The control and the Santa Fe Ultra70 are labeled to prevent confusion. Depending on the control, some of the screw terminals on the Santa Fe Ultra70 may not be used.
- Be sure to consult the electrical schematic in this manual or inside the access panel of the Santa Fe Ultra70 before making control connections.
- A low voltage control must be used with the Santa Fe Ultra70.
Terminal Block Control Operation
| COM | 24VAC Power Transformer Neutral Side |
| FAN | Fan Control |
| 24V | Transformer High Side |
| DEHU | Dehumidification (Fan and Compressor) Control |
| DMPR | 24VAC Power Transformer Neutral Side |
| * | Spare Terminal (Open) |
| Between the COM lead and the 24V TERMINAL is a 40VA transformer. This low voltage power source powers the relay coils which control the fan and compressors. This 24VAC transformer can also be used to power HVAC accessories external to the dehumidifier. | |
| Compressor ON/Fan On | Make contact between 24V and DEHU terminals |
| Compressor OFF/Fan On | Make contact between 24V and FAN terminals |
| Power HVAC Accessory | Connect the accessory to the DMPR and 24V terminals |
NOTE: 18 gauge wire needed between the Santa Fe Ultra70 dehumidifier and the external control.
AIR FILTRATION
The Santa Fe Ultra70 is equipped with a MERV-13 (Dimensions: 0.75” x 9.00” x 11.38”) air filter. The filter should be checked and replaced every three to six months. Operating the unit with a dirty filter will reduce dehumidifier capacity and efficiency. DO NOT operate the unit without the recommended filter. Filter non-compliance voids the product warranty.
CAUTION
- MAKE SURE UNIT IS OFF BEFORE CHANGING THE FILTER.
Changing the Filter
For greatest filtration and efficiency of the Santa Fe Ultra70, it is recommended the air filter be replaced every three to six months with a MERV-13 rated filter.
- Step 1: Remove the filter door from one side of the Santa Fe Ultra70 by pushing the snap button in and gently pulling the door away from the unit. Then pull up to disengage the door from the slot.

- Step 2: Remove the filter by gently pulling straight out of the unit. Insert new filter by gently pushing it straight into the unit. Make sure the AIR FLOW arrow on the filter is pointing into the unit.

- Step 3: Replace filter door ensuring the opening is fully covered.

MERV Rating Chart
| Standard 52.5 Minimum Efficiency Reporting Value | Dust Spot Efficiency | Arrestance | Typical Controlled Contaminant | Typical Applications and Limitations | Typical Ail Filter/Cleaner Type |
| 20 | n/a | n/a | < 0.30 pm Particle Size | Cleanrooms | ≥99.999% eff. On 10-20 pm Particles |
| 19 | n/a | n/a | Virus (unattached) | Radioactive Materials | Particles |
| 18 | n/a | n/a | Carbon Dust | Pharmaceutical Man. | Particulates |
| 17 | n/a | n/a | All Combustion Smoke | Carcinogenic Materials | ≥99.97% eff. On 30 pm Particles |
| 16 | n/a | n/a | 0.30-1.0 pm Particle Size | General Surgery | Bag Filter – Nonsupported |
| 15 | >95% | n/a | All Bacteria | Hospital Inpatient Care | Micro Fine Fiberglass or Synthetic media, 12-36 in. Deep, 6-12 Pockets |
| 14 | 90-95% | >98% | Most Tobacco Smoke | Smoking Lounges | Box Filter – Rigid Style Cartridge |
| 13 | 89-90% | >98% | Proplet Nuceli (Sneeze) | Superior Commercial Buildings | Filters 6 to 12 in. Deep, May Use Lofted or Paper Media |
| 12 | 70-75% | >95% | 1.0-3.0 pm Particle Size Legionella | Superior Residential | Bag Filter – Nonsupported |
| 11 | 60-65% | >95% | Humidifier Dust Lead Dust | Better Commercial Buildings | Micro Fine Fiberglass or Synthetic media, 12-36 in. Deep, 6-12 Pockets |
| 10 | 50-55% | >95% | Milled Flour | Box Filter – Rigid Style Cartridge | |
| 9 | 40-45% | >90% | Welding Fumes | Hospital Laboratories | Filters 6 to 12 in. Deep, May Use Lofted or Paper Media |
| 8 | 30-35% | >90% | 3.0-10.0 pm Particle Size | Commercial Buildings | Pleated Filters – Disposable, Extended Surface Area, Thick with Cotton-Polyester Blend Media, Cardboard Frame |
| 7 | 25-30% | >90% | Mold Spores Hair Spray | Better Residential | Cartridge Filters – Graded Density Viscous Coated Cube or Pocket Filters, Synthetic Media |
| 6 | <20% | 85-90% | Fabric Protector Dusting Aids | Throwaway – Disposable Synthetic Panel Filter | |
| 5 | <20% | 80-85% | Cement Dust Pudding Mix | Paint Booth Inlet | |
| 4 | <20% | 75-80% | >10.0 pm Particle Size Pollen | Minimal Filtration | Throwaway – Disposable Synthetic Panel Filter |
| 3 | <20% | 70-75% | Dust Mites Standing Dust | Residential | Washable – Aluminum Mesh |
| 2 | <20% | 65-70% | Spray Paint Dust | ||
| 1 | <20% | <65% | Textile Fibers Carpet Fibers | Window A/C Units | Electrostatic – Self-Charging Woven Panel Filter |
Table Data Source: United States Environmental Protection Agency
SERVICE
Troubleshooting
CAUTION: TROUBLESHOOTING SHOULD BE PERFORMED BY A QUALIFIED HVAC TECHNICIAN.
| Symptom | Possible Reason | Troubleshooting Procedure |
|
Neither fan nor compressor running. Dehumidification is being called for. | 1. Dehumidifier unplugged or no power to outlet. 2. Humidity control set too high. 3. Loose connection in internal or control wiring. 4. Defective compressor relay. 5. Defective control transformer. | WARNING! ELECTRICAL SHOCK HAZARD: Electrical power must be present to perform some tests. These tests should be performed by a qualified service person. Troubleshooting Procedure for Control Related Issues This method of diagnosis will test the 3 main components of the control circuit individually to indicate any potential problems. This is to be used when the control will not activate the main unit. 1. Detach field control wiring connections from the terminals on the main unit. 2. Connect the 24V and FAN terminals together; only the fan should run. Disconnect the terminals. 3. Connect the 24V and DEHU terminals together; fan and compressor should run. Disconnect the terminals. 4. If this test works, the main unit is working correctly from a control standpoint. 5. Reconnect field control wiring to the terminals on the main unit. 6. Remove the control panel cover and detach the field wiring from the control connections. 7. Connect the 24V and FAN terminals together; only the fan should run. Disconnect the terminals. 8. Connect the 24V and DEHU terminals together; fan and compressor should run. Disconnect the terminals. 9. If this test works, then the field control wiring is ok. 10. If the problem persists, then the control is most likely faulty. |
|
Compressor is not running. Dehumidification is being called for. Fan is running. | 1. Defective compressor run capacitor. 2. Loose connection in compressor circuit. 3. Defective compressor overload. 4. Defective compressor. 5. Defrost thermostat open. | |
|
Compressor cycles on and off. Dehumidification is being called for. | 1. Low ambient temperature and/or humidity causing unit to cycle through defrost mode. 2. Defective compressor overload. 3. Defective compressor. 4. Defrost thermostat defective. 5. Dirty air filter(s) or air flow restricted. 6. Defective fan or relay. | |
| Fan is not running. Dehumidification or fan is being called for. | 1. Loose connection in fan circuit. 2. Obstruction prevents fan impeller rotation. 3. Defective fan. 4. Defective fan relay. |
| Symptom | Possible Reason | Troubleshooting Procedure |
|
Low dehumidification capacity (evaporator is frosted continuously). Dehumidification is being called for. | 1. Defrost thermostat loose or defective. 2. Low refrigerant charge. 3. Dirty air filter(s) or air flow restricted. 4. Excessively restrictive ducting connected to unit. | WARNING! ELECTRICAL SHOCK HAZARD: Electrical power must be present to perform some tests. These tests should be performed by a qualified service person. Troubleshooting Procedure for Control Related Issues This method of diagnosis is used to function check the internal components in the dehumidifier. This is to be used when a performance issue is suspected. 1. Set the humidity controller all the way to the most humid setting or off position – Did the unit shut off? 2. If yes, turn the fan setting to the ON position – does the fan start? 3. If fan starts, leave in the fan ON position and set the humidity all the way to driest setting. May have to wait 5 minutes for the compressor to start. 4. Listen for a distinct buzzing/humming sound of a compressor starting up – do you hear this noise? 5. If compressor is running and continues to run, after about 15 minutes you should feel a slight increase in air temperature being discharged out of the discharge air side of the unit. 6. If so, depending on your environmental conditions (temp/Rh%), you should see some water production out of the hose within 30 minutes or so. (Note: If the room temperature is 55 degrees or below and/ or in area of low relative humidity, the dehumidifier will produce little to no water.) 7. Collecting the water removed in a 24 hour period will give a measurement of performance. |
|
No ventilation. Ventilation is being called for. | 1. Loose connection in ventilation control circuit. 2. Loose connection in damper power circuit. 3. Defective outdoor air damper. | |
|
Dehumidifier removes some water, but not as much as expected. | 1. Air temperature and/or humidity have dropped. 2. Humidity meter and or thermometer used are out of calibration. 3. Unit has entered defrost cycle. 4. Dirty air filter(s) or air flow is restricted. 5. Defective defrost thermostat. 6. Low refrigerant charge. 7. Air leak such as loose cover or ducting leaks. 8. Defective compressor. 9. Restrictive ducting. |
Refrigerant Charging
WARNING
- SERVICING THE SANTA FE ULTRA70 WITH ITS HIGH PRESSURE REFRIGERANT SYSTEM AND HIGH VOLTAGE CIRCUITRY PRESENTS A HEALTH HAZARD WHICH COULD RESULT IN DEATH, SERIOUS BODILY INJURY, AND/OR PROPERTY DAMAGE. SERVICE MUST BE PERFORMED BY A QUALIFIED SERVICE TECHNICIAN.
- If the refrigerant charge is lost due to service or a leak, the leak should be repaired and a new charge must be accurately weighed in. If any of the old charge is left in the system, it must be recovered before weighing in the new charge. Refer to the unit nameplate for the correct charge weight and refrigerant type.
WARRANTY
Limited Warranty: Therma-Stor, LLC (“Therma-Stor”) warrants as follows: (i) the Santa Fe Ultra70 dehumidifier (“Product”) will be free of material defects in workmanship or materials for a period of two (2) years (“Two-Year Warranty”) following the date of initial purchase of such Product by an original customer purchasing from Therma-Stor or an authorized reseller (“Customer”); and (ii) the Product’s components will be free of material defects in workmanship or materials for a period of six (6) years following the date of initial purchase of such Product by a Customer.
Limitation of Remedies: CUSTOMER’S SOLE AND EXCLUSIVE REMEDY UNDER THE ABOVE LIMITED WARRANTY AND THERMASTOR’S ENTIRE LIABILITY THEREUNDER, SHALL BE, AT THE SOLE OPTION OF THERMA-STOR, REPLACEMENT OR REPAIR OF SUCH PRODUCT OR ITS COMPONENTS (“COMPONENTS”) BY THERMA-STOR OR THERMA-STOR’S AGENTS ONLY. REFRIGERANT, PIPING, SUPPLIES, TRANSPORTATION COSTS, LABOR COSTS INCURRED IN REPAIR OR REPLACEMENT OF SUCH COMPONENTS ARE NOT INCLUDED. THIS DISCLAIMER AND EXCLUSION SHALL APPLY EVEN IF THE EXPRESS WARRANTY AND LIMITED REMEDY SET FORTH HEREIN FAILS OF ITS ESSENTIAL PURPOSE. CUSTOMER ACKNOWLEDGES THAT NO REPRESENTATIVE OF THERMA-STOR OR OF ITS AFFILIATES OR RESELLERS IS AUTHORIZED TO MAKE ANY REPRESENTATION OR WARRANTY ON BEHALF OF THERMA-STOR OR ANY OF ITS AFFILIATES OR RESELLERS THAT IS NOT IN THIS AGREEMENT. Notwithstanding the above, during the term of the Two-Year Warranty only, Therma-Stor will provide, free of charge to Customer, all Components and labor (except costs related to removal and installation of Product) required to fulfill its obligations under such Two-Year Warranty.
Disclaimer of Warranties: EXCEPT FOR ABOVE LIMITED WARRANTY, WHICH IS THE SOLE AND EXCLUSIVE WARRANTY PROVIDED WITH RESPECT TO THE PRODUCT AND ITS COMPONENTS, THERMA-STOR HEREBY DISCLAIMS ALL EXPRESS AND IMPLIED WARRANTIES, INCLUDING, WITHOUT LIMITATION, THE IMPLIED WARRANTIES OF MERCHANTABILITY AND FITNESS FOR A PARTICULAR PURPOSE.
Warranty Limitations: The foregoing limited warranty extends only to a Customer and shall be null and void upon attempted assignment or transfer. A “defect” under the terms of the limited warranty shall not include problems resulting from Customer’s or Customer’s employees’, agents’, invitees’ or a third party’s misuse, improper installation, improper design of any system in which the Product is included, abuse, lack of normal care, failure to follow written instructions, tampering, improper repair, or freezing, corrosion, acts of nature or other causes not arising out of defects in Therma-Stor’s workmanship or material. If a Product or Component is replaced while under warranty, the applicable limited warranty period shall not be extended beyond the original warranty time period. The limited warranty does not cover any costs related to changes to a Product or Component that may be required by any codes, laws, or regulations that may become effective after initial purchase of the Product by Customer.
Customer Responsibilities: As a further condition to obtaining warranty coverage hereunder, the Customer must send a valid warranty claim to Therma-Stor such that Therma-Stor receives such claim prior to the end of the applicable warranty period. Therma-Stor shall have no obligation hereunder with respect to any claim received by Therma-Stor after the expiration of the applicable warranty period. As a further condition to obtaining warranty coverage hereunder, the Customer must present forms of invoices evidencing proof of purchase of a Product. If such invoices do not clearly indicate the date of initial purchase by a Customer, the applicable Product’s date of manufacture will be used instead of the date of initial purchase for the purpose of calculating the commencement of the applicable warranty period. Warranty service must be performed by Therma-Stor or a servicer authorized by Therma-Stor. In order to obtain warranty service, the Customer should call Therma-Stor at 1-800-533- 7533 and ask for the Therma-Stor Products Service Department, which will then arrange for applicable warranty service. Warranty service will be performed during customary, daytime working hours. If the Product must be shipped for service, Customer shall be solely responsible for properly packaging the Product, for all freight charges, and for all risk of loss associated with shipment.
Limitation of Liability: IN NO EVENT SHALL THERMA-STOR, IN CONNECTION WITH THE DESIGN, SALE, INSTALLATION, USE, REPAIR, REPLACEMENT OR PERFORMANCE OF ANY PRODUCT, COMPONENT, PART THEREOF OR WRITTEN MATERIAL PROVIDED THEREWITH, BE LIABLE, TO THE EXTENT ALLOWED UNDER APPLICABLE LAW, UNDER ANY LEGAL THEORY FOR ANY SPECIAL, DIRECT, INDIRECT, COLLATERAL OR CONSEQUENTIAL DAMAGES OF ANY KIND. NOTWITHSTANDING THE ABOVE LIMITATIONS AND WARRANTIES, THE SOLE AND EXCLUSIVE LIABILITY OF THERMA-STOR, REGARDLESS OF THE NATURE OR THEORY OF THE CLAIM, SHALL UNDER NO CIRCUMSTANCES EXCEED THE PURCHASE PRICE OF THE PRODUCT, COMPONENT OR PART UPON WHICH THE CLAIM IS PREMISED.
Applicable Law and Venue: ANY ARBITRATION, ENFORCEMENT OF AN ARBITRATION OR LITIGATION RELATED TO THE PRODUCT WILL BE BROUGHT EXCLUSIVELY IN DANE COUNTY, WISCONSIN, AND CUSTOMER CONSENTS TO THE JURISDICTION OF THE FEDERAL AND STATE COURTS LOCATED THEREIN, SUBMITS TO THE JURISDICTION THEREOF AND WAIVES THE RIGHT TO CHANGE VENUE. CUSTOMER FURTHER CONSENTS TO THE EXERCISE OF PERSONAL JURISDICTION BY ANY SUCH COURT WITH RESPECT TO ANY SUCH PROCEEDING.
Miscellaneous: If any term or condition of this Limited Warranty is found by a court of competent jurisdiction to be invalid, illegal or otherwise unenforceable, the same shall not affect the other terms or conditions hereof or thereof or the whole of this Limited Warranty. Any delay or failure by Therma-Stor to exercise any right or remedy will not constitute a waiver of Therma- Stor to thereafter enforce such rights.
WARRANTY REGISTRATION CARD
- SERIAL NUMBER………………………………….
- PART NUMBER………………………………….
More Information
Patent: thermastor.com/patents
Register your product using the serial number and part number above at www.thermastor.com/registration
REGISTRATIONS
THE SANTA FE ULTRA70 CONFORMS TO UNIFIED STANDARD UL 60335-2-40 AND CSA STANDARD C22.2.60335-2-40.
FOR REPAIR & TECH SUPPORT: 1-800-533-7533 (follow prompts) or CONTACT US AT: [email protected]
Santa Fe is committed to manufacturing quality products. To maintain our standards, product specifications may change without notice.
- 4201 Lien Road, Madison, WI 53704
- (800) 533-7533
- Thermastor.com
- Santa-Fe-Products.com
This is important Warranty Information. Please DO NOT DISCARD!

© 2019 Therma-Stor LLC






























