Velleman K4001 7W MONO Audio Amplifier

Product Information
The K4001 7W Mono Amplifier is a small but powerful multipurpose amplifier. It is constructed around the TDA2003 IC, which is completely thermally and short-circuit protected. It can deliver 4Wrms at 4ohms and has a music output power of 7W/4ohm. The amplifier has a frequency response of 20Hz-20KHz (-3dB) and a total harmonic distortion of 0.05% (1W/1KHz). The product comes with a fully illustrated assembly manual and has a difficulty level of beginner. The product dimensions are 55x35mm (2.2 x 1.4) and it requires a power supply of 8-18VDC/0.5A.
Product Usage Instructions
Assembly Hints
- Make sure you have the right tools.
- Always look for possible last-minute manual updates, indicated as ‘NOTE’ on a separate leaflet.
- Mount the component against the PCB surface and carefully solder the leads.
- Make sure the solder joints are cone-shaped and shiny.
- Trim excess leads as close as possible to the solder joint.
- Do not blindly follow the order of the components onto the tape. Always check their value on the parts list!
- Remove them from the tape one at a time!
Volume Control
Adjust the volume by connecting a 47K logarithmic potentiometer as indicated in Figure 2.0.
Connection Example
Figure 3.0 is an example of a connection diagram of a 4 or 8-ohm speaker that is connected to the pins LS and GND. The input signal should be connected with the IN and GND pins.
Supply Connection
Figure 1 is an example of a suitable main supply for this circuit. Naturally, you can also use batteries to power the circuit.
PCB Layout
The PCB layout is provided in diagram 11.
Specifications
- Music output power: 7W/4ohm
- RMS output power : 3.5W/4ohm or 2W/8ohm
- Power supply: 8-18VDC/0.5A
- Dimensions : 55x35mm (2.2” x 1.4”)
Features
This small amplifier is constructed around the TDA2003 IC, capable of delivering 4Wrms at 4ohms. The IC is completely thermally and short-circuits protected. A conventional direct current can be connected as a supply.
Specifications
- Music output power: 7W/4ohm
- RMS output power : 3.5W/4ohm or 2W/8ohm
- Total harmonic distortion: 0.05% (1W/1KHz)
- Frequency response : 20Hz-20KHz (-3dB)
- Input sensitivity: 40mV/150Kohm
- Signal/noise ratio: 86dB (A-weighted)
- Power supply: 8-18VDC/0.5A
- Dimensions : 55x35mm (2.2” x 1.4”)
Assembly hints
- Assembly (Skipping this can lead to troubles ! )
Ok, so we have your attention. These hints will help you to make this project successful. Read them carefully. - Make sure you have the right tools
- A good quality soldering iron (25-40W) with a small tip.

- Wipe it often on a wet sponge or cloth, to keep it clean; then apply solder to the tip, to give it a wet look. This is called ‘thinning’ and will protect the tip, and enables you to make good connections. When solder rolls off the tip, it needs cleaning.

- Thin raisin-core solder. Do not use any flux or grease.

- A diagonal cutter to trim excess wires. To avoid injury when cutting excess leads, hold the lead so it cannot fly toward the eyes.
- Needle nose pliers, for bending leads, or to hold components in place.
- Small blade and Phillips screwdrivers. A basic range is fine.
For some projects, a basic multi-meter is required or might be handy

Assembly Hints
- Make sure the skill level matches your experience, to avoid disappointments.
- Follow the instructions carefully. Read and understand the entire step before you perform each operation.
- Perform the assembly in the correct order as stated in this manual
- Position all parts on the PCB (Printed Circuit Board) as shown on the drawings.
- Values on the circuit diagram are subject to changes.
- Values in this assembly guide are correct*
- Use the checkboxes to mark your progress.
- Please read the included information on safety and customer service
Typographical inaccuracies excluded. Always look for possible last-minute manual updates, indicated as ‘NOTE’ on a separate leaflet.
Soldering Hints
- Mount the component against the PCB surface and carefully solder the leads

- Make sure the solder joints are cone-shaped and shiny

- Trim excess leads as close as possible to the solder joint
DO NOT BLINDLY FOLLOW THE ORDER OF THE COMPONENTS ONTO THE TAPE. ALWAYS CHECK THEIR VALUE ON THE PARTS LIST!

- REMOVE THEM FROM THE TAPE ONE AT A TIME!
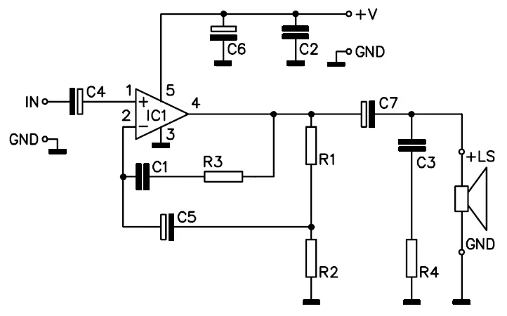
Construction
Resistors.

- R1: 470 (4 – 7 – 1 – B)
- R2: 4,7 (4 – 7 – B – B)
- R3: 100 (1 – 0 – 1 – B)
Metal film resistor.

- R4: 1 (1 – 0 – B – B – 9)
Capacitors

- C1: 8n2 (822)
- C2: 100nF (104)
- C3: 100nF (104)
PCB tabs

- IN
- GND
- LS
- GND
- +V
- GND
Electrolytic Capacitors. Watch the polarity !

- C4 : 10μF
- C5 : 470μF
- C6 : 1000μF
- C7 : 1000μF
IC

- IC1 : TDA2003!
Supply connection
- Figure 1 is an example of a suitable main supply for this circuit. Naturally, you can also use batteries to power the circuit.

Volume control
- Adjust the volume by connecting a 47K logarithmic potentiometer as indicated in figure 2.0.

Connection example
- Figure 3.0 is an example of a connection diagram of a 4 or 8-ohm speaker that is connected to the pins LS and GND. The input signal should be connected with the IN and GND pins.

PCB layout

Diagram
Modifications and typographical errors reserved – © Velleman nv. H4001IP – 2004 – ED1_rev.1

VELLEMAN NV
- Legen Heirweg 33
- 9890 Gavere
- Belgium Europe www.velleman.be. www.velleman-kit.com.






DO NOT BLINDLY FOLLOW THE ORDER OF THE COMPONENTS ONTO THE TAPE. ALWAYS CHECK THEIR VALUE ON THE PARTS LIST!


















