KENWOOD KAC-M5001 COMPACT MONO DIGITAL AMPLIFIER
Accessories
Take the time to read through this instruction manual. Familiarity with installation and operation procedures will help you obtain the best performance from you new power amplifier.
For your records
Record the serial number, found on the back of the unit, in the spaces designated on the warranty card, and in the space provided below. Refer to the model and serial numbers whenever you call upon your Kenwood dealer for information or service on the product. Model KAC-M5001 Serial number
US Residents Only
Register Online
Register your Kenwood product at www.kenwood.com/usa
Safety precautions
WARNING
- To prevent injury or fire, take the following precautions:
- Mounting and wiring this product requires skills and experience. Forsafety’s sake, leave the mounting and wiring work to professionals.
- To prevent a short circuit, never put or leave any metallic objects (such as coins or metal tools) inside the unit.
- If the unit starts to emit smoke or strange smells, turn off the power immediately and consult your KENWOOD dealer.
- Do not touch the unit during use because the surface of the unit becomes hot and may cause bums if touched.
CAUTION
- To prevent damage to the machine, take the following precautions:
- Be sure the unit is connected to a 12 V DC power supply with a negative ground connection.
- Do not open the top or bottom covers of the unit.
- Do not install the unit in a spot exposed to direct sunlight or excessive heat or humidity.
- When replacing a fuse, only use a new one with the prescribed rating. Usin a fuse with the wrong rating may cause your unit to malfunction.
- To prevent a short circuit when replacing a fuse, first disconnect the wiring harness
NOTE
- If you experience problems during installation, consult your KENWOOD dealer.
- If the unit does not seem to be working right, consult your KENWOOD dealer.
Cleaning the unit
If the front panel gets dirty, turn off the power and wipe the panel with a dry silicon cloth or soft cloth.
CAUTION
Do not wipe the panel with a hard cloth or a cloth dampened by volatil solvents such as paint thinner and alcohol. They can scratch the surface of the panel and/ or cause the indicator letters to peel off.
To prevent battery rise
When the unit is used in the ACC ON position without turning the engin ON, it depletes the battery. Use it after starting the engine.
Protection function
- The protection function is activated in the following situations:
- This unit is equipped with a protection function for protecting this unit and your speakers from various accidents or problems that can occur.
- When the protection function is triggered, the amplifier stops operating.
- When a speaker wire may be short-circuited.
- When a speaker output contacts ground.
- When the unit malfunctions and a DC signal is sent to the speaker output.
- When the internal temperature is high and unit won’t operate.
- When detects a low impedance at the speaker connections.
Wiring
- If a buzzing noise is heard from the speakers when the engine is running, connect a line noise filter (optional) to each of the battery wire.
- Do not allow the wire to directly contact the edge of the iron plate by using Grommets.
- Connect the ground wire to a metal part of the car chassis that acts as an electrical ground passing electricity to the battery’s negative0terminal.
- Do not turn the power on if the ground wire is not connected.
- Be sure to install a protective fuse in the power cord near the battery. Th protective fuse should be the same capacity as the unit’s fuse capacity or somewhat larger.
- When more than one power amplifier are going to be used, use a power supply wiring wire and protective fuse of greater current-handling capacity than the total maximum current drawn by each amplifier.
Speaker selection
- Using speakers with smaller input ratings than the amplifier’s output power would result in smoke generation or equipment failure.
- Use speakers that have an impedance of 2 0 or greater. When more than one set of speakers are going to be used, calculate the combined impedance of the speakers and then connect suitable speakers to the amplifier.

Installation
Installing the remote controller (③ Parts included)
- Remove the panel of the vehicle.
- Drill a 8 mm (5/16”) hole.
- Remove the knob and place the rubber ring in it.
- Insert the shaft through the drille hole. Place the nut and washer an fix them.
- Place the knob on the shaft.
- Attach the panel.

Installation procedure
Read the instruction manual well to select the proper connection and setting.
- Remove the ignition key and disconnect the negativeterminal of the battery to prevent short circuits.
- There are two options:
- Refer to “Connections” on the back side.
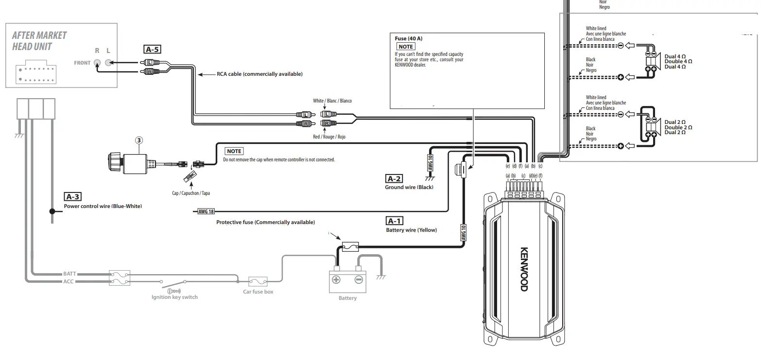
- Type A: RCA INPUT connection
- A-1 Connect the battery wire.
- A-2 Connect the ground wire to chassis ground of vehicle.
- A-3 Connect the power control wire.
- A-4 Connect the speakers.
- A-5 Connect the RCA cable.
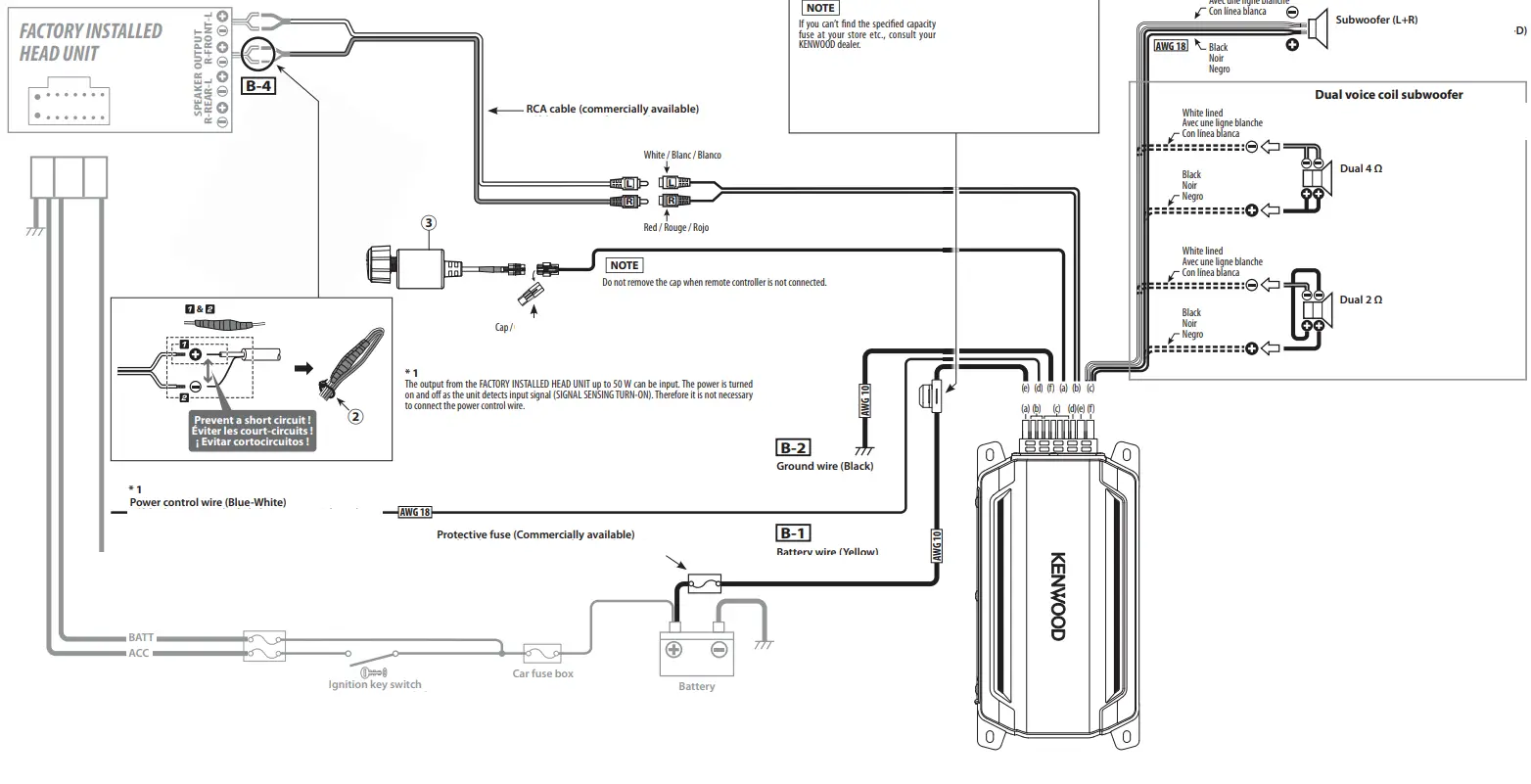
- Type B: SPEAKER INPUT connection
- B-1 Connect the battery wire.
- B-2 Connect the ground wire to chassis ground of vehicle.
- B-3 Connect the speakers.
- B-4 Cut off the RCA cable, then connect the correct corresponding speaker output from the FACTOR INSTALLED HEAD UNIT directly.
- Attach the unit.
- Connect the negative terminal of the battery.
- Remove the Dressing panel.
- Set the unit according to the intended usage.
- Fix the Dressing panel with screws securely.
CAUTION
- Do not install in the below locations; (Unstable location, In a location that interferes with driving, In a location tha gets wet, In a dusty location, In a place that gets hot, In a place that gets direct sunlight, In a location that gets hit by hot air)
- Do not install the unit under the carpet. Otherwise heat build-up occurs and the unit may be damaged.
- Install this unit in a location which allows heat to easily dissipate. Once installed, do not place any object on top of the unit.
- The surface temperature of the amplifier will become hot during use. Install the amplifier in a place where people, resins, and other substances that are sensitiv to heat will not come into contact with it.
- When making a hole under a seat, inside the trunk, or somewhere else in th vehicle, check that there is nothing hazardous on the opposite side such as a gasoline tank, brake pipe, or wiring harness, and be careful not to cause scratches or other damage.
- Do not install near the dashboard, rear tray, or air bag safety parts.
- The installation to the vehicle should securely fasten the unit to a place in which i will not obstruct driving. If the unit comes off due to a shock and hits a person o safety part, it may cause injury or an accident.
- After installing the unit, check to make sure that electrical equipment such as th brake lamps, turn signal lamps and windshield wipers operate normally.
- In order to secure the Water-proof & Dust-proof performance (IP67&IP66) of thi product, use it with the dressing panel fi rmly attached. If the dressing panel is not installed properly, dust and water may enter and cause a malfunction.

WARNING
- Particular attention must be given to making good electrical contact at the amplifi er-output and speaker terminals.
- Poor or loose connections can cause sparking or burning at the terminals because of the very highpower that the amplifi er can deliver.
CAUTION
- If sound is not output normally, immediately turn power off and check connections.
- Be sure to turn the power off before changing the setting of any switch.
- If the fuse blows, check wires for shorts, then replace the fuse with one of the same rating.
- Check that no unconnected wires or connectors are touching the car body. Do not remove caps from unconnected wires or connectors to prevent short circuits.
- Connect the speaker wires to appropriate speaker connectors separately. Sharing the negative wire of the speaker or grounding speaker wires to the metal body of the car can cause this unit to fail.
- After installation, check that the brake lamps, turn signal lamps and windshield wipers work properly.
Connections
Type A: RCA INPUT connection
Type B: SPEAKER INPUT connection
Controls
- Input sensitivity control (INPUT SENS) Set this control according to the pre-output level ofthe HEAD UNIT connected with this unit.
- NOTE For the pre-output level, refer to the “Specifi cations”in the instruction manual of the HEAD UNIT.
- BASS BOOST LEVEL control Sets the low frequency level to be compensated.
- BASS BOOST frequency switch (BASS BOOST FREQ) Sets the center frequency around which the lowfrequency range should be boosted.
- LPF frequency control (LPF FREQ) This control adjusts the frequency band output from this unit.
- Volume control knob (Remote controller)

Troubleshooting Guide
| PROBLEM | POSSIBLE CAUSE | SOLUTION |
| No sound. (No sound from one side.) (Blown fuse.) | • Input (or output) cables are disconnected. • Protection circuit may be activated. • Volume is too high. • The speaker cord is shorted. • The volume of remote controller is set to the minimum position. | • Connect the input (or output) cables. • Check connections by referring to “Protection function”. • Replace the fuse and use lower volume. • After check the speaker cord and fixing the cause of the short, replace the fuse. • Turn the volume control knob to an optimum level. |
| The output level is too small (or too large). | • The input sensitivity adjusting control is not set to the cor- rect position. | • Adjust the control correctly referring to “Controls”. |
| The sound quality is bad. (The sound is distorted.) | • The speakers wire are connected with wrong / polarity. • A speaker wire is pinched by a screw in the car body. • The switches may be set improperly. | • Connect them properly checking the / of the termi- nals and wires well. • Connect the speaker wire again so that it is not pinched by anything. • Set switches properly by referring to “Controls”. |
Specifications
- Specifications subject to change without notice. Audio unit
- Max power output ……………………………………………………………………. 600 W
- Rated power output (+B = 14.4V}
- (4 0) (20 Hz-200 Hz, s 1.0 % THD) …………………………………… 200W x 1
- (20) (lOOHz, s 1.0% THD) …………………………………………….. 300Wx 1
- Speaker impedance ……………………………………….. 4 0 (2 0 to 8 0 allowable)
- Frequency response (+O, – 3 dB) ……………………………………… 20 Hz-200 Hz
- Input sensitivity (RCA) ………………………………………………………… 0.2 V-5.0 V
- Signal to noise ratio …………………………………………………………………… 97 dB
- Input impedance ……………………………………………………………………….. 10 kO
- Low pass filter frequency (-24 dB / oct.) …………….. 50 Hz-200 Hz (variable)
- Infrasonic filter frequency (-24 dB / oct.) ………………………………………. 20 Hz
- Bass boost control ………………………………………………. 0-+ 18 dB (variable)
- Bass boost frequency ……………………………………………. .40 Hz / 60 Hz/ 80 Hz
General
- Operating voltage …………………………………………………… 12 V DC car battery
- Current consumption …………………………………………………………………… 14A
- Operational temperature range ……………………………………….. – lO”C-60° C
- Dimensions (W x H x D) ……………………………………… 198 x 48.5 x 104 mm7-13/16 x 1-15/16 x4-1/8 inch
- Weight… …………………………………………………………………….. 1.2 kg (2.7 lbs)
- Water-proof & Dust-proof …………………………………………………….. IP66, IP67
- Water-proof (Remote controller) ……………………………………………………. IPX6

For the U.S.A.
FCC RULES
Changes or modifications not expressly approved by the party responsible for compliance could void the user’s authority to operate the equipment. NOTE: This equipment has been tested and found to comply with the limits for a Class B digital device, pursuant to part 15 of the FCC Rules. These limits are designed to provide reasonable protection against harmful interference in a residential installation. This equipment generates, uses and can radiate radio frequency energy and, if not installed and used in accordance with the instructions, may cause harmful interference to radio communications. However there is no guarantee that interference will not occur in a particular installation. If this equipment does cause harmful interference to radio or television reception, which can be determined b turning the equipment off and on, the user is encouraged to try to correct the interference by one or more of the following measures:
- Reorient or relocate the receiving antenna.
- Increase the separation between the equipment and receiver.
- Connect the equipment into an outlet on a circuit different from that to which the receiver is connected.
- Consult the dealer or an experienced radio /TV technician for help.
Supplier’s Declaration of Conformity
- Trade Name: KENWOOD
- Products: COMPACT MONO DIGITAL AMPLIFIER
- Model Name: KAC-M5001
- Responsible Party: JVCKENWOOD USA CORPORATION 4001 Worsham Avenue, Long Beach, CA 90808, U.S.A.
- PHONE: 1-800-252-5722
THIS DEVICE COMPLIES WITH PART 15 OF THE FCC RULES. OPERATION IS SUBJECT TO THE FOLLOWING TWO CONDITIONS:
- THIS DEVICE MAY NOT CAUSE HARMFUL INTERFERENCE, AND
- THIS DEVICE MUST ACCEPT ANY INTERFERENCE RECEIVED, INCLUDING INTERFERENCE THAT MAY CAUSE UNDESIRED OPERATION.

Accessories

























