
KS-DR2001D
COMPACT MONO DIGITAL AMPLIFIER
INSTRUCTION MANUAL
Accessories
| 1 | ![]() | Self-tapping screws | 4 |
| 2 | ![]() | Wire band | 1 |
| 3 | ![]() | Remote controller | 1 |
| 4 | ![]() | Washer | 1 |
| 5 | ![]() | Hex nut | 1 |
Safety precautions
WARNING
To prevent injury or fi re, take the following precautions:
- Mounting and wiring this product requires skills and experience. For safety’s sake, leave the mounting and wiring work to professionals.
- To prevent a short circuit, never put or leave any metallic objects (such as coins or metal tools) inside the unit.
- If the unit starts to emit smoke or strange smells, turn off the power immediately and consult your JVC dealer.
- Do not touch the unit during use because the surface of the unit becomes hot and may cause burns if touched.
CAUTION
To prevent damage to the machine, take the following precautions:
- Be sure the unit is connected to a 12 V DC power supply with a negative ground connection.
- Do not open the top or bottom covers of the unit.
- Do not install the unit in a spot exposed to direct sunlight or excessive heat or humidity.
- When replacing a fuse, only use a new one with the prescribed rating. Using a fuse with the wrong rating may cause your unit to malfunction.
- To prevent a short circuit when replacing a fuse, first disconnect the wiring harness.
NOTE
- If you experience problems during installation, consult your JVC dealer.
- If the unit does not seem to be working right, consult your JVC dealer.
Cleaning the unit
If the front panel gets dirty, turn off the power and wipe the panel with a dry silicon cloth or soft cloth.
CAUTION
Do not wipe the panel with a hard cloth or a cloth dampened by volatile solvents such as paint thinner and alcohol. They can scratch the surface of the panel and / or cause the indicator letters to peel off .
To prevent battery rise
When the unit is used in the ACC ON position without turning the engine ON, it depletes the battery. Use it after starting the engine.
Protection function
The protection function is activated in the following situations:
This unit is equipped with a protection function for protecting this unit and your speakers from various accidents or problems that can occur.
When the protection function is triggered, the amplifi er stops operating.
- When a speaker wire may be short-circuited.
- When a speaker output contacts ground.
- When the unit malfunctions and a DC signal is sent to the speaker output.
- When the internal temperature is high and unit won’t operate.
- When detects a low impedance at the speaker connections.
Wiring
- If a buzzing noise is heard from the speakers when the engine is running, connect a line noise fi lter (optional) to each of the battery wire.
- Do not allow the wire to directly contact the edge of the iron plate by using Grommets.
- Connect the ground wire to a metal part of the car chassis that acts as an electrical ground passing electricity to the battery‘s negative
terminal.
Do not turn the power on if the ground wire is not connected. - Be sure to install a protective fuse in the power cord near the battery. The protective fuse should be the same capacity as the unit’s fuse capacity or somewhat larger.
- When more than one power amplifi er are going to be used, use a power supply wiring wire and protective fuse of greater current-handling capacity than the total maximum current drawn by each amplifier.
Speaker selection
- Using speakers with smaller input ratings than the amplifier’s output power would result in smoke generation or equipment failure.
- Use speakers that have an impedance of 2 Ω or greater. When more than one set of speakers are going to be used, calculate the combined impedance of the speakers and then connect suitable speakers to the amplifier.
<Example>

Installation

Installing the remote controller (③ Parts included)
- Remove the panel of the vehicle.
- Drill a 8 mm (5/16”) hole.
- Remove the knob and place the rubber ring in it.
- Insert the shaft through the drilled hole. Place the nut and washer and fix them.
- Place the knob on the shaft.
- Attach the panel.
Installation procedure
Read the instruction manual well to select the proper connection and setting.
- Remove the ignition key and disconnect the negative
terminal of the battery to prevent short circuits. - There are two options:
* Refer to “Connections” on the back side.
Type A: RCA INPUT connection
A-1 Connect the battery wire.
A-2 Connect the ground wire to chassis ground of vehicle
A-3 Connect the power control wire.
A-4 Connect the speakers.
A-5 Connect the RCA cable.
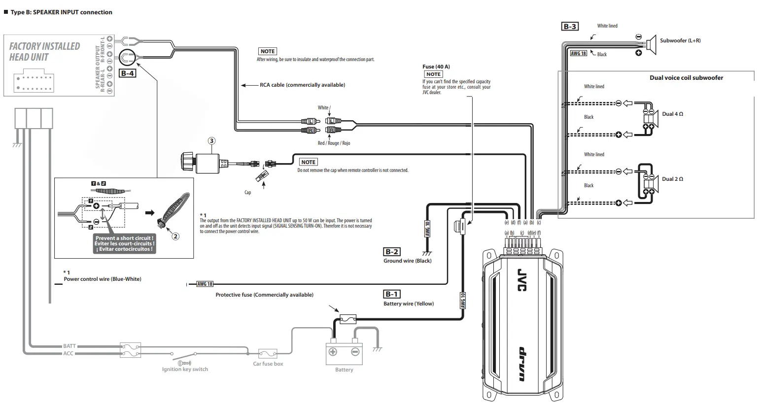
Type B: SPEAKER INPUT connection
B-1 Connect the battery wire.
B-2 Connect the ground wire to chassis ground of vehicle.
B-3 Connect the speakers.
B-4 Cut off the RCA cable, then connect the correct corresponding speaker output from the FACTORY INSTALLED HEAD UNIT directly. - Attach the unit.
- Connect the negative
terminal of the battery. - Remove the Dressing panel.
- Set the unit according to the intended usage.
- Fix the Dressing panel with screws securely.
CAUTION
- Do not install in the below locations;
(Unstable location, In a location that interferes with driving, In a location that gets wet, In a dusty location, In a place that gets hot, In a place that gets direct sunlight, In a location that gets hit by hot air) - Do not install the unit under the carpet. Otherwise heat build-up occurs and the unit may be damaged.
- Install this unit in a location which allows heat to easily dissipate. Once installed, do not place any object on top of the unit.
- The surface temperature of the amplifier will become hot during use. Install the amplifier in a place where people, resins, and other substances that are sensitive to heat will not come into contact with it.
- When making a hole under a seat, inside the trunk, or somewhere else in the vehicle, check that there is nothing hazardous on the opposite side such as a gasoline tank, brake pipe, or wiring harness, and be careful not to cause scratches or other damage.
- Do not install near the dashboard, rear tray, or air bag safety parts.
- The installation to the vehicle should securely fasten the unit to a place in which it will not obstruct driving. If the unit comes off due to a shock and hits a person or safety part, it may cause injury or an accident.
- After installing the unit, check to make sure that electrical equipment such as the brake lamps, turn signal lamps and windshield wipers operate normally.
- In order to secure the Water-proof & Dust-proof performance (IP67&IP66) of this product, use it with the dressing panel firmly attached. If the dressing panel is not
installed properly, dust and water may enter and cause a malfunction.

Troubleshooting Guide
What might appear to be a malfunction in your unit may just be the result of slight misoperation or miswiring. Before calling service, first check the following table for possible problems.
| PROBLEM | POSSIBLE CAUSE | SOLUTION |
| No sound. (No sound from one side.) (Blown fuse.) | • Input (or output) cables are disconnected. • Protection circuit may be activated. • Volume is too high. • The speaker cord is shorted. • The volume of remote controller is set to the minimum position. | • Connect the input (or output) cables. • Check connections by referring to “Protection function”. • Replace the fuse and use lower volume. • After check the speaker cord and fi xing the cause of the short, replace the fuse. • Turn the volume control knob to an optimum level. |
| The output level is too small (or too large). | • The input sensitivity adjusting control is not set to the correct position. | • Adjust the control correctly referring to “Controls”. |
| The sound quality is bad. (The sound is distorted.) | • The speakers wire are connected with wrong • A speaker wire is pinched by a screw in the car body. • The switches may be set improperly. | • Connect them properly checking the • Connect the speaker wire again so that it is not pinched by anything. • Set switches properly by referring to “Controls”. |
Specifications
Specifi cations subject to change without notice.
Audio unit
Max power output …………………………………………………………………….600 W
Rated power output (+B = 14.4V)
(4 Ω) (20 Hz–200 Hz, ≤ 1.0 % THD) ……………………………………200 W × 1
(2 Ω) (100 Hz, ≤ 1.0 % THD) ……………………………………………..300 W × 1
Speaker impedance ……………………………………….. 4 Ω (2 Ω to 8 Ω allowable)
Frequency response (+0, –3 dB)……………………………………… 20 Hz–200 Hz
Input sensitivity (RCA)…………………………………………………………0.2 V–5.0 V
Signal to noise ratio ……………………………………………………………………97 dB
Input impedance ………………………………………………………………………..10 kΩ
Low pass fi lter frequency (–24 dB / oct.) …………….. 50 Hz–200 Hz (variable)
Infrasonic fi lter frequency (–24 dB / oct.) ……………………………………….20 Hz
Bass boost control ………………………………………………. 0 – +18 dB (variable)
Bass boost frequency ……………………………………………..40 Hz / 60 Hz / 80 Hz
General
Operating voltage ……………………………………………………12 V DC car battery
Current consumption ……………………………………………………………………14 A
Operational temperature range……………………………………….. –10˚C – 60˚C
Dimensions (W × H × D) ………………………………………198 × 48.5 × 104 mm 7-13/16 × 1-15/16 × 4-1/8 inch
Weight ……………………………………………………………………….. 1.2 kg (2.7 lbs)
Water-proof & Dust-proof ……………………………………………………..IP66, IP67
Water-proof (Remote controller) …………………………………………………….IPX6
200 Watts RMS × 1 at 4 Ohms and ≤ 1% THD+N 78 dBA (Reference: 1 Watt into 4 Ohms)
![]()
FCC CAUTION
Changes or modifi cations not expressly approved by the party responsible for compliance could void the user’s authority to operate the equipment.
NOTE: This equipment has been tested and found to comply with the limits for a Class B digital device, pursuant to part 15 of the FCC Rules. These limits are designed to provide reasonable protection against harmful interference in a residential installation. This equipment generates, uses and can radiate radio frequency energy and, if not installed and used in accordance with the instructions, may cause harmful interference to radio communications. However, there is no guarantee that interference will not occur in a particular installation. If this equipment does cause harmful interference to radio or television reception, which can be determined by turning the equipment off
and on, the user is encouraged to try to correct the interference by one or more of the following measures:
- Reorient or relocate the receiving antenna.
- Increase the separation between the equipment and receiver.
- Connect the equipment into an outlet on a circuit diff erent from that to which the receiver is connected.
- Consult the dealer or an experienced radio / TV technician for help.
Supplier’s Declaration of Conformity
Trade Name: JVC
Products: COMPACT MONO DIGITAL AMPLIFIER
Model Name: KS-DR2001D
Responsible Party: JVCKENWOOD USA CORPORATION
4001 Worsham Avenue, Long Beach, CA 90808, U.S.A.
PHONE: 1-800-252-5722
THIS DEVICE COMPLIES WITH PART 15 OF THE FCC RULES. OPERATION IS SUBJECT TO THE FOLLOWING TWO CONDITIONS:
(1) THIS DEVICE MAY NOT CAUSE HARMFUL INTERFERENCE, AND (2) THIS DEVICE MUST ACCEPT ANY INTERFERENCE RECEIVED, INCLUDING INTERFERENCE THAT MAY CAUSE UNDESIRED OPERATION.
Connections
WARNING
Remove the ignition key and disconnect the negative
terminal of the battery to prevent short circuits.
Type A: RCA INPUT connection
NOTE
After wiring, be sure to insulate and waterproof the connection part.
In a computer-equipped vehicle, when you remove the
terminal of the battery, the memory may disappear, or a defect may occur in the electrical system of the vehicle. Consult your dealer for further details.

WARNING
Particular attention must be given to making good electrical contact at the amplifi er-output and speaker terminals.
Poor or loose connections can cause sparking or burning at the terminals because of the very high power that the amplifi er can deliver.
CAUTION
- If sound is not output normally, immediately turn power off and check connections.
- Be sure to turn the power off before changing the setting of any switch.
- If the fuse blows, check wires for shorts, then replace the fuse with one of the same rating.
- Check that no unconnected wires or connectors are touching the car body. Do not remove caps from unconnected wires or connectors to prevent short circuits.
- Connect the speaker wires to appropriate speaker connectors separately. Sharing the negative wire of the speaker or grounding speaker wires to the metal body of the car can cause this unit to fail.
- After installation, check that the brake lamps, turn signal lamps and windshield wipers work properly.

Controls

❶ Input sensitivity control (INPUT SENS)
Set this control according to the pre-output level of the HEAD UNIT connected with this unit.
NOTE
For the pre-output level, refer to the “Specifi cations” in the instruction manual of the HEAD UNIT.
❷ BASS BOOST LEVEL control
Sets the low frequency level to be compensated.
❸ BASS BOOST frequency switch (BASS BOOST FREQ)
Sets the center frequency around which the low frequency range should be boosted.
❹ LPF frequency control (LPF FREQ)
This control adjusts the frequency band output from this unit.
❺ Volume control knob (Remote controller)
TO OUR VALUED CUSTOMER
THANK YOU FOR PURCHASING THIS JVC PRODUCT.
WE WANT TO HELP YOU ACHIEVE A PERFECT EXPERIENCE.
NEED HELP ON HOW TO HOOK UP?
NEED ASSISTANCE ON HOW TO OPERATE?
NEED TO LOCATE A JVC SERVICE CENTER?
LIKE TO PURCHASE ACCESSORIES?
JVC IS HERE TO HELP!
TOLL FREE: 1 (800)252-5722
http://www.us.jvckenwood.com
Remember to retain your Bill of Sale for Warranty Service.
Do not attempt to service the product yourself
Caution
To prevent electrical shock, do not open the cabinet.
There are no user serviceable parts inside.
Please refer to qualified service personnel for repairs.
PRODUCT REGISTRATION
We suggest that you register your product since it will enable us to contact you directly if it is ever necessary to correct a safety related condition in your product.
You can register at http://www.us.jvckenwood.com
Please note that failure to register does not diminish any of your rights during the warranty period.
LIMITED WARRANTY
ONLY FOR PRODUCT PURCHASED IN U.S.A.
JVCKENWOOD USA Corporation warrants thi s product and all parts thereo f, except as set forth be low ON LY TO THE ORIGINAL RETA IL PURCHASER to be FREE FROM DEFECTIVE MATERIALS AND WORKMANSHIP from the date of original purchase for the period shown below. (“The Warranty Period”)
PARTS 2 YRS/ LABOR 2 YRS: Car audio ARSENA L series
PARTS 1 YR/ LABOR 1 YR : Al l other car audio roducts
THIS LIMITED WARRANTY IS VALID ONLY IN THE FIFTY (50) UNITED STATES, THE DISTRICT OF COLUMBIA AND IN THE COMMONWEALTH OF PUERTO RICO.
WHAT WE WILL DO:
If this product is found to be defective within the warranty period, JVC will repair or replace defective parts with new or rebuilt equ ivalents at no charge to the original owner. Such repair and replacement services shall be rendered by JVC during normal business hours at JVC authorized service centers. Parts used for replacement are warranted only for the remainder of the Warranty Period. All products may be brought to a JVC authorized service center on a carry-in basis.
WHAT YOU MUST DO FOR WARRANTY SERVICE:
Please do not return your product to the retailer. Instead, return your product to the JVC authorized service center nearest you. If shipping the product to the service center, please be sure to package it carefully, preferab ly in the original packaging, and include a brief description of the problem(s) and a copy of the proof of purchase to verify purchase date. Please call 1-800-252-5722 to locate the nearest JVC authorized service center. Service locations can also be obtained from our website http://www.us.jvckenwood.com.
If you have any questions concerning your JVC Product, please contact our Customer Care Center at 800-252-5722
WHAT IS NOT COVERED:
This limited warranty provided by JVC does not cover:
- Products which have been subject to abuse, accident, alteration, modification, tampering, negl igence, misuse, faulty installation, lack of reasonable care, or if repaired or serviced by anyone other than a service facility authorized by JVC to render such service, or if affixed to any attachment not provided with the products, or if the model or serial number has been altered, tampered with, defaced or removed;
- Initial installation, installation and removal from cabinets or mounting systems.
- Operational adjustments covered in the Owner’s Manual, normal maintenance, video and audio head cleaning;
- Damage that occurs in shipment, due to act of God , and cosmetic damage;
- Signal reception problems and failures due to line power surge;
- User Removal Memory Devices/Video Pick-up Tubes/CC D Image Sensors are covered for 90 days from the date of pu rchase;
- Accessories;
- Batteries (except that Rechargeable Batteries are covered for 90 days from the date of purchase) ;
- Products used for commercial purposes, including, but not limited to rental.
- Loss of data resultant from malfunction of hard drive or other data storage device;
There are no express warranties except as listed above.
THE DURATION OF ANY IMPLIED WARRANTIES, INCLUDING THE IMPLIED WARRANTY OF MERCHANTABILITY, IS LIMITED TO THE DURATION OF THE EXPRESS WARRANTY HEREIN. JVC SHALL NOT BE LIABLE FOR ANY LOSS OF USE OF THE PRODUCT, INCONVENIENCE, OR ANY OTHER DAMAGES, WHETHER DIRECT, INCIDENTAL OR CONSEQUENTIAL (INCLUDING, WITHOUT LIMITATION , DAMAGE TO TAPES, RECORDS OR DISCS) RESULTING FROM THE USE OF THIS PRODUCT, OR ARISING OUT OF ANY BREACH OF THIS WARRANTY. ALL EXPRESS AND IMPLIED WARRANTIES, INCLUDING THE WARRANTIES OF MERCHANTABI LITY AND FITNESS FOR PARTICULAR PURPOSE, ARE LIMITED TO THE WARRANTY PERIOD SET FORTH ABOVE .
Some states do not allow the exclusion of incidental or consequential damages or limitations on how long an implied warranty lasts, so these limitations or exclusions may not apply to you . This warranty gives you specific legal rights and you may also have other rights which vary from state to state.
JVCKENWOOD USA Corporation
PO Box 22745, 2201 East Dominguez Street, Long Beach, CA90801-5745
http://www.us.jvckenwood.com
REFURBISHED PRODUCTS CARRY A SEPARATE WARRANTY, THIS WARRANTY DOES NOT APPLY. FOR DETAI L OF REFURBISHED PRODUCT WARRANTY, PLEASE REFER TO THE REFURBISHED PRODUCT WARRANTY INFORMATION PACKAGED WITH EACH REFURBISHED PRODUCT.
For customer use:
Enter below the Model No. and Serial No. which is located either on the rear, bottom or side of the cabinet . Retai n this information for future reference.
Model No.:…………
Serial No.:……………
Purchase date:………………….
Name of dealer:…………….

























