JVC KS-DR2104DBT Compact Bluetooth 4 Channel Digital Amplifier

Accessories
| 1 | Remote control unit ![]() | 1 | 4 | Self tapping screws
| 4 |
| 2 | Mounting bracket ![]() | 1 | 5 | Self tapping screws
| 1 |
| 3 | Double side adhesive tape ![]() | 1 | |||
Safety precautions
WARNING
To prevent injury or fire, take the following precautions
- Mounting and wiring this product requires skills and experience. For safety’s sake, leave the mounting and wiring work to professionals.
- To prevent a short circuit, never put or leave any metallic objects such as coins or metal tools inside the unit.
- If the unit starts to emit smoke or strange smells, turn off the power immediately and consult your JVC dealer.
- Do not touch the unit during use because the surface of the unit becomes hot and may cause burns if touched.
CAUTION
To prevent damage to the machine, take the following precautions
- Be sure the unit is connected to a 12 V DC power supply with a negative ground connection.
- Do not open the top or bottom covers of the unit.
- Do not install the unit in a spot exposed to direct sunlight or excessive heat or humidity.
- When replacing a fuse, only use a new one with the prescribed rating. Using a fuse with the wrong rating may cause your unit to malfunction.
- To prevent a short circuit when replacing a fuse, first disconnect the wiring harness.
NOTE
If you experience problems during installation, consult your VC dealer. If the unit does not seem to be working right, consult your VC dealer.
Cleaning the unit
If the front panel gets dirty, turn off the power and wipe the panel with a dry silicon cloth or soft cloth.
CAUTION
Do not wipe the panel with a hard cloth or a cloth dampened by volatile solvents such as paint thinner and alcohol. They can scratch the surface of the
panel and/ or cause the indicator letters to peel off.
To prevent battery rise
When the unit is used in the ACC ON position without turning the engine ON, it depletes the battery. Use it after starting the engine.
Protection function
The protection function is activated in the following situations
- This unit is equipped with a protection function for protecting this unit and your speakers from various accidents or problems that can occur.
- When the protection function is triggered, the amplifier stops operating.
- When a speaker wire may be short-circuited.
- When a speaker output contacts ground.
- When the unit malfunctions and a DC signal is sent to the speaker output.
- When the internal temperature is high and unit won’t operate.
- When detects a low impedance at the speaker connections.
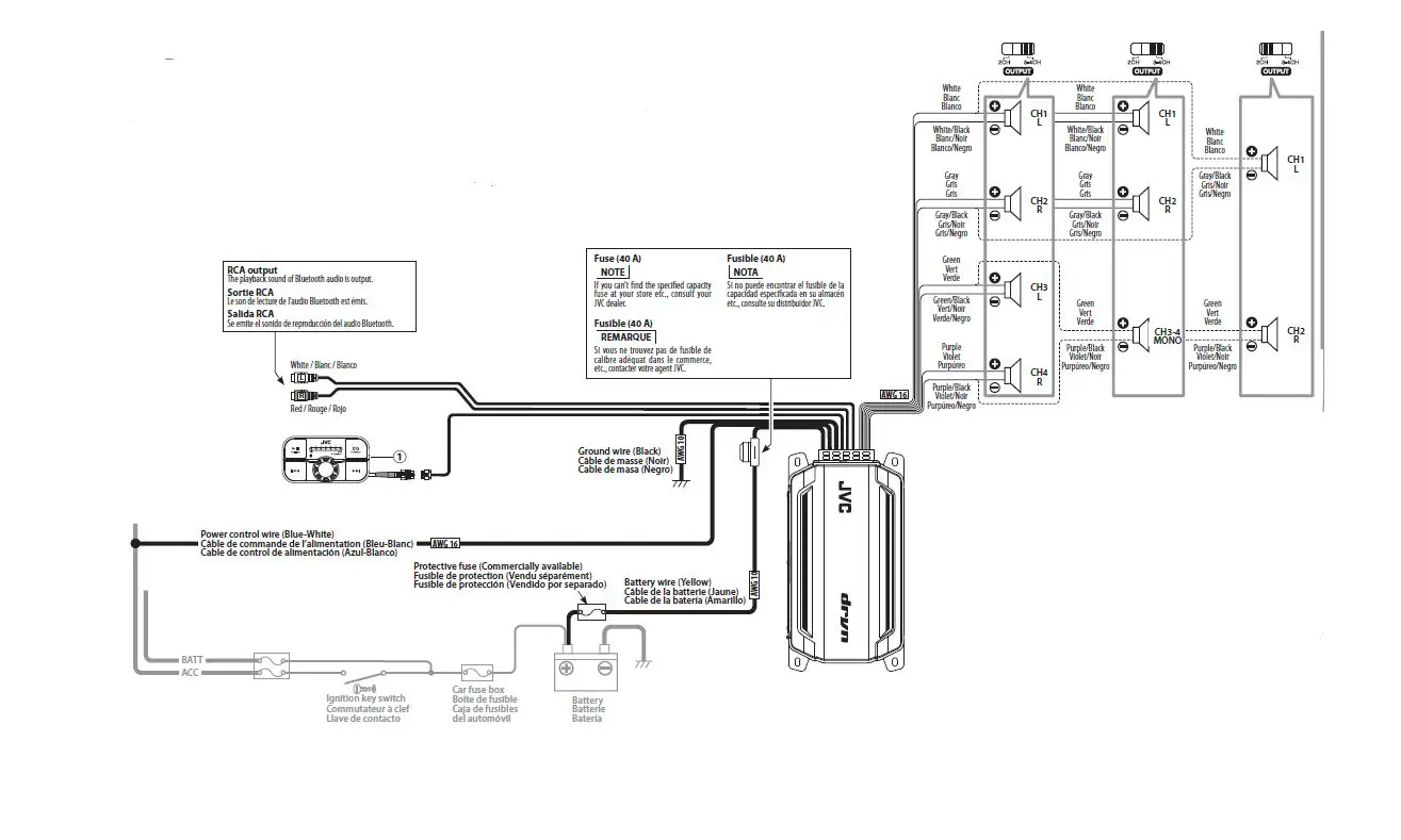
Wiring
If a buzzing noise is heard from the speakers when the engine is running connect a line noise filter (optional) to each of the battery wire. Do not allow the wire to directly contact the edge of the iron plate by using Grommets. Connect the ground wire to a metal part of the car chassis that acts as an electrical ground passing electricity to the battery’s negative terminal. Do not turn the power on if the ground wire is not connected. Be sure to install a protective fuse in the power cord near the battery. The protective fuse should be the same capacity as the unit’s fuse capacity or somewhat larger. When more than one power amplifier are going to be used, use a power supply wiring wire and protective fuse of greater current-handling capacity than the total maximum current drawn by each amplifier.
Speaker selection

Using speakers with smaller input ratings than the amplifier’s output power would result in smoke generation or equipment failure. The impedance of the speakers that are going to be connected should be 2 0 or greater for stereo connection, or 4 0 or greater for bridged connections. When more than one set of speakers are going to be used calculate the combined impedance of the speakers and then connect suitable speakers to the amplifier.
How to reset

Troubleshooting guide
Sound cannot be heard.
- Check the cords and connections.
- Protection circuit may be activated.
- Check connections Protection function
- Blown fuse.
- Replace the fuse.
- The speaker cord is shorted. After check the speaker cord and fixing the cause of the short, replace the fuse.
The sound quality is bad or The sound is distorted
Connect the speaker cord properly checking the / of the terminals and wires well. Connect the speaker cord again so that it is not pinched by anything.
No Bluetooth device is detected
Reset the unit How to reset.
Bluetooth pairing cannot be made
Delete pairing information from both the unit How to reset and the Bluetooth device, then perform pairing again. Sound is being interrupted or skipped during playback of a
Bluetooth audio player. Reduce the distance between the remote control unit and the Bluetooth audio player. Other Bluetooth devices might be trying to connect to the unit. The connected Bluetooth audio player cannot be controlled. Check whether the connected Bluetooth audio player supports Audio/ Video Remote Control Profi le (AVRCP). Disconnect and connect the Bluetooth player again.

Specifications
Specifications subject to change without notice.
Audio unit
- Max power output: 600 W
- Rated power output (+B = 14.4V)
- Stereo (4 Ω):50 W × 4 (20 Hz–20 kHz, ≤ 1.0 % THD)
- Stereo (2 Ω):75 W × 4 (1 kHz, ≤ 1.0 % THD)
- Bridged (4 Ω):150 W × 2 (1 kHz, ≤ 1.0 % THD)
- Speaker impedance:4 Ω (2 Ω to 8 Ω allowable)
- Bridged connection: 4 Ω to 8 Ω allowable)
- Frequency response (+0, –3 dB):10 Hz–20 kHz
- Signal to noise ratio:89 dB
- Low pass filter frequency (–12 dB/oct.):50 Hz–200 Hz (variable)
- High pass filter frequency (–12 dB/oct.):50 Hz–200 Hz (variable)
- Preout: 5V (Max.)
Bluetooth
- Version:Bluetooth Ver.5.0
- Frequency range:2,402 GHz–2,480 GHz
- RF output power (E.I.R.P.):+4 dBm Max, Power Class 2
- Profile:A2DP (Advanced Audio Distribution Profile)
- AVRCP Audio/Video Remote Control Profile
General
- Operating voltage:12 V DC car battery
- Current consumption: 26 A
- Operational temperature range: –10˚C – 60˚C
- Dimensions (W × H × D):198 × 48.5 × 104 mm
- 7-13/16 × 1-15/16 × 4-1/8 inch Weight 1.6 kg (3.5 lbs)
- Water proof & Dust proof:P66, IP67
Dimensions



Installation
Installing the unit
Installation board, etc. (thickness : 15 mm or more

Installing the remote control unit
Surface Mount
Flush Mount

Handle Mount

Installation procedure
- Remove the ignition key and discon nect the negative0 terminal of the battery to prevent short circuits.
- Connect the battery wire.
- Connect the ground wire to chassis ground of vehicle.
- Connect the power control wire.
- Connect the speakers.
- Connect the remote control unit.
- Attach the unit.
- Connect the negative0 terminal of the battery.
- Remove the Dressing panel. 1O.Set the unit according to the intended usage FADER, FILTER, OUTPUT.
- Fix the Dressing panel with screws securely.
CAUTION
Do not install in the below locations.
Unstable location
In a location that interferes with driving, In a location that gets wet, In a dusty location, In a place that gets hot, In a place that gets direct sunlight, In a location that
gets hit by hot air. Do not install the unit under the carpet. Otherwise heat build up occurs and the unit may be damaged. Install this unit in a location which allows heat to easily dissipate. Once installed, do not place any object on top of the unit. The surface temperature of the amplifier will become hot during use. Install the amplifier in a place where people, resins, and other substances that are sensitive to heat will not come into contact with it. When making a hole under a seat, inside the trunk, or somewhere else in the vehicle, check that there is nothing hazardous on the opposite side such as a gasoline tank, brake pipe, or wiring harness, and be careful not to cause scratches or other damage. Do not install near the dashboard, rear tray, or air bag safety parts. The installation to the vehicle should securely fasten the unit toa place in which it will not obstruct driving. If the unit comes off due to a shock and hits a person or safety part, it may cause injury or an accident. After installing the unit, check to make sure that elec trical equipment such as the brake lamps, turn signal lamps and windshield wipers operate normally. In order to secure the Water-proof & Dust proof per formance IP67&1P66 of this product, use it with the dressing panel firmly attached. If the dressing panel is not installed properly, dust and water may enter and cause a malfunction.

For U.S.A.
- Contains Transmitter Module FCCID: ZWY3008X
- IC: 12033A-3008X
- This transmitter must not be co-located or operated in conjunction with any other antenna or transmitter.
FCC CAUTION
Changes or modifications not expressly approved by the party responsible for compliance could void the user’s authority to operate the equipment.
NOTE:
This equipment has been tested and found to comply with the limits for a Class B digital device, pursuant to part 15 of the FCC Rules. These limits are designed to provide reasonable protection against harmful interference in a residential installation. This equipment generates, uses and can radiate radio frequency energy and, if not installed and used in accordance with the instructions, may cause harmful interference to radio communications. However, there is no guarantee that interference will mot occur in a particular installation. If this equipment does cause harmful interference to radio or tele-vision reception, which can be determined by turning the equipment off and on, the user is encouraged to try to correct the interference by one or more of the following measures
- Reorient or relocate the receiving antenna.
- Increase the separation between the equipment and receiver.
- Connect the equipment into an outlet on a circuit different from that to which the receiver is connected.Consult the dealer or an experienced radio /TV technician for help.
For U.S.A and Canada
CAUTION
This equipment complies with FCC/ IC radiation exposure limits set forth for an uncontrolled environment and meets the FCC radio frequency (RF) Exposure Guidelines and RSS-102 of the IC radio frequency (RF) Exposure rules. This equipment should be installed and operated keeping the radiator at least 20 cm or more away from person’s body.
Supplier’s Declaration of Conformity
- Trade Name: JVC
- Products: COMPACT BLUETOOTH 4 CHANNEL DIGITAL AMPLIFIER Model Name: KS-DR2104DBT
- Responsible Party: JVCKENWOOD USA CORPORATION 2201 East Dominguez Street,
- Long Beach, CA 90810, U.S.A.
- PHONE: 310 639-9000
THIS DEVICE COMPLIES WITH PART 15 OF THE FCC RULES. OPERATION IS SUBJECT TO THE FOLLOWING TWO CONDITIONS:
- THIS DEVICE MAY NOT CAUSE HARMFUL INTERFERENCE.
- THIS DEVICE MUST ACCEPT ANY INTERFERENCE RECEIVED.
Connections
WARNING
Remove the ignition key and disconnect the negative terminal of the battery to prevent short circuits.
In a computer-equipped vehicle, when you remove the NEGATIVE terminal of the battery, the memory may disappear, or a defect may occur in the electrical system of the vehicle. Consult your dealer for further details
NOTE
After wiring, be sure to insulate and waterproof the connection part.

WARNING
Particular attention must be given to making good electrical contact at the amplifier output and speaker terminals. Poor or loose connections can cause sparking or burning at the terminals because of the very high power that the amplifier can deliver.
CAUTION
If sound is not output normally, immediately turn power off and check connections. Be sure to turn the power off before changing the setting of any switch. If the fuse blows, check wires for shorts, then replace the fuse with one of the same rating. Check that no unconnected wires or connectors are touching the car body. Do not remove caps from unconnected wires or connectors to prevent short circuits. Connect the speaker wires to appropriate speaker connectors separately. Sharing the negative wire
of the speaker or grounding speaker wires to the metal body of the car can cause this unit to fail. After installation, check that the brake lamps, turn signal lamps and wind- shield wipers work properly.
Controls

This is a 4 channel amplifier including 2 stereo amplifiers in a body. One amplifier is referred to as amplifier for FRONT and the other is amplifier for REAR. This unit is compatible with a large variety of systems by combining the switches and functions described in the following.
FADER control
Adjusts the front and rear speaker output balance.
Filter frequency control (FILTER FREQ)
Sets the cutoff frequency when the FILTER switch is set to HPF or LPF.
FILTER switch
This switch allows to apply high pass or low-pass filtering to the speaker outputs.
HPF (High Pass Filter) position
The filter outputs the band of higher frequencies than the frequency set with the FILTER FREQ control.
OFF position
The entire bandwidth is output without filtering.
LPF Low Pass Filter position
The filter outputs the band of lower frequencies than the frequency set with the FILTER FREQ control.
OUTPUT mode switch
Selects the speaker output mode.
Bluetooth function

Supported Bluetooth profiles
- Advanced Audio Distribution Profile (A2DP)
- Audio/Video Remote Control Profile (AVRCP)
Supported Bluetooth codecs
- aptX Codec (aptX)
- Sub Band Codec (SBC)
- Advanced Audio Coding (AAC)
NOTE
Depending on theBluetooth version ofthedevice, some Bluetooth devices may not be able to connect to this unit. This unit may not work with some Bluetooth devices. Signal conditions vary, depending on the surroundings.
Names and functions
Opertion key
| To | Ontheremote control |
| Playback/ Pause | Press ► |
| Backward skip/ Forward skip | Press ◄◄/►► |
| Fastbackward/ Fast forward | Press and hold◄◄►► |
PAIRING key (Bluetooth Pairing)
EQ mode indicator
- FLAT, 2: HARD ROCK
- 3: POP
- 4: HIP HOP
- 5: R & B,
- 6: JA71
- 7: CLASSICAL
Volume indicator
EQkey
Selects a preset equalizer suitable to the music genre. Each press switches the modes as follows
- FLAT
- HARD ROCK
- POP
- HIP HOP
- R & B
- JA71
- CLASSICAL
PRE OUT key
Press and hold PRE-OUT to enter Pre-out level control mode.
PRE OUT indicator
Illumination will light up when the unit in Pre out level control mode.
Bluetooth illumination
Volume control knob
Turn the knob to adjust the volume.
Pre out level control knob
When PRE-OUT indicator 1±1 lights up, turn the knob to adjust the Pre-out level -50 dB MIN to+ 10 dB MAX. Press the knob to exitthe Pre-out level control mode.
Dimmer setting knob
Press and hold the knob to turn on or off the dimmer.
Pair and connect a Bluetooth device for the first time
Turn the ignition switch to the ACC ON. When listening the music on device [Al, pause the music on device [Bl, then play the music on device A. Bluetooth illumination blinks in red slowly and start paring.
Select RC WPAMPBT
Bluetooth illumination will light up in red. To cancel the paired device and enter searching mode again, press and hold PAIRING. Once pairing is completed, Bluetooth connection is established automatically. Bluetooth illumination blinks rapidly lights up. Up to five devices can be registered paired in total. If you pair more than 5 devices, the oldest registered device will be deleted.
Device Connection
A maximum of two Bluetooth audio device can be connected at any time.
- Connect the first Bluetooth device in advance.
- Playback starts on device automatically.
- Press and hold PAIRING.
- Bluetooth illumination blinks in red slowly and start paring.
- Select RC-WPAMPBT on your second Bluetooth device B.
- Bluetooth illumination will light up in red.
Pause the music on device.

Operate the device B to play music.

The Bluetooth word mark and logos are registered trademarks owned by Bluetooth SIG, Inc. and any use of such marks by JVCKENWOOD Corporation
is under license. Other trademarks and trade names are those of their respective owners. Qualcomm aptX is a product of Qualcomm Technologies, Inc. and/or its subsidiaries. Qualcomm is a trademark of Qualcomm Incorporated, registered in the United States and other countries. aptX is a trademark of Qualcomm Technologies International, Ltd., registered in the United States and other countries.

























