JVC KS-DR2004D Compact 4 Channel Digital Amplifier
Safety precautions
WARNING
To prevent injury or fi re, take the following precautions:
- Mounting and wiring this product requires skills and experience. For safety’s sake, leave the mounting and wiring work to professionals.
- To prevent a short circuit, never put or leave any metallic objects (such as coins or metal tools) inside the unit.
- If the unit starts to emit smoke or strange smells, turn off the power immediately and consult your JVC dealer.
- Do not touch the unit during use because the surface of the unit becomes hot and may cause burns if touched.
CAUTION
To prevent damage to the machine, take the following precautions:
- Be sure the unit is connected to a 12 V DC power supply with a negative ground connection.
- Do not open the top or bottom covers of the unit.
- Do not install the unit in a spot exposed to direct sunlight or excessive heat or humidity.
- When replacing a fuse, only use a new one with the prescribed rating. Using a fuse with the wrong rating may cause your unit to malfunction.
- To prevent a short circuit when replacing a fuse, first disconnect the wiring harness.
NOTE
- If you experience problems during installation, consult your JVC dealer.
- If the unit does not seem to be working right, consult your JVC dealer.
Cleaning the unit
If the front panel gets dirty, turn off the power and wipe the panel with a dry silicon cloth or soft cloth.
CAUTION
Do not wipe the panel with a hard cloth or a cloth dampened by volatile solvents such as paint thinner and alcohol. They can scratch the surface of the panel and / or cause the indicator letters to peel off .
To prevent battery rise
When the unit is used in the ACC ON position without turning the engine ON, it depletes the battery. Use it after starting the engine.
Protection function
The protection function is activated in the following situations:
This unit is equipped with a protection function for protecting this unit and your speakers from various accidents or problems that can occur. When the protection function is triggered, the amplifier stops operating.
- When a speaker wire may be short-circuited.
- When a speaker output contacts ground.
- When the unit malfunctions and a DC signal is sent to the speaker output.
- When the internal temperature is high and unit won’t operate.
- When detects a low impedance at the speaker connections.
Wiring
- If a buzzing noise is heard from the speakers when the engine is running, connect a line noise fi lter (optional) to each of the battery wire.
- Do not allow the wire to directly contact the edge of the iron plate by using Grommets.
- Connect the ground wire to a metal part of the car chassis that acts as an electrical ground passing electricity to the battery‘s negative terminal. Do not turn the power on if the ground wire is not connected.
- Be sure to install a protective fuse in the power cord near the battery. The protective fuse should be the same capacity as the unit’s fuse capacity or somewhat larger.
- When more than one power amplifier are going to be used, use a power supply wiring wire and protective fuse of greater current-handling capac-ity than the total maximum current drawn by each amplifier.
Speaker selection
- Using speakers with smaller input ratings than the amplifier’s output power would result in smoke generation or equipment failure.
- The impedance of the speakers that are going to be connected should be 2 Ω or greater (for stereo connections), or 4 Ω or greater (for bridged connections). When more than one set of speakers are going to be used, calculate the combined impedance of the speakers and then connect suitable speakers to the amplifier.
<Example>
Installation
Accessories
Dimensions 

Installation procedure
Read the instruction manual well to select the proper connection and setting.
- Remove the ignition key and disconnect the negative terminal of the battery to prevent short circuits.
- There are two options:
- Refer to “Connections” on the back side.
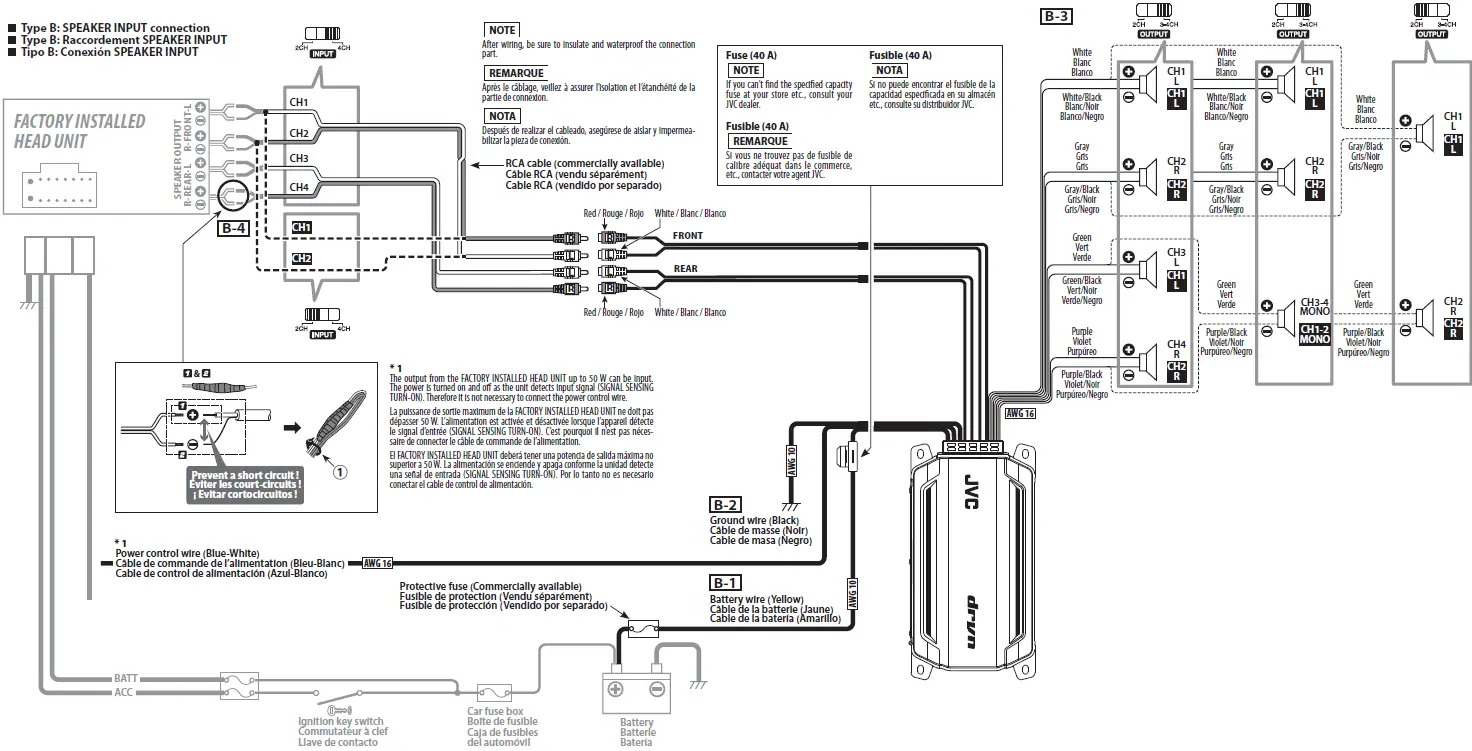
Type A: RCA INPUT connection - Connect the battery wire.
- Connect the ground wire to chassis ground of vehicle.
- Connect the power control wire.
- Connect the speakers.
- Connect the RCA cable.
Type B: SPEAKER INPUT connection - B-1 Connect the battery wire.
- B-2 Connect the ground wire to chassis ground of vehicle.
- B-3 Connect the speakers.
- Cut off the RCA cable, then connect the correct corresponding speaker output from the FACTORY INSTALLED HEAD UNIT directly.
- Refer to “Connections” on the back side.
- Attach the unit.
- Connect the negative terminal of the battery.
- Remove the Dressing panel.
- Set the unit according to the intended usage (FILTER, INPUT, OUTPUT).
- Fix the Dressing panel with screws securely.
CAUTION
- Do not install in the below locations;
(Unstable location, In a location that interferes with driving, In a location that gets wet, In a dusty location, In a place that gets hot, In a place that gets direct sunlight, In a location that gets hit by hot air) - Do not install the unit under the carpet. Otherwise heat build-up occurs and the unit may be damaged.
- Install this unit in a location which allows heat to easily dissipate. Once installed, do not place any object on top of the unit.
- The surface temperature of the amplifier will become hot during use. Install the amplifier in a place where people, resins, and other substances that are sensitive to heat will not come into contact with it.
- When making a hole under a seat, inside the trunk, or somewhere else in the vehicle, check that there is nothing hazardous on the opposite side such as a gasoline tank, brake pipe, or wiring harness, and be careful not to cause scratches or other damage.
- Do not install near the dashboard, rear tray, or air bag safety parts.
- The installation to the vehicle should securely fasten the unit to a place in which it will not obstruct driving. If the unit comes off due to a shock and hits a person or safety part, it may cause injury or an accident.
- After installing the unit, check to make sure that electrical equipment such as the brake lamps, turn signal lamps and windshield wipers operate normally.
- In order to secure the Water-proof & Dust-proof performance (IP67&IP66) of this product, use it with the dressing panel firmly attached. If the dressing panel is not installed properly, dust and water may enter and cause a malfunction.

Troubleshooting Guide
What might appear to be a malfunction in your unit may just be the result of slight misoperation or miswiring. Before calling service, fi rst check the following table for possible problems.
| PROBLEM | POSSIBLE CAUSE | SOLUTION |
| No sound. (No sound from one side.) (Blown fuse.) |
|
|
| The output level is too small (or too large). |
|
|
| The sound quality is bad. (The sound is distorted.) |
|
|
Specifications
Specifications subject to change without notice.
Audio unit
Max power output …………………………………………………………………….600 W
Rated power output (+B = 14.4V)
Stereo (4 Ω) …………………………….50 W × 4 (20 Hz–20 kHz, ≤ 1.0 % THD)
Stereo (2 Ω) ………………………………………..75 W × 4 (1 kHz, ≤ 1.0 % THD)
Bridged (4 Ω) ……………………………………150 W × 2 (1 kHz, ≤ 1.0 % THD)
Speaker impedance ……………………………………….. 4 Ω (2 Ω to 8 Ω allowable)
(Bridged connection: 4 Ω to 8 Ω allowable)
Frequency response (+0, –3 dB)……………………………………….10 Hz–35 kHz
Input sensitivity (RCA)…………………………………………………………0.2 V–5.0 V
Signal to noise ratio ……………………………………………………………………89 dB
Input impedance ………………………………………………………………………..10 kΩ
Low pass filter frequency (–12 dB/oct.) ……………..50 Hz – 200 Hz (variable)
High pass filter frequency (–12 dB/oct.) …………….50 Hz – 200 Hz (variable)
General
Operating voltage ……………………………………………………12 V DC car battery
Current consumption ……………………………………………………………………26 A
Operational temperature range………………………………………… –10˚C – 60˚C
Dimensions (W × H × D) ………………………………………198 × 48.5 × 104 mm
7-13/16 × 1-15/16 × 4-1/8 inch
Weight ……………………………………………………………………….. 1.3 kg (2.9 lbs)
Water-proof & Dust-proof ……………………………………………………..IP66, IP67
WARNING
Particular attention must be given to making good electrical contact at the amplifier-output and speaker terminals. Poor or loose connections can cause sparking or burning at the terminals because of the very high power that the amplifier can deliver.
CAUTION
- If sound is not output normally, immediately turn power off and check connections.
- Be sure to turn the power off before changing the setting of any switch.
- If the fuse blows, check wires for shorts, then replace the fuse with one of the same rating.
- Check that no unconnected wires or connectors are touching the car body. Do not remove caps from unconnected wires or connectors to prevent short circuits.
- Connect the speaker wires to appropriate speaker connectors separately. Sharing the negative wire of the speaker or grounding speaker wires to the metal body of the car can cause this unit to fail.
- After installation, check that the brake lamps, turn signal lamps and windshield wipers work properly.

Controls
This is a 4 channel amplifier including 2 stereo amplifiers in a body. One amplifier is referred to as amplifier CH1-2 (for FRONT) and the other is amplifier CH3-4 (for REAR). This unit is compatible with a large variety of systems by combining the switches and functions described in the following.
- Input sensitivity control (INPUT SENS) (CH.1-2 / CH.3-4)
Set this control according to the pre-output level of the HEAD UNIT connected with this unit.
NOTE
For the pre-output level, refer to the “Specifications” in the instruction manual of the HEAD UNIT. - Filter frequency control (FILTER FREQ) (CH.1-2 / CH.3-4)
Sets the cutoff frequency when the “FILTER” switch is set to “HPF” or “LPF”. - INPUT mode switch
Selects the input mode. Refer to “Connections”. - FILTER switch (CH.1-2 / CH.3-4)
This switch allows to apply high-pass or low-pass filtering to the speaker outputs.- HPF (High-Pass Filter) position:
The filter outputs the band of higher frequencies than the frequency set with the “FILTER FREQ” control. - OFF position:
The entire bandwidth is output without filtering. - LPF (Low-Pass Filter) position:
The filter outputs the band of lower frequencies than the frequency set with the “FILTER FREQ” control.
- HPF (High-Pass Filter) position:
- OUTPUT mode switch
Selects the speaker output mode. Refer to “Connections”.
For U.S.A.
FCC CAUTION
Changes or modifications not expressly approved by the party responsible for compliance could void the user’s authority to operate the equipment.
NOTE:
This equipment has been tested and found to comply with the limits for a Class B digital device, pursuant to part 15 of the FCC Rules. These limits are designed to provide reasonable protection against harmful interference in a residential installation. This equipment generates, uses and can radiate radio frequency energy and, if not installed and used in accordance with the instructions, may cause harmful interference to radio communications. However, there is no guarantee that interference will not occur in a particular installation. If this equipment does cause harmfuI interference to radio or television reception, which can be determined by turning the equipment off and on, the user is encouraged to try to correct the interference by one or more of the following measures:
- Reorient or relocate the receiving antenna.
- Increase the separation between the equipment and receiver.
- Connect the equipment into an outlet on a circuit different from that to which the receiver is connected.
- Consult the dealer or an experienced radio /TV technician for help.
Supplier’s Declaration of Conformity
Trade Name: JVC
Products: COMPACT 4 CHANNEL DIGITAL AMPLIFIER
Model Name: KS-DR2004D
Responsible Party: JVCKENWOOD USA CORPORATION
2201 East Dominguez Street, Lo1 ng Beach, CA 90810, U.S.A.
PHONE: 310 639-9000
THIS DEVICE COMPLIES WITH PART 15 OF THE FCC RULES. OPERATION IS SUBJECT TO THE FOLLOWING TWO CONDITIONS:
- THIS DEVICE MAY NOT CAUSE HARMFUL INTERFERENCE, AND
- THIS DEVICE MUST ACCEPT ANY INTERFERENCE RECEIVED, INCLUDING INTERFERENCE THAT MAY CAUSE UNDESIRED OPERATION.























