POTTER RDC-9 Retractable Mini Cord Owner’s Manual
- UL and ULC listed
- Available in brown or ivory
Application
The RDC-9 Retractable Mini Cord is a UL listed, surface mount cord used to transfer protection to moving objects. The RDC-9 is perfect for connecting a glass sensor, vibration sensor, window foil, etc.
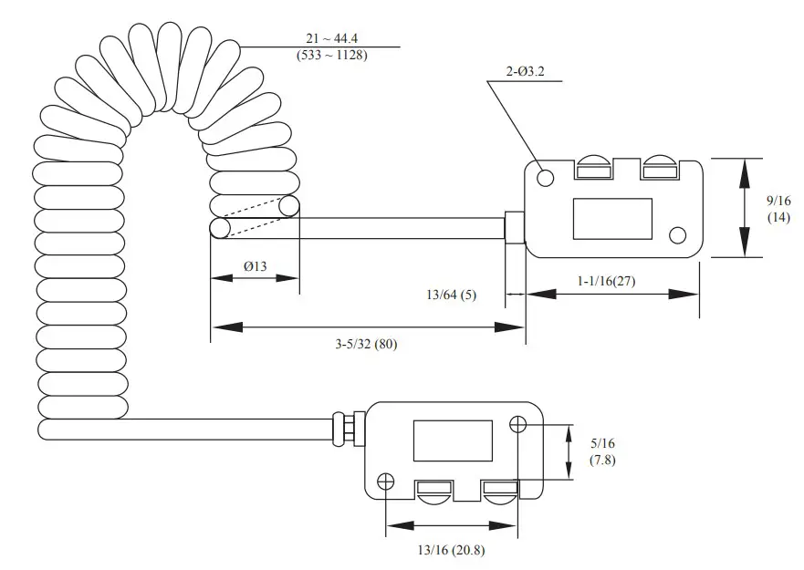
Dimensions

Application

Specifications
| Model | Color | Stock Number | Cord Length (Normal) | Cord Length (Max.) | Voltage (Normal) | Voltage (Max) | Current Rating (Normal) | Current Rating (Max) |
| RDC-9 | Brown | 4300036 | 21” | 44” | 130V | 300V | 50mA | 2A |
| Ivory | 4300037 |



















