NORDCAP KGW GR-127-70-Z Combo Display Cold/Hot Remote Cooling

Cold Store Controller
Product Information and Usage Instructions
Product Description
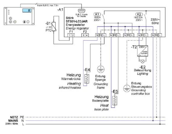
The Cold Store Controller ST501-LC3JAR.XXF is an energy regulator for infrared heaters. It comes with a cycling output (PWM) and has 2 regulated output connections. The controller is supplied with 230V AC and offers the following features:
- Providing heating power via Pulse-width modulation
- Heat-up phase with full heating power
- Cut-off at over temperature
- Reduction of heating power at approximation to the cut-off temperature (Proportional band)
By changing the parameter ‘A1’, the energy regulator can also be used as a standard thermostat relay.
Connecting Diagram

Keys
- Key UP: Pressing this key increases the parameter or parameter value.
- Key DOWN: Pressing this key decreases the parameter or parameter value. At alarm, the buzzer function can be switched off with this key.
- Key A: Pressing this key executes the function referring to parameter A85.
- Key B: Pressing this key executes the function referring to parameter A86.
- Key SET: While this key is pressed, the setpoint is indicated. In addition, this key is used for setting parameters.
- Key Standby: Standby is used for switching the controller on or off. After power interruption, the controller function returns to its previous condition.
Parameter Setting of the Setpoint
To set the desired temperature setpoint, follow these steps:
- Press the SET key to enter the parameter setting mode.
- Use the UP and DOWN keys to set the desired temperature setpoint.
- Press the SET key again to save the setpoint.
Programming Instruction Wiring Diagram
For specialized dealers and service technicians only! The warranty is not guaranteed if the instructions provided in the manual are neglected. Please refer to pages 3-36 of the manual for detailed programming instructions and wiring diagram.
Controller
Product description

The Controller ST501-LC3JAR.XXF come with a cycling output (PWM) and works as energy regulator for infrared heaters. This controller has 2 regulated output connections, is supplied with 230V AC and offers following features:
- Providing heating power via Pulse-width modulation
- Heat-up phase with full heating power
- Cut-off at over temperature
- Reduction of heating power at approximation to the cut-off temperature (Proportional band).
By changing the parameter „A1“ the energy regulator can be used as standard thermostat relay
Connecting diagram

Keys
Key UP
Pressing this key you can increase the parameter or parameter value.
Key DOWN
Pressing this key you can decrease the parameter or parameter value. At alarm the buzzer function can be switched off with this key.
Key A
Pressing this key executes the function referring to parameter A85.
Key B
Pressing this key executes the function referring to parameter A86.
Key SET
While this key is pressed, the setpoint is indicated. In addition, this key is used for setting parameters.
Key Standby
Standby is used for switching the controller on or off. After power interruption, the controller function returns to its previous condition.
First control level
PARAMETER SETTING OF THE SETPOINT
The setpoint is regulated in different ways, depending on the mode defined by parameter A1:

- Depending on the operating mode (A1), not all shown parameters are active. The following descriptions and tables show Mode T for operation mode as thermostat (A1=0-2) and Mode E for operation mode as energy regulator (A1=3-4).
- Pressing the SET key shows the value of the respective parameter. Additionally pressing the UP or DOWN key adjusts the value.
- In operating mode A1=0 and A1=1 a setpoint change-over (function “Setpoint S1′ enable ‘) can be performed at corresponding parameter settings in A81/A82 with the switching input E1/E2 .
- At closed inputs E1 or E2 the controller regulates to the modified setpoint S1′ and by pushing the SET button setpoint S1′ is shown.
- S1′ can be defined as difference to setpoint S1 or as an absolute Setpoint (see parameter A33).
- In operating mode A1=2 the relay is operated according to the parameter settings A30, P30, P31 and P32 in case of an alarm.
- In operating mode A1=3 the relay is operated according to the setting in S2 and P20. The maximum output signal is adjusted by the setting in P29 and the display shows the value of P25.
- The minimum output signal is adjusted by the setting in P28. The corresponding display is specified in P24. When Turbo mode is activated the maximum output signal is set to P29 for the time in P22. After this the setting according to S2 takes effect automatically.
- In operating mode A1=4 an upper temperature limit (P26) is set by using sensor F1.
- The energy level is reduced proportionally in the area (P26-P27). Power supply is stopped at temperatures higher than P26 (display 0).

Second control level (P-parameters)
SETTING OF CONTROL PARAMETERS
- Simultaneously pressing the UP and DOWN key for at least 4 seconds opens a parameter list containing control parameters (starting at P0).
- With the UP and DOWN keys the list can be scrolled in both directions.
- Pressing the SET key will give you the value of the respective parameter. Additionally pressing the UP or DOWN key adjusts the value.
- After releasing all keys, the new value is saved permanently.
- Return to the initial display is performed automatically, if no key is pressed for 60 seconds, or by simultaneously pressing the UP and DOWN keys for approx. 4 seconds.
- The column “Mode” shows the parameters in reference to operation Mode A1.
- Applies for: A1=0-2 in Mode T, A1=3-4 in Mode E


PARAMETER DESCRIPTION
P0: current actual value sensor F1
Here the actual value of sensor F1 is displayed. This parameter is useful to make an offset correction by parameter P6.
P2: Hysteresis contact K1 (only for mode T)
The hysteresis can be set symmetrically or one-sided at the setpoint (see A40).
At one-sided setting, the hysteresis works downward with heating contact and upward with cooling contact. At symmetrical hysteresis, half of the hysteresis’ value is effective below and half of the value above the switching point (see fig. 1 and 2).
P4: Setpoint S1: lower limitation (only for mode T)
P5: Setpoint S1: upper limitation (only for mode T)
The adjustment range of the setpoint can be limited in both directions.
This is to prevent the end user of a unit from setting inadmissible or dangerous setpoints.
P6: Process value correction
This parameter allows the correction of actual value deviations caused for example by sensor tolerances or extremely long sensor lines. The regulation measure value is increased or decreased by the here adjusted value.
P19: Key-lock
The key-lock allows blocking of the control keys. In locked condition parameter adjustments with keys are not possible. At the attempt to adjust the parameters despite key-lock the message “—” appears in the display.
P20: Cycle time (only for mode E)
This time ist he sum of an „ON time“ and an „OFF time“ in heating mode. (PWM base time)
P21: Heating-up time after Mains On (only for mode E)
- When controller is switched on, the heater is set to maximum power level for the time entered here. After expiry of the time energy level is switched to the value of Setpoint S2.
- P22: max. time for Turbo-mode (only for mode E)
- When the controller is switched to Turbo mode, the heater is set to maximum power level for the time entered here.
- After expiry of the time energy level is switched to the energy level value of Setpoint S2.
- P24: Setpoint S2: lower limitation (only for mode T)
- P25: Setpoint S2: upper limitation (only for mode T)
- The setting range of setpoint S2 can be limited downwards and upwards.
- This will prevent an end customer to set forbiden or dangerous points.
- The corresponding output signal is set in parameters P28 (min) and P29 (max).
- P26: Switch-off temperature (only for mode E)
- P27: Switch-off temperature (only for mode E)
- In operating mode A1=4, power controller with temperature limit, the energy of P26 to P27 is controlled proportionally. Above the temperature of
- P26, the energy supply is locked, i.e. 0.
- P30: Lower alarm value (only for mode T)
- P31: Upper alarm value (only for mode T)
- The output alarm is a boundary alarm or a range alarm with hysteresis (see parameter P32).
- Both at the boundary alarm and the range alarm, limit values can be relative, i.e. going along with the setpoint, or absolute, i.e. independent of the setpoint.
- At boundary alarm the hysteresis works one-sided inwardly, and at range alarm outwardly.
- P32: Alarm hysteresis, one sided (only for mode T)
- Hysteresis is set one-sided at the adjusted limit value. It becomes effective depending on alarm definition.
- d0: Defrosting interval (only for mode T)
- The “defrosting interval” defines the time, after which a defrosting process is started. After each defrosting start, this time is reset and runs the next interval.
- d2: Defrosting temperature limit (only for mode T)
- This permits to terminate defrosting when the adjusted desired temperature value is reached. The defrosting time set with “d3” nevertheless runs at the same time, i.e. it functions as safety net to terminate the defrosting process in case the defrosting temperature is not reached.
- d3: Defrosting time limit (only for mode T)
- After the here set time the defrosting process is terminated.
Third control level (A-parameters)
SETTING OF CONTROL PARAMETERS
- Access to the third control level is granted when selecting the last P-parameter (d3) on the second control level. Continue to press the UP key for approximately 10 seconds until “PA” appears at the display.
- Continue to press the UP key and additionally press the DOWN key for about 4 seconds and the first A-parameter of the third control level is indicated.
- With the keys UP and DOWN you can scroll the list in both directions.
- Pressing the SET key will give you the value of the respective parameter.
- Additionally pressing the UP or DOWN key adjusts the value.
- By releasing all keys the new value is saved permanently.
- Return to the initial position takes place, if no key is pressed for 60 seconds, or by simultaneously pressing the UP and DOWN key for approx. 4 seconds.
- The column “Mode” shows the parameters in reference to operation Mode A1.
- Applies for: A1=0-2 in Mode T, A1=3-4 in Mode E.






PARAMETER DESCRIPTION
A1: Operation mode
Depending on the operating mode, not all parameters are effective. In the descriptions and tables mode T appears by specifying the thermostat operation type and mode E for the energy regulator. The mode for the controller is adjustable as follows:

A3: Function at sensor failure (only for mode T)
At sensor failure the controller contact is set to state of A3. If an error in the parameter memory is detected (display EP) and therefore the saved settings can not be used, all relays are set to deenergized state.
A8: Display mode (only for mode T)
The process value can be indicated in integrals or with decimals in 0,5°C or 0,1°C. At indication in 0,5°C the value is rounded up or down.In general, all parameter indications are presented at 0,1°C resolution. In mode E the ressult always is indicated in integrals.
A19: Parameter lock
This parameter enables locking of each parameter level. If third level is locked, only parameter A19 may be changed. This parameter enables locking of each parameter level. If third level is locked, only parameter A19 may be changed. When attempting to adjust the parameters despite key lock, the message „—” appears on the display.
A30: Alarm mode (only for mode T)
The alarm output evaluates an upper and a lower limit value (see parameters P30 and P31), whereas a selection is possible as to whether the alarm is active if the temperature is inbetween these two limits, or whether the alarm is released if the temperature is beyond them. In the case of sensor error, the alarm is activated independently of this adjustment.
A31: Special function at alarm
Here can be selected whether, in the case of an alarm, the indication to flash and/or the buzzer is to start. An alarm is acknowledged by pressing the DOWN key. The buzzer can be muted independently of a present alarm.
A32: Display mode
A32=0 indicates the actual value, A32=1 statically indicates the setpoint S1 or S1’ in the display.
A33: Mode of setpoint S1‘ (only for mode T)
The modified setpoint S1′ is either defined as difference to the setpoint S1 (relative to S1) and at change of S1 tracked at the same distance, or it is defined as the independent absolute value of S1.
A40: Hysteresis mode controller (only for mode T)
This parameter allows to select whether the hysteresis value is set symmetrically or onesided at the respective switching point. At symmetrical hysteresis, half of the hysteresis’ value is effective below and half of the value above the switching point. The onesided hysteresis works downward with heating contact and upward with cooling contact.
A50/A51: Minimum time controller contact „On“ and „Off“ (only for mode T)
These parameters permit a delay in switching on/off the relay in order to reduce the switching frequency. The adjusted time sets the entire minimum time period for a switching-on or switching-off phase. This time is effective even when configured as alarm contact.
A54: Delay after “Power-on” (only for mode T)
This parameter allows a switching-on delay of relays after switching-on the mains voltage. Thus, an overload of the power supply by simultaneous switching of many consumers can be avoided.
A56: Alarm suppression after “Power-On” or change of setpoint (only for mode T)
After switching on the control a certain time passes until the operating temperature is reached, especially in cooling mode. It would cause an unwanted alarm.
This parameter allows a switching-on delay of the alarm contact after switching on the mains voltage or setpoint change-over. (S1 <-> S1′).
A60: Sensor type
Selection of sensors. In operation mode A1=3 this setting is ignored.
A70: Software filter
With several measuring values, it is possible to obtain an average value.
A80: Temperature scale
Indication can be switched between Fahrenheit and Celsius. At conversion, the parameters and setpoints maintain their numerical value and adjustment range. (Example: A controller with the desired value of 0°C is switched to Fahrenheit. The new desired value is then interpreted as 0°F, which corresponds to a temperature of -18°C).
A81: Function E1
A82: Function E2
The function of the corresponding switching input is set in this parameter.
- the switching input is not evaluated
- Via external contact E1 the control can be switched on or off (standby). If at the same time also A81=1 AND A82=1 is set, then both functions are parallel and the last executed switch request is valid.
- The external contact E1 switches from setpoint S1 to a modified setpoint S1′ (see A33)
A85 Function key 4: Function key A
A86 Function key 5: Function key B
- no function
- actual value will be indicated if A32=1, otherwise no function
- Setpoint S1 is switched to setpoint S1’ (see A33)
- Relay direct (example: for light), at Standby relay is off
- Relay direct (example: for light), independent from Standby
- Turbo, only in Mode E, der controller iss et to max. energy level. The maximum time can be set in parameter P22.
The maximum energy level is given by the parameter P25 and the output signal by the parameter of P29.
Note: Is a setting other than 3 or 4 selected, K2 switches together with the controller on/off.
A87: Function standby key
The function of the Standby key (if present) is adjusted in this parameter.
L0: Adress in the ST-Bus-Net
With this parameter, the address of the device is set. Therewith the regulator can be responsed in the ST-bus network.



- Sensor error messages are stored and also shown when error is eliminated.
- By pressing DOWN-key the error message can be cancelled.
Cold store controller
Product and programming description


Product description
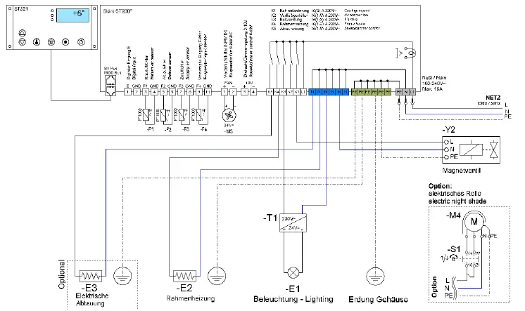
The ST200 cold storage controller is used for thermostatic temperature control. The controller can be supplied with 100… 240V AC 50/60 Hz and has five output relays that can be freely programmed to control a compressor, an evaporator fan, lighting or other necessary outputs. It is operated either directly on the box or via a separately connectable display. The control has a three-digit display and three operating buttons. The parameters are set on different operating levels, where access is becoming increasingly difficult for security reasons. The controller is networked using an ST-Bus or Modbus interface.
CONTROL KEYS
Key 1: UP
Pressing this button increases the parameter or parameter value. Pressing the button for 10 seconds triggers an unscheduled defrosting of the refrigeration system.
Key 2: DOWN
Pressing this button reduces the parameter or parameter value.
Key 3: SET
The setpoint is displayed by pressing the SET button. Pressing the button for 10 seconds switches the controller into standby mode
The refrigeration controller is always operated using the UP and DOWN and SET buttons. The standard display shows the temperature of the refrigerator compartment (actual temperature). Pressing the SET key switches the display to the cold store temperature desired by the user (setpoint temperature).
The setpoint temperature can only be changed by simultaneously pressing the SET and UP or SET and DOWN buttons. The changed setpoint can be read off the display while the button is pressed. After changing the setpoint temperature and releasing the buttons, the actual value temperature appears again in the display. This is the standard value setting method.
SETTING THE MAIN SET POINT
Press the SET key to display the setpoint.
If the setpoint is to be changed, keep the SET key pressed for the duration of the setting and set the desired value with the UP or DOWN keys. Always release the UP or DOWN key after setting, then only the SET key.
Note that the setpoint can only be changed within the set setpoint limits.
PROGRAMMING
The parameterization of the cooling point controller is carried out at the factory or by a specialist when commissioning a cooling system. Incorrect or improper parameterization can lead to malfunctions and thus damage to the refrigerated goods. The parameter setting can only be made with the help of one or more passwords. The parameterization can be carried out at any time. The control is not interrupted during the parameterization, but can directly influence it. If no button has been pressed for 2 minutes, the process is canceled and the actual value is displayed again.
The parameterization is started by pressing the UP and DOWN keys simultaneously. After approx. 3 seconds the code word
appears on the display. You can switch between the code words
, and
by pressing the UP or DOWN key.
All other settings or value specifications in the parameterization level are made using the general method of setting the values, i.e. by simultaneously pressing the SET and UP or DOWN keys.
You can scroll through the parameter group with the UP and DOWN keys or change individual parameter values with the standard value setting method. By simultaneously pressing the UP and DOWN keys it is possible to leave a parameter group and return to the list of parameter groups. You can exit the list of parameter groups to the standard level by pressing the UP and DOWN keys simultaneously.
A special case is the blocking of a certain parameter group with a password. In this case, as when entering the parameterization level, the first thing that is expected is the entry of a specific password for the parameter group.
![]()
Selecting the code word
and entering the password
takes you directly to a list of predefined parameters.

After selecting a parameter group, it is usually sufficient to press the SET key (
appears on the display) and then release the key. Then the first parameter of the parameter group appears (for example in parameter group
the parameter
).
You can scroll through the parameter group with the UP and DOWN keys or change individual parameter values with the standard value setting method. By simultaneously pressing the UP and DOWN keys it is possible to leave a parameter group and return to the list of parameter groups. You can exit the list of parameter groups to the standard level by pressing the UP and DOWN keys simultaneously.A special case is the blocking of a certain parameter group with a password. In this case, as when entering the parameterization level, the first thing that is expected is the entry of a specific password for the parameter group.

The setting option of a network address is hidden under the code word
. This is imperative when commissioning networked systems.
The address of the responsible controller is hidden under ![]()
Overview of the software function

Parameter levels
Alarms
Keys and switch inputs
Control loop 1
Defrost Control loop 1
Fan Control loop 1
Temperature sensors and sensors
Predefined parameter sets
Networking and display
Switching cycles
Special functions
RPS level
Operating times
Relay contacts and lamps
Network regulation
Parameter
![]()
Set
before all other parameters

Networking and display

Keys and switch inputs

Control circuit1

Defrosting control circuit 1


Fan control circuit 1


Temperature sensors

Special functions

- with a condensation tray with 300W to 100% (connect to K4)
Relay contacts and lamps

![]()

PAL LEVEL

Status displays and error messages

Errors EP0 and EP1 block the controller. The controller will only be enabled after the error has been remedied. Error EP0 (and EP2) can only be remedied by repair. The errors are displayed alternately with the current measured temperature.
Lighting and frame heating could be omitted at custom units
heating display



Networking


Alarms
Control loop 1
Defrost Control loop 1
Fan Control loop 1
Temperature sensors and sensors
Predefined parameter sets
Networking and display
Relay contacts and lamps
Network regulation

















