Danfoss HGX34P 2 Pole Semi Hermetic

Product Information
The product is a compressor, model HGX34P/255-2, HGX34P/315-2, HGX34P/315-2 A, HGX34P/315-2 S, HGX34P/315-2 S A, HGX34P/315-2 A K, HGX34P/315-2 S A K, HGX34P/380-2, HGX34P/380-2 A, or HGX34P/380-2 A K. The product comes with an operating guide and a translation of the original instructions.
The user manual contains information on safety instructions, product description, areas of application, compressor assembly, electrical connection, commissioning, maintenance, technical data, dimensions and connections, and declaration of incorporation.
Safety
Identification of Safety Instructions:
- DANGER: Indicates a dangerous situation which, if not avoided, will cause immediate fatal or serious injury.
- WARNING: Indicates a dangerous situation which, if not avoided, may cause fatal or serious injury.
- CAUTION: Indicates a dangerous situation which, if not avoided, may cause fairly severe or minor injury.
- ATTENTION: Indicates a situation which, if not avoided, may cause property damage.
- INFO: Important information or tips on simplifying work.
Product Description
The compressor is designed for assembly and use in refrigerant systems. It is important to read and follow the safety instructions provided to avoid misunderstandings and prevent damage. Improper assembly and use of the compressor can result in serious or fatal injury.
Product Usage Instructions
Safety
Before using the compressor, make sure to read and understand the safety instructions provided in the user manual. It is important to follow these instructions to prevent accidents and injuries.
Product Description
Refer to the user manual for a detailed product description and specifications. The user manual provides information on the model, name plate, and type key.
Areas of Application
The user manual provides information on the refrigerants, oil charge, and limits of application for the compressor. Make sure to use the compressor within the specified limits and with compatible refrigerants and oil.
Compressor Assembly
Follow the instructions provided in the user manual for storage, transport, setting up, maximum permissible inclination, pipe connections, laying suction and pressure lines, operating the shut-off valves, operating mode of the lockable service connections, and installation of suction pipe filter and filter drier.
Electrical Connection
The user manual provides information on contactor and motor contactor selection, connection of the driving motor in star circuit or part-winding circuit, circuit diagram, electronic trigger unit INT69 G, connection of the trigger unit INT69 G, external connection INT69 G, and function test of the trigger unit INT69 G.
Commissioning
Before starting up the compressor, make necessary preparations as described in the user manual. Perform pressure strength test, leak test, evacuation, refrigerant charge, and start-up procedures following the instructions provided.
Maintenance
Refer to the user manual for maintenance instructions, including preparation, work to be carried out, spare parts recommendation/accessories, lubricants/oil, and decommissioning procedures.
Technical Data
The user manual provides technical data for the compressor. Refer to this section for detailed information on specifications and performance.
Dimensions and Connections
For information on the dimensions and connections of the compressor, refer to the user manual.
Declaration of Incorporation
The user manual contains the declaration of incorporation for the compressor. Make sure to read and understand this section.
About these instructions
Read these instructions before assembly and before using the compressor. This will avoid misunder-standings and prevent damage. Improper assembly and use of the compressor can result in serious or fatal injury.
Observe the safety instructions contained in these instructions.
These instructions must be passed onto the end customer along with the unit in which the compressor is installed.
Safety
![]() | DANGER | Indicates a dangerous situation which, if not avoided, will cause immediate fatal or serious injury. |
![]() | WARNING | Indicates a dangerous situation which, if not avoided, may cause fatal or serious injury. |
![]() | CAUTION | Indicates a dangerous situation which, if not avoided, may cause fairly severe or minor injury. |
![]() | ATTENTION | Indicates a situation which, if not avoided, may cause property damage. |
![]() | INFO | Important information or tips on simplifying work. |
Qualifications required of personnel
![]() | WARNING | Inadequately qualified personnel poses the risk of accidents, the consequence being serious or fatal injury. Work on compressors is therefore reserved for personnel which is qualified to work on pressurized refrigerant systems:
|
![]() | WARNING | Risk of accidents. Refrigerating compressors are pressurized machines and as such call for heightened caution and care in handling. The maximum permissible overpressure must not be exceeded, even for testing purposes.Risk of burns!
Contact with refrigerant can cause severe burns and skin damage. |
Intended use
![]() | WARNING | The compressor may not be used in potentially explosive environments! |
These assembly instructions describe the standard version of the compressor named in the title manufactured by Bock. Bock refrigerating compressors are intended for installation in a machine (within the EU according to the EU Directives 2006/42/EC Machinery Directive and 2014/68/EU Pres-sure Equipment Directive).
Commissioning is permissible only if the compressor has been installed in accordance with these assembly instructions and the entire system into which it is integrated has been inspected and approved in accordance with legal regulations.
The compressors are intended for use in refrigeration systems in compliance with the limits of application.
Only the refrigerant specified in these instructions may be used.
Any other use of the compressor is prohibited!
Product description
Short description
- Semi-hermetic four-cylinder reciprocating compressor with oil pump lubrication.
- Optional in light weight aluminum design
- Suction gas cooled drive motor


Dimension and connection values can be found in Chapter 9
Name plate (example)

Type key (example)

- HG – Hermetic Gas-Cooled (suction gas-cooled)
- X – Ester oil charge
- Additional declaration for Pluscom compressors
- S – More powerful motor e.g. air-conditioning applications
Areas of application
Refrigerants
- HFKW / HFC: 3.2 R134a, R407C
Oil charge
The compressors are factory-filled with the following oil type:
- BOCK lub E55
Compressors with ester oil charge (BOCK lub E55) are marked with an X in the type designation (e.g. HGX34P/380-2 A).
| INFO | For refilling, we recommend the above oil types. Alternatives: see chapter 7.4 | ||||
![]() | ![]() | ||||
![]() | ATTENTION | The oil level must be in the max. visible part of the sight glass; damage to the compressor is oil level possible if overfilled or under- min. filled | |||
Limits of application
ATTENTION Compressor operation is possible within the operating limits.
These can be found in Bock compressor selection tool (VAP) under vap.bock.de. Observe the information given there.
- Permissible ambient temperature (-20°C) – (+60°C)
- Max. permissible discharge end temperature 140°C.
- Max. permissible switching frequency 8x /h.
- A minimum running time of 3 min. steady-state condition (continuous operation) must be achieved.
For operation with capacity regulator: - Continuous operation, when the capacity regulator is activated, is not permissible and can cause damage to the compressor.
- The suction gas superheat temperature may need to be reduced or set individually when operating near to the threshold.
- When the capacity regulator is activated, the gas velocity in the system can not under certain circumstances ensure that sufficient oil is transported back to the compressor.
For operation with frequency converter:
- Control range of the compressor 15 – 50 Hz (K Design 15 – 60 Hz).
- The maximum current and power consumption must not be exceeded. In the case of operation above the mains frequency, the application limit can therefore be limited
- Use a heat protection thermostat.
- Oil return at low frequency must be supplied.
When operating in the vacuum range, there is a danger of air entering on the suction side. This can cause chemical reactions, a pressure rise in the condenser and an elevated compressed-gas temperature. Prevent the ingress of air at all costs!
Compressor assembly
INFO
New compressors are factory-filled with inert gas.
Leave this service charge in the compressor for as long as possible and prevent the ingress of air. Check the compressor for transport damage before starting any work.
Storage and transport
- Storage at (-30°C) – (+70°C), maximum permissible relative humidity 10% – 95%, no condensation
- Do not store in a corrosive, dusty, vaporous atmosphere or in a combustible environment.
- Use transport eyelet. Do not lift manually!
- Use lifting gear!
Setting up
ATTENTION Fittings (e.g. pipe holders, additional units, mounting parts etc.) on the compressor are not permissible!
- Provide adequate clearance for maintenance work.
- Ensure adequate compressor ventilation.

- Do not use in a corrosive, dusty, damp atmosphere or a combustible environment.

- Setup on an even surface or frame bearing capacity.
- Single compressor preferably on vibration damper.
- Duplex and parallel circuits always rigid.

Maximum permissible inclination
ATTENTION Poor lubrication can compressor. Respect the stated values

Pipe connections
ATTENTION Damage possible.
Do not solder as long as the compressor is under pressure. Superheating can damage the valve.
Remove the pipe supports therefore from the valve for soldering and accordingly cool the valve body during and after soldering. Only solder using inert gas to inhibit oxidation products (scale).

- The pipe connections have graduated inside diameters so that pipes with standard millimeter and inch dimensions can be used.
- The connection diameters of the shut-off valves are rated for maximum compressor output. The actual required pipe cross section must be matched to the output. The same applies for non-return valves.
Pipes
- Pipes and system components must be clean and dry inside and free of scale, swarf and layers of rust and phosphate. Only use air-tight parts.
- Lay pipes correctly. Suitable vibration compensators must be provided to prevent pipes being cracked and broken by severe vibrations.
- Ensure a proper oil return.
- Keep pressure losses to an absolute minimum.
Laying suction and pressure lines
ATTENTION Improperly installed pipes can cause cracks and tears, the result being a loss of refrigerant.
INFO Proper layout of the suction and discharge lines directly after the compressor is integral to the system’s smooth running and vibration behavior.
A rule of thumb: Always lay the first pipe section starting from the shut-off valve downwards and parallel to the drive shaft.

Operating the shut-off valves
- Before opening or closing the shut-off valve, release the valve spindle seal by approx. ¼ of a turn counter-clockwise.
- After activating the shut-off valve, re-tighten the adjustable valve spindle seal clockwise.

Operating mode of the lockable service connections Suction line valve

Opening the shut-off valve:
Spindle: turn to the left (counter-clockwise) as far as it will go.
—> Shut-off valve completely opened / service connection closed. The connection which cannot be shut off is intended for safety devices.

Opening the service connection
Spindle: Turn ½ – 1 turn clockwise.
—> Service connection opened / shut-off valve opened.
The connection which cannot be shut off is intended for safety devices.
After activating the spindle, generally fit the spindle protection cap again and tighten with 14-16 Nm. This serves as a second sealing feature during operation.
Operating mode of the lockable service connections Discharge line valve

Opening the shut-off valve:
Spindle: turn to the left (counter-clockwise) as far as it will go. —> Shut-off valve completely opened / service connection closed.

Opening the service connection
Spindle: Turn ½ – 1 turn to the right clockwise.
—> Service connection opened / shut-off valve opened.
After activating the spindle, generally fit the spindle protection cap again and tighten with 14-16 Nm.
This serves as a second sealing feature during operation.
Suction pipe filter and filter drier
For systems with long pipes and higher degree of contamination, a filter on the suction-side is recommended. The filter has to be be renewed depending on the degree of contamination (reduced pressure loss).
Moisture in the refrigeration circuit can lead to crystal and hydrate formation. For this reason, we recommend using a filter drier and a sight glass with a moisture indicator.
Electrical connection
DANGER
Risk of electric shock! High voltage!
Only carry out work when the electrical system is disconnected from the power supply!
ATTENTION When attaching accessories with an electrical cable, a minimum bending radius of 3 x the cable diameter must be maintained for laying the cable.
INFO
Connect the compressor motor in accordance with the circuit diagram (see inside of terminal box).
- Use suitable cable entry point of the correct protection type (see name plate) for routing cables into the terminal box. Insert the strain reliefs and prevent chafe marks on the cables.
- Compare the voltage and frequency values with the data for the mains power supply.
Only connect the motor if these values are the same.
Information for contactor and motor contactor selection
All protection devices and switching or monitoring units must be fitted in accordance with the local safety regulations and established specifications (e.g. VDE) as well as with the manufacturer’s information. Motor protection switches are required! Motor contactors, feed lines, fuses and motor protection switches must be rated on the basis of the maximum working current (see name plate). For motor protection use a current-dependent and time-delayed overload protection device for monitoring all three phases. Set the overload protection device so that it must be actuated within 2 hours, if there is 1.2 times the max. working current.
Connection of the driving motor with star circuit

Star-delta start-up is only possible on 230 V voltage supply. Example:
Connection of the driving motor with part winding circuit

Example:

ATTENTION Failure to do this results in opposed rotary fields and results in damage to the motor. After the motor starts up via partial winding 1, partial winding 2 must be switched on after a maximum delay of one second . Failure to comply can adversely affect the service life of the motor.
Circuit diagram for direct start 400 V Y

| BT1 | Cold conductor (PTC sensor) motor winding |
| BT2 | Thermal protection thermostat (PTC sensor) |
| FC1 | Load circuit safety switches |
| FC2 | Control power circuit fuse |
| BP1 | High pressure safety monitor |
| BP2 | Safety chain (high/low pressure monitoring) |
| BT3 | Release switch (thermostat) |

| QA1 | Main switch |
| SF1 | Control voltage switch |
| EC1 | Compressor motor |
| QA2 | Compressor contactor |
| INT69 G | Electronic trigger unit INT69 G |
| EB1 | Oil sump heater |
Electronic trigger unit INT69 G
The compressor motor is fitted with cold conductor temperature sensors (PTC) connected to the electronic trigger unit INT69 G in the terminal box. In case of excess temperature in the motor winding, the INT69 G deactivates the motor contactor. Once cooled, it can be restarted only if the electronic lock of the output relay (terminals B1+B2) is released by interrupting the supply voltage.
The hot gas side of the compressor can also be protected against overtemperature using thermal protection thermostats (accessory).
The unit trips when an overload or inadmissible operating conditions occur. Find and remedy the cause.
INFO
The relay switching output is executed as a floating changeover contact. This electrical circuit operates according to the quiescent current principle, i.e. the relay drops into a the idle position and deactivates the motor contactor even in case of a sensor break or open circuit.
Connection of the trigger unit INT69 G
INFO Connect the trigger unit INT69 G in accordance with the circuit diagram. Protect the trigger unit with a delayed-action fuse (FC2) of max. 4 A. In order to guarantee the protection function, install the trigger unit as the first element in the control power circuit.

ATTENTION
Measure circuit BT1 and BT2 (PTC sensor) must not come into contact with external voltage.
This would destroy the trigger unit INT69 G and PTC sensors.
External connection INT69 G

| BT1 | Cold conductor (PTC sensor) motor winding |
| BT2 | Heat protection thermo- stat (PTC sensor) |
| EB1 | Oil sump heater |
Function test of the trigger unit INT69 G
Before commissioning, after troubleshooting or making changes to the control power circuit, check the functionality of the trigger unit. Perform this check using a continuity tester or gauge.
| Gauge state | Relay position | |
| 1. | Deactivated state | 11-12 |
| 2. | INT69 G switch-on | 11-14 |
| 3. | Remove PTC connector | 11-12 |
| 4. | Insert PTC connector | 11-12 |
| 5. | Reset after mains on | 11-14 |

Commissioning
Preparations for start-up
INFO To protect the compressor against inadmissible operating conditions, high pressure and low pressure pressostats are mandatory on the installation side.
The compressor has undergone trials in the factory and all functions have been tested. There are therefore no special running-in instructions.
Check the compressor for transport damage!
Pressure strength test
The compressor has been tested in the factory for pressure integrity. If however the entire system is to be subjected to a pressure integrity test, this should be carried out in accordance with EN 378-2 or a corresponding safety standard without the inclusion of the compressor.
Leak test
DANGER
Risk of bursting!
The compressor must only be pressurized using nitrogen (N2). Never pressurize with oxygen or other gases!
The maximum permissible overpressure of the compressor must not be exceeded at any time during the testing process (see name plate data)! Do not mix any refrigerant with the nitrogen as this could cause the ignition limit to shift into the critical range.
Carry out the leak test on the refrigerating plant in accordance with EN 378-2 or a corresponding safety standard, while always observing the maximum permissible overpressure for the compressor.
Evacuation
ATTENTION Do not start the compressor if it is under vacuum. Do not apply any voltage – even for test purposes (must only be operated with refrigerant).
Under vacuum, the spark-over and creepage current distances of the terminal board connection bolts shorten; this can result in winding and terminal board damage.
- First evacuate the system and then include the compressor in the evacuation process. Relieve the compressor pressure.
- Open the suction and pressure line shut-off valves.
- Evacuate the suction and discharge pressure sides using the vacuum pump.
- At the end of the evacuation process, the vacuum should be < 1.5 mbar when the pump is switched off. Repeat this process as often as is required.
Refrigerant charge
CAUTION Wear personal protective clothing such as goggles and protective gloves!
- Make sure that the suction and pressure line shut-off valves are open.
- With the compressor switched off, add the liquid refrigerant directly to the condenser or receiver, breaking the vacuum.
- If the refrigerant needs topping up after starting the compressor, it can be topped up in vapour form on the suction side, or, taking suitable precautions, also in liquid form at the inlet to the evaporator.
ATTENTION
- Avoid overfilling the system with refrigerant!
- To avoid shifts in concentration, zeotropic refrigerant blends must always only be filled into the refrigerating plant in liquid form.
- Do not pour liquid coolant through the suction line valve on the compressor.
- It is not permissible to mix additives with the oil and refrigerant.
Start-up
WARNING Ensure that both shut-off valves are open before starting the compressor!
- Check that the safety and protection devices (pressure switch, motor protection, electrical contact protection measures, etc.) are all functioning properly.
- Switch on the compressor and allow to run for a minimum of 10 min.
- Check the oil level by: The oil must be visible in the sightglass.
ATTENTION If larger quantities of oil have to be topped up, there is a risk of oil hammer effects.
If this is the case check the oil return!
Avoiding slugging
ATTENTION Slugging can damage the compressor and cause refrigerant to leak.
To prevent slugging:
- The complete refrigeration system must be properly designed.
- All components must be compatibly rated with each other with regard to output (particularly the evaporator and expansion valves).
- Suction gas superheat at the compressor input should be min. 7 – 10 K. (check the setting of the expansion valve).
- The system must reach a state of equilibrium.
- Particularly in critical systems (e.g. several evaporator points), measures are recommended such as replacement of liquid traps, solenoid valve in the liquid line, etc.
- There should be no movement of coolant whatsoever while the compressor is at a standstill.
Maintenance
Preparation
WARNING
Before starting any work on the compressor:
- Switch off the compressor and secure it to prevent a restart. Relieve compressor of system pressure.
Prevent air from infiltrating the system!
After maintenance has been performed:
- Connect safety switch. Evacuate compressor. Release switch lock.
Work to be carried out
- Oil change: In principle, an oil change is not mandatory if the system is correctly manufactured and operated. However, based on decades of experience we recommend that the following oil change/service work is carried out:
- First oil change during the first maintenance of the system.
- Then after every 10,000 – 12,000 operating hours, though no more than 3 years, clean the oil strainer at the same time. Dispose of the oil inside in accordance with the applicable national regulations.
- Annual checks: Oil level, leak tightness, running noises, pressures, temperatures, function of auxiliary devices such as oil sump heater, pressure switch.
Spare parts recommendation/accessories
Available spare parts and accessories can be found on our compressor selection tool under vap.bock.de as well as at bockshop.bock.de.
Only use genuine Bock spare parts!
Lubricants / oil
The oil type filled as standard in the factory is marked on the name plate, and this should always be used, even in the case of maintenance units. Alternative oil types can vary significantly in quality due to additives or inferior raw materials by the manufacturer. Validation within the compressors entire operating limits can not be guaranteed, if such alternative oil types are used. It is for this reason, that we only recommend the use of oil from Bock! Bock assumes no liability for any damage arising from alternative oil types.
| Refrigerants | Bock standard oil types |
| HCFC (e.g. R134a, R407C) | BOCK lub E55 |
Decommissioning
Close the shut-off valves on the compressor. Drain the refrigerant (it must not be discharged into the environment) and dispose of it according to the regulations. When the compressor is depressurized, undo the fastening screws of the shut-off valves. Remove the compressor using an appropriate hoist. Dispose of the oil inside in accordance with the applicable national regulations.
Technical data
| Type | No. of cylinders | Displacement 50 Hz (2900 rpm) | Electrical data 3 | Weight | Connections 4 | Oil charge | Sound pressure level | |||||
| Voltage 1 | Max. Operating current 2 Y | Max. power consumption 2 | Starting current (rotor locked) Y | Dis- charge line DV | Suction line SV | |||||||
| L / M / H 5 | ||||||||||||
| m3/h | A | kW | A | kg | mm (inch) | mm (inch) | Ltr. | dB(A) | ||||
| HGX34P/255-2 |
4 | 44,3 | 380-420 V Y – 3 – 50 Hz | 25,8 | 16,0 | 117 | 95 |
22 (7/8) |
35 (13/8) |
1,3 | 62 / 59 / 58 | |
| HGX34P/255-2 A | 44,3 | 25,8 | 16,0 | 117 | 58 | 62 / 59 / 58 | ||||||
| HGX34P/315-2 | 54,7 | 24,3 | 14,7 | 117 | 95 | 64 / 62 / 60,5 | ||||||
| HGX34P/315-2 A | 54,7 | 24,3 | 14,7 | 117 | 58 | 64 / 62 / 60,5 | ||||||
| HGX34P/315-2 S | 54,7 | 32,2 | 19,0 | 172 | 103 | 66 / 64 / 63 | ||||||
| HGX34P/315-2 S A | 54,7 | 32,2 | 19,0 | 172 | 68 | 66 / 64 / 63 | ||||||
| HGX34P/380-2 | 66,1 | 38,0 | 23,5 | 172 | 102 | 67 / 64,5 / 64 | ||||||
| HGX34P/380-2 A | 66,1 | 38,0 | 23,5 | 172 | 67 | 67 / 64,5 / 64 | ||||||
- Tolerance (± 10%) relative to the mean value of the voltage range. Other voltages and types of current on request.
- The specifications for max. power consumption apply for 50Hz operation. For 60Hz operation, the specifications have to be multiplied by the factor 1.2. The max. working current remains unchanged.
- Take account of the max. operating current / max. power consumption for design of fuses, supply lines and safety devices. Fuse: Consumption category AC3
- All specifications are based on the average of the voltage range For solder connections
- L = low temperature (-35 / 40 °C), M = normal cooling (-10 / 45 °C), H = air conditioning (5 / 50°C) sound pressure level measured in low reflection measuring area, measuring distance 1m. Compressor operation at 50 Hz (1450 rpm), refrigerant R404A. Values stated are average values, tolerance ± 2 dB(A).
| Type | No. of cylinders | Displace- ment 50/60 Hz (2900/3480 rpm) | Electrical data 3 | Weight | Connections 4 | Oil charge | Sound pressure level | |||||
| Voltage
1 | Max. Operating current 2 Y | Max. power consump- tion 2 | Starting current (rotor locked) Y | Dis- charge line DV | Suction line SV | |||||||
| L / M / H 5 | ||||||||||||
| m3/h | A | kW | A | kg | mm (inch) | mm (inch) | Ltr. | dB(A) | ||||
| HGX34P/315-2 A K |
4 | 54,7 / 65,6 | 380-420 V Y – 3 – 50 Hz 440-480 V Y – 3 – 60 Hz | 24,3 | 14,7 | 117 | 58 |
22 (7/8) |
35 (13/8) |
1,3 | 62 / 59 / 58 | |
| HGX34P/315-2 S A K | 54,7 / 65,6 | 32,2 | 19,0 | 172 | 68 | 64 / 62 / 60,5 | ||||||
| HGX34P/380-2 A K | 66,1 / 79,4 | 38,0 | 23,5 | 172 | 67 | 66 / 64 / 63 | ||||||
- Tolerance (± 10%) relative to the mean value of the voltage range. Other voltages and types of current on request.
- The specifications for max. power consumption apply for 50Hz operation. For 60Hz operation, the specifications have to be multiplied by the factor 1.2. The max. working current remains unchanged.
- Take account of the max. operating current / max. power consumption for design of fuses, supply lines and safety devices. Fuse: Consumption category AC3
- All specifications are based on the average of the voltage range For solder connections
- L = low temperature (-35 / 40 °C), M = normal cooling (-10 / 45 °C), H = air conditioning (5 / 50°C) sound pressure level measured in low reflection measuring area, measuring distance 1m. Compressor operation at 50 Hz (1450 rpm), refrigerant R404A. Values stated are average values, tolerance ± 2 dB(A).
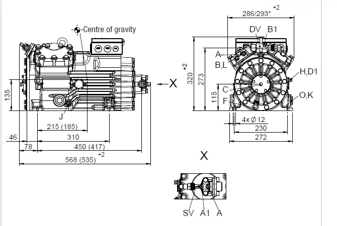
Dimensions and connections
HGX34P 2-pole

Dimensions in ( ) = HGX34P/255-2 A + 315-2 A (+K)
*) K Execution
Dimensions in mm
| SV DV | Suction line see technical data, Chapter 8 Discharge line | |
| A | Connection suction side, not lockable | 1/8“ NPTF |
| A1 | Connection suction side, lockable | 7/16“ UNF |
| B | Connection discharge side, not lockable | 1/8“ NPTF |
| B1 | Connection discharge side, lockable | 7/16“ UNF |
| C | Connection oil pressure safety switch | 1/8“ NPTF |
| D1 | Connection oil return from oil separator | 1/4“ NPTF |
| F | Oil drain | M10 |
| H | Oil charge plug | 1/4“ NPTF |
| J | Connection oil sump heater | 3/8“ NPTF |
| K | Sight glass | 1 1/8“- 18 UNEF |
| L | Connection thermal protection thermostat | 1/8“ NPTF |
| O | Connection oil level regulator | 1 1/8“- 18 UNEF |
Declaration of incorporation
Declaration of incorporation for incomplete machinery in accordance with EC Machinery Directive 2006/42/EC, Annex II 1. B
Manufacturer:
Bock GmbH
Benzstraße 7
72636 Frickenhausen, Germany
We, as manufacturer, declare in sole responsibility that the incomplete machinery
- Name: Semi-hermetic compressor
- Types: HG(X)12P/60-4 S (HC) ……………………HG(X)88e/3235-4(S) (HC)
- UL-HGX12P/60 S 0,7……………………… UL-HGX66e/2070 S 60
- HGX12P/60 S 0,7 LG …………………….. HGX88e/3235 (ML/S) 95 LG
- HG(X)22(P)(e)/125-4 A …………………… HG(X)34(P)(e)/380-4 (S) A
- HGX34(P)(e)/255-2 (A) ………………….. HGX34(P)(e)/380-2 (A)(K)
- HA(X)12P/60-4 ……………………………… HA(X)6/1410-4
- HAX22e/125 LT 2 LG ……………………. HAX44e/665 LT 14 LG
- HGX12e/20-4 (ML/S) CO2 (LT) ……….. HGX44e/565-4 S CO2
- UL-HGX12e/20 (S/ML) 0,7 CO2 (LT)… UL-HGX44e/565 S 31 CO2
- HGX12/20-4 (ML/S/SH) CO2T………….. HGX46/440-4 (ML/S/SH) CO2 T
- UL-HGX12/20 ML(P) 2 CO2T…………. UL-HGX46/440 ML(P) 53 CO2T
- HGZ(X)7/1620-4 ……………………………. HGZ(X)7/2110-4
- HGZ(X)66e/1340 LT 22…………………… HGZ(X)66e/2070 LT 35
- HRX40-2 CO2 T H………………………….. HRX60-2 CO2 T H
- Name: Open type compressor
- Types: F(X)2 …………………………………… F(X)88/3235 (NH3)
- FK(X)1………………………………….. FK(X)3
- FK(X)20/120 (K/N/TK)…………….. FK(X)50/980 (K/N/TK)
- Serial number: BC00000A001 – BN99999Z999
complies with the following provisions of the above-mentioned Directive:
According to Annex I, points 1.1.2, 1.1.3, 1.1.5, 1.3.2, 1.3.3, 1.3.7, 1.5.1, 1.5.2, 1.5.13 and 1.7.1 to 1.7.4 (excepted 1.7.4 f) are fulfilled.
Applied harmonised standards, in particular:
- EN ISO 12100 :2010 Safety of machinery — General principles for design — Risk assessment and risk reduction
- EN 12693 :2008 Refrigerating systems and heat pumps — Safety and environmental requirements — Positive displacement refrigerant compressors
Remarks:
We also declare that the special technical documentation for this incomplete machine has been created in accordance with Annex VII, Part B and we obligate to provide these upon reasoned request from the individual national authorities by data transfer.
Commissioning is prohibited until it has been confirmed that the machinery into which the incomplete machine above is to be incorporated complies with the EC Machinery Directive and an EC Declaration of Conformity, Annex II. 1. A exists.
Authorized person for compiling and handing over technical documentation:
Bock GmbH
Alexander Layh
Benzstraße 7
72636 Frickenhausen, Germany
Frickenhausen, 04th of January 2021
i. A. Alexander Layh, Global Head of R&D
Declaration of incorporation of partly completed machinery in accordance with UK Statutory Instrument Supply of Machinery (Safety) Regulations 2008, Annex II 1. B
Manufacturer:
Bock GmbH
Benzstraße 7
72636 Frickenhausen, Germany
We, as manufacturer, declare in sole responsibility that the partly completed machinery
- Name: Semi-hermetic compressor
- Types: HG(X)12P/60-4 S (HC) ……………………HG(X)88e/3235-4(S) (HC)
- UL-HGX12P/60 S 0,7……………………… UL-HGX66e/2070 S 60
- HGX12P/60 S 0,7 LG …………………….. HGX88e/3235 (ML/S) 95 LG
- HG(X)22(P)(e)/125-4 A …………………… HG(X)34(P)(e)/380-4 (S) A
- HGX34(P)(e)/255-2 (A) ………………….. HGX34(P)(e)/380-2 (A)(K)
- HA(X)22e/125-4 …………………………….. HA(X)6/1410-4
- HAX22e/125 LT 2 LG ……………………. HAX44e/665 LT 14 LG
- HGX12e/20-4 (ML/S) CO2 (LT) ……….. HGX44e/565-4 S CO2
- UL-HGX12e/20 (S/ML) 0,7 CO2 (LT)… UL-HGX44e/565 S 31 CO2
- HGX12/20-4 (ML/S/SH) CO2T………….. HGX46/440-4 (ML/S/SH) CO2 T
- UL-HGX12/20 ML(P) 2 CO2T…………… UL-HGX46/440 ML(P) 53 CO2T
- HGZ(X)7/1620-4 ……………………………. HGZ(X)7/2110-4
- HGZ(X)66e/1340 LT 22…………………… HGZ(X)66e/2070 LT 35
- HRX40-2 CO2 T H………………………….. HR(Z)X60-2 CO2 T (H)(V)
- Name: Open type compressor
- Types: F(X)2 …………………………………………… F(X)88/3235 (NH3)
- FK(X)1………………………………………….. FK(X)3
- FK(X)20/120 (K/N/TK)…………………….. FK(X)50/980 (K/N/TK)
- Serial number: BC00000A001 – BN99999Z999
complies with the following provisions of the above-mentioned Statutory instrument:
According to Schedule 2, part1, points 1.1.2, 1.1.3, 1.1.5, 1.3.2, 1.3.3, 1.3.7, 1.5.1, 1.5.2, and 1.7.1 to 1.7.4 (excepted 1.7.4 f) are fulfilled. Designated standards: EN ISO 12100 :2010 Safety of machinery — General principles for design — Risk assessment and risk reduction EN 12693 :2008 Refrigerating systems and heat pumps — Safety and environmental requirements — Positive displacement refrigerant compressors
Remarks: We also declare that the special technical documentation for this partly completed machine has been created in accordance with Annex II, 1. B and we obligate to provide these upon reasoned request from the individual national authorities by data transfer. Commissioning is prohibited until it has been confirmed that the machinery into which the partly completed machine above is to be incorporated complies with the UK Statutory Instrument Supply machinery (Safety) regulations 2008 and an EC Declaration of Conformity, Annex II, 1. A exists.
Authorized person for compiling and handing over technical documentation:
Bock GmbH
Alexander Layh
Benzstraße 7
72636 Frickenhausen, Germany
Frickenhausen, 14th of October 2022
i. A. Alexander Layh, Global Head of R&D
Danfoss A/S
Climate Solutions
danfoss.com
+45 7488 2222 Any information, including, but not limited to information on selection of product, its application or use, product design, weight, dimensions, capacity or any other technical data in product manuals, catalogues descriptions, advertisements, etc. and whether made available in writing, orally, electronically, online or via download, shall be considered informative, and is only binding if and to the extent, explicit reference is made in a quotation or order confirmation. Danfoss cannot accept any responsibility for possible errors in catalogues, brochures, videos and other material. Danfoss reserves the right to alter its products without notice. This also applies to products ordered but not delivered provided that such alterations can be made without changes to form, fit or function of the product. All trademarks in this material are property of Danfoss A/S or Danfoss group companies. Danfoss and the Danfoss logo are trademarks of Danfoss A/S. All rights reserved.
AQ452817532729en-000201
© Danfoss | Climate Solutions | 2023.06






















