FJ3378 Weather Station
User Guide

FJ3378 Weather Station
Note for the customer before use
Q: What is the DCF radio clock? Why does the screen turn off sometimes even if the power adapter is plugged especially during the night?
- After powering on the weather station, it will start the DCF Signal search up to 7 minutes after any restart or change of batteries. Once the signal is found the Time and Date will be automatically set. During the DCF signal search mode only the “
” and “▲” button will function, all other buttons have no function. And backlight will turn OFF during this moment even if the adapter plug in. Press and hold down the “▲” button for 2 seconds can manually start/stop the DCF signal search - At 1:00 / 2:00 / 3:00 am the Weather Station automatically carries out a synchronization procedure with the DCF signal to correct any deviations to the exact time, the screen will be turned off during this time. If this synchronization attempt is unsuccessful (The radio mast symbol disappears from the display), the system will automatically attempt another synchronization at the next full hour. This procedure is repeated automatically up to 5 times.
Q: Why there is “- -” display on the screen instead of outdoor data? Why do the temperature and humidity data show inconsistencies on the screen?
- If the “- -” display is on the screen, it means the weather station and outdoor sensor are disconnected. Press and hold the “▼” button for 3 seconds to restart receive transmission data. And press the “ TX ” button on the back of the sensor to manually transmit a signal, and the connection between the weather station and the sensor will be re-established.
2. Make sure the weather station and sensor are set in the same channel. You can press the “▼” button to switch the channel display on the screen. If you have only one sensor, we would suggest setting both the sensor and weather station display to channel 1. And make sure the symbol “
” is disappear in the channel zone on the screen, which means deactivating the automatic channel switching. - The sensor transmits data every 60 seconds to update the temperature and humidity. So if you find data is different between the weather station and the sensor, please wait for 60 seconds and let them to update. Please note the transmitting is about 60m/196feet. The displayed temperature and humidity will be more accurate after 3 hours. Indoor and outdoor temperature error within ±1°C, indoor and outdoor humidity error within ±5%.
Q: Does the screen can constantly lit? Can the alarm clock work with battery power?
- The weather station can be powered by an adapter(included) or batteries(not included). If the weather station is powered by the adapter, the screen will be constantly lit and the brightness can be adjusted. If the weather station is powered by batteries, press the “
” button on the bright screen for 15 seconds and turn it off to save power. An alarm clock also can wake you up when powered by batteries only.
WEATHER STATION FEATURES:
1.1Main Station
► The weather forecasting function
► DCF radio-controlled time function
► Date and weekday display;
► Time in optional 12/24 hour format
► Daily Alarm Function
► Automatic snooze function
► Moon phase display
► USB Charger Output Socket
►5 Levels brightness backlight with power adapter
► Comfort display
► The trend display of Temperature, Humidity, and Barometric
► Temperature:
— Temperature alternatively in °C or °F.
— Indoor temperature measurement ranges: 15°F (-9.9°C) to 122°F (50°C)
— Outdoor temperature measurement ranges: -4°F (-20°C) to 140°F (60°C)
— Outdoor thermometer and frost alert
►Humidity: Indoor & Outdoor measurable range: 20%RH ~ 95%RH
►Barometric pressure:
— Barometric pressure measurement ranges: from 17.72 inHg (600 hPa/MB) to 32.50 inHg(1100 hPa/MB)
— Pressure alternatively in inHg or MB/ hPa
► Minimum/Maximum display for humidity and temperature
► 3 Remote Sensor can be connected (only 1 included)
1.2 Remote Sensor
► Wireless Outdoor Sensor:
— Wall Mount or Table Stand
— 433.92MHz RF transmitting frequency
— 200 feet transmission range in an open area
1.3 Power Supply:
► Weather Station:
Battery: 2 x AA (Not included)
► Wireless Outdoor Sensor:
Battery:2 x AA (Not included)
1.4 Weather Station Appearance

Part A – Weather Station Front
A1: Remote Temperature
A2: Remote Humidity
A3: Remote Temperature Alert
A4: Time/Calendar or Alarm time
A5: Moon Phase
A6: Barometric pressure
A7: Histogram shows the atmospheric pressure
A8: Indoor Humidity
A9: Indoor comfort
A10: Indoor Temperature
A11: Weather Forecasting
Part B – Weather Station Back
| B1: “ | B7: “ |
| B2: “ | B8: “MEM” button |
| B3: ` | B9: Alarm on/off shift switch |
| B4: “▲” button | B10: Power supply socket |
| B5: “▼” button | B11: USB charger output socket |
| B6: ” | B12: The battery compartment |

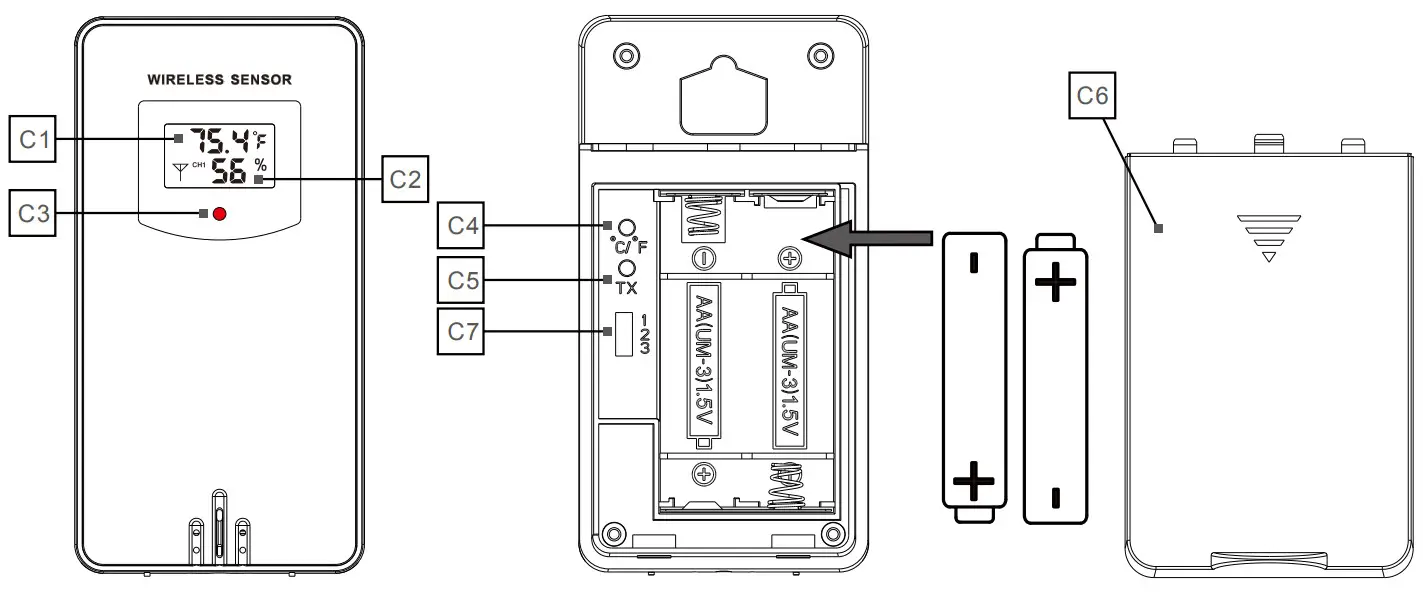
Part C – Wireless Outdoor Sensor:
| C1: LCD display – Temperature | C5: “TX” reset button |
| C2: LCD display – Humidity | C6: The battery compartment |
| C3: Transmit signal LED | C7: 3 channel select |
| C4: “°C/°F” switch button |
INITIAL OPERATION AND NOTES
2.1Initial Operation
► Open the weather station battery compartment, insert 2 x AA batteries observing polarity [ “+” and “ –“ marks]
► Remove the battery compartment on the Wireless Remote Sensor, insert 2 x AA batteries observe the correct polarity (+ and – marks), and close the battery compartment.
► When the power is connected all the icons on the LCD display will light up for 3 seconds, you will hear a beep tone and the weather station will start to detect the indoor temperature and humidity
► The weather station will start to make a connection to the outdoor remote sensor.
This operation takes about 3 minutes and is displayed by a flashing reception RF icon “
” in the “Remote Sensor” display area on the receiver.
► Once the weather station has created a connection to the outdoor sensor the clock will start automatically searching for the DCF Signal to set the time and date. The radio mast icon “
” will flash showing it is searching for a signal, it may take up to 7 minutes to search.
2.2Notes for Customer before Use
► During the DCF signal search mode only the “
” and “▲” button will function, all other buttons have no function. And backlight will not keep lighting during this moment even if the adapter plug in. Press the “▲” button it can cancel the DCF signal search and all buttons and backlights will function.
► If the weather station failed to receive a transmission from the outdoor sensor (“- -” display on the main station LCD), press and hold the “▼” button for 3 seconds to receive the transmission manually. RF icon “
” flashes on the LCD and the weather station to re-receive the data from the outdoor sensor. Or open the sensor battery compartment, and press the TX button to connect the sensor and station again.
TIME, TIME ZONE AND CALENDAR SETTING
3.1 Manual Time Setting
► Press once “
” button, can switch the display calendar or second
► Press and hold down the “
” button for 3 seconds, and the 12/24 hour mode display starts to flash. Now use the “▲” and “▼” buttons to set the correct 12/24 hour mode.
► Press “
” to confirm your setting, and the Time Zones start to flash. Now use the “▲” and “▼” buttons set the correct time zone (-12 to +12).
► Press “
” to confirm your setting, and the Hour display starts to flash. Now use the “▲” and “▼” buttons to set the correct hour.
► Press “
” to confirm your setting, and the Minute display starts to flash. Now use the “▲” and “▼” buttons to set the correct minute.
► Press “
” button to confirm your setting, and the Month and Date icon display starts to flash. Now use the “▲” and “▼” buttons to set the date display on Month/Date or Date/Month.
► Press “
” button to confirm your setting, and the Year display starts to flash. Now use the “▲” and “▼” buttons to set the correct year.
► Press “
” button to confirm your setting, and the Month display starts to flash. Now use the “▲” and “▼” buttons to set the correct month.
► Press “
” button to confirm your setting, and the Date display starts to flash. Now use the “▲” and “▼” buttons to set the correct date.
► Press “
” button to confirm your setting, the weak display language starts to flash.
Now use “▲” and “▼” buttons to set the correct language.
| Language | Sunday | Monday | Tuesday | Wednesday | Thursday | Friday | Saturday |
| German, GE | SO | MO | DI | MI | DO | FR | SA |
| English. EN | SU | MO | TU | WE | TH | FR | SA |
| French, FR | DI | LU | MA | ME | JE | VE | SA |
| Italian, IT | DO | LU | MA | ME | GI | VE | SA |
| Spanish. SP | DO | LU | MA | MI | JU | VI | SA |
| Dutch. DU | ZO | MA | DI | WO | DO | VR | ZA |
| Danish. DA | SO | MA | TI | ON | TO | FR | LO |
► Press “
” to confirm your setting and to end the set procedures.
F.Y.I.:
► After 20 seconds without pressing any button, the clock switches automatically from Set Mode to Normal Time Mode.
► The time zone must be set correctly according to the weather station area, or when the time signal is received, the time will be incorrect
3.2 Automatic Time Setting
► The Weather Station automatically starts the DCF Signal search up to 7 minutes after any restart or change of batteries. Or press and hold down the“▲” button for 2 seconds to manually start the DCF signal search.
► The radio mast icon “
” will flash showing it is searching for a signal. Once the signal is found the Time and Date will be automatically set. If no signal is found within 7 minutes the radio mast icon will disappear and it will automatically start searching again in 1 hour.
► At 1:00 / 2:00 / 3:00 am the Weather Station automatically carries out a synchronization procedure with the DCF signal to correct any deviations to the exact time. If this synchronization attempt is unsuccessful (The radio mast symbol disappears from the display), the system will automatically attempt another synchronization at the next full hour. This procedure is repeated automatically up to 5 times.
F.Y.I.:
► A flashing radio mast icon indicates that the DCF signal reception has started
►A continuously displayed radio mast icon indicates that the DCF signal was received successfully
► We recommend a minimum distance of 8 feet to all sources of interference, such as televisions or computer monitors
► Radio reception is weaker in rooms with concrete walls (e.g.: in cellars) and in offices. In such extreme circumstances, place the system close to the window.
► During the RC receive mode, only the“
” and “▲” button function, other button operations have no function and the backlight will not light. If you want to carry out other functions of operation, please press the “▲” button to exit the RCC receiving mode.
DAILY ALARM AND SNOOZE FUNCTION SETTING
4.1 Setting the Daily Alarm
► Press the once “
” button, which can switch the display calendar or alarm.
► Press and hold down the “
” button for 2 seconds until the Alarm Time hour display starts to flash. Use the “▲” and “▼” buttons to set the required hour.
►Press the “
” button to confirm your setting, and the Minute display starts to flash. Use the “▲” and “▼” buttons to set the required minute.
► Press the “
” button to confirm your setting and to end the setting procedure
F.Y.I.:
► After 20 seconds without pressing any button the clock switches automatically from setting mode to Normal clock mode.
4.2 Switching ON/OFF the alarm signal
► The alarm shift switch is pushed in the “
” position, the LCD displays the “
” icon next to the date, and the alarm function is open
► Press the back of the alarm shift switch is pushed in the “
” position, the “
” icon disappears, and the alarm function is close
► When an alarm rings, press any button except the “
” button to stop the alarm signal. It is not necessary to reactivate the alarm. It switches itself automatically to the alarm time which has already been set.
4.3 Snooze Function:
► Touch the “
” field or press the “
” button the alarm signal sounds to get to SNOOZE mode. The alarm signal sounds again after approx. 5 minutes.
WEATHER FORECAST AND BAROMETRIC
5.1 Weather Forecast
► The weather station calculates a weather forecast for about the next 8 hours based on the barometric pressure trend. Of course, this forecast can‘t compare to that of professional weather services supported by satellites and high-performance computers, but merely provides an approximate indication of current developments.
Please take the weather forecast from your local weather forecasting service into account as well as the forecast from your weather station. If there are discrepancies between the information from your device and from the local weather forecasting service, please take the advice of the latter as authoritative.
► The weather station displays the following weather icon for the next 8 hours of the weather forecast, not current weather:

5.2 Barometric Pressure Display
► The current barometric pressure is automatically shown on the Weather Station once it starts receiving readings.
► Press and hold the “
button for 2 seconds to enter the air pressure unit and weather settings, the pressure units will be flashing display, Use the “▲” and “▼” button to set the pressure unit to display in the “hPa/MB” or “inHg”.
► If the barometric pressure reading is below the minimum range, then LLLL will be displayed. If the barometric pressure reading is above the maximum range, then HHHH will be displayed.
5.3 Barometric Trend Display
► The weather station can display the barometric pressure trend.
► You may see the following displays next to the weather forecast icon:
| The barometric pressure will rise. | |
| The barometric pressure will remain constant. | |
| The barometric pressure will fall. |
LUNAR PHASES AND TIDE INDICATOR:
► The Moon icon and tide indicator of the Weather Station will also display 12 different Moon phases and 3 kinds of tide phases according to the set calendar.
| New moon | Waxing half-moon | Half-moon | Waxing full moon | Full moon | Waning full moon | Half-moon | Warning half-moon |
TEMPERATURE, HUMIDITY AND COMFORT DISPLAY
7.1°C or °F temperature display
► The temperature is displayed either in °C or °F. Briefly pressing the “▲” button allows you to switch between the individual modes.
7.2 Current Temperature and Temperature Trend Display
► After you insert the batteries, the weather station measures the current temperature.
The trend display shows a neutral temperature course
. The further course of the trend display is determined as follows:
If, after an hour, the temperature is more than 1°C higher than the value measured first, then a positive course is displayed
.
If, after an hour, the temperature is more than 1°C lower than the value measured first, then a negative course is displayed
.
If the temperature does not change within an hour, then the upward or downward pointing arrow becomes a horizontal arrow. The measured temperature is then taken as the neutral value from which further prognoses are made.
7.3 Outdoor Temperature & Frost Alert Settings
► Press and hold down the “
” button for 2 seconds until the icon for the Temperature Alert” starts to flash
► The icon of the Upper limit of the Temperature alarm starts to flash. Use the “▲” and “▼” buttons to set the required maximum temperature. Press “
” to confirm your setting.
► The icon of the Lower limit of the Temperature alarm starts to flash. Use the “▲” and “▼” buttons to set the required minimum temperature. Press the “
” button to confirm your setting and to end the setting procedure
F.Y.I.:
► Before entering the setup, you must select the remote channel, different channels can set different temperature alarm range
7.4 Activating and Deactivating Temperature & Frost Alert
► Press the “
” button to activate or deactivate the remote temperature alert, When the remote temperature alarm is activated, the temperature alarm icon is displayed in the remote sensor bar
► When the remote channel temperature value exceeds the set temperature range, will activate the alarm, the weather station will every minute continuous alarm 5 times, at the same time, the temperature alarm in the alarm icon “
” flashes, If the alarm activates the temperature that is currently displayed on the channel, its temperature value and alarm upper limit icon “
“or lower limit icon”
” also flashes
► When the temperature of REMOTE SENSOR is +30°F to + 37°F or –1°C to + 3°C, the frost alarm will be activated, symbol “
” flashing.
F.Y.I.:
► When the temperature is higher than the upper limit of the alarm temperature setting, the activation of the upper limit alarm, symbol “
” flashing,
►When the temperature is lower than the lower limit of the alarm temperature, the lower limit alarm is activated, and the symbol “
” flashes
7.5 Comfort display
► Indoor comfort level is calculated according to the indoor temperature and humidity, a total of 5 levels.
![]()
7.6 Current Humidity and Humidity Trend Display
► After you insert the batteries, the weather station measures the current relative
humidity. The trend display shows a neutral relative humidity course
. The further course of the trend display is determined as follows:
If, after an hour, the relative humidity is more than 5% higher than the value measured first, then a positive course is displayed
.
If, after an hour, the relative humidity is more than 5% lower than the value measured first, then a negative course is displayed
.
If the relative humidity does not change within an hour, the upward or downward pointing arrow becomes a horizontal arrow. The measured relative humidity is then taken as the neutral value from which further prognoses are made.
7.7 Maximum/Minimum Temperature and Humidity
► To view indoor/outdoor maximum, minimum temperature, and humidity data, press the “MEM” button:
Once to show the maximum temperature and humidity values.
Twice to sow the minimum temperature and humidity values
Three times to return to the current temperature and humidity levels
► To reset the maximum and minimum temperature and humidity, press and hold down the “MEM” button for about 2 seconds. This will reset all minimum and maximum data recorded to the currently displayed values.
F.Y.I.:
► If the temperature reading is below ranges, the LL.L will be displayed. If the temperature reading is above ranges, the HH.H will be displayed.
► The weather station automatically starts receiving a transmission from the outdoor Thermo sensor for outdoor temperature & humidity after batteries are inserted.
► The outdoor sensor will automatically transmit temperature and humidity signals to the Weather Station after the batteries are inserted.
► The weather station can connect up to 3 channel wireless sensor registration, the use of multiple wireless sensors, the wireless sensor channel cannot choose the same channel at the same time (a total of 1, 2, 3 channels can choose)
► Press the “▼” key can switch the display of different channels of remote temperature and humidity when displaying the symbol ”
“, will display the channel every 5 seconds and automatically switch a channel
► If Weather Station failed to receive a transmission from the outdoor sensor (“- -” display on the LCD), press and hold the “▼” button for 3 seconds to receive transmission manually. RF icon “
” flashes on the LCD, and The Weather Station receives the outdoor sensor.
F.Y.I.:
► When the wireless sensor set up different channels, the weather station “REMOTE SENSOR” also wants to switch to the same channel. When there is no wireless sensor signal transmission on the channel, “–” will be displayed in the channel of the weather station
► There is only 1 remote sensor included, please make the weather station stays in the same channel as the remote sensor.
BACKLIGHT
► If the product is powered by batteries, touch the “
” field. The backlight lit for 15 seconds.
►When the power supply of the product is inserted into the power supply adapter, the battery will automatically disconnect the power supply, and the backlight will always be bright. Press the “
” button to adjust the brightness of the backlight, you can adjust the 5 state: 4 different brightness backlight and close the backlight. Users can choose according to their personal preferences of different brightness backlights or turn off the backlight. Turn off the backlight when you can touch the “
” field to light the backlight for 15 seconds.
USB Charger
► When you use a USB charger to charge the electronic device, please make sure the weather station is powered by the main adapter, DO NOT use batteries only.
LOW BATTERY:
► If the battery icon “
” appears the batteries in the outdoor sensor should be replaced as soon as possible.



















