Bradford White 238-54649-00A Light Duty Light Service Commercial Electric Water Heater

Product Information
Light Duty/Light Service Commercial Electric Water Heater
The Light Duty/Light Service Commercial Electric Water Heater is a high-quality water heater that is designed for commercial use. It comes with a detailed installation and operating instruction manual that explains in detail the installation and maintenance of the water heater. The water heater is manufactured to meet local codes and standards, and it comes with a warranty that is only in effect when the water heater is installed and operated according to the instructions provided in the manual.
Table of Contents
- General Information
- Installation
- Locating the Water Heater
- Water Connections
- Electrical Connections
- General Operation
- Thermostat Adjustment
- Maintenance
Determining the Age of Your Water Heater
The age of your water heater can be determined by looking at the serial number. The first two characters of the serial number represent the year and month of manufacture. The remainder of the serial is a sequential production number, seven digits in length before December 2007 (DM), and eight digits in length after.
Product Usage Instructions
Light Duty/Light Service Commercial Electric Water Heater
Before starting the installation or operation of your Light Duty/Light Service Commercial Electric Water Heater, it is recommended that you read the instruction manual thoroughly. For your comfort, safety, and convenience, it is also recommended that you have a plumbing professional install and service your water heater.
Product Installation
Locating the Water Heater
Choose a location for the water heater that is easily accessible for maintenance and service. The location should also be well-ventilated and have proper drainage. The water heater should be installed on a level surface that can support its weight.
Water Connections
Connect the water inlet and outlet pipes to the water heater according to the instructions provided in the manual. Use appropriate fittings and pipe materials that are compatible with the water heater.
Electrical Connections
The electrical connections for the water heater should be made by a qualified electrician. Follow the instructions provided in the manual and local electrical codes. The water heater should be grounded properly.
General Operation
The water heater is equipped with a thermostat that controls the temperature of the water. Follow the instructions provided in the manual to adjust the thermostat to the desired temperature. The water heater also has a pressure relief valve that should be checked periodically to ensure proper operation.
Maintenance
To ensure proper operation of the water heater, it is recommended that you perform regular maintenance. This includes checking the pressure relief valve, inspecting the anode rod, and flushing the tank periodically. Refer to the maintenance section in the manual for detailed instructions on how to perform these tasks.
LIGHT DUTY/LIGHT SERVICE COMMERCIAL ELECTRIC WATER HEATER
INSTALLATION & OPERATING INSTRUCTION MANUAL
THE WARRANTY ON THIS WATER HEATER IS IN EFFECT ONLY WHEN THE WATER HEATER IS INSTALLED AND OPERATED IN ACCORDANCE WITH LOCAL CODES AND THESE INSTRUCTIONS. THE MANUFACTURER OF THIS HEATER WILL NOT BE LIABLE FOR ANY DAMAGE RESULTING FROM FAILURE TO COMPLY WITH THESE INSTRUCTIONS. READ THESE INSTRUCTIONS THOROUGHLY BEFORE STARTING.
For your comfort, safety, and convenience, it is recommended that this water heater be installed and serviced by a plumbing professional.
WARNING
CANCER AND REPRODUCTIVE HARM\WWW.P65WARNINGS.CA.GOV
As required by the state of California Proposition 65.
You have just purchased one of the finest water heaters on the market today!
This installation, operation and instruction manual will explain in detail the installation and maintenance of your new Light Duty/Light Service Commercial Electric Water Heater. We strongly recommend that you contact a plumbing professional for the installation of this water heater.
We require that you carefully read this manual, as well as the enclosed warranty, and refer to it when questions arise. If you have any specific questions concerning your warranty, please consult the plumbing professional from whom your water heater was purchased. For your records we recommend that you write the model, serial number, and installation date of your water heater in the maintenance section in the back of this manual.
This manual should be kept with the water heater.
Determining the Age of Your Water Heater
The first two characters of the serial number represent the year and month of manufacture. The remainder of the serial is a sequential production number, seven digits in length before December 2007 (DM), and eight digits in length after.
For example:

| Production Year | |
| A = 1984 or 2004 | L = 1994 or 2014 |
| B = 1985 or 2005 | M = 1995 or 2015 |
| C = 1986 or 2006 | N = 1996 or 2016 |
| D =1987 or 2007 | P = 1997 or 2017 |
| E = 1988 or 2008 | S = 1998 or 2018 |
| F = 1989 or 2009 | T = 1999 or 2019 |
| G = 1990 or 2010 | W = 2000 or 2020 |
| H = 1991 or 2011 | X = 2001 or 2021 |
| J = 1992 or 2012 | Y =2002 or 2022 |
| K = 1993 or 2013 | Z = 2003 or 2023 |
| Production Month | |
| A = January | G = July |
| B = February | H = August |
| C = March | J = September |
| D =April | K = October |
| E = May | L = November |
| F = June | M = December |
For the year column, we do not use the letters: I, O, Q, R U, V
For the month column we do not use the letters: I & N – Z
Due to a computer error there were some OA serial water heaters manufactured. They were built in January of 1997.
NOTICE
This Service Manual is for all LE / SLE models YG and later. For 65, 80, and 120 gallon models, this manual covers YF and later.
For the generation of your model, please see the serial number breakdown below:
| GEN 1 | GEN 2 | ||
| MODEL | LE120L | — | YG + |
| LE230LN | — | YG + | |
| LE240LN | — | YG + | |
| LE250LN | — | YG + | |
| LE330S | — | YG + | |
| LE340S | — | YG + | |
| LE350S | — | YG + | |
| LE112T | — | YG + | |
| LE255T | — | YG + | |
| LE265T | YF to YG | YG + | |
| LE280T | YF to YG | YG + | |
| LE2120T | YF to YG | YG + | |
| LE16U | — | YG + | |
| LE120U | — | YG + | |
| LE220U | — | YG + | |
| SLE280T | YF to YG | YG + | |
| SLE2120T | YF to YG | YG + | |
| SLE265T | YF to YG | YG + |
GENERAL INFORMATION
This electric water heater’s design is certified by Underwriters Laboratories (UL) and listed in accordance with UL 1453 and cUL listed in accordance with Canadian National Standard C22.2, No. 110.
This water heater must be installed in accordance with local codes. In the absence of local codes, install this water heater in accordance with the
latest edition of National Electrical Code NFPA 70.
The warranty for this water heater is in effect only when the water heater is installed, adjusted, and operated in accordance with these Installation and Operating Instructions. The manufacturer will not be held liable for damage resulting from alteration and/or failure to comply with these instructions.
To comply with NSF requirements this water heater is to be:
- Sealed to the floor with sealant, in a smooth and easily cleanable way, or
- Installed with an optional leg kit that includes legs and/or extensions that provide a minimum clearance of 6” beneath the water heater.
Do not use this appliance if any part has been submerged in water. The plumbing professional responsible for the installation of this water heater should be contacted to inspect the appliance and to replace any part of the control system, including thermostat, which has been submerged in water.
Make sure that the rating plate on the water heater is referenced for certainty that the correct voltage is being supplied to the water heater.
DANGER
Do not store or use gasoline or other flammable, combustible, or corrosive vapors and liquids in the vicinity of this or any other appliance.
A sacrificial anode(s) is used to extend tank life. Removal of any anode, except for inspection and/or replacement, will nullify the warranty. In areas where water is unusually active, an odor may occur at the hot water faucet due to a reaction between the sacrificial anode and impurities in the water. If this should happen, an alternative anode(s) may be purchased from the supplier that installed this water heater. This will minimize the odor while protecting the tank. Additionally, the water heater should be flushed with appropriate dissolvers to eliminate any bacteria.
IMPORTANT
Before proceeding, please inspect the water heater and its components for possible damage. DO NOT install any damaged components. If damage is evident, please contact the supplier where the water heater was purchased, or the manufacturer listed on the rating
plate for replacement parts.
INSTALLATION
Locating The Water Heater
WARNING
Water heaters are heat producing appliances. To avoid damage or injury, there shall be no materials stored against the water heater and proper care shall be taken to avoid unnecessary contact (especially by children) with the water heater. UNDER NO CIRCUMSTANCES SHALL FLAMMABLE MATERIALS, SUCH AS GASOLINE OR PAINT THINNER BE USED OR STORED IN THE VICINITY OF THIS WATER HEATER OR ANY LOCATION FROM WHICH FUMES COULD REACH THE WATER HEATER.
This water heater MUST be installed indoors out of the wind and weather.
This water heater shall NOT be installed in any location where gasoline or flammable vapors are likely to be present unless the installation is such to eliminate the probable ignition of gasoline or flammable vapors.
The location this water heater is to be installed is of utmost importance. Before installing this water heater, consult the installation section of these instructions. After reading these installation and operating instructions, select a location for the water heater where the floor is level and is easily accessible to a power supply and water connections. It is recommended that the water heater be located near the center of greatest hot water usage to prevent heat loss through the pipes. DO NOT locate the water heater where water lines could be subjected to freezing temperatures. Locate the water heater so that access panels and drain valves are accessible. Some models are not equipped with a drain valve. For those models, install a drain tee in the cold-water inlet as close as practical to the water heater.
Water heater corrosion and component failure can be caused by the heating and breakdown of airborne chemical vapors. Examples of some typical compounds that are potentially corrosive are: spray can propellants, cleaning solvents, refrigerator and air conditioning refrigerants, swimming pool chemicals, calcium or sodium chloride, waxes, and process chemicals.
These materials are corrosive at very low concentration levels with little or no odor to reveal their presence. NOTE: DAMAGE TO THE WATER HEATER CAUSED BY EXPOSURE TO CORROSIVE VAPORS IS NOT COVERED BY THE WARRANTY. DO NOT OPERATE THE WATER HEATER IF EXPOSURE HAS OR WILL OCCUR. DO NOT STORE ANY POTENTIALLY CORROSIVE COMPOUNDS IN THE VICINITY OF THE WATER HEATER.
This water heater must be located in an area where leakage of the tank or water line connections and the combination temperature and pressure relief valve will not result in damage to the area adjacent to the water heater or to lower floors of the structure. When such locations cannot be avoided, a suitable drain pan must be installed under the water heater. The drain pan must have a minimum length and width of at least 4 in. (10.2 cm) greater than the diameter of the water heater. The drain pan, as described above, can be purchased from your plumbing professional. The drain pan must be piped to an adequate drain. The piping must be pitched for proper drainage.
CLEARANCES
- Minimum clearance to combustible material is 0 inches for the Top, Sides, Front, and Rear of this water heater. However, it is recommended that at least 18 inches (45.7 cm) from the Top, and 24 inches (61 cm) from the Front. Clearance for servicing may be reduced down to minimum clearance to combustible material, but service time and effort may be greatly increased.
- Increase distances to provide clearances for servicing.
Note: Per Section 507.2 Seismic Provisions of the 2021 Uniform Plumbing Code (UPC). Water heaters shall be anchored or strapped to resist horizontal displacement due to earthquake motion. Strapping shall be at points within the upper one-third and lower one-third of its vertical dimensions. At the lower point, a distance of not less than 4 inches shall be maintained from the controls with the strapping.
Please refer to the local authority having jurisdiction to see if there are any additional local requirements regarding seismic provisions.
Water Connections
NOTE: BEFORE PROCEEDING WITH THE INSTALLATION, CLOSE THE MAIN WATER SUPPLY VALVE.
After shutting the main water supply valve, open a faucet to relieve the water line pressure to prevent any water from leaking out of the pipes while making the water connections to the water heater. After the pressure has been relieved, close the faucet. The COLD-water inlet and HOT-water outlet are identified on top of the water heater. The fittings at the cold-water inlet and hot water outlet are dielectric waterway fittings with 3/4” NPT tapered male threads. Make the proper plumbing connections between the water heater and the plumbing system in the building. Install a shut-off valve in the cold-water supply line.
CAUTION
If sweat fittings are to be used, DO NOT apply heat to the nipples on top of the water heater. Sweat the tubing to the adapter before fitting the adapter to the water connections. It is imperative that heat is not applied to the nipples containing a plastic liner.
IMPORTANT
FAILURE TO INSTALL AND MAINTAIN A NEW, LISTED 3/4” X 3/4” TEMPERATURE-PRESSURE RELIEF VALVE WILL RELEASE THE MANUFACTURER FROM ANY CLAIM WHICH MIGHT RESULT FROM EXCESSIVE TEMPERATURE AND PRESSURES.
If this water heater is installed in a closed water supply system, such as the one having a back-flow preventer in the cold-water supply, provisions shall be made to control thermal expansion. DO NOT operate this water heater in a closed system without provisions for controlling thermal expansion. Your water supplier or local plumbing inspector should be contacted on how to control this situation.
After installation of the water lines, open the main water supply valve and fill the water heater. While the water heater is filling, open several hot water faucets to allow air to escape from the water system. When a steady stream of water flows through the faucets, close them and check all water connections for possible leaks. NEVER OPERATE THE WATER HEATER WITHOUT FIRST BEING CERTAIN IT IS FILLED WITH WATER.
WARNING
Hydrogen gas can be produced in a hot water system served by this water heater that has not been used for a long period of time
(generally two weeks or more). Hydrogen gas is extremely flammable. To reduce the risk of injury under these conditions, it is recommended that the hot water faucet be opened for several minutes at the kitchen sink before using any electrical appliance connected to the hot water system. If hydrogen is present, there will probably be an unusual sound such as air escaping through the pipe as the water begins to flow. There should be no smoking or open flame near the faucet at the time it is open.
- For protection against excessive temperatures and pressure, install temperature and pressure protective equipment required by local codes, but not less than a combination temperature and pressure relief valve certified by a nationally recognized testing laboratory that maintains periodic inspection of production of listed equipment or materials, as meeting the Requirements for Relief Valves and Automatic Gas Shutoff Devices for Hot Water Supply Systems, ANSI Z21.22, and the Standard CAN1-4.4 Temperature, Pressure, Temperature and Pressure Relief Valves and Vacuum Relief Valves. The combination temperature and pressure relief valve shall be marked with a maximum set pressure, not to exceed the maximum working pressure of the water heater. The combination temperature and pressure relief valve shall also have an hourly rated temperature steam BTU discharge capacity not less than the hourly input rating of the water heater.
Install the combination temperature and pressure relief valve into the opening provided and marked for this purpose on the water heater.
Note: Some models may already be equipped or supplied with a combination temperature and pressure relief valve. Verify that the combination temperature and pressure relief valve complies with local codes. If the combination temperature and pressure relief valve does not comply with local codes, replace it with one that does. Follow the installation instructions above on this page.
Install a discharge line so that water discharged from the combination temperature and pressure relief valve will exit within six (6) inches (15.3 cm) above, or any distance below the structural floor and cannot contact any live electrical part. The discharge line is to be installed to allow for complete drainage of both the temperature and pressure relief valve and the discharge line. The discharge opening must not be subjected to blockage or freezing. DO NOT thread, plug or cap the discharge line. It is recommended that a minimum of four (4) inches (10.2 cm) be provided on the side of the water heater for servicing and maintenance of the combination temperature and pressure relief valve.
Do not place a valve between the combination temperature and pressure relief valve and the tank.
CAUTION
INCREASING THE THERMOSTAT SETTING ABOVE THE PRESET TEMPERATURE MAY CAUSE SEVERE BURNS AND CONSUME EXCESSIVE ENERGY. HOTTER WATER INCREASES THE RISK OF SCALD INJURY.
This water heater can deliver scalding temperature water at any faucet in the system. Be careful whenever using hot water to avoid scalding injury. Certain appliances, such as dishwashers and automatic clothes washers, may require increased temperature water. By setting the thermostat on this water heater to obtain increased temperature water required by these appliances, you may create the potential for scald injury. To protect against injury, you should install an ASSE approved mixing valve in the water system. This valve will reduce point of discharge temperature by mixing cold and hot water in branch supply lines. Such valves are available from the manufacturer listed on the rating plate or from your local plumbing supplier. Please consult with a plumbing professional.
Water temperature over 125°F (52°C) can cause severe burns instantly or death from scalds.
Children, disabled and elderly are at highest risk of being scalded.
Review this instruction manual before setting temperature at water heater.
Feel water before bathing or showering.
Temperature limiting valves are available.
| APPROXIMATE TIME/TEMPERATURE RELATIONSHIPS IN SCALDS | |
| 120°F (49°C) | More than 5 minutes |
| 125°F (52°C) | 1½ to 2 minutes |
| 130°F (54°C) | About 30 seconds |
| 135°F (57°C) | About 10 seconds |
| 140°F (60°C) | Less than 5 seconds |
| 145°F (63°C) | Less than 3 seconds |
| 150°F (66°C) | About 1½ seconds |
| 155°F (68°C) | About 1 second |
Upright Models (See Figure 1A & 1B)
The hot and cold-water connections are identified on the top of the water heater (See figure 1A). For bottom inlet models, the cold-water inlet is located on the side of the drain valve (see figure 1B). Connect the hot and cold-water lines to the installed nipples using unions. Install a listed temperature-pressure relief valve in the remaining fitting.

Utility Models (See Figure 2)
Utility models are supplied with inlet and outlet nipples located in a plastic bag attached to the side of the water heater. The hot and cold-water connections are identified on the side of the water heater. Apply appropriate amount of thread sealant to the provided nipples and install them into the side of the tank. For 20-gallon utility models, install the supplied anode/nipple combination at the HOT outlet location. Connect the hot and cold-water lines to the installed nipples using unions. Install a listed temperature-pressure relief valve in the opening on the side of the water heater. Install a vacuum relief anti-siphon device in the cold-water inlet line.

Electrical Connections
Before any electrical connections are made, be sure that the water heater is full of water and that the manual shut-off valve in the cold-water supply line is open. Check the rating plate and wiring diagram before proceeding. This electric water heater was built and wired in accordance with the UL testing approvals requirements. The temperature limiting device is of the manual reset, trip-free type and has been factory installed to interrupt all ungrounded power supply conductors in the event of thermostat failure. Thermostats are factory set and wired in accordance with the wiring diagram fastened to the inside of the top access panel. The plumbing supplier in your area ordered this heater wired at the factory to comply with existing area codes, but local utility codes may require or allow other circuitry. The thermostats are factory set and wired in accordance with the wiring diagram affixed to the water heater next to the thermostat/element access cover. Consult your local power company to determine the correct electrical hook-up in order to meet local utility and building codes and in order to obtain the most economical rates. Also check to find out if you are required to obtain a permit before starting the installation. Note: Install electric connections according to local codes or latest edition of National Electrical Code NFPA 70.
The water heater must be well grounded. The green ground wire from the power supply shall be attached to the terminal marked for this purpose on the terminal block for all water heaters except 10 and 15 gallon utility models. For 10 and 15 gallon utility models, the ground wire shall be attached to the green ground screw located under the element access cover.
WARNING
Proper ground connection is essential. The presence of water in the piping and water heater does NOT provide sufficient conduction for a ground. Nonmetallic piping, dielectric unions, flexible connectors, etc., can cause the water heater to be electrically isolated. Do NOT disconnect factory ground.
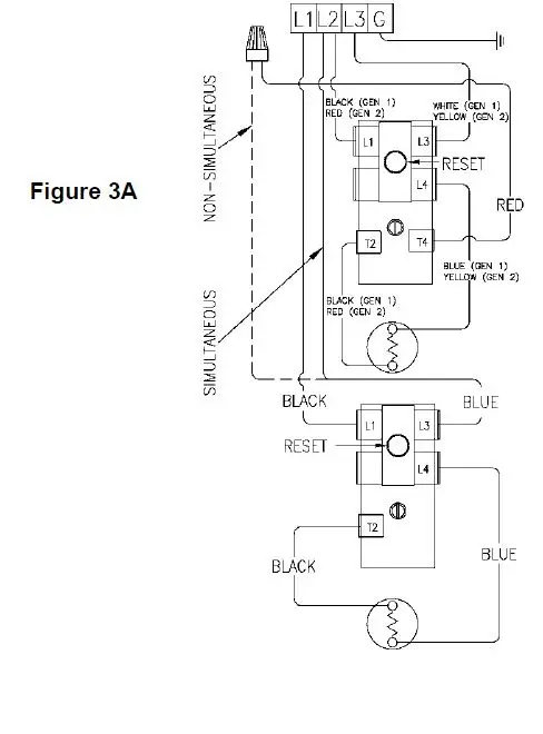
Upright and lowboy models are wired for “unbalanced” three phase delta branch circuit operation. Upright and lowboy models (only) may be converted to single phase and/or simultaneous operation as shown on the wiring diagram (see figure 3A and 3B). To ensure proper electrical connection, check the voltage and wiring configuration on the rating plate located on the front of the water heater.
Run the power leads from an adequately fused disconnect switch (not supplied) and connect the wires to the water heater according to the wiring diagram found in these installation and operation instructions (see figures 3A, 3B, and 4 for correct wiring diagram) and located on the front of the water heater. Where longer runs are needed or local codes and ordinances require, an increase in wire size may be necessary. Consult local codes and/or your local power company for any specific requirements which may apply. In the absence of local codes and ordinances, refer to the National Electrical Code.




The maximum wattage and rate voltage are shown on the water heater data plate.
FOR YOUR SAFETY
Increasing the wattage and/or voltage from the factory original equipment can require changes to the water heater and/or the electric service. Unauthorized modification of the water heater may create a hazard to life and property and will nullify the warranty. Contact your dealer or utility company before making any changes.



GENERAL OPERATION
Before closing the switch to allow electric current to flow to the water heater, make certain that the water heater is full of water and that the cold-water inlet valve is open. Complete failure of the heating element(s) will result if they are not totally immersed in water at all times. Failure of the element(s) due to dry firing is not covered by warranty.
When the switch is closed, the operation of this electric water heater is automatic. The thermostats are preset BELOW the “HOT” setting to provide a water temperature of approximately 125°F (52°C) to reduce the risk of scald injury.
CAUTION
Scalding may occur within five (5) seconds at a temperature setting of 140°F (60°C).
Care must be taken whenever using hot water to avoid scalding injury. Certain appliances require high temperature hot water (such as dishwashers and automatic clothes washers).
TO FILL THE WATER HEATER
- Close the water heater drain valve (if provided) by inserting a standard flat head screwdriver into the slot and turning clockwise.
- Open the cold-water supply shut-off valve.
- Open several hot water faucets to allow air to escape from the system.
- When a steady stream of water flows from the faucets, the water heater is filled. Close the faucets and check for water leaks at the water heater drain valve, combination temperature and pressure relief valve and the hot and cold-water connections.
TO DRAIN THE WATER HEATER
Should it become necessary to completely drain the water heater, make sure you follow the steps below:
- Disconnect the power supply to the water heater. Consult the plumbing professional or electric company in your area for service.
- Close the cold-water supply shut-off valve.
- Open the drain valve (if provided) on the water heater by inserting a standard flat head screwdriver into the slot and turning counterclockwise. The drain valve has threads on the end that will allow connection of a standard hose coupling. For those models not equipped with a drain valve, disconnect cold water inlet piping at a convenient connection location as close to an adequate drain as possible. CAUTION! THIS WATER MAY BE HOT.
- Open a hot water faucet to allow air to enter the system.
To refill the water heater, refer to “TO FILL THE WATER HEATER.”
Thermostat Adjustment
CAUTION
Before adjusting thermostat(s), turn off power supply to the water heater.
The temperature of the water can be changed by adjusting the thermostat(s). Before any work is done on the water heater, disconnect all power to the water heater by opening the switch at the main electrical circuit breaker or fuse box. Remove the access panels or front panel on tabletops, fold the insulation outward away from the controls. Set the thermostat(s) to the desired water temperature using a screwdriver to move the thermostat dial. The thermostat has been factory preset to approximately 125°F (52°C). Rotate the temperature dial clockwise to increase water temperature. Replace the insulation making sure that the controls are well covered and that the plastic terminal shield has not been displaced; replace the access panel. The water heater is now ready for operation and the main switch can be closed.

DANGER
Hotter water increases the risk of scald injury. Scalding may occur within five (5) seconds at a temperature setting of 140°F (60°C). To protect against hot water injury, install an ASSE approved mixing valve in the water system. This valve will reduce point of discharge water temperatures by mixing cold and hot water in branch water lines. A licensed plumbing professional or local plumbing authority should be consulted.
Note: This water heater is equipped with an energy cut out device to prevent overheating. Should overheating occur, turn off the electrical supply to the water heater and contact a qualified service technician.
MAINTENANCE
IMPORTANT
The water heater should be inspected at a minimum of annually by a qualified service technician for damaged components. DO NOT operate this water heater if any part is found damaged.
Shut off the electric power whenever the water supply to the water heater is off. Shut off the electric power and water supply, drain the heater completely to prevent freezing whenever the building is left unoccupied during the cold weather months. In order to ensure efficient operation and long tank life, drain the water heater at least once a month through the drain valve until the water runs clear. Failure to do this may result in noisy operation and lime and sediment buildup in the bottom of the tank. Check the temperature-pressure relief valve to ensure that the valve has not become encrusted with lime. Lift the lever at the top of the valve several times until the valve seats properly without leaking and operates freely.
WARNING
When lifting lever of temperature-pressure relief valve, hot water will be released under pressure. Be certain that any released water does not result in bodily injury or property damage. The magnesium anode rod should be inspected periodically and replaced when necessary to prolong tank life.
The following maintenance should be performed by a qualified service technician at the minimum periodic intervals suggested below. In some installations, the maintenance interval may be more frequent depending on the amount of use and the operating conditions of the water heater. Regular inspection and maintenance of the water heater will help to insure safe and reliable operation.
- Annually, check the operation of the thermostat(s).
- Bi-annually, check the seal around the heating elements for leaks. If there is any sign of leaking, disconnect the power supply to the water heater and contact the plumbing professional who installed this water heater or a qualified service technician.
- At least once a year, check the combination temperature and pressure relief valve to ensure that the valve has not become encrusted with lime. Lift the lever at the top of the temperature-pressure relief valve several times until the valve seats properly without leaking and operates freely.
WARNING
When lifting lever of temperature-pressure relief valve, hot water will be released under pressure. Be certain that any released water does not result in bodily injury or property damage. - If the combination temperature and pressure relief valve on the appliance discharges periodically, this may be due to thermal expansion in a closed water supply system. Contact the water supplier or local plumbing inspector on how to correct this situation. Do not plug the combination temperature and pressure relief valve outlet for any reason.
- Monthly, drain off a gallon of water from the water heater to remove silt and sediment.
WARNING! THIS WATER MAY BE HOT. - A combination sacrificial anode rod/hot water outlet nipple has been installed to extend tank life. The anode rod should be inspected periodically (every 2 years) and replaced when necessary to prolong tank life. Water conditions in your area will influence the time interval for inspection and replacement of the anode rod. Contact the plumbing professional who installed the water heater, or the manufacturer listed on the rating plate for anode replacement information. The use of a water softener may increase the speed of anode consumption. More frequent inspection of the anode is needed when using softened (or phosphate treated) water.
CAUTION
FOR YOUR SAFETY, DO NOT ATTEMPT TO REPAIR THERMOSTAT(S), HEATING ELEMENTS, OR ELECTRICAL WIRING. REFER SUCH REPAIRS TO A QUALIFIED SERVICE TECHNICIAN.
Contact your local plumbing supplier or plumbing professional for replacement parts or contact the company at the address displayed on the rating plate of the water heater.
For faster and better service, please provide the part name, model, and serial number(s) of the water heater(s) when ordering parts.
READ THE WARRANTY FOR A FULL EXPLANATION OF THE LENGTH OF TIME THAT PARTS AND THE WATER HEATER ARE WARRANTED
This product is covered under one or more of the following patents and or patent pending applications: CA2,430,807 CA2,844,271 EP1369647 GB1369647 NL1369647 TWI276761 US7,559,293 US7,900,589 US7,007,748 CA2,476,685 US7,063,132 CA2,409,271 US6,684,821 US7,337,517 US7,665,211 US7,665,210 US7,699,026 CA2,504,824 US6,935,280 AU2007201423 CA2,583,609 EP1840484 GB1840484 NL0840484 US7,634,976 US7,270,087 US7/621,238 US7,334,419 US7,866,168 CA2,491,181 US7,063,133 CA2,677,549 US8,082,888 AU2007201424 CA2,583,108 EP1840481 GB1840481 NL1840481 CA2,659,534 US7,971,560 US7,992,526 US8,146,772 US8,707,558 CA2,548,958 MX243220 US6,422,178 TWI649522 US9,429,337 CA3,001,716 GB2558134 GB2013252.8 US10,866,010 US17/109,618 US10,503,183 US20/42096 CA2,949,830 DE112015002523.5 GB2540513 US9,574,792 US15/436,425 CA3,059,965 EP18784108.5 MX/a/2019/012268 US15/486,816
US17/038,087 US7,007,316 US7,243,381 CA2,784,312 US8,787,742 DE112014002713.8 GB2533862 US9,964,241 US6,644,393 US8,851,022 USD636,857 US8,931,438 CA2,899,271 US10,495,343 CA2,918,211 US10,094,619 US15/621,063 US16/474,833
US16/281,599
Complete the following information and retain for future reference: Model No:
Serial No:
Service Phone
Days: Nights:
Address:
Supplier:
Supplier Phone No:



















