electric PEBS-S Series DC Miniature Circuit Breaker
Instruction Manual
PEBS-S Series DC Miniature Circuit Breaker
DOC: PZ-DT-05-01
Thank you for choosing PROJOY products.
Please read carefully before installation.
PEBS-S INSTRUCTIONS FOR INSTALLATION AND OPERATION
INSTALLATION
PROJOY PEBS-S products are mounted on standard din-rails and are suitable for 35mm standard dinrail installation. No additional tools are required for installation. Simply push the product into the guide rail. For operation, please hang the hook at the top of the bottom into the guide rail to make the product 30°. Then, press the product diagonally downwards to snap the product into the guide rail, and the final product will be vertical as shown in the right

DISASSEMBLY
PROJOY PEBS-S products are quick-release design and can be easily disassembled with a single screwdriver. The details are as follows:
First insert the screwdriver into the opening at the bottom of the product buckle, use the product as a fulcrum, and then withdraw the buckle downward. When you hear a click, the buckle will automatically stop at the fixed position, and the product is separated from the guide rail. The bottom of the product is first separated from the guide rail to form an angle of about 30°, and then slightly raised, and the upper hook is separated from the guide rail to take out the product.

WIRING ABILITY
| Connection tool | 2# screw driver |
| Wiring capability(mm²) | 1-35mm² |
| Tightening torque(Nm) | 2-3.5Nm |
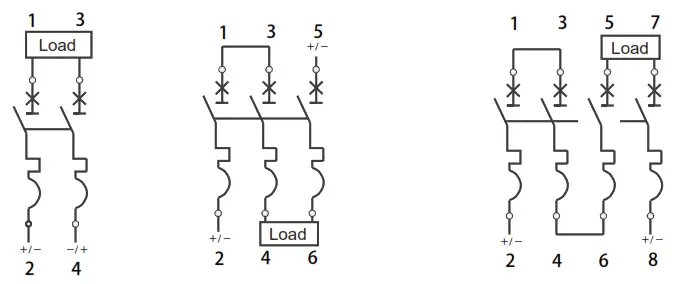
WIRING CIRCUIT DIAGRAM

2nd Floor, Building 3, No. 2266, Taiyang Road,
Xiangcheng District, Suzhou
Tel : +86 512 6878 6489
Fax: +86 512 6878 6489
Web: www.projoy-electric.com
E-mail: [email protected]![]()



















