AMETEK X-123 Complete X-Ray Spectrometer

Product Information
X123 User Manual -B5
The X123 is a complete X-Ray Spectrometer that supports all available detector types. It is manufactured by Amptek, Inc and their address is 14 DeAngelo Dr, Bedford MA 01730 USA. The phone number is +1 781 275 2242 and the fax number is +1 781 275 3470. The email address is [email protected] and the website is www.amptek.com. TUV Rheinland Certification is available on request.
Warnings and Precautions
Before using the X123, please read the manual carefully. Do not drop, hit, or cause mechanical shock to the detector, as it can damage components inside the TO-8 package. There is a vacuum inside the TO-8 for cooling and damage to the package can cause a vacuum leak, preventing good cooling. Damage to the package is not covered under warranty. Do not touch the thin window on the end of the detector, as broken windows damaged by improper handling will not be covered by warranty. The detector windows are made from very thin film/foil materials (beryllium, Si3N4, Boron Carbide, etc.). The windows are extremely brittle and shatter easily. Do not permit any objects or materials to come into contact with the window. If damaged, the window cannot be repaired or replaced. If the window breaks, the TO-8 detector assembly must be replaced. Keep the red protective cover installed when not in use.
Avoid radiation damage to the detector as a radiation-damaged detector will not be covered under warranty. The detector will experience radiation damage if it is exposed to a high-flux environment, e.g., directly from a synchrotron. If the flux is low enough for spectroscopic operation, e.g., a count rate of a few.
Product Usage Instructions
The detector is normally mounted on an extender in the X-123. This is usually convenient for placing the detector inside shielding and in close proximity to a sample. The standard X-123 has a 1.5 extender but is available with a 3/8 extender (short), a 5 extender, and a 9 extender. The 5 and 9 options are commonly used in vacuum applications, extending through a vacuum flange into a vacuum chamber.
Another common option is to separate the detector/preamplifier from the rest of the electronics, contained in the metal enclosure. A 10-pin flat flex connector runs from the preamp to the X-123 box. This has the advantage of more flexibility in mounting but can be.
There are various OEM options and vacuum options available for the X123, which can be found on the following links:
Another option is using the XR100 preamplifier box with the X123 Electronics. This uses a BNC and 6-pin Lemo connected to the XR100 box, and the cables run to 2 flat Molex connectors on the DP5/PC5 stack. This option uses a special config of the DP5/PC5 in which the preamplifier voltage is +/- 8.5V instead of the normal +/- 5V on all the other options.
For vacuum use, please refer to the user manual for detailed instructions.
Warnings and Precautions
- CAUTION: READ THE MANUAL BEFORE USING THE X123
- DO NOT DROP, HIT, OR OTHERWISE CAUSE MECHANICAL SHOCK TO THE DETECTOR, OR CAUSE DAMAGE TO THE DETECTOR
- Mechanical shock can damage components inside the TO-8 package.
- There is a vacuum inside the TO-8 for cooling. Damage to the package can cause a vacuum leak, preventing good cooling. DAMAGE TO THE PACKAGE IS NOT COVERED UNDER WARRANTY.
- DO NOT TOUCH THE THIN WINDOW ON THE END OF THE DETECTOR
- BROKEN WINDOWS DAMAGED BY IMPROPER HANDLING WILL NOT BE COVERED BY WARRANTY.
- The detector windows are made from very thin film/foil materials (beryllium, Si3N4, Boron Carbide, etc.). The windows are extremely brittle and shatter easily.
- Do not permit any objects or materials to come into contact with the window.
- If damaged, the window cannot be repaired or replaced. If the window breaks, the TO-8 detector assembly must be replaced.
- Keep the red protective cover installed when not in use.
- AVOID RADIATION DAMAGE TO THE DETECTOR
- A RADIATION-DAMAGED DETECTOR WILL NOT BE COVERED UNDER WARRANTY.
- The detector will experience radiation damage if it is exposed to a high-flux environment, e.g. directly from a synchrotron.
- If the flux is low enough for spectroscopic operation, e.g. a count rate of a few hundred kcps, there will be no radiation damage in many years of continuous operation. But there are beams that produce a flux many orders of magnitude\ higher than this, and these will cause damage.
- Also, avoid radiation exposure to the electronics, the preamplifier and the signal processor.
- HIGH VOLTAGE IS PRESENT IN THE PREAMPLIFIER. This is typically +180 V for SiPIN or -135V for SDD’s and +700V for CdTe. The current is limited to <100A so is not a personnel hazard.
For best performance, the detector and preamplifier should be mounted to a heat sink. They should be kept away from incandescent lamps and not held in the hand. The thermoelectric cooler dissipates up to 2 W. A low thermal resistance path to a heat sink is needed to keep the detector cool, which is needed for the lowest electronic noise and for spectrum stability.
For best performance pay attention to possible sources of electromagnetic interference. Use a single point electrical ground, use the shortest length cables possible, and keep the system far from sources of electromagnetic interference, such as computer monitors, high power high voltage power supplies, etc. The signals from the detector are very small so performance can be degraded by EMI.
PROPOSITION 65 WARNING
WARNING
This product contains the following chemicals, which are known to the State of California to cause cancer, birth defects or other reproductive harm if exposed to them through improper use, storage, or disposal of the product:
| Prop 65 Chemical | Type of Toxicity | CAS No. | Product part containing the chemical |
| Beryllium | Cancer | — | Detector window |
Please consult this owner’s manual for proper use, storage, care, and disposal of the product. For more information, go to: www.p65warnings.ca.gov.
Introduction
X-123 Description
The X-123 combines, in a single package, Amptek’s high performance X-ray spectroscopy components: an X-ray detector (options include the FastSDD, SDD, SiPIN, or CdTe) and preamplifier, (2) the DP5 digital pulse processor and MCA, and (3) the PC5 power supply. The result is a complete system which can fit in your hand with no performance compromise. It requires only +5 VDC power and a standard communication interface. With the X-123, anyone can rapidly obtain high quality X-ray spectra.
The detector is mounted on a thermoelectric cooler along with the input FET and coupled to a custom charge sensitive preamplifier. The thermoelectric cooler reduces the electronic noise in the detector and preamplifier, but the cooling is transparent to the user: it operates like a room temperature system.
The pulse processor is the DP5, a second-generation digital pulse processor (DPP) which replaces both the shaping amplifier and MCA found in analog systems. The digital technology improves several key parameters: (1) better performance, specifically better resolution, and higher count rates; (2) greater flexibility since more configuration options are available, selected by software, and (3) improved stability and reproducibility. The DPP digitizes the preamplifier output, applies real-time digital processing to the signal, detects the peak amplitude, and bins this in its histogram memory. The spectrum is then transmitted to the user’s computer. The PC5 supplies the power to the detector, including low voltages for the preamps, high voltage to bias the detector, and a supply for the thermoelectric cooler which provides closed loop control with a maximum temperature differential of 85 °C. All of these are under software control. The X-123SDD input is unregulated +5 VDC with a current of about 400-900 mA, depending on configuration.
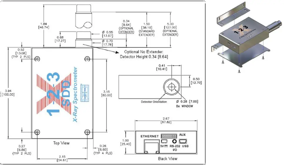
The complete system is packaged in 7 x 10 x 2.5 cm3 aluminum box. The detector is mounted on an extender; with lengths from 3/8” to 9” (vacuum flanges are available). In its standard configuration, only two connections are required: power (+5 VDC) and communications (USB, RS232, or Ethernet). An auxiliary connector provides several additional inputs and outputs, used if the X-123 will be integrated with other equipment. This includes an MCA gate, timing outputs, and eight SCA outputs. The X-123SDD is supplied with data acquisition and control software. It also includes a Software Development Kit (SDK), to integrate the unit with custom software. Optional accessories include software for analyzing X-ray spectra, several collimation and mounting options, and X-ray tubes to complete a compact system for X-ray fluorescence.
Photograph below of complete X-123 (left) and a typical 55Fe spectrum (right).

DP5 Family Design
Amptek has a family of products built around its core DP5 digital pulse processing technology, designed for pulse height spectroscopy. It was originally designed for the detection of ionizing radiation, principally X- ray and gamma-ray spectroscopy. A generic system, illustrated below, includes a sensor, a.k.a. detector, a charge sensitive preamplifier, analog prefilter circuitry, an ADC, an FPGA which implements pulse shaping and multichannel analysis, a communications interface, power supplies, data acquisition and control software, and analysis software.
Block diagram of the Standard X-123 Design

X123 Signals Flow Diagram
The core DP5 technology shared by all the systems includes the ADC, the FPGA, the communication interface, and the data acquisition and control software. All products in the DP5 product family include nearly the same digital signal processing algorithms, the same communication interfaces (both the primary serial interfaces and the auxiliary I/O), and use the same data acquisition and control software. The DPPMCA software package is a complete data acquisition and control application used across the family; Amptek also offers an SDK for custom software solutions.
The products in the DP5 family differ in the sensor for which they are designed, which leads to changes in the analog prefilter, power supplies, and form factor. They also differ in their completeness: some of Amptek’s products are “complete” (with detector, preamplifier, DPP, and power supplies), while others offer only a portion of the functionality for the user to integrate into a complete system.
X-123 Options and Variations
Detector
The X-123 is available with any of Amptek’s standard detectors: FastSDD, SDD, SiPIN, and CdTe. Each of these is recommended for a different application and the X-123 hardware will only accommodate one detector type.
- The X-123 FAST SDD® is Amptek’s highest performance detector, providing both the highest resolution (as low as 122 eV FWHM at 55Fe) and highest count rates (above 1 Mcps). It is available with the C2 low energy window, for measuring low energy X-rays, down to the Be Kα line. The X-123 FAST SDD® is recommended for count rates > 100 kcps and, with the C2 window, for measurements < 1 keV.
- The X-123-SDD (now obsolete) is a high-performance detector with broad applications in XRF. It has good resolution (as low as 125 eV FWHM at 55Fe) and good count rates (tens to hundreds of kcps). It provides the performance needed for most XRF applications, previously offered at a lower cost than the FastSDD.
- The X-123-SiPIN is recommended for cost sensitive XRF applications with less demanding resolution and/or count rate requirements. It is available with areas of 6, 13, or 25 mm2 with typical resolutions of 150 to 200 eV FWHM at 55Fe. It is best at count rates of a few to tens of kcps.
- The X-123-CdTe is recommended for higher energy X-rays, above 30 keV or so. The 0.5 mm silicon used in the other detectors loses sensitivity above 15 keV, while the CdTe detector remains near 100% efficient for all characteristic X-rays, to 100 keV. It is often used in characterizing X-ray tubes as well as XRF for rare earth metals, lead, mercury, and other higher Z materials.
Extender Options

- In the X-123, the detector is normally mounted on an extender, as seen in the photo above on the left. This is usually convenient for placing the detector inside shielding and in close proximity to a sample. The standard X-123 has a 1.5” extender but is available with a 3/8” extender (short), a 5” extender, and a 9” extender. The 5” and 9” options are commonly used in vacuum applications, extending through a vacuum flange into a vacuum chamber.
PA210/PA230 Interface
- Another common option, shown to the right above, is to separate the detector/preamplifier from the rest of the electronics, contained in the metal enclosure. A 10-pin flat flex connector runs from the preamp to the X-123 box. This has the advantage of more flexibility in mounting but can be more susceptible to electromagnetic interference, grounding, etc.
Other configurations options – See Amptek.com for details on other configuration options.
- OEM options https://www.amptek.com/products/x-ray-detectors/oem-xrf-solutions/oemsolutions-for-xrf-systems.
- Vacuum Options https://www.amptek.com/products/x-ray-detectors/accessories-for-xrfeds/vacuum-applications-for-amptek-detectors.
XR100 Interface

- Another option, shown above with the X123 box removed, is the using the XR100 preamplifier box with the X123 Electronics. This uses a BNC and 6-pin Lemo connected to the XR100 box, and the cables run to 2 flat Molex connectors on the DP5/PC5 stack. This option uses a special config of the DP5/PC5 in which the preamplifier voltage is +/- 8.5V instead of the normal +/- 5V on all the other options.
Vacuum Use
- The X-123 is suitable for vacuum applications, e.g., in EDS. The photo illustrates an X-123 with flex cables to the vacuum flange, and with the preamplifier and detector in the vacuum space. This design is not suitable for Ultra-High Vacuum (Amptek provides other systems appropriate for UHV) and the entire X-123 should not be placed in vacuum. https://www.amptek.com/products/x-raydetectors/accessories-for-xrf-eds/vacuum-applications-for-amptek-detectors.

X123 Specifications
Spectroscopic Performance:
The performance specifications – the resolution, count rate, etc. – are determined by the detector which has been chosen. The plots below show typical performance, for 55Fe at full cooling. Refer to Amptek’s detector specifications for more information.

Amptek SiPIN Specifications
| General | |||
| Detector Type | SiPIN | ||
| Detector Size (mm2) | 6 | 13 | 25 |
| Collimated Area mm2 | 4.4 | 11.1 | 21.5 |
| Thickness | 500μm | ||
| Collimator Type | Internal Multilayer | ||
| Preamplifier Type | JFET with Amptek custom reset through HV | ||
| Energy resolution @ 5.9 keV (55Fe) | |||
| 6 mm2:139 to 159 eV FWHM at Tpk=32 s | |||
| 13 mm2:150 to 205 eV FWHM at Tpk=32 s | |||
| 25 mm2:190 to 225 eV FWHM at Tpk=32 s | |||
| Other Performance | |||
| Peak to background (typical) | 16,000:1 for 6 mm2 15,000:1 for 13 mm2 > 12,000:1 for 25 mm2 | ||
| Maximum input count rate | > 50 kcps | ||
| Throughput count rate stability | Determined by signal processor & its settings | ||
| Window Options | |||
| Be | 1 mil (25 m) 0.5 mil (12.5 m) 1 μm Parylene on each | ||
| Signal Output | |||
| Sensitivity | 1 mV/keV | ||
| Gain stability | <20 ppm/°C | ||
| Polarity | Negative signal | ||
| Reset range | -5 to +5 V (typical) | ||
| Cooling | |||
| Cooling performance | ΔT > 85°C | ||
| Cooler type | Two stage thermoelectric | ||
| Temp monitor | Diode | ||
| Power | |||
| HV Bias | + 180V (typical) | |
| Max cooling power | 3.5 V / 0.45A | |
| Total power | < 2 W (full cooling) | |
| Other | ||
| Operating range | -35oC to +80°C Performance degrades at elevated detector temperatures. | |
| Storage & shipping | -40oC to +85°C, 10% to 90% RH noncondensing | |
| RoHS | Compliant | |
| Lifetime | Typical 5 to 10 years, depending on use | |
| Warranty Period | 1 year | |
Preamplifier Options
- Amptek’s Si-PINs are available with the XR-100 preamplifier, with the PA210 or PA230 OEM preamplifiers, or as part of the X-123 and X-55. Signal Processing Options
- Amptek’s Si-PINs may be used with Amptek’s DP5 or DP5-X, or the PX5, or as part of the X- 123 or X-55.
Specification Notes
- Performance listed here is measured at full cooling (<220K).
- The “peak to background ratio” is the ratio of counts in the Mn Kα peak channel to the counts at 1 keV.
- “Gain stability” refers to the change in sensitivity when the preamp temperature changes but the detector temperature is stable.
Operating Notes
- Detector must be operated with an appropriate heat sink.
- The SiPIN is suitable for vacuum applications. Amptek provides several system configurations.
Amptek CdTe Specifications
| General | |
| Detector Type | Cadmium Telluride (CdTe) Diode |
| Detector Size (mm2) | 5 x 5 mm (25mm2) |
| Detector Thickness | 1mm CdTe |
| Collimator Type | None |
| Preamplifier Type | Amptek Custom, Reset-style |
| Energy resolution @ 122 keV (57Co) | |
| 25 mm2:≤1.5keV FWHM Co-57 Tpk=2.4 s | |
| Other Performance | |
| Signal risetime | Up to 300 ns (typical) |
| Maximum input count rate | > 50 kcps |
| Throughput count rate stability | Determined by signal processor & its settings |
| Window Options | |
| Be Graphite | 4 mil (100 m), 1 μm Parylene 1mil (25um) |
| Signal Output | |
| Sensitivity | 0.7 mV/keV |
| Gain stability | <20 ppm/°C |
| Polarity | Negative signal |
| Reset range | -5 to +5 V (typical) |
| Cooling | |
| Cooling performance | ΔT > 85°C |
| Cooler type | Two stage thermoelectric |
| Temp monitor | Diode |
| Power | |
| HV Bias | + 700V (typical) |
| Max cooling power | 4 V / 0.35A |
| Total power | < 2 W (full cooling) |
| Other | |
| Operating range | 0oC to +40°C Performance degrades at elevated detector temperatures. |
| Storage & shipping | -20oC to +50°C, 10% to 90% RH noncondensing |
| RoHS | Compliant |
| Lifetime | Typical 5 to 10 years, depending on use |
| Warranty Period | 1 year |
Preamplifier Options
- Amptek’s CdTe are available with the XR-100 preamplifier, with the PA910 or PA930 OEM preamplifiers, or as part of the X-123 and X-55.
Signal Processing Options
- Amptek’s CdTe may be used with Amptek’s DP5 or DP5-X, or the PX5, or as part of the X-123 or X-55.
Specification Notes
- Performance listed here is measured at full cooling (<220K).
- The “peak to background ratio” is the ratio of counts in the Mn Kα peak channel to the counts at 1 keV.
- “Gain stability” refers to the change in sensitivity when the preamp temperature changes but the detector temperature is stable.
Operating Notes
- Detector must be operated with an appropriate heat sink.
- The CdTe is suitable for vacuum applications. Amptek provides several system configurations.
Amptek SDD Specifications (now obsolete)
| General | |
| Detector Type | Silicon Drift Detector (SDD) |
| Detector Size | 25 mm2 |
| Collimated Area | 17 mm2 |
| Thickness | 500 m |
| Collimator Type | Internal Multilayer |
| Preamplifier Type | JFET reset type |
| Energy resolution @ 5.9 keV (55Fe) | |
| 125 to 135 eV FWHM (guaranteed) at Tpk=11.2 s | |
| 128 eV at 4.0 s (typical) | |
| 147 eV at 1.0 s (typical) | |
| Other Performance | |
| Peak to background | > 20,000:1 (typical) |
| Signal risetime | < 60 ns |
| Maximum input count rate | > 200 kcps |
| Throughput count rate stability | Determined by signal processor & its settings |
| Window Options | |
| Be | 1/3 mil (8 m) 1/2 mil (12.5 m) 1 m Parylene on each |
| Signal Output | |
| Sensitivity | 0.8 mV/keV |
| Gain stability | <20 ppm/°C |
| Polarity | Positive signal |
| Reset range | -5 to +5 V (typical) |
| Cooling | |
| Cooling performance | T > 85°C |
| Cooler type | Two stage thermoelectric |
| Temp monitor | Diode |
| Power | |
| HV Bias | -100V to – 180V @ 25 A |
| Max cooling power | 3.5 V / 0.45A |
| Total power | < 2 W (full cooling) |
| Other | |
| Operating range | -35°C to +80°C Performance degrades at elevated detector temperatures. |
| Storage & shipping | -40°C to +85°C, 10% to 90% RH noncondensing |
| RoHS | Compliant |
| Lifetime | Typical 5 to 10 years, depending on use |
| Warranty Period | 1 year |
Preamplifier Options
- Amptek’s SDD is available with the XR-100 preamplifier, with the PA210 or PA230 OEM preamplifiers, or as part of the X-123 and X-55.
Signal Processing Options
- Amptek’s SDD may be used with Amptek’s DP5 or DP5-X, or the PX5, or as part of the X-123 or X-55.
Specification Notes
- Performance listed here is measured at full cooling (<220K).
- The “peak to background ratio” is the ratio of counts in the Mn Kα peak channel to the counts at 1 keV.
- “Gain stability” refers to the change in sensitivity when the preamp temperature changes but the detector temperature is stable.
Operating Notes
- Detector must be operated with an appropriate heat sink.
- The SDD is suitable for vacuum applications. Amptek provides several system configurations.
Amptek 25 mm2 FAST SDD® Specifications
| General | ||||
| Detector Type | Silicon Drift Detector (SDD) | |||
| Detector Size | 25 mm2 | |||
| Collimated Area | 17 mm2 | |||
| Thickness | 500 m | |||
| Collimator Type | Internal Multilayer | |||
| Preamplifier Type | CMOS reset type | |||
| Energy resolution @ 5.9 keV (55Fe) | ||||
| 122 to 129 eV FWHM (guaranteed) at Tpk=4.0 s | ||||
| 126 eV (typical) at 1.0 s | ||||
| 134 eV (typical) at 0.2 s | ||||
| Energy resolution @ C K: 45 eV (typical) | ||||
| Other Performance | ||||
| Peak to background | > 20,000:1 (typical) | |||
| Signal risetime | < 35 ns | |||
| Maximum input count rate | > 1 Mcps | |||
| Throughput count rate stability | Determined by signal processor & its settings | |||
| Window Options | ||||
| Be | 1/3 mil (8 m) 1/2 mil (12.5 m) 1 m Parylene on each | |||
| C series (low energy) | C1 | C2 | ||
| 90 nm Si3N4 | 40 nm Si3N4 | |||
| 250 nm Al | 30 nm Al | |||
| 30 mm2 | 30 mm2 | |||
| Grid: Hexagonal, 15 m thick Si, 78% open area C2 is NOT LIGHT TIGHT | ||||
| Signal Output | ||||
| Sensitivity | 3.6 mV/keV | |||
| Gain stability | <20 ppm/°C | |||
| Polarity | Positive signal | |||
| Reset range | -0.05 to 2 V (typical) | |||
| Cooling | ||||
| Cooling performance | T > 85°C | |||
| Cooler type | Two stage thermoelectric |
| Temp monitor | Diode |
| Power | |
| HV Bias | -100 V to – 180V @ 25 A |
| Max cooling power | 3.5 V / 0.45A |
| Total power | < 2 W (full cooling) |
| Other | |
| Operating range | -35oC to +80°C Performance degrades at elevated detector temperatures. |
| Storage & shipping | -40oC to +85°C, 10% to 90% RH noncondensing |
| RoHS | Compliant |
| Lifetime | Typical 5 to 10 years, depending on use |
| Warranty Period | 1 year |
Preamplifier Options
- Amptek’s FAST SDD® is available with the XR-100 preamplifier, with the PA210 or PA230 OEM preamplifiers, or as part of the X-123 and X-55.
Signal Processing Options
- Amptek’s FAST SDD® may be used with Amptek’s DP5 or DP5-X, or the PX5, or as part of the X-123 or X-55.
Specification Notes
- Performance listed here is measured at full cooling (<220K).
- The “peak to background ratio” is the ratio of counts in the Mn Kα peak channel to the counts at 1 keV.
- “Gain stability” refers to the change in sensitivity when the preamp temperature changes but the detector temperature is stable.
Operating Notes
- Detector must be operated with an appropriate heat sink.
- The FAST SDD® is suitable for vacuum applications. Amptek provides several system configurations.
Amptek 25 mm2 x1mm thick FAST SDD® Specification
| General | ||
| Detector Type | Silicon Drift Detector (SDD) | |
| Detector Size | 25 mm2 | |
| Collimated Area | 17 mm2 | |
| Thickness | 1000 m | |
| Collimator Type | Internal Multilayer | |
| Preamplifier Type | CMOS reset type | |
| Energy resolution @ 5.9 keV (55Fe) | ||
| 122 to 131 eV FWHM (guaranteed) at Tpk=4.0 s | ||
| 126 eV (typical) at 1.0 s | ||
| 134 eV (typical) at 0.2 s | ||
| Other Performance | ||
| Peak to | > 20,000:1 (typical) | |
| Signal risetime | < 35 ns | |
| Maximum input | > 1 Mcps | |
| Throughput | Determined by signal | |
| Window Options | ||
| Be | 1/3 mil (8 m) | |
| Signal Output | ||
| Sensitivity | 3.6 mV/keV | |
| Gain stability | <20 ppm/°C | |
| Polarity | Positive signal | |
| Reset range | -0.05 to 2 V (typical) | |
| Cooling | ||
| Cooling | ΔT > 85°C | |
| Cooler type | Two stage thermoelectric | |
| Temp monitor | Diode | |
| Power | ||
| HV Bias | -400V @ 25 A (typical) | |
| Max cooling | 3.5 V / 0.45A |
| Total power | < 2 W (full cooling) |
| Other | |
| Operating | -35°C to +80°C |
| Storage & | -40°C to +85°C, 10% to 90% RH |
| RoHS | Compliant |
| Lifetime | Typical 5 to 10 years, |
| Warranty | 1 year |
Preamplifier Options
- Amptek’s FAST SDD® is available with the XR-100 preamplifier, with the PA210 or PA230 OEM preamplifiers, or as part of the X-123 and X-55.
Signal Processing Options
- Amptek’s FAST SDD® may be used with Amptek’s DP5 or DP5-X, or the PX5, or as part of the X-123 or X-55.
Specification Notes
- Performance listed here is measured at full cooling (<220K).
- The “peak to background ratio” is the ratio of counts in the Mn Kα peak channel to the counts at 1 keV.
- “Gain stability” refers to the change in sensitivity when the preamp temperature changes but the detector temperature is stable.
Operating Notes
- Detector must be operated with an appropriate heat sink.
- The FAST SDD® is suitable for vacuum applications. Amptek provides several system configurations.
Amptek 70 mm2 FAST SDD® Specifications
| General | ||
| Detector Type | Silicon Drift Detector (SDD) | |
| Detector Size | 70 mm2 | |
| Collimated Area | 50 mm2 | |
| Thickness | 500 mm | |
| Collimator Type | Internal Multilayer | |
| Preamplifier Type | CMOS reset type | |
| Energy resolution @ 5.9 keV (55Fe) | ||
| 123 to 135 eV FWHM (guaranteed) at Tpk=4.0 ms | ||
| 127 eV (typical) at 1.0 ms | ||
| 139 eV (typical) at 0.2 ms | ||
| Energy resolution @ C Ka: 45 eV (typical) | ||
| Other Performance | ||
| Peak to background | > 20,000:1 (typical) | |
| Signal risetime | < 60 ns | |
| Maximum input count rate | > 1 Mcps | |
| Throughput & count rate stability | Determined by signal processor & its settings | |
| Window Options | ||
| Be | 1/2 mil (12.5 mm) 1 mm Parylene on each | |
| C series (low energy) | C2 | C1 |
| 40 nm Si3N4 | 90 nm Si3N4 | |
| 30 nm Al | 250 nm Al | |
| 30 mm2 grid | 30 mm2 grid | |
| Grid: Hexagonal, 15 mm thick Si, 78% open area C2 is NOT LIGHT TIGHT | ||
| Signal Output | ||
| Sensitivity | 3.6 mV/keV | |
| Gain stability | <20 ppm/oC | |
| Polarity | Positive signal | |
| Reset range | -0.05 to 2 V (typical) | |
| Cooling | ||
| Cooling performance | DT > 85oC | |
| Cooler type | Two-stage thermoelectric |
| Temp monitor | Diode |
| Power | |
| HV Bias | -100V to – 180V @ 25 A |
| Max cooling power | 3.5 V / 0.45A |
| Total power | < 2 W (full cooling) |
| Other | |
| Operating range | -35°C to +80°C Performance degrades at elevated detector temperatures. |
| Storage & shipping | -40°C to +85°C, 10% to 90% RH noncondensing |
| RoHS | Compliant |
| Lifetime | Typical 5 to 10 years, depending on use |
| Warranty Period | 1 year |
Preamplifier Options
- Amptek’s FAST SDD® is available with the XR-100 preamplifier, with the PA210 or PA230 OEM preamplifiers, or as part of the X-123 and X-55.
Signal Processing Options
- Amptek’s FAST SDD® may be used with Amptek’s DP5 or DP5-X, or the PX5, or as part of the X-123 or X-55.
Specification Notes
- Performance listed here is measured at full cooling (<220K).
- The “peak to background ratio” is the ratio of counts in the Mn Kα peak channel to the counts at 1 keV.
- “Gain stability” refers to the change in sensitivity when the preamp temperature changes but the detector temperature is stable.
Operating Notes
- Detector must be operated with an appropriate heat sink.
- The FAST SDD® is suitable for vacuum applications. Amptek provides several system configurations.
Physical Specifications
The DP5 specification table is identical to that found in the “User Manual for Amptek’s DP5 Product Family”. The physical and power specifications are listed below.
| Physical | |
| Dimensions | 7 x 10 cm x 2.5 cm (2.7 x 3.9 x 1 in) Excludes extender |
| Extender | 1.5” (3.8 cm) standard Options: None, 3/8”, 5”, 9”, and vacuum flanges |
| Weight | 200 g (7 oz) |

Power Specifications
| Characteristic | Symbol | Min | Typical | Max | Units | Conditions |
| Supply Voltage | Vin | 4.0 | 5.0 | 5.5 | V | |
| Supply Current | Iin | 0.9 | A | VIN = 5.0 V, initial cooldown | ||
| 0.70 | A | VIN = 5.0 V, steady state full cooling | ||||
| 0.50 | A | VIN = 5.0 V, ΔT=70°C | ||||
| 0.40 | A | VIN = 5.0 V, ΔT=50°C | ||||
| 0.35 | A | VIN = 5.0 V, no cooling or bias | ||||
| Inrush Current | IINRUSH | 2 | A | <100 msec | ||
| Input Capacitance | CIN | 50 | mF |
- The power dissipated by the X-123 depends most strongly on the detector temperature, which is set in software. At full cooling, ΔT=70 C, the X-123 draws about 0.7 A at 5 V, or 3.5 W. If the detector is not cooled as much, power dissipation decreases to less than half of this. The table above is for a typical detector, but the actual value depends on the type of detector (e.g., its area) and varies between units.
- Note that USB power is rated to 2.5 W, therefore the X-123 cannot be powered over USB.
Turn-On Transients
The figure below illustrates the transient currents seen as the X-123 turns on. When 5 VDC is first applied to the power input, a large transient current is drawn to charge up the 50 μF of input capacitance, from the input capacitors on all the supplies. About 400 sec later, the low voltage switching supplies turn on. The maximum inrush current is about 2 A, with a duration of <100 sec. It is important that the external supply be able to provide this current. If this current is limited, some of the supplies can be destroyed.
After the DP5 is powered up, it then powers up the PC5, based on configuration settings stored in the DP5. Depending on the “Set Power-on State” configuration option, this either happens automatically (approx. 2 seconds after power is applied), or upon command from the host PC. The unit draws about 300 mA at 5 V. When the cooling is turned on, IIN goes to its maximum, drawing approximately 700 mA. In this figure, the set point was 230 K, the ambient 295 K, and a SDD on a two-stage cooler was used. After about 50 seconds, the temperature approached the set point and so began regulating. The current decreased to its steady state value, 400 mA.

Thermal Specification
The X-123 dissipates up to 3.5 W of power. It is important that the body of the X-123 be attached to a heat sink that can dissipate that much heat. If proper heat sinking is not used, then the X-123 chassis temperature rises, and thus the detector temperature rises, and spectroscopic performance is compromised.
Electrical Interface
Connectors
Power Connector
- Power Jack on X-123SDD: Hirose MQ172-3PA(55) [obsoleted in 2016, replaced by MQ172- 3PA(30)].
- Mating Plug: Hirose MQ172-3SA-CV(50) [obsoleted in 2016, replaced by MQ172-3SA-CV(30)]
| Pin # | Name |
| 1 | VIN |
| 2 | GND |
| 3 | Do Not Connect |
Auxiliary connector
- 16-pin, 2-mm spacing, cable assembly (Samtec P/N) TCSD-08-S(D)-xx.xx-01-F-N
- Mates with TCMD-08-D-08.00-01-RF
- Pin identifiers
Pin # Name Pin # Name 1 SCA1 2 SCA2 3 SCA3 4 SCA4 5 SCA5 6 SCA6 7 SCA7 8 SCA8 9 AUX_IN_1 10 AUX_OUT_1 11 AUX_IN_2 12 AUX_OUT_2 13 IO2 14 IO3 15 GND 16 GND 
- Ethernet Connector
- Standard Ethernet connector (RJ-45)
- USB Connector
- Standard USB ‘mini-B’ jack. (The X-123SDD is ‘self-powered’: it draws no power from the USB.)
- RS-232 Connector
- Standard 2.5 mm stereo audio jack. Amptek can provide a cable with an adapter that connects this to a DB9 serial connector.
Contact Signal Tip TXD (output from X-123) Ring RXD (input to X-123) Sleeve GND
Power Interface
A schematic illustrating the circuit at the power input is shown below. The PWR_IN line goes through a protection circuit, then to different switching power supplies in parallel. Five of these are located on the DP5, five on the PC5. Each has a 4.7 F input capacitor. Some turn on as soon as power as applied, while others are under control of the microprocessor.
Schematic of power supply architecture.

Protection:
The protection device protects against reverse input polarity and has over- and Undervoltage lockouts. The X-123 will not power on with an input voltage below 3.8 V or above 5.5 V. The input protection network operates over the range of -40 V to +60 V. Beyond this range, damage to the X-123 will occur1.
This applies to X-123s from 2016 or later. Earlier X-123s contained a DP5 Rev C (or earlier), which did not have the over- and under-voltage protection (this was added to the DP5 Rev D.) An input voltage higher than 5.5 V may damage these units. The earlier DP5s did have reverse polarity protection.
Grounding:
The chassis ground of the X-123, which is tied to the box and to the other boards, is connected to the return current pins in the power connector.
Warranty
AMPTEK, INC. warrants to the original purchaser this instrument to be free from defects in materials and workmanship for a period of one year from shipment. AMPTEK, INC. will, without charge, repair or replace (at its option) a defective instrument upon return to the factory. This warranty does not apply in the event of misuse or abuse of the instrument or unauthorized alterations or repair. AMPTEK, INC. shall not be liable for any consequential damages, including without limitation, damages resulting from the loss of use due to failure of this instrument. The factory MUST be notified prior to return shipment. All products returned under the warranty must be shipped prepaid to the factory with documentation describing the problem and the circumstances under which it was observed. The instrument will be evaluated, repaired, or replaced, and promptly returned if the warranty claims are substantiated. A nominal fee will be charged for unsubstantiated claims. Please include the model and serial number in all correspondence with the factory.
Technical Questions
For all technical questions, please contact the Amptek factory.
- PHONE: +1 781 275 2242
- Email: [email protected].
- Website: www.amptek.com.



















