
OWNER’S MANUAL
Flat Panel Digital X-ray Detector
Please read this manual carefully before operating your set and retain it for future reference.
17HK700G-W
www.lg.com
Copyright © 2019 LG Electronics Inc. All Rights Reserved. 0123
OPEN-SOURCE SOFTWARE NOTICE INFORMATION
To obtain the source code under GPL, LGPL, MPL, and other open-source licenses, that is contained in this product, please visit http://opensource.lge.com.
In addition to the source code, all referred license terms, warranty disclaimers and copyright notices are available for download.
LG Electronics will also provide open source code to you on CD-ROM for a charge covering the cost of performing such distribution (such as the cost of media, shipping, and handling) upon email request to [email protected].
This offer is valid for a period of three years after our last shipment of this product. This offer is valid to anyone in receipt of this information.
ON CLEANING
Recommended Cleaning Chemicals
- Isopropanol 70 %
- Ethanol 70 %
- Cidex ® OPA
- 0.9 % NaCl solution
How to Use Cleaner
- Prior to cleaning, turn off the detector and remove the power cable.
- Soak a soft cloth in a recommended cleaner, then lightly rub the screen with no more than 1 N of force.
- The cleaner could cause serious damage if it leaks inside the detector while cleaning.
- Do not use benzene, thinner, acids or alkaline cleaners or other such solvents.
- Cleaning guidelines for detector must only be carried out by medical professionals (doctors or nurses) and must not be handled by patients.
GENERAL DESCRIPTION
Overview
This model is an x-ray imaging device, a system that can acquire and process X-ray images as digital images. It utilizes amorphous silicon and a high-performance scintillator to ensure sharp high-definition image quality with the resolution of 3.6 lp/mm and the pixel pitches of 140 um. This device is a flat panel-based X-ray image acquisition device. This device must be used in conjunction with an operating PC and an X-ray Generator. This device can be used for digitizing and transferring X-ray images for radiological diagnosis. The data transmission between the detector and PC can be enabled with a wired (cable).
Product Components
- Detector: 17HK700G
- Control Box:LG Control Box
– AC Power Cord for the Control Box - Cable
– Main Cable: Detector and Control Box link cable (Supply DC power, Ethernet data, control signals of X-ray Generator)
– Trigger Cable: X-ray Generator to Control Box, transmit control signal between detector and X-ray Generator. (Optional)
– LAN Cable: Control Box to PC, exchanges Ethernet data between PC and detector. (Optional) - CD: Owner’s Manual, Calibration Software
- Regulatory Manual, Inspection Report
Basic Accessories

Optional Accessories

- Some models may not include additional accessories.
CAUTION
- You must use the authorized components as per the specification below. Unauthorized components may cause damage and/or cause the product to malfunction.
| Component | Standard |
| LAN Cable | More than CAT5E Standard |
| Power Cord | US – Approved Medical grade regulation Others – Approved country safety regulation |
PART NAME AND FUNCTION
Detector

| Power Button: Power on/off switch (On: press over 1 Sec, Off: press over 5 Sec) | ||
| LED Indicator: Indicating detector’s status | ||
| Connection to Main Cable | ||
| LED | LED Color | Status |
| Data | Green | Data connection |
| Off | Data disconnected | |
| Link | Green | Ethernet connection |
| Off | Ethernet disconnected | |
| Power | Green | Power On |
| Off | Power Off |
Control Box

| No. | LED Indicator | LED Color | Status |
| 1
| Power | Green | Power normal operation |
| Off | Power off (AC power cord no connection or Power error) | ||
| Ethernet | Green | Ethernet normal operation | |
| Green blink | On data communication | ||
| Off | Ethernet disconnected | ||
| Ready | Green | Ready signal from X-ray Generator is active | |
| Off | Ready signal from X-ray Generator is inactive | ||
| Orange blink | Power error | ||
| Exposure | Orange | Exposure signal from X-ray Generator is active | |
| Off | Exposure signal from X-ray Generator is inactive | ||
| Orange blink | Power error |
| No. | LED Indicator | Status |
| 2
| DXD1 | Connecting the Control Box and the Detector A. This connector supply power (24 V 2.1 A) to the Detector, transmits X-ray synchronization signals and Ethernet image data. |
| 3
| DXD2 | Connecting the Control Box and the Detector B. This connector supply power (24 V 2.1 A) to the Detector, transmits X-ray synchronization signals and Ethernet image data. Control Box supports 2 Detector connections. Usage is, one is for Bucky stand, the other is for table (bed). Generally, X-ray room of hospital installs 2 Detectors, Bucky stand and table type, it’s far more convenient and efficient working environment. These 2 Detectors are not operated simultaneously, control box selects the operating Detector by AWS command. |
| 4
| AC-IN | Connects AC power cord. |
| 5
| Ethernet | Ethernet port to transmit image/command between the Detector and PC. |
| 6
| Sync | This is to synchronize the Detector and X-ray Generator. |
| 7
| Fuce | Control box power fuses are 4 A, 250 V to Type T fuse. Power rating: |
SPECIFICATION AND DIMENSION OF EACH PART
Specifications
The product specifications are subject to change without prior notice for product improvements.
~ Refers to alternating current (AC),
refers to direct current (DC).
Detector
| Category | Specifications |
| Model | 17HK700G |
| Sensor Type | Amorphous Silicon TFT |
| Scintillator Type | Csl:TI |
| Total Pixel Matrix | 3072 x 3072 pixels |
| Total Pixel Area | 430.08 mm x 430.08 mm |
| Pixel Pitch | 140 um |
| Effective Pixel Matrix | 3060 x 3060 pixels |
| AID Conversion | 16 bit |
| Data transmission | Gigabit Ethernet Standard, 500 Mbps |
| Cycle time | Typ. 8 sec |
| Image Transmission | Typ. 2 sec |
| Image Storage | Stores up to 200 images |
| Energy Range | 40 kVp — 150 kVp |
| MTF | Typ. 89 % at 0.5 1p/mm |
| DQE | Typ. 72 % at 0.1 1p/mm |
| Size (Width x Height x Depth) | 460.0 x 460.0 x 15.6 mm |
| Weight | Typ. 3.4 kg |
| Category | Specifications |
| Window Materials | Carbon Fiber |
| Trigger Mode | Manual Mode Auto Mode (Auto Exposure Detection) |
| Power Consumption | Typ. 19 W (For shooting) |
| Rating | 24 V 2.1 A |
| Applied part | Type: BF Location: The front side of the detector (Effective area only) |
NOTE
• Images can be saved by the X-ray generator while the power of the detector is turned on without connecting to a PC. To produce images, an X-ray is irradiated at intervals of more than 10 seconds. Check and load the saved images from LG Acquisition Workstation Softwer.
Detector has been tested with below table’s X-ray condition. This table is only for reference. The legally certified radiologist expert should control X-ray dose.
| Adult | ||||
| SID (inch / cm) | Tube Voltage (KV) | Tube Current (mA) | Tube Current x Time (mAs) | |
| Chest P-A | 72 inch / 182.8 cm | 120 KV | 250 mA | 2.5 mAs |
| C-spine LAT | 72 inch / 182.8 cm | 70 KV | 200 mA | 10 mAs |
| L-spine A-P | 40 inch / 101.6 cm | 75 KV | 320 mA | 20 mAs |
| Abdomen A-P | 40 inch / 101.6 cm | 75 KV | 320 mA | 10 mAs |
| Pelvic A-P | 40 inch / 101.6 cm | 70 KV | 320 mA | 16 mAs |
| Wrist A-P | 40 inch / 101.6 cm | 55 KV | 100 mA | 2.5 mAs |
| Elbow A-P | 40 inch / 101.6 cm | 55 KV | 100 mA | 3.2 mAs |
| Shoulder AP | 40 inch / 101.6 cm | 70 KV | 200 mA | 6.4 mAs |
| Foot A-P | 40 inch / 101.6 cm | 58 KV | 100 mA | 2.5 mAs |
| Ankle A-P | 40 inch / 101.6 cm | 59 KV | 100 mA | 3.2 mAs |
| Knee A-P | 40 inch / 101.6 cm | 58 KV | 100 mA | 6.4 mAs |
Regarding paediatric dosage, it should be much less than for an adult. The certified radiologist should pay special attention to paediatric x-ray dosage levels.
GRID
| Item | Recommended Specification |
| SID | 100 cm / 130 cm / 150 cm / 180 cm |
| Size | 460 x 460 mm |
| Ratio | 10 : 1 |
| Frequency | 215 Line / Inch |
| Inter Spacer | AL |
Control Box
| Item | Specification |
| Model | LG Control Box |
| Size (Width x Height x Depth) | 125.0 x 109.8 x 255.0 mm |
| Weight | Typ. 1.3 kg |
| Input | AC 100-240 V~ 50/60 Hz, 1.4-0.7 A |
| Output | 24 V 2.1 A, Trigger signals, Ethernet data for Detector A. |
24 V 2.1 A, Trigger signals, Ethernet data for Detector B. Control Box supports 2 Detector connection.Usage is, one is for Bucky stand, the other is for table (bed).Generally, X-ray room of hospital installs 2 detectors, Bucky stand and table type, it’s far more convenient and efficient working environment.These 2 detectors are not operated simultaneously, control box selects the operating detector by AWS command. | |
| Transmission image/command between the detector and PC. | |
| Transmission control signals between the detector and X-ray Generator. |
Cables
| Category | Length | Qty |
| Main Cable | 7 m | 1 |
| LAN Cable (Optional) | 10 m | 1 |
| Power Cord (110 V or 220 V) | 1.5 m | 1 |
| Trigger Cable (Optional) | 15 m | 1 |
Dimension
Detector
Control Box
ENVIRONMENTAL REQUIREMENT
PC System requirement
| PC Specification | |
| CPU | Intel i5 |
| Memory | 4 GB |
| Disk capacity | At least 10 GB ~ 500 GB recommended |
| Network card | Dual Ethernet 100/1000 Mbps |
| OS | Windows 7/8.1/10 (32 bit, 64 bit) |
| Monitor | Min. Resolution 1280 x 720 |
CALIBRATION SOFTWARE INSTALL
How to install
Run the installation file. Once the installation file has been executed, follow the installation instructions on the screen.
How to delete
You can delete the Calibration Software in the following ways:
Deleting from the Control Panel
- Select Control Panel from the Start menu.
- Select Programs and Features in Control Panel.
- Select the [LG DXD Calibration] on the lists.
- When the program installation and deletion screen appears on the screen, select the [Delete] button.
- Follow the deletion instructions on the screen and click the [Next] button to proceed.
Deleting with the installation file
1 Run the installation file, then follow the deletion instructions on the screen.
NOTE
- When using the installation file to delete the program, the Installation file must be the same version as the current software.
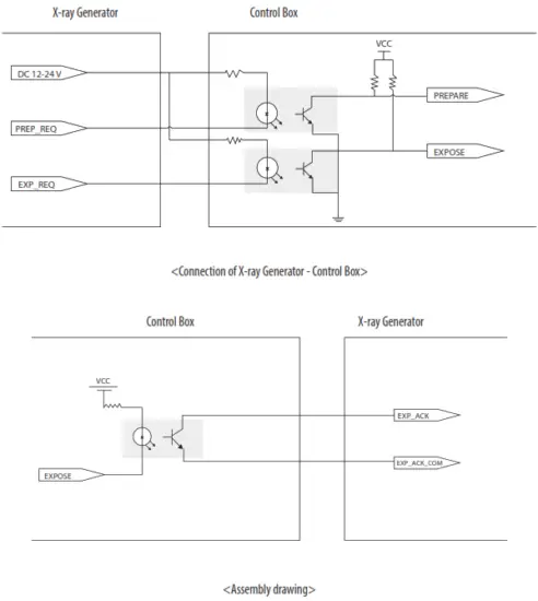
CONNECTION TYPES
Connection of X-ray Generator – Detector
Select Trigger Mode in accordance with the acquisition method.
– Auto Mode: Detector detects the image obtained after the X-ray.
– Manual Mode: Detector acquires image by pressing Generator exposure switch.
Connection of Detector – PC
The connection mode used between the detector and PC.
– Wired Mode: The wired connection between the detector and a PC through the Control Box.
| Mode | X-ray Generator – Detector | Detector – PC |
| Case 1 | Auto Mode | Wired Mode |
| Case 2 | Manual Mode | Wired Mode |
Trigger Cable
- Trigger Cable is connected between control box and X-ray Generator, and used only for manual mode, not auto mode.

NC: No Connection
| No. | Labeling of pins color | Description | |
| 1 | Red | Power: X-ray Generator Supply Voltage (DC 12 V ~24 V) | Use |
| 2 | Brown | Expose signal from Generator to Control Box | Use |
| 3 | Blue | Cancel REQ Ground | NC |
| 4 | Orange | Prepare Acknowledge signal from Control Box to Generator | Use |
| 5 | Yellow | Expose Acknowledge signal from Control Box to Generator | Use |
| 6 | Green | Prepare signal from Generator to Control Box | Use |
| 7 | Black | Cancel request VCC | NC |
| 8 | Gray | Prepare Acknowledge Ground | NC |
| 9 | Violet | Ground of Signals | Use |
NOTE
- Trigger Cable and X-ray Generator connection is to be performed by qualified personnel. Description of each pin is common language of this industry.
Block diagram of Trigger Cable connection


Detector and PC

Connecting cable
Connect – Wired Connection
- Use the LAN Cable to connect a PC to the Control Box and connect the detector to the Control Box with the Main Cable.
- Follow the steps below to set up the PC.
Launch the [Network and Sharing Center] and click [Change adapter settings].
2 Right-click Local Area Connection, and click [Properties].
3 Select [Internet Protocol Version 4 (TCP/IPv4)], and then click [Properties] to set the IP address as follows:
– IP address: Input anyone from 10.10.10.2 to 10.10.10.254. However, IP 10.10.10.100 is not allowed, because detector IP is set to 10.10.10.100 in factory.
– [Subnet Mask]: 255.255.255.0.
– [Default Gateway]: 10.10.10.1.
– DNS setting is not needed.
4 Run the LG DXD Calibration program. Go to
> [DXD] > [Connection & File Save], enter DXD IP (10.10.10.100), then run the [Ping] to check the connection. 
If the following screen pops up after the [Ping] click, connection was successful. Everything is ready for system operation
SOFTWARE MANUAL
17HK700G-W
CALIBRATION SOFTWARE
When acquiring images from the detector, calibration is essential to obtain images of high quality. enables you to create and check the necessary values for the calibration.
NOTE
- It is recommended to perform a calibration once per month for the following three months after the purchase, and then once every six month to ensure the quality of images.
- It is also recommended to turn on the detector for 15 minutes before the Calibration.
- The default values set in can be changed depending on the actual conditions of use.
Security
Calibration Software can not be used independently without being connected to the detector. The software cannot perform all actions, including moving to another menu and confirming settings, without the actual connection. In addition, even if the software is connected to the detector, cannot be performed before the initial date of the product installation is registered.
Calibration Software
The features of the include
(Settings), [Calibration], [User BPM], [Validation] and [EI].
Settings
include [DXD] settings, [Calibration SW] settings and [Firmware Update].
- [DXD]: Configures the settings required to obtain calibration images and detector settings.
NOTE
- Detail explanation of each icons is explained at the back page.

- [Calibration SW]: Configures the settings required for to algorithms.
NOTE - Detail explanation of each icons is explained at the back page.

• [Firmware Update]: Checks the firmware version of the detector or performs the firmware update. You can update firmware by this menu.
Calibration
[Calibration] involves the following procedures.
- Dark Image and Bright Image are obtained from the detector.
– [Dark Image(s)]: An image obtained without generating X-rays.
– [Bright Image(s)]: An image obtained by generating X-rays without a phantom or any other object on the detector. - Generate [Avgdark.raw], [Offset.raw], [Gain.raw], [BPM.raw]: Used for Corrected Image calculations.
– Corrected Image: An image generated by applying calibration results to a raw image.
NOTE - This page is for brief explanation, you can see details at the back pages.

User BPM
Enables users to manually make changes in the [Bad Pixel Map] (BPM.raw) created from [Calibration].
NOTE
• This page is for brief explanation, you can see details at the back pages.
Validation
This is used to validate the final image by applying [Calibration] results to the image.
NOTE
• This page is for brief explanation, you can see details at the back pages.
EI (Exposure Index)
This calculates and saves median output value per input dose as a linear expression and a table.
NOTE
- This page is for brief explanation, you can see details at the back pages.

Image Functions

1 Image Viewer
- [Calibration], [User BPM], [Validation] and [EI] menu have an image viewer to show the images acquired.
- When creating or clicking an image, the image is loaded and shown in the viewer.
- Information about the image will be shown in the areas below.
– [Image Loaded]: displays whether the image is loaded in the image area or not.
* When the image is loaded: [Image Loaded]
* When the image is not loaded: [Image not Loaded]
– [Min]: The minimum pixel value in the image area.
– [Max]: The maximum pixel value in the image area.
– [Med]: The median value of the image.
– [Mean]: The mean value of the image.
– [Std]: The standard deviation of the image.
– [Bad Pixel Count]: The number of Bad Pixels.
– , 168=N88=:M Representation of pixel values in (x, y) in bits.
– %: The rate of the image displayed in the image area against the entire image.
– (W x H): The size of the entire image.
2 [Navigator]
- [Navigator] shows the entire area of the image acquired and also indicates the enlarged or reduced area.
- [Navigator] has a red box that indicates the area shown in the image viewer.
- [Navigator] moves the red box to wherever you click, and the selected area appears in the image viewer.
3 [Histogram]
- Shows the [Histogram] of the image acquired.
- [Window] / [Level] are used to adjust Histogram to help reading the image.
- [Histogram] controls [Window] / [Level] with the <> buttons and the scroll bar under the Histogram graph.
- When the [Reset] button is clicked, it resets to the default values.
4 Reference Point
- A reference point can be set by clicking on any location in the image viewer, and the coordinates and
pixel values for the reference point will be shown on the top. You can also move the reference point by manually entering the x and y values.
– Only numbers can be entered for a reference point.
5 [BPM Analysis]
- Shows the result of the analysis of the Bad Line and Bad Pixel Class based on the [Bad Pixel Map] after the Calibration.
Log
Shows necessary information for users to understand the process to perform . Consists of [Date], [Time], [Type] and [Details], and the data will be saved in a log file.
OPERATION
Launching Program
- Double-click the executable file installed on the PC to launch
- When launching it for the first time, you will be directed to the Settings screen.

IP Address Check and Ping Test
- The detector has a default IP address.
- If the IP address of the detector is changed, a new IP address must be entered in the detector IP in the Calibration tool.
- After completing the IP Address and [Timeout] settings, click the [Ping] button to run a [Ping Test]. A pop-up message appears when the [Ping Test] is successful.

- If the [Ping Test] fails, a pop-up appears as shown below. If this pop-up appears, check your PC network settings, detector-to-PC connection, status of the detector, status of the Control Box, and IP address, and run the [Ping Test] again.

Save Location Check
Calibration Software vstores images acquired, logs, result files, and factory Calibration results in the specified location.
This location can be changed from [Save Location].
Click the [Apply] button to create a folder in the specified location.
Apply
After completing the [Ping Test] and [Save Location] check, click the [Apply] button to perform the following tasks.
- Automatically create necessary folders under the specified folder in the [Save Location].
- Load and save the factory Calibration results from the detector.
- Load the detector settings.
| Custom folder | Auto-create a serial number folder (Created when completing Apply) Condition: create a folder when there is no folder with the same serial number in the specified folder | Creating a date-time folder (Created when the [Calibration] button is clicked) | Avgdark .raw |
| Gain.raw | |||
| offset.raw | |||
| Bpm.raw | |||
| EI result (the applied date-time folder is created when an EI is performed) | |||
| History file | |||
| Log | Log file (connection logs, etc.) | ||
| Image | Bright image | ||
| Dark image | |||
| User BPM image | |||
| Validation image | |||
| EI image | |||
| Raw image | |||
| Factory Calibration (Created when there is no folder or file upon the completion of Apply or if the file is abnormally small in size) | [Avgdark.raw] | ||
| [Gain.raw] | |||
| [Offset.raw] | |||
| [BPM.raw] |
4 Display the network status of the detector once the Apply process is completed.
[Current Status]: [Wired] connection. / [Wireless] connection. (Available only with a wireless model)
NOTE
- You must complete the Apply process before moving to another menu. ([Calibration], [User BPM], [Validation], and [EI])
Checking and Changing Detector Settings
During the Apply process, the current settings of the detector will be loaded on the setting screen as shown below.
- [Detector Parameters]: Settings used when acquiring an image from the detector.
- Click the [Save] button to apply the settings entered.
- Details of the settings are as follows:
– [Trigger Mode]: Set the [Trigger Mode].
* [Auto]: Enable the Auto Exposure Detection feature.
* [Manual]: Disable the Auto Exposure Detection feature.
– [Sensitivity]: Sensitivity of the panel.
– [Window Time]: Set the time to read the data after the X-ray exposure. (Unit: 100 ms, when you enter
5, the time is set to 500 ms)
– [Frame Width] / [Frame Height]: Number of pixels in the detector. - The operations of each button are as follows:
– [Save]: Apply the changed settings.
– [Reset]: Load the factory settings.
– [Cancel]: Load the last saved settings.
Checking and Changing Calibration Software Settings
Click the [Calibration SW] tab to update [Calibration Parameters].
[Calibration Parameters]
These parameters are the settings used in the Calibration process. These settings can be adjusted according to the actual operating environment.
- Details of the settings are as follows:
– [Target Gain]: Amplification factor within the algorithm.
– [Gain Margin]: Set as a Bad Pixel if it exceeds the [Gain Margin].
– [Offset Margin]: Set as a Bad Pixel if it exceeds the [Offset Margin].
– [Std Margin]: Set as a Bad Pixel if it exceeds the [Std Margin].
– [Ref sat value]: The maximum pixel value that can be displayed.
– [Surr Margin]: Set as a Bad Pixel if the difference between the reference pixel value and the surrounding pixel value is greater than the [Surr Margin] in the corrected Bright image – [Cut Edge]: Display the pixel values to cut off from the frame image (top/bottom/left/right). After acquiring an image through [Validation] or [EI], display the image data shown in the image viewer as a line.

[Image Edit]
These settings are used in the image viewer.
- [Rotation]: Set the rotation angle of the image. ([0˚], [90˚], [180˚], and [270˚])
- [Flip]: Set whether to rotate the image shown in the image viewer. ([None], [Horizontal], and [Vertical])
- [Invert]: Reverse the image data shown in the image viewer.
- Click the [Save] button to apply the settings entered.
- The operations of each button are as follows:
– [Save]: Apply the changed values.
– [Reset]: Load the factory values.
– [Cancel]: Load the last saved values.
– [Exit]: Returns to the last screen.
NOTE
- You must complete the Apply process before proceeding with the next step.
Calibration
When all settings are completed, click the [Calibration] tab to go to the [Calibration] menu.
NOTE
- All settings must be complete before entering into the tab.

1 Enter into the [Calibration] menu
• Click the [Calibration] menu to enter.
2 Acquire a Dark Image
• Acquire a Dark Image needed for the [Calibration].
– When Dark Image is acquired, images increase, and the file is saved in the image folder specified
in .
– The median value of the image is displayed next to the image file name.
– Compare multiple images and remove any faulty image by right-clicking the image.
– When deleting a file, the file list and saved file are also deleted.
3 Acquire a Bright Image
• Acquire a Bright Image needed for the [Calibration].
– When Bright Image is acquired, images increase, and the file is saved in the image folder specified
in.
– The median value of the image is displayed next to the image file name.
– Compare multiple images and remove any faulty image by right-clicking the image.
– When deleting a file, the file list and saved file are also deleted.
NOTE
- Up to 10 Dark Image and Bright Image each can be saved. When the number of images exceeds 10, the oldest image will be deleted first.
- For a bright image, X-ray must be irradiated during image acquisition.
- Images are acquired automatically in
Version 3.00.16 and higher. Four images are acquired automatically among dark images and ten images among bright images. For Software version 3.00.16 or lower, you must select the [Acquisition] button whenever acquiring an image.
4 [Calibration]
- [Calibration] is performed in this menu.
– Dark Image: 4 images (minimum)
– Bright Image: 5 images (minimum), 10 images (maximum) - When [Calibration] is performed, the standard pixel values of a bright image are as follows.
– For Calibration Software version 3.00.16 or lower
Bright images are acquired within the pixel range of 1500 – 15000. (Examples of acquisition points in case of 10 images: 1500, 1700, 2200, 2500, 3300, 4000, 5000, 6500, 8500, 10500, 15000)
– For Calibration Software version 3.00.16 and higher
Bright images are acquired with a pixel value close to 6000 when the tube voltage is 60 kv – 70 kv.
(The acceptable range is -10 % – 20 % for a pixel range of 5400 – 7200. Images outside this range are not included.) - The result of the [Calibration] will be saved in a folder created based on the date and time of performing [Calibration].
- When the [Calibration] is completed, [BPM Analysis] will be updated.
NOTE
- When running more than 5 [Calibration], the sixth [Calibration] is saved after the first [Calibration] is automatically deleted.
- If you wish to make a backup, copy the folder containing the result and paste in another location.
5 [History]
- You can load the result of the [Calibration] performed previously. Click the [Open] button to open the file.
NOTE - You only need to select one file to load all relevant files. (select one from [Avgdark.raw], [Offset.raw], [Gain.raw], and [BPM.raw] to load all four files)
- If an error occurs while loading the files, the following pop-up appears. When the following pop-up appears, check the file size, location, file name and access privilege to the folder and try again.

How to acquire a Bright image with an X-Ray shot. This procedure is also applied for the pediatric patients.
The X-ray Generator connection is explained in this manual.
1 Click the [Acquisition] button next to [Bright Image(s)] text.
2 Implement X-ray Shot. Calibration SW will wait X-Ray acknowledge signal from DXD and it will display waiting sign.
3 Acquired Bright image is displayed in list view, please check its name and median value. Actual file is saved Image folder in the workspace.
- These acquisition steps are all same to [User BPM], [Validation] and EI Image acquisition.
- [Calibration SW] support Window level adjustment, but does not support other image post-processing function.
- The process of obtaining the image for paediatric patients is same with other patients.
User BPM
Use this menu to manually edit the [Bad Pixel Map] created from the [Calibration].
NOTE
• You can skip the [User BPM] process and proceed with the [Validation] process.

1 Enter into the [User BPM] menu
- Click the [User BPM] menu to enter.
- The [User BPM] requires image acquisition because it visually examines the image to which the result of the [Calibration] is applied.
NOTE
- The following pop-up appears when entering into the menu without completing the [Calibration].

- Check if the [History] name created from the [Calibration] matches the name shown in the current [History] window.
- Apply the selected History file and carry out the [User BPM] process.
- Click the [Acquisition] button and acquire a Bright Image. The image name will be shown in the [Image(s)] list.
- The information about the image will be shown below the image view.
4 [Pixel View]
• Check the pixel values in the [Pixel View].
– Pixel values from the center of the image viewer are provided in the [Pixel View].
– Here, minimum value, maximum value, and possible Bad Pixel are shown as follows:
* Minimum value: Shown in blue numbers.
* Maximum value: Shown in red numbers.
* Possible Bad Pixel: Shown in the gray background.
– The window size of [Pixel View] can be changed using the
icon. The
icon appears when hovering the mouse over the border between the [Pixel View] and the image viewer.

- Set additional Bad Pixel in [Pixel View]
– Double click a pixel in the [Pixel View] to set the pixel as a Bad Pixel. Double-click the same pixel specified as a Bad Pixel again to cancel the selection.
– If a pixel is set as a Bad Pixel, the value will be updated in the [BPM Analysis]. The specified Bad Pixel will be replaced with the calibrated pixel value. - Save the final [User BPM].
– When entering into another menu, the result file will be saved.
– A pop-up message appears asking to select whether to save the file when leaving the current menu and entering into another one.
– When saved, one [History] is added and the [BPM.raw] file is updated and saved.

Specify Additional Bad Lines in Pixel View
- This feature is to specify Bad Pixel not by pixel but by line.
- Select the check boxes for vertical or horizontal direction and double-click the pixel in [Pixel View] to specify a line in the selected direction.
– For example, specify a line between 1522 and 2600, enter a value, and then select [Apply] to specify the line as a Bad Line.

Upload Bad Pixel Map
- To reflect the newly modified Bad Pixel map in the future calibration, you can upload it to the detector.
- Press the [Bad Pixel Map Upload] button and select some of the generated map files ([BPM.raw], [Avgdark.raw], [Offset.raw], [Gain.raw]). Then, the file will be uploaded
![]()
- When the file is successfully uploaded, you can see it on the Log.

NOTE
- If the [Bad Pixel Map] is uploaded, the existing map in Factory Calibration folder will be deleted. To keep the map, you need to first back it up to another path.
- To select a file to be uploaded for [Bad Pixel Map] upload, all four [Bad Pixel Map] files must be in the path. ([BPM.raw], [Avgdark.raw], [Offset.raw], [Gain.raw])
Validation
This menu enables users to visually check the [Calibration] result after completing the [Calibration].
1 Enter into the [Validation] menu
- Click the [Validation] menu to enter.
NOTE - The following pop-up appears when entering into the menu without completing the [Calibration].

- Click the [Acquisition] button and acquire a Bright Image. The image name will be shown in the [Image(s)] list.
- The information about the image will be shown below the image view.
4 Apply or Do Not Apply the Calibration Result
– You can decide whether to apply each of the Calibration results ([Dark Average Map], [Offset Map], [Gain Map], [Bad Pixel Map]) to the image acquired.
: Apply /
: Do Not Apply
NOTE
- When the first image is acquired and loaded, all results are set to

- When no image is acquired, the
button is disabled.
EI (Exposure Index)
The output median value based on the input Dose is calculated with a linear expression and in a table before being stored.
1 Enter into the [EI] menu
- Click the [EI] menu to enter.
NOTE - The following pop-up appears when entering into the menu without completing the [Calibration].

2 Check the History file
- Check if the [History] name created from the [Calibration] matches the name shown in the current [History] window.
3 Acquire Images
- Click the [Acquisition] button and acquire a Bright Image. The image name will be shown in the [Image(s)] list.
- The information about the image will be shown below the image view.
4 Enter Dose Values
- The Dose values must be entered in the Dose field when X-ray irradiation is performed. (Unit: uGy)
- The EI value will be calculated based on the data entered.
- Dose values must be entered in numbers only. Texts will not be accepted by default.
5 [Measure & Save]
- Once image acquisition and dose value input are completed, click the [Measure & Save] button to save the result value and show a pop-up message as follows:

- The EI result file will be saved in the same location as the Calibration result file. (e.g. (date- time) heuser: the user’s name)
- Repeating [Measure & Save] will update the result file.
- The following pop-up appears when the minimum requirement (3 images) is not met.

Exit
Click the X (Exit) button to close Calibration Software
. Click the [Yes] button to close, or the [No] button to return to the last screen shown before the Exit button is clicked.
CAUTION
- Dark & Bright images will be deleted except for Validation & raw images.
About
Click the [About] button in Settings to show a pop-up displaying the information about the application.
This pop-up provides information about the application.

General Pop-Up
General pop-ups available in Calibration Software are explained below.
Canceling Image Acquisition
- If you click the [Acquisition] button to acquire each image, the [Acquisition] button switches to the [Cancel] button during the acquisition process.
- Once all the images are acquired, click the [Acquisition] button to return.
- Clicking the [Cancel] button while an image is being acquired will cancel the acquisition.


- The following pop-up appears when [Cancel] is successfully completed.

Image Acquisition Failed
- If the image acquisition fails, the following pop-up message appears. Check the status of the network and detector and try again.

SERVICE MANUAL
Setting IP address of Detector
- Launch “Launching Program”> “IP Address Check and Ping Test”> “Save Location Check”> “Apply” in order.
- Click the [Change DXD IP] button.

• Start changing the IP address by selecting the [Apply] button.

• A pop-up appears to with the following message whether the IP address is changed or not.

- Once the IP address is changed, re-boot the detector to complete applying the changes to the IP.
- Click the [OK] button to automatically re-boot the detector.
- The detector will be disconnected during the re-boot process. Make sure to perform the [Connection & File Save] process again.
Updating Detector Firmware
Use this menu to check and update the firmware version of the detector.

- Select the [Firmware Update] tab.
- Check the current firmware version.
• The current firmware version of the detector is indicated, and the version appears when a PC is connected to the detector. - Select the firmware file to update.
• Click [Open] to launch a file explorer. Select the file to update to perform a check to validate the selected file.
• If it is a correct firmware file, its name will be shown in the [Firmware File].
• If an incorrect file is selected, the following pop-up appears.

4 Update the file.
- Select the file and click the [Update] button to start updating the firmware.
- The progress will be indicated in the [Firmware Update].

• Check the result.
– The following pop-up appears when the update is completed.
5 [Factory Reset]
• Clicking the button will reset all the DXD settings.
CAUTION
- Do not remove the power cable until the update is completed. If the detector is turned off while the update is in progress, it may not work properly.
- If firmware update is failed, Power/Link/Data LED will blink.
Saving Installation Date
The first Calibration date can be saved in the detector.
- Launch “Launching Program”> “IP Address Check and Ping Test”> “Save Location Check”> “Apply” in order.
- Select the
> [DXD] tabs. - Check the installation date and choose the date format to be displayed.

– YYYY: Year
– MM: Month
– DD: Day
NOTE
• The date will be loaded based on the date and time set in the PC that runs the program.
4 Select the [Register] button to open a pop-up. The installation date can be checked using the Web Monitoring feature.
CAUTION
- Please be careful to select the feature because this feature can be only saved once per detector and cannot be edited.
- You must proceed when using the detector for the first time. Otherwise, you will not be able to enter the menu.
5 Select the [Yes] button in the pop-up to store the information in the detector and disable the [Register] button.

Setting Power Options
The [Power Options] can be saved in the detector.
- Launch “Launching Program”> “IP Address Check and Ping Test”> “Save Location Check”> “Apply” in order.
- Select the
> [DXD] tabs. - Select the option in [Auto Sleep] and [Auto Power-Off].
- Click the [Save] button to save the [Power Options] in the detector.
NOTE
- Only the above settings will be saved in Calibration Software
- The detector enters into Standby mode when there is no communication for a set period of time.
- The detector does not enter into Standby mode while is running (i.e., starting from Apply to the point the program ends).
- This feature is enabled in a wireless model only.

Web Monitoring
This feature allows users to check internal information such as shipping date, installation date, software version, etc. of the detector using a web browser.
Internal Information
| Category | Content | Explanation |
| Product Information | Software Version | • Version of the firmware currently installed in the detector |
| Shipping Date | • Date on which the product is manufactured | |
| Installation Date | • Date on which the product is installed by the installation engineer | |
| Model No. | • Model number of the product | |
| Serial No. | • Serial number of the product | |
| Network | Status of connection | • Mode of network connection (wired) |
| IP | • IP address of the detector | |
| SSID | • Wireless AP SSID | |
| Netmask | • Netmask of the detector | |
| Gateway | • Gateway of the detector | |
| Mac | • Mac address of the product | |
| Battery | Status | • Battery level, charged level alert, auto standby, auto power-off |
| Others | Bright Image Count | • No. of image acquisitions with X-ray exposure |
| Dark Image Count | • No. of image acquisitions without X-ray exposure |
Web Monitoring
- Makes the wired/wireless connection between the detector and a PC.
– Please refer to the “Detector and PC” - Enter the detector’s IP address in the address field of the web browser in the PC.
- Default IP address: 10.10.10.100 The following page appears:

MAINTENANCE
Cleaning
- Start cleaning after turning off the detector.
Test - Carry out a regular test before use to ensure stable and normal operation of the detector. If the problem occurs, contact the manufacturer.
- Please perform tests based on items listed in the checklist below.
| Checklist | Tester | Interval of Test |
| Are the cables damaged? | User | Daily |
| Are plugs or terminals loose or damaged? | User | Daily |
| Is the detector surface scratched or cracked? | User | Daily |
| Is the LED power working normally? | User | Daily |
| Perform a regular Calibration test | Supplier | 3-6 months |
| Conduct a performance test | Supplier | 1 year |
TROUBLESHOOTING
If you encounter problems when using the detector, use the guide provided in the corresponding section to solve the problem. If the problem persists, please contact the manufacturer.
| Problem | Solution |
| When the detector is not turned on | • Check if the main cable is connected properly. • Disconnect and reconnect the main cable. |
| When the detector is suddenly turned off during the use | • Check if the main cable is connected properly. |
| When the LEDs of / parts on the control box blink in orange | • Check the status of the power cable connection of the Control Box. • Check if the Control Box is properly connected to the X-ray generator or detector. |
| When the detector is not connected to the PC | • Check if the power is on. If the power is on, check the following items. • Check if they are connected in accordance with the instructions in the manual. Try connecting again. • Go to • Check if the PC’s network IP uses the same IP as the detector. • In some cases, a connection issue may occur especially because of the firewall rules that block all ICMP packets coming from Win 8 OS. Please refer to the Troubleshooting Firewall Issues. |
| When there is a problem with the status of the acquired image | • Make sure that there is no foreign matter on the surface of the detector. • If an image is acquired immediately after turning on the detector, a poor image may be acquired due to an unstable panel. Open the [Calibration] menu in and acquire a couple of Dark Images first, or wait for a while and try again. • If the image is still unstable, run a [Calibration] and apply the result before proceeding. |
| Problem | Solution |
| When some areas appear abnormal in the acquired [Validation] image | • When acquiring images in the [Validation] after creating the [Calibration] result file in the Calibration menu, an abnormal image may be acquired. Check the issues below and follow the guide. 1 When some areas appear in black or light bleeding occurs in the acquired image – Go to the [Calibration] menu > [BPM Analysis] on the left bottom corner and check if [Rows] and [Columns], [Class] 5 ~ [Class] 8 have more than dozens of values. If so, follow the steps below to run a new [Calibration] and acquire [Validation] images. 1) Adjust the X-ray generator’s position so that the detector is within the X-ray irradiation range before running a [Calibration]. 2) Keep the distance at least 120 cm between the detector and the X-ray generator tube. 3) If the distance cannot be more than 120 cm in Step 2), change the detector settings as follows before proceeding with the [Calibration]. Go to NOTE • Due to the heel effect of the X-ray generator, if the distance is short, less X-ray irradiation may be applied to the edge of the detector. This difference makes it necessary to adjust the [Gain] and [Offset] values. The [Gain] adjustment is a required process, but the [Offset] adjustment may be skipped depending on the situation.4) Go to the [Calibration] menu and acquire Dark Image and Bright Image to run a [Calibration]. If the [BPM Analysis] result is not improved, repeat Step 3). 2 When some areas appear in black in the form of the straight or curved line – Check if the problematic area is within the X-Ray irradiation range. – Check if foreign matters or other objects are on the detector. 3 When white or black pixels appear in the image – Run a [Calibration] again to create a new Calibration result, and, with the result, acquire [Validation] images. – It the problem persists even after the new Calibration, set the pixel as a Bad Pixel in the [User BPM] and go to [History] > [Open] on the top right corner to load the newly created calibration result and perform a [Validation] again. |
PROGRAM NOT LAUNCHED DUE TO ACCESS PRIVILEGE ISSUES
- When the program is not launched with the following pop-up after going to”Launching Program”> “IP Address Check and Ping Test”> “Save Location Check”> “Apply”, check the following items.

2 Right-click the launching icon of and select [Properties].
3 In the [Properties] window, enter into the [Compatibility] tab and select the Run this program as an administrator checkbox under the [Privilege Level].
TROUBLESHOOTING FIREWALL ISSUES
If the Link LED is off on the DXD set due to Windows Firewall, follow the steps below.
1 Go to [Control Panel] and select the [System and Security] menu.
2 Click the [Windows Firewall] link.

3 On the left side of the pane, click the [Advanced Settings] link.
4 Under the Windows Firewall with Advanced Security, select [Inbound Rules].
5 Scroll down to find the [File and Printer Sharing] rule and click [Enable Rule].
6 Check the status and connect the detector again.

WARNING: This equipment is compliant with Class A of CISPR 32. In a residential environment this equipment may cause radio interference.
The model and serial number of the product are located on the back and on one side of the product. Record them
below in case you ever need service.
Model…………………….
Serial No……………

















