Mikasa Atomscope 100PR X-Ray Unit
ATOMSCOPE 100PR
Type с
INSTALLATION AND OPERATING INSTRUCTIONS
MIKASA X-RAY CO., LTD.
I. INTRODUCTION
This manual provides information relative to the ATOMSCOPE 100PR Type A and its collimator.
CARELESS OR IMPROPER USE OF X-RAY EQUIPMENT CAN BE EXTREMELY HAZARDOUS. It is imperative that this equipment be operated and serviced only by trained personnel familiar with the safety precautions required to prevent excessive exposure to primary and secondary radiation, the dangers of exposure to X-ray radiation, and the proper use of the equipment discussed in this manual.
This equipment incorporates protective design features for limiting both the direct (Primary) X-ray beam and the secondary radiation produced by this beam, design factors alone cannot prevent human carelessness, negligence, or lack of knowledge. This apparatatus is sold with the understanding that the user assumes sole responsibility for radiation safety and Agent does not accept any responsibility for:
A. Injury or danger to patient or other personnel from X-ray exposure.
B. Overexposure due to poor operating techniques or procedures.
C. Equipment not properly serviced or maintained in accordance with this manual.
D. Equipment which has been modified or tampered with in any way.
II. INSTALLATION
A. UNPACKING
The ATOMSCOPE 100PR consists of an X-ray unit (tubehead), collimator, exposure cord with exposure switch, line cord and carrying case.
When the equipment is received the shipping container should be carefully examined for any evidence of mishandling during shipment. Note its condition. If abnormal, carefully unpack all parts and examine for damage. If any damage is noted, immediately report it to the carrier in the proper manner, by personally calling it to attention by phone where possible, and filling a written report.
All printed matter supplied with the 100PR should be saved for reference during installation and operation.
B. Plug the power cord and exposure cord into their sockets on the side of the 100PR.
The 100PR is now completely assembled.
III. TESTING
Checking operation
a. Turn the Line V knob to “OFF”.
b. Plug the 100PR into a grounded power source.
c. Turn the Line V knob clockwise until the LV meter needle reaches the center line. The “Line” light will go on. If the setting is too high the “Warning” light will go on and the unit will become inoperable. If this occurs, the Line V knob must be returned until “Warning” light boes off.
d. Push the switch. The collimator light will turn on. It will remain on for approximately 90 seconds, then automatically turn off.
The shutters of the collimator can be adjusted at any time by turning the two knobs on the collimator, but the size of the ‘radiation field will be evident only when the light is on.
e. Turn the kV knob to 50KV-80mA. Set the timer to any convenient setting, i.e. 0.25. Close the shutters of the collimator and point the 100PR away from all people and unexposed film. Holding the exposure switch, stand as far as possible from the x-ray unit and make an exposure. NOTE: The exposure switch is two stage. When the center button is pressed the filament of the x-ray. tube goes on; when additional pressure is applied to include the outer button, the x-ray exposure is made. It is possible to press the two buttons simultaneously, and when this is done there is a 1.0 second delay before the x-rays are emitted. During and exposure the “X-ray” light goes on, the mA meter registers.
Repeat the above procedure at 60kV-65mA, 70kV-50mA, 80kV-40mA, 90kV-30mA and 100kV-20mA.
100PR collimator alignment tests
This collimator is designed and factory adjusted to comply with the performance standards when it is correctly installed. However, the installer must check the alignment of the light field with the X-ray field, .using either a fluoroscopic screen or X-ray film to do so. If there is misalignment in excess of 2.% of SID, the installer must correct it.
If using a fluoroscopic screen:
a. Mark a fluoroscopic screen on which the center and a field size are marked (e.g center cross mark and 125mm x 125mm or 250mm x 250mm or 350mm x 350mm).
b. Place the fluoroscopic screen on a flat surface so that it is perpendicular to the center line of the light beam, Turn on the collimator light and align the center of the fluoroscopic screen with the center cross mark of the light field at 100cm SID, then collimate to the size marked on the fluoroscopic screen.
c. Darken the room and make a 0.5 sec X-ray exposure while observing if the X-ray field is aligned with the light field.
d. If there is misalignment in excess of 2% of the SID (the entire field would be shifted in one direction due to the tube focal spot being off center), adjust the collimator as described under “Bulb replacement and adjustment of bulb filament position”.
e. Repeat a., b., and c.
If using X-ray film:
a. Use a cassette larger than the field size, turn on the collimator light, measure the light field edges, and mark their corners with open paper clips placed on the cassette.
b. Make a 0.2 sec X-ray exposure and develop the film. The images of the paper clips should coincide with the size of the radio graphic exposure. If there is misalignment that measures in excess of 2% of the SID, adjust the collimator as described in d. and e. above.
Collimator bulb replacement and adjustment of bulb filament position.
a. To replace the bulb, remove the bulb cover. Never move the front acrylic plate. (bulb cover: see page 14.)
b. Make sure that the bulb is cool, then turn it and pull it out of the socket.
c. Hold the replacement bulb with a soft cloth to prevent finger marks on the surface, install the bulb into the bulb socket.
d. Turn the light on and observe if the center cross is in the center of the light field.
e. If the cross is off center, adjust the bulb filament position as follows. (see page 6.)
- Measure A and B. If A is larger than B, loosen the hexagon socket headless set screw with wrench key and shift the bulb upwards vertically. If B is larger, shift the bulb downwards vertically. When A is equal to B, tighten the set screw.
- Measure C and D. If C is larger (than D, clutch bulb socket holder by plier, then turn the bulb socket holder to the left. If D is larger, turn it to the right. No necessity to loosen the hexagon socket headless set screw in the work of 2).

HOW TO INSTALL THE BULB

ADJUSTMENT OF BULB FILAMENT POSITION


TUBE CURRENT ADJUSTMENT
To increase ma, turn the calibration screw clockwise.
To decrease ma, turn the calibration screw counterclockwise.
NOTE: Please make trial exposure of 0.2 sec several times before the calibration work.

IV. SPECIFICATION
Maximum mA/kV output: 85 mA/100kV
Output ratings: 20 mA 100 kV 30 mA 90 kV 40 mA 80 KV 50 mA 70 kV 85 mA 60 kV 80 mA50 kV 2 sec. 2 sec. 2 sec. 2 sec. 2 sec. 2 sec.
X-ray tube: Toshiba Type D-205BS stationary anode tube
Tube focus: 2.0 x 2.0 mm
Total filtration: 2.7 mmAl (including collimator)
Line voltage: 195 – 258 V AC
Power consumption: 5 kVA
Timer: 0.02 – 2.0 sec. in 23 steps
Maximum deviation from: Tube potential +10%
fixed factors: Tube current +10%
Timer: 0.02 to 0.2 seconds +2 pulses – 0.25 to 2.0 seconds +10%
Collimator: S-120D
Shutter adjustment: 2 manual control knobs
Projection light: 12V/40W tungsten lamp.
Maximum field size: 35 x 35 cm at 65 cm
Minimum field size: SID Less than 5 x 5 cm at 100 cm SID
Minimum aluminum : 0.5 mmal at 60 kV
equivalence
Tape measure: Net weight of generator: Dimensions of generator: 1.5 meters long from focus 26.2 kgs 330(W) x 350(D) x 223 mm (H) (including collimator)
Components: Generator Collimator Power cord Exposure switch with lead of 3.3 meter cable Carrying case

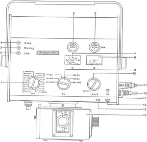
- Timer knob(check: service use)
- Line light
- Warning light
- X-ray light
- Spare fuse
- Fuse
- mA meter
- LV meter
- kV-mA selector knob
- Line V knob
- Power cord
- Exposure cord
- Tape measure
- Collimator switch
- Pin jack terminal for precise AC-mA meter (Service use only)
- Collimator
V. OPERATING INSTRUCTIONS
KV Knob
The various preset KV-mA settings are indicated around the KV knob.
sec knob
The time settings are indicated around the timer knob.
A. Operation
- Turn the Line V knob to “OFF”.
- Plug the 100PR in to a grounded power source.
- Turn the Line V Knob clockwise until the LV meter needle reaches the center line. The “Line” light will go on. If the setting is too high the “Warning” light goes on. If . this occurs, the Line V knob must be returned until “Warning” light goes off.
- Push the be switch. The collimator light will turn on. It will remain on for approximately 90 seconds, then automatically turns off, If additional light is required, push the switch again. The shutter of the collimator can be adjusted at any time by turning the 2 knobs on the collimator, but the size of the radiation field will be evident only when the light is on.
- Adjust the collimator position so its center cross mark is aligned with the center of the image receptor (x-ray cassette).
- Collimate the light field to the image receptor size by turning the knobs on the collimator.
- Position the subject properly. Make sure that the “Warning” light is not on. Set the time and KV, and use the retractable scale on the unit to ascertain the correct SID.
- NOTE: The exposure switch is two stage. When the center button is pressed the filament of the x-ray tube goes on. When additional pressure is applied after approx. 1.0 sec to include the outer button, the x-ray exposure is made instantly. It is possible to press the two buttons simultaneously, and when this is done there is a 1.0 second delay before the x-rays are emitted..! To make an exposure, press the buttons and hold it until the “X-ray” light and audible sound terminates.
- Unit provides the audible sound which duration is totally corresponded to the duration of exposure time pre-set. NOTE: Some unit has no such audible sound depending on regulations.
- When radiographing is completed, be sure to turn the Line V knob
B. Cautions
- Use this equipment within the specified maximum tube voltage.
- If it is necessary to neplace a collimator bulb, do not do so until the bulb gas cooled.
- Use only the kind of replacement bulb that is specified. (12V/40W SP or an equivalent bulb)
- Do not touch the collimator bulb, mirror or front acrylic plate. If it becomes necessary to do so, immediately remove all finger prints.
- If the collimator is illuminated 5 times in close succession,’ keep it off about 2 minutes or until it cools.
- If the temperature of the transformer oil in the unit goes over 55°C, the “Warning” light goes on and incorporated over pressure switch works and interrupts the main circuit of the unit. This makes the unit inoperable until it has cooled to a safe level.
VI. MAINTENANCE
A. The collimator bulb and mirror can be replaced at any time.
B. Every three months clean the front acrylic plate, case, and bulb
surface of the collimator. If there is a finger mark on the bulb, wipe it off with a soft cloth.
At least every six months:
- Recalibrate the line voltage meter.
- Check the alignment of the collimator.
- Check the illuminance of the collimator.
- Recalibrate the timer.
- Tighten the handle pivot knobs.
- Check the kV output.
Failure to turn on the power.
Is the power cord plugged into its socket on the side of the unit?
> Plug the power cord into its socket
on the side of the unit.
YES
-> Plug the power cord into a grounded
power source
Is the power cord plugged into a grounded power source?
YES Is fuse blown?
YES V NO Call the agent.
Replace fuse. If the replacement fuse blows immediately, stop operating the unit at once. Call the agent.
Failure to work exposure switch system.
YES
Does “Warning” light go on?
YES
Is Line V setting too high?
Return Line V knob until “Warning” light goes off. It seems pressure switch works. —-> Cool the unit to a safe level.
VII. TROUBLESHOOTING AND DIAGNOSIS
NO >Is the exposure cord plugged into its socket?
NO > Plug the exposure cord into its socket on the side of the unit.
NO > YES Call the agent.
Failure to illuminate collimator.
Is the cord plugged into its socket?
> Plug the cord into its socket on the
front of the unit.
Is bulb blown?
YES > Replace the bulb.
NO Call the agent.
DATA FOR X-RAY TUBE
D-2058. D-205BS
MAXIMUM RATING CHARTS
(ABSOLUTE MAXIMUM RATING CHARTS)

EMISSION & FILAMENT CHARACTERISTICS

ANODE THERMAL CHARACTERISTICS

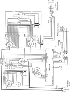
SCHEMATIC DIAGRAM



















