ETD29KC Portable Induction Cooktop
User Manual
ETD29KC Portable Induction Cooktop
Welcome to the world of Electrolux
Thank you for choosing a first class product from Electrolux, which hopefully will provide you with lots of pleasure in the future. The Electrolux ambition is to offer quality products that make your life more comfortable. Please take a few minutes to study this manual so that you can take advantage of the benefits of your new machine. We promise that it will provide a superior User Experience delivering Ease-of-Mind. Good luck!
The following symbols are used in this user manual:
Important information concerning your personal safety and information on how to avoid damaging the appliance
General information and tips
Environmental information
DESCRIPTION OF THE APPLIANCE
Designation of parts
ETD29PKB , ETD29PKR

| 1 air outlet | 5 power control and indicator |
| 2 power cord | 6 LED screen |
| 3 ceramic glass | 7 timer control |
| 4 cooking zone indicator | 8 air inlet |
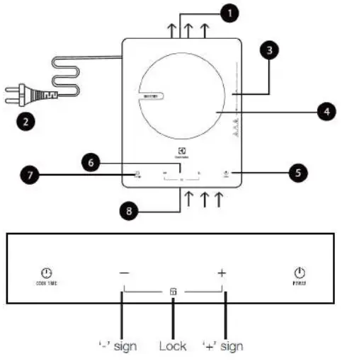
ETD29KC

| 1 air outlet | 5 power control and indicator |
| 2 power cord | 6 LED screen |
| 3 ceramic glass | 7 timer control |
| 4 cooking zone indicator | 8 air inlet |
Warning
The air inlet is located under the cooktop. Make sure it has access to fresh air and is not covered.
Risk of burns from residual heat. After being turned off, the cooking zone needs some time to cool down.
SAFETY INSTRUCTIONS
General information and tips
Please comply with these instructions. If you do not, any damage resulting is not covered by the warranty.
General safety
- In the event of faults with the appliance or damage to the ceramic glass (cracks, scratches or splits), the appliance must be turned off and disconnected from the electrical supply to prevent the possibility of an electric shock.
- Repairs to the appliance must only be carried out by trained registered service engineers.
- The appliance should be placed in a well ventilated environment and at least 10cm from the wall.
- Never use the appliance when the power cable is damaged.
- The appliance should be placed on a flat surface in order to prevent the pot from slipping when placed on the cooking zone.
- This appliance is not intended for use by persons (including children) with reduced physical, sensory or mental capabilities; or lack of experience and knowledge, unless they have been given supervision or instruction concerning use of the appliance by a person responsible for their safety.
- If the mains cord is damaged, it must be replaced by the manufacturer, or a service centre authorised by manufacturer in order to avoid hazard.
Child safety
- Young children must be kept away from the appliance. Only let older children work on the appliance under supervision.
- Children should be supervised to ensure that they do not play with this appliance.
Correct use
- This appliance should be used only for normal domestic cooking.
- The appliance must not be used as a work surface or as a storage surface.
- Never use the appliance in a high humidity environment.
- Additions or modifications to the appliance are not permitted.
- Do not place or store flammable liquids, highly inflammable materials or fusible objects (e.g. plastic film, plastic, aluminium) on or near the appliance.
- Remove stickers and film from the ceramic glass before use.
- There is a risk of burns from the appliance if used carelessly.
- Cables from electrical appliances must not touch the hot surface of the appliance or hot cookware.
- Overheated fat and oil can ignite quickly. When cooking with fat or oil (e.g. frying chips), do not leave the appliance unattended.
- Turn the appliance off after each use.
- Users with implanted pacemakers should keep their upper body at least 30cm from appliance that is turned on.
- Risk of burns! Do not place objects made of metal, such as knives, forks, spoons and saucepan lids on the cooking zone, as they can get hot.
- Do not block the air inlet and outlet.
- Make sure the surface of the pot in contact with the cooking zone is clean (e.g. oil or water).
- This appliance is intended for household use or similar places such as shops, offices and pantry areas in work environment; farm houses; hotels, motels and other accommodation places for use by the guests; and breakfast areas.
Safety when cleaning
- For cleaning, the appliance must be turned off, unplugged and cooled down.
- Make sure no water enters into the air inlet and outlet.
- For safety reasons, the cleaning of the appliance with steam jet or high pressure cleaning equipment is not permitted.
How to avoid damage to the appliance
- The ceramic glass can be damaged by objects falling onto it.
- The edge of the ceramic glass can be damaged by being knocked by the cookware.
- Cookware made of cast iron, cast aluminium or with damaged bottoms can scratch the ceramic glass if pushed across the surface.
- Objects that melt and things that boil over can burn onto the ceramic glass and should be removed straightaway.
- Do not use the appliance with empty cookware or without cookware.
- To avoid damaging cookware and ceramic glass, do not allow saucepans or frying pans to boil dry.
General information and tips
Residual heat can be used for melting and keeping food warm for a short time period. The cooking zone creates the heat required for cooking directly in the base of the cookware.The ceramic glass is merely heated by the residual heat of the cookware. The cooling fan switches itself on and off depending upon the temperature of the appliance components.
OPERATING THE APPLIANCE
This induction cooktop is able to make many kinds of cuisine having high thermal efficiency and being safe and easy to clean.
Putting a pot on the appliance
Put the pot with food/liquid on the cooking zone. Make sure the air inlet and air outlet are not blocked and there are no metallic objects close to the appliance.
Turning on the appliance
Connect the power cord to a power outlet, the buzzer will sound and the power indicator will flash. When the power control is pressed, the buzzer will sound, the power indicator lights up and this indicates that the induction cooktop is in standby mode.
For model : ETD29PKB , ETD29PKR
Selecting function
When the appliance is in standby mode, press the
button or the
button enter the function mode. when the buzzer sounds and the power indicator lights up, the appliance will start heating.
Hot pot function
The default power level is 1600W, default timer is 2 hours.
You can adjust the power level between 120W to 2000W by pressing the “+” or “-” button.
The timer adjust between 30 minutes to 3 hours by pressing the ”
“, then press the “+” or “-“ for desired time
Keep warm function
The default power level is 120W, default timer is 2 hours.
You can not adjust the power level in the keep warm mode.
The timer adjust between 30 minutes to 3 hours by pressing the “
“, then press the “+” or “-“ for desired time
For model : ETD29KC
When the appliance is in standby mode, press the “ + ” button or the “ – ” button enter the heating mode. when the buzzer sounds and the power indicator lights up,
the appliance will start heating.
The default power level is 1600W, default timer is 2 hours. You can adjust the power level between 120W to 2000W by pressing the “+” or “-” button.
The timer adjust between 30 minutes to 3 hours by pressing the “
“, then press the “+” or “-“ for desired time
Setting the timer
When the appliance is heating, press the timer control to activate the timer mode. The LED will flash and display “0:30”, indicating the timer mode has been activated.
Increase (Decrease) the timer by 1 minute by pressing the “+” (”-”) button once. If you hold the press of the “+” (”-”) button longer, the time will increase (decrease) quickly by 10 minutes.
The range of the timer is between 30 minutes to 3 hours After you have set the desied time, which is shown i n the LED display, the LED will flash for 5 seconds before the countdown will commence. Press the timer button again to cancel the timer function.
If you wish to reset the time during the countdown, first press the timer control, then press “+” (”-”) button to adjust the time.
The power level can also be reset during countdown by pressing “+” (”-”) button to adjust the power level.
When the time is completed, the buzzer will sound and the appliance will automatically switch off.
For security purpose, if no time applied, the appliance turns itself off after a default time of 2 hours.
TIPS ON COOKING
Cookware for the induction cooktop
| Steel, enamelled steel | Yes |
| Cast iron | Limited use, as it may shorten the appliance life time |
| Stainless steel | If appropriately labelled by the manufacturer |
| Aluminium, copper, brass | No |
| Glass, ceramic, porcelain | No |
General information and tips
This induction cooktop is sold together with a pot, which is specifically designed to give excellent cooking performance.
Cookware for induction cooktops is labelled as suitable by the manufacturer.
Suitability test
Cookware is suitable for induction cooking, if …
- a small amount of water is boiling within a short time when the pot is put on the cooking zone at power level 9.
- a magnet sticks to the bottom of the cookware.
If there is no any cookware or unsuitable cookware was used, the buzzer will sound for about 60 seconds and turn off.
General information and tips
Certain cookware can make noises when being used on induction cooktops. These noises are not a fault in the appliance and do not affect operation in any way.
Bottom of the cookware
The bottom of the cookware must be as thick as possible and completely flat.
Warning
Cookware with uneven bottom must not be used on this cooktop as it may impact the functionality and lead to glass crack.
Pan size
The cooking zone size adapts automatically to the size of the bottom of the cookware to a certain limit. The size of the cooking zone on this cooktop is 14.5-20cm.
General information and tips
The cookware must be placed centrally on the cooking zone.
CLEANING AND CARE
Warning
Take care! Risk of burns from residual heat.
Sharp objects and abrasive cleaning materials will damage the appliance.
Be careful water does not enter the air inlet and outlet. Residues from cleaning agents will damage the appliance.
Ceramic panel and control panel
Slight stains: Please wipe off plate with a soft moistened cloth.
Tough stains: Please clean with a soft moistened cloth dipped in a little toothpaste or neutral liquid cleaner and swab lightly until no residue exists.
Cleaning the appliance after each use
- Wipe the appliance with a damp close using warm water.
- Rub the appliance dry using a clean cloth.
Remove stubborn residues with a cleaner for ceramic glass.
Some scratches and dark stains on the ceramic glass may not be able to be removed.
These however do not affect the functioning of the appliance.
If aluminium foil, plastic items or high sugar content liquids/foods are allowed to melt on the ceramic glass, these should be removed immediately before the surface has cooled down, otherwise pitting of the surface can occur.
NOTE: Items with high sugar content not only include jam and fruit but also vegetables such as peas, tomatoes and carrots.
General information and tips
After the first use, some white spots may appear on the inner bottom of the pot. This is normal. Pour some vinegar into the pot, heat it to about 60-80 degrees Celsius, then wipe the spots away with a brush.
TROUBLESHOOTING
| Problem | Possible cause/action | ||
| After power is supplied, the power level display fails to light up. | • The plug is not inserted tightly. • The switch, socket, fuse and power cord are not in good condition. | ||
| The power level display lights up but heating does not start. | • The pot material is not suitable. • For other reasons, please contact your service technician. | ||
| Heating stops suddenly during operation. | • The ambient temperature is too high. • The air inlet or outlet is blocked. • The voltage is outside the range of this appliance. • The timing period has reached. • The system protection functions and is conducting energizing test. | ||
| Code of failure. | E3, E6 | Wait a few minutes for the temperature of the appliance to become normal. Press the power control button and the induction cooktop will operate as usual. | |
| E7, E8 | Wait a few minutes. When the voltage is back to normal, the induction cooktop will operate as usual. | ||
| E1, E2, E4, E5, Eb, EC | Please contact your service technician. | ||
PRODUCT SPECIFICATION
| Model | Applied Voltage/frequency | Rated power (w) | Appearance dimension (mm) | Weight (kg) |
| ETD29KC ETD29PKB ETD29PKR | 220-240V ~ 50/60Hz | 2000 | 358 x 280 x 62 | 2.3 |
Environmental Information
If at any time in future you need to dispose of this product please do NOT dispose of this product with household waste. Please send this product to collecting points where available.
This product is RoHS compliant.
CUSTOMER CARE CENTER
| Thailand Call Center Tel : (+66 2) 725 9000 Electrolux Thailand Co.,Ltd. Electrolux Building 14th Floor 1910 New Petchburi Road, Bangkapi,Huay Kwang, Bangkok 10310 Office Tel : (+66 2) 259100 Office Fax : (+66 2) 259299 Email : [email protected] | Malaysia Domestic Toll Free : 1300-88-11-22 Electrolux Home Appliances Sdn. Bhd. Unit T2-7, 7th Floor, Tower 2 , Jaya33 Hyperoffice, No. 3, Jahn Semangat, Seksyen 13, 46100 Petaling Jaya, Selangor Office Tel : (+60 3) 7843 5999 Office Fax : (+60 3) 7955 5511 Email : [email protected] |
| Indonesia Tel : (+62 21) 522 7180 PT. Electrolux Indonesia Gedung Plaza Kuningan Menara Utara 2nd Floor, Suite 201, A HR Rasuna Said kav C 11-14, Karet Setiabudi Jakarta Selatan 12940 Office Tel: (+62 21) 522 099 Office Fax: (+62 21) 522 7097 Email : [email protected] | Philippines Domestic Toll Free : 1-800-10-845-care 2273 Customer Care Hotline : (+63 2) 845 care 2273 Electrolux Philippines, Inc. 10th Floor. WSth Avenue Building 5th Avenue Corner 32nd Street Bonifacio Global City. Taguig Philippines 1634 Trunkline: +63 2 737- 4756 Website : www.electrolux.com.ph Email : [email protected] |
| Vietnam Domestic Toll Free : 1800-58-88-99 Tel : (+84 8) 3910 5465 Electrolux Vietnam Ltd. Floor 9th, A&B Tower 76 Le Lai street – Ben Thanh Ward – District 1 Ho Chi Minh City , Vietnam Office Tel : (+84 8) 3910 5465 Office Fax : (+84 8) 3910 5470 Email : [email protected] | Singapore CUSTOMER CARE HOTLINE : (+65) 6507 8699 Electrolux S.E.A. Pte Ltd. 11 Lorong 3 Toa Payoh Jackson Square, Block B, #01-13/14/15 Singapore 319579 Office Tel : (+65) 6507 8900 Office Fax : (+65) 6356 5489 Email : [email protected] |
| Hongkong Tel: (+852) 8203 0298 Dah Chong Hong, Ltd. – Service Centre 8/F., Yee Lim Godown Block C 2-28 Kwai Lok Street, Kwai Chung, N.T. Hong Kong |




















