
USER MANUAL
INDUCTION COOKTOPS
WHI633BC, WHI643BC, WHI645BC WHI743BC, WHI943BC, WHI945BC
CONGRATULATIONS
Dear customer,
Congratulations on the purchase of your new cooktop before you use the cooktop, we recommend that you read through the whole user manual which provides the description of the cooktop and its functions.
To avoid the risks that are always present when you use an electrical appliance, it is important that the cooktop is installed correctly and that you read the safety instructions carefully to avoid misuse and hazards.
We recommend that you keep this instruction booklet for future reference and pass it on to any future owners.
After unpacking the appliance, please check it is not damaged. If in doubt, do not use the appliance but contact your local Customer Care Centre.
For contact details, refer to the last page of this user manual. This appliance complies with the requirements of
Australian Standard AS/NZS 60335.2.6
Conditions of use
This appliance is intended to be used in household and similar applications such as:
- Staff kitchen areas in shops, offices, and other working environments
- Farmhouses
- By clients in hotels, motels, and other residential type environments
- Bed and breakfast type environments
Please ensure you read the instruction manual fully before you call for service, or a full service fee could be applicable.
Record model and serial number here:
Model number:…………………………………………………………………………….
Serial number: …………………………………………………………………………….
PNC: …………………………………………………………………………………………..
Please read the user manual carefully and store it in a handy place for later reference.
The symbols you will see in this booklet have these meanings:
WARNING
This symbol indicates information concerning your personal safety.
CAUTION
This symbol indicates information on how to avoid damaging the appliance.
IMPORTANT
This symbol indicates tips and information about the use of the appliance.
ENVIRONMENT
This symbol indicates tips and information about the economical and ecological use of the appliance.
IMPORTANT INFORMATION THAT
MAY IMPACT YOUR MANUFACTURER’S
WARRANTY
Adherence to the directions for use in this manual is extremely important for health and safety. Failure to strictly adhere to the requirements in this manual may result in personal injury, property damage and affect your ability to make a claim under the Westinghouse manufacturer’s warranty provided with your product. Products must be used, installed, and operated in accordance with this manual. You may not be able to claim on the Westinghouse manufacturer’s warranty in the event that your product fault is due to failure to adhere to this manual.
IMPORTANT SAFETY INSTRUCTIONS
IMPORTANT
Check for any damage or marks
If you find the cooktop is damaged or marked, you must report it within 7 days if you wish to claim for damage/ marks under the manufacturer’s warranty. This does not affect your statutory rights.
ENVIRONMENTAL TIPS
ENVIRONMENT
Information on disposal for users
- All of the packaging materials are recyclable.
Please dispose of those materials through your local recycling depot or by placing them in appropriate collection containers. - If you wish to discard this product, please contact your local authorities and ask for the correct method of disposal.
WARNING
Risk of suffocation, injury, or permanent disability.
- Do not let persons, children included, with reduced physical sensory, reduced mental functions, or lack of experience and knowledge use the appliance. They must have supervision or instruction for the operation of the appliance by a person who is responsible for their safety.
- Do not let children play with the appliance.
- Keep all packaging away from children.
- Keep children and pets away from the appliance when it operates or when it cools down. Accessible parts are hot.
- If the appliance has a child safety device, we recommend that you activate it.
Installation
WARNING
Only a qualified person must install this appliance.
- Remove all the packaging.
- Do not install or use a damaged appliance.
- Obey the installation instruction supplied with the appliance.
- Keep the minimum distance from the other appliances and units.
- Always be careful when you move the appliance because it is heavy. Always wear safety gloves.
- Seal the cut surfaces with a sealant to prevent moisture to cause swelling.
- Protect the bottom of the appliance from steam and moisture.
- Do not install the appliance adjacent to a door or under a window. This prevents hot cookware to fall from the appliance when the door or the window
is opened. - If the appliance is installed above drawers make sure that the space, between the bottom of the appliance and the upper drawer, is sufficient for air circulation.
- Make sure that the ventilation space of 5 mm, between the worktop and the front of the below unit, is free. The warranty does not cover damages caused
by the lack of adequate ventilation space. - The bottom of the appliance can get hot. We recommend installing a non-combustible separation panel under the appliance to prevent access to the bottom.
IMPORTANT SAFETY INSTRUCTIONS
Electrical connection
WARNING
Risk of fire and electrical shock.
- All electrical connections must be made by a qualified electrician. Before wiring makes sure the mains terminal is not live.
- Make sure the appliance is installed correctly. Loose and incorrect plug and socket connections can make the terminal become too hot.
- The appliance must be installed correctly to ensure anti-shock protection.
- Cables from other electrical appliances must not touch the hot surface of the appliance.
- Other than the connection point in the terminal block, do not let the electrical supply cord touch the appliance or hot cookware. Ensure the electrical supply cord is not tangled.
- Use a strain relief clamp on the cable.
- Use the correct main cable.
- Make sure there is no damage to the mains plug and to the mains cable. Contact the Service Centre or an electrician to change a damaged mains cable.
- The electrical installation must have an isolation device that lets you disconnect the appliance from the mains at all poles. The isolation device must have a contact opening width of a minimum of 3mm.
- Use only correct isolation devices: line protecting cut-outs, fuses (screw type fuses removed from the holder), earth leakage trips, and contractors.
Use
WARNING
Risk of injury, burns, or electric shock.
- Use this appliance in a household environment.
- Do not change the specification of this appliance.
- Do not use an external timer or a separate remote-control system to operate the appliance.
- Do not let the appliance stay unattended during operation.
- Do not operate the appliance with wet hands or when it has contact with water.
- Do not put cutlery or saucepan lids on the cooking zones. They can become hot.
- Set the cooking zone to “off” after each use. Do not rely on the pan detector.
- Do not use the appliance as a work surface or as a storage surface.
- If there is a crack on the surface, disconnect the power supply to prevent the electrical shock.
- Users with a pacemaker must keep a distance of a minimum of 30 cm from the induction cooking zones when the appliance is in operation.
WARNING
Risk of fire or explosion.
- Fats and oil when heated can release flammable vapours. Keep flames or heated objects away from fats and oils when you cook with them.
- The vapours that very hot oil releases can cause spontaneous combustion.
- Used oil, that can contain food remnants, can cause fire at a lower temperature than oil used for the first time.
- Do not put flammable products or items that are wet with flammable products in, near, or on the appliance.
- Do not try to extinguish a fire with water. Disconnect the appliance and cover the flame with a lid or a fire blanket.
WARNING
Risk of damage to the appliance.
- Do not keep hot cookware on the control panel.
- Do not let cookware boil dry.
- Be careful not to drop utensils or cookware on the glass, the glass surface can be damaged
- Do not activate the cooking zones with empty cookware or without cookware.
- Do not put aluminum foil on the appliance.
- Cookware made of cast iron, aluminum, or with a damaged bottom can cause scratches on the glass-ceramic. Always lift these objects up when you have
to move them on the cooking surface.
Care And Cleaning
WARNING
Risk of damage to the appliance.
- Clean regularly the appliance to prevent the deterioration of the surface material.
- Do not use water spray and steam to clean the appliance.
- Clean the appliance with a moist soft cloth. Only use neutral detergents. Do not use abrasive products, abrasive cleaning pads, solvents or metal objects.
INSTALLATION INSTRUCTIONS
Built-in appliances
Only use the built-in appliances after you assemble the appliance into correct built-in units and work surfaces that align to the standards.
Connection cable
- Use the correct mains cable of type H05BB-F Tmax 90°C (or higher) for a single-phase or two-phase connection.
- Replace the damaged mains cable with a special cable (type H05BB-F Tmax 90°C or higher). 3 x 4mm 2 with an all-pole 32A breaker. Speak to your local Service Centre.
- The cable conditions must be in accordance with regulations and the terminal screws tightened securely.
- The connecting cable is to be secured with the mains cable cleat and the covering closed by pressing firmly (lock into place).
- Before switching on for the first time, any protective foil or stickers must be removed from the glass-ceramic surface.
To attach the seal
- Clean the worktop in the area of the cutout section.
- Bond the seal stripe supplied on the lower edge of the appliance along the outer edge of the glass-ceramic. Do not extend it. Let stay the cut ends in the middle of one side. When, you cut it to length (add some mm), push the two ends together.
Assembly

NOTE: The clearance must meet or exceed the minimum recommended for both the rangehood and cooktop.
Refer to the range hood installation manual.
WARNING
Refer to the “Safety information” chapter.
IMPORTANT
Before the installation, note down the serial number (Ser. Nr.) from the rating plate at the front of this manual. The rating plate of the appliance is on its lower casing.

INSTALLATION INSTRUCTIONS (CONTINUED)
WHI633BC, WHI643BC, WHI645BC, WHI743BC
![]() | ![]() |
WHI945BC, WHI943BC
![]() | ![]() |
IMPORTANT
It is recommended to center the bench cutout with equal distance front and back as shown but the product has also been certified to be installed with no clearance between the rear edge of the cooktop glass and rear wall if required. In doing so, installers still need to leave sufficient clearance to take into account that the glass dimensions are larger than the cutout.

SPECIFICATIONS
Technical data
| WHI633BC | WHI643BC | WHI645BC | WHI743BC | WHI943BC | WHI945BC | |
| PNC | 949 163 425 | 949 163 426 | 949 163 427 | 949 163 428 | 949 163 429 | 949 163 431 |
| Product dimensions (w x d) mm | 590 x 520 | 590 x 520 | 590 x 520 | 700 x 520 | 900 x 515 | 910 x 520 |
| Cut-out dimensions (w x d) mm | 560 x 490 | 560 x 490 | 560 x 490 | 560 x 490 | 880 x 490 | 880 x 490 |
| Voltage (volts) | 220-240 | 220-240 | 220-240 | 220-240 | 220-240 | 220-240 |
| Cycles (Hz) | 50-60 | 50-60 | 50-60 | 50-60 | 50-60 | 50-60 |
| Total power (Watts) | 6500 | 6500 | 7400 | 6500 | 6500 | 7400 |
| Elements- Without/ With Boost (Watts) | 3 | 4 | 4 | 4 | 4 | 4 |
| Front Left | 1400/2500 | 2300/3200 | 2300/3200 | 2300/3200 | 2300/3200 | 2300/3200 |
| Rear Left | 1800/2800 | 1400/2500 | 2300/3200 | 1400/2500 | 1400/2500 | 2300/3200 |
| Front Right | 3600/5200 | 1400/2500 | 1400/2500 | 1400/2500 | 1400/2500 | 1800/2800 |
| Rear Right | N/A | 1800/2800 | 1800/2800 | 1800/2800 | 1800/2800 | N/A |
| Centre | N/A | N/A | N/A | N/A | N/A | 2300/3600 |
PRODUCT DESCRIPTION
WHI633BCP
- Induction cooking zone 1800 W, with Power function 2800 W (minimum cookware diameter =140 mm).
- Induction cooking zone 3600 W, with Power function 5200 W (minimum cookware diameter =180 mm).
- Control panel
- Induction cooking zone 1400 W, with Power function 2500 W (minimum cookware diameter =125 mm).
WHI643BC

- Induction cooking zone 1400 W, with Power function 2500 W (minimum cookware diameter =125 mm).
- Induction cooking zone 1800 W, with Power function 2800 W (minimum cookware diameter =145 mm).
- Induction cooking zone 1400 W, with Power function 2500 W (minimum cookware diameter =125 mm).
- Control panel
- Induction cooking zone 2300 W, with Power function 3200 W (minimum cookware diameter =180 mm).

- Induction cooking zone 2300 W x2 , with Power function 3200 W x2 (minimum cookware diameter =125 mm).
- Induction cooking zone 1800 W, with Power function 2800 W (minimum cookware diameter =145 mm).
- Induction cooking zone 1400 W, with Power function 2500 W (minimum cookware diameter =125 mm).
- Control panel

- Induction cooking zone 1400 W, with Power function 2500 W (minimum cookware diameter =125 mm).
- Induction cooking zone 1800 W, with Power function 2800 W (minimum cookware diameter =145 mm).
- Induction cooking zone 1400 W, with Power function 2500 W (minimum cookware diameter =125 mm).
- Control panel
- Induction cooking zone 2300 W, with Power function 3200 W (minimum cookware diameter =180 mm).

- Induction cooking zone 1400 W, with Power function 2500 W (minimum cookware diameter =125 mm).
- Induction cooking zone 1800 W, with Power function 2800 W (minimum cookware diameter =145 mm).
- Induction cooking zone 1400 W, with Power function 2500 W (minimum cookware diameter =125 mm).
- Control panel
- Induction cooking zone 2300 W, with Power function 3200 W (minimum cookware diameter =180 mm).

- Induction cooking zone 2300 W, with Power function 3200 W (minimum cookware diameter =180 mm).
- Induction cooking zone 1800 W, with Power function 2800 W (minimum cookware diameter =145 mm).
- Induction cooking zone 2300 W, with Power function 3600 W (minimum cookware diameter =180 mm).
- Control panel
- Induction cooking zone 2300 W, with Power function 3200 W (minimum cookware diameter =180 mm).
PRODUCT DESCRIPTION (CONTINUED)
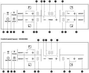
Control panel layout – WHI643BC, WHI743BC & WHI943BC

Use the sensor fields to operate the appliance. The displays, indicators, and sounds tell which functions operate.
| SENSOR FIELD | FUNCTION | |
| 1 | It activates and deactivates the appliance | |
| 2 | Sets all operating zones to a keep warm setting | |
| 3 | It locks/unlocks the control panel | |
| 4 | BOOST/P | It activates the Power function |
| 5 | -/+ | It increases or decreases the heat setting |
| 6 | A heat setting display | It shows the heat setting |
| 7 | Cooking zones’ indicators of timer | It shows for which zone you set the time |
| 8 | The timer display | It shows the time in minutes |
| 9 | TIMER | It selects the cooking zone |
| 10 | -/+ | It increases or decreases the time |
| 11 | Connects left hand zones (selected models) | |
| 12 | To activate and deactivate the manual mode of the Hob2Hood function | |
| 13 | To activate and deactivate the function. The indicators 15 above the symbol show the progress of the function | |
Heat setting displays
| DISPLAY | DESCRIPTION |
![]() | The cooking zone is deactivated. |
| The Keep Warm function operates. ( Only for WHI645BC/WHI945BC) | |
| The cooking zone operates. | |
![]() | The Automatic Heat-up function operates. |
![]() | The cookware is incorrect or too small, or there is no cookware on the cooking zone. |
![]() | There is a malfunction. |
| OptiHeat Control (3 step residual heat indicator): continue ooking / keep warm / resdiual heat | |
![]() | The Lock/Child Safety device operates. |
| The Power function operates. | |
| The Automatic Switch-Off operates. | |
![]() | SenseBoil function operates.(Only for WHI645BC/WHI945BC) |
SenseBoil function operates.(Only for WHI645BC/WHI945BC)
OptiHeat Control shows the level of the residual heat.
The induction cooking zones make the heat necessary for cooking directly in the bottom of the cookware.
The glass ceramic is hot from the heat of the cookware.
WARNING
Risk of burns from residual heat!
OPERATING INSTRUCTIONS
Activation and deactivation
Touch for on/of second to activate or deactivate the appliance.
Automatic switch off
The function deactivates the appliance automatically if:
- All cooking zones are deactivated (
). - You do not set the heat setting after you activate the appliance.
- You spill something or put something on the control panel for more than 10 seconds, (a pan, a cloth, etc). The sound operates some time and the appliance deactivates. Remove the object or clean the control panel.
- The appliance become too hot (e.g. when a saucepan boils dry). Before you use the appliance again, the cooking zone must be cool.
- You use incorrect cookware. The symbol
comes on and the cooking zone deactivates automatically after 2 minutes. - You do not deactivate a cooking zone or change the heat setting. After some time,
comes on and the appliance deactivates. See the Heat Setting display table below
For more information on all Westinghouse appliances, or for dimension and installation information, call into your retailer, phone or email our customer care team or visit our website:
AUSTRALIA
phone: 13 13 49
email: [email protected]
web: westinghouse.com.au




























