ETD29KC Portable Induction Cooker
User Manual
ETD29KC Portable Induction Cooker
ETD29KC ETD29PKB ETD29PKR
Portable induction cooktop
User Manual Manual
Welcome to the world of Electrolux Thank you for choosing the first-class product from Electrolux, which hopefully will provide you with lots of pleasure in the future. Electrolux’s ambition is to offer quality products that make your life more comfortable. Please take a few minutes to study this manual so that you can take advantage of the benefits of your new machine. We promise that it will provide a superior User Experience delivering Ease-of-Mind. Good luck!
The following symbols are used in this user manual:
Important information concerning your personal safety and information on how to avoid damaging the appliance
General information and tips
Environmental information
DESCRIPTION OF THE APPLIANCE
Designation of parts
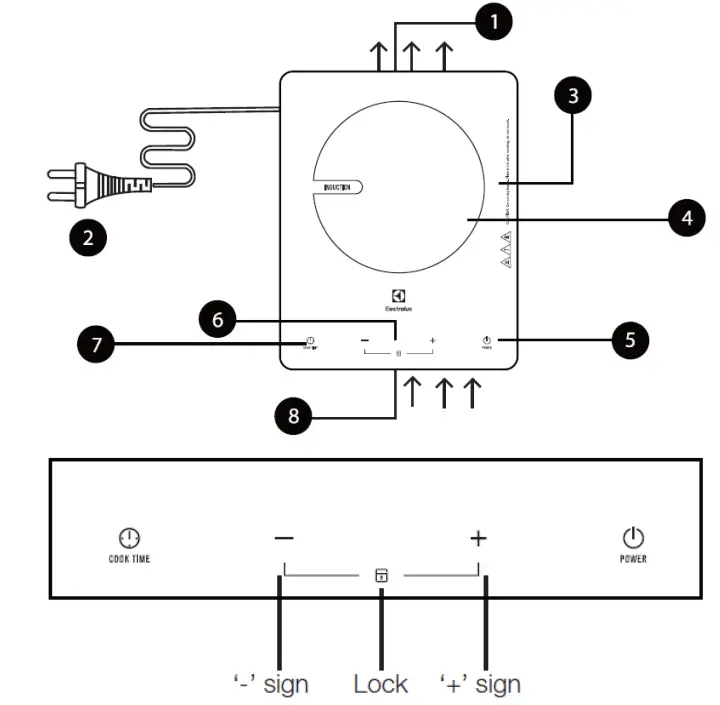
ETD29PKB , ETD29PKR
air outlet- power cord
- ceramic glass
- cooking zone indicator
- power control and indicator
- LED screen
- timer control
- air inlet
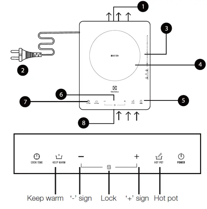
ETD29KC
- air outlet
- power cord
- ceramic glass
- cooking zone indicator
- power control and indicator
- LED screen
- timer control
- air inlet
Warning
The air inlet is located under the cooktop. Make sure it has access to fresh air and is not covered.
Risk of burns from residual heat. After being turned off, the cooking zone needs some time to cool down.
SAFETY INSTRUCTIONS
General information and tips
Please comply with these instructions. If you do not, any damage resulting is not covered by the warranty.
General safety
- In the event of faults with the appliance or damage to the ceramic glass (cracks, scratches or splits), the appliance must be turned off and disconnected from the electrical supply to prevent the possibility of an electric shock.
- Repairs to the appliance must only be carried out by trained registered service engineers.
- The appliance should be placed in a well-ventilated environment and at least 10cm from the wall.
- Never use the appliance when the power cable is damaged.
- The appliance should be placed on a flat surface in order to prevent the pot from slipping when placed in the cooking zone.
- This appliance is not intended for use by persons (including children) with reduced physical, sensory or mental capabilities; or lack of experience and knowledge unless they have been given supervision or instruction concerning the use of the appliance by a person responsible for their safety.
- If the mains cord is damaged, it must be replaced by the manufacturer or a service center authorized by the manufacturer in order to avoid a hazard.
Child safety
- Young children must be kept away from the appliance. Only let older children work on the appliance under supervision.
- Children should be supervised to ensure that they do not play with this appliance.
Correct use
- This appliance should be used only for normal domestic cooking.
- The appliance must not be used as a work surface or as a storage surface.
- Never use the appliance in a high humidity environment.
- Additions or modifications to the appliance are not permitted.
- Do not place or store flammable liquids, highly inflammable materials, or fusible objects (e.g. plastic film, plastic, aluminum) on or near the appliance.
- Remove stickers and film from the ceramic glass before use.
- There is a risk of burns from the appliance if used carelessly.
- Cables from electrical appliances must not touch the hot surface of the appliance or hot cookware.
- Overheated fat and oil can ignite quickly. When cooking with fat or oil (e.g. frying ch,ips) do not leave the appliance unattended.
- Turn the appliance off after each use.
- Users with implanted pacemakers should keep their upper body at least 30cm from an appliance that is turned on.
- Risk of burns! Do not place objects made of metal, such as knives, forks, spoons, and saucepan lids on the cooking zone, as they can get hot.
- Do not block the air inlet and outlet.
- Make sure the surface of the pot in contact with the cooking zone is clean (e.g. oil or water).
- This appliance is intended for household use or similar places such as shops, offices, and pantry areas in a work environment; farm houses; hotels, motels, and other accommodation places for use by the guests; and breakfast areas.
Safety when cleaning
- For cleaning, the appliance must be turned off, unplugged, and cooled down.
- Make sure no water enters the air inlet and outlet.
- For safety reasons, the cleaning of the appliance with a steam jet or high-pressure cleaning equipment is not permitted.
How to avoid damage to the appliance
- The ceramic glass can be damaged by objects falling onto it.
- The edge of the ceramic glass can be damaged by being knocked by the cookware.
- Cookware made of cast iron, cast aluminum, or with damaged bottoms can scratch the ceramic glass if pushed across the surface.
- Objects that melt and things that boil over can burn onto the ceramic glass and should be removed straight away.
- Do not use the appliance with empty cookware or without cookware. · To avoid damaging cookware and ceramic glass, do not allow saucepans or frying pans to boil dry.
General information and tips
Residual heat can be used for melting and keeping food warm for a short time period. The cooking zone creates the heat required for cooking directly in the base of the cookware. The ceramic glass is merely heated by the residual heat of the cookware. The cooling fan switches itself on and off depending upon the temperature of the appliance components.
OPERATING THE APPLIANCE
This induction cooktop is able to make many kinds of cuisine having high thermal efficiency and being safe and easy to clean.
Putting a pot on the appliance
Put the pot with food/liquid in the cooking zone. Make sure the air inlet and air outlet are not blocked and there are no metallic objects close to the appliance.
Turning on the appliance
Connect the power cord to a power outlet, the buzzer will sound and the power indicator will flash. When the power control is pressed, the buzzer will sound, the power indicator lights up and this indicates that the induction cooktop is in standby mode.
For model : ETD29PKB , ETD29PKR
Selecting function
When the appliance is in standby mode, press the ”
” button or the ”
” button to enter the function mode. when the buzzer sounds and the power indicator lights up, the appliance will start heating.
Hot pot function
The default power level is 1600W, default timer is 2 hours. You can adjust the power level between 120W to 2000W by pressing the “+” or “-” button. The timer adjusts between 30 minutes to 3 hours by pressing the “
“, then pressing the “+” or “-” for desired time
Keep warm function
The default power level is 120W, default timer is 2 hours. You can not adjust the power level in the keep warm mode. The timer adjusts between 30 minutes to 3 hours by pressing the “
“, then pressing the “+” or “-” for desired time
For model: ETD29KC When the appliance is in standby mode, press the ” + ” button or the ” – ” button to enter the heating mode. when the buzzer sounds and the power indicator lights up, the appliance will start heating.
The default power level is 1600W, default timer is 2 hours. You can adjust the power level between 120W to 2000W by pressing the “+” or “-” button. The timer adjusts between 30 minutes to 3 hours by pressing the ”
“, then pressing the “+” or “-” for desired time
Setting the timer
When the appliance is heating, press the timer control to activate the timer mode. The LED will flash and display “0:30”, indicating the timer mode has been activated.
Increase (Decrease) the timer by 1 minute by pressing the “+” (“-“) button once. If you hold press the “+” (“-“) button longer, the time will increase (decrease) quickly by 10 minutes.
The range of the timer is between 30 minutes to 3 hours After you have set the desired time, which is shown In the LED display, the LED will flash for 5 seconds before the countdown will commence. Press the timer button again to cancel the timer function.
If you wish to reset the time during the countdown, first press the timer control, then press the “+” (“-“) button to adjust the time.
The power level can also be reset during the countdown by pressing the “+” (“-“) button to adjust the power level.
When the time is completed, the buzzer will sound and the appliance will automatically switch off.
For security purposes, if no time is applied, the appliance turns itself off after a default time of 2 hours.
Lock the appliance Press both “+” “-” buttons simultaneously to lock the setting of the appliance. The child lock indicator lights up. Pressing and holding the “+” “-” buttons for 3 seconds will deactivate the lock function. Child lock indicator lights off.
Turning off the appliance
Press the power control button and the induction cooktop will stop heating. The fan will run for a while to cool down the induction cooktop.
TIPS ON COOKING Cookware for the induction cooktop
| Steel, enameled steel | Yes |
| Cast iron | Limited use, as it may shorten the appliance lifetime |
| Stainless steel | If appropriately labeled by the manufacturer |
| Aluminum, copper, brass | No |
| Glass, ceramic, porcelain | No |
General information and tips
This induction cooktop is sold together with a pot, which is specifically designed to give an excellent cooking performance.
Cookware for induction cooktops is labeled as suitable by the manufacturer.
Suitability test
Cookware is suitable for induction cooking, if … · …a small amount of water is boiling within a short time when the pot is put on the cooking zone at power level 9. · … a magnet sticks to the bottom of the cookware.
If there is no cookware or unsuitable cookware was used, the buzzer will sound for about 60 seconds and turn off.
General information and tips
Certain cookware can make noises when being used on induction cooktops. These noises are not a fault in the appliance and do not affect its operation in any way.
Bottom of the cookware
The bottom of the cookware must be as thick as possible and completely flat.
Warning
Cookware with uneven bottom must not be used on this cooktop as it may impact the functionality and lead to glass cracks.
Pan size
The cooking zone size adapts automatically to the size of the bottom of the cookware YT to a certain limit. The size of the cooking zone on this cooktop is 14.5-20cm.
General information and tips
The cookware must be placed centrally in the cooking zone.
CLEANING AND CARE
Warning
Take care! Risk of burns from residual heat. Sharp objects and abrasive cleaning materials will damage the appliance. Be careful water does not enter the air inlet and outlet. Residues from cleaning agents will damage the appliance.
Ceramic panel and control panel
Slight stains: Please wipe off the plate with a soft moistened cloth. Tough stains: Please clean with a soft moistened cloth dipped in a little toothpaste or neutral liquid cleaner and swab lightly until no residue exists.
Cleaning the appliance after each use
- Wipe the appliance with a damp close using warm water.
- Rub the appliance dry using a clean cloth. Remove stubborn residues with a cleaner for ceramic glass.
Some scratches and dark stains on the ceramic glass may not be able to be removed. These however do not affect the functioning of the appliance.
If aluminum foil, plastic items or high sugar content liquids/foods are allowed to melt on the ceramic glass, these should be removed immediately before the surface has cooled down, otherwise pitting of the surface can occur. NOTE: Items with high sugar content not only include jam and fruit but also vegetables such as peas, tomatoes, and carrots.
General information and tips
After the first use, some white spots may appear on the inner bottom of the pot. This is normal. Pour some vinegar into the pot, heat it to about 60-80 degrees Celsius, then wipe the spots away with a brush.
TROUBLESHOOTING
| Problem | Possible cause/action | |
| After power is supplied, the power level display fails to light up. | • The plug is not inserted tightly. • The switch, socket, fuse and power cord are not in good condition. | |
| The power level display lights up but heating does not start. | • The pot material is not suitable. • For other reasons, please contact your service technician. | |
| The heating stops suddenly during operation. | • The ambient temperature is too high. • The air inlet or outlet is blocked. • The voltage is outside the range of this appliance. • The timing period has reached. • The system protection functions and is conducting an energizing test. | |
| Code of failure. | E3, E6 | Wait a few minutes for the temperature of the appliance to become normal. Press the power control button and the induction cooktop will operate as usual. |
| E7, E8 | Wait a few minutes. When the voltage is back to normal, the induction cooktop will operate as usual. | |
| E1, E2, E4, E5, Eb, EC | Please contact your service technician. | |
PRODUCT SPECIFICATION
| Model | Applied Voltage/frequency | Rated power (w) | Appearance dimension (mm) | Weight (kg) |
| ETD29KC ETD29PKB ETD29PKR | 220-240V ~ 50/60Hz | 2000 | 358 x 280 x 62 | 2.3 |
Environmental Information
RoHS Compliant.
If at any time in the future you need to dispose of this product please do NOT dispose of this product with household waste. Please send this product to collecting points where available. This product is RoHS compliant.
CUSTOMER CARE CENTER
Thailand
Call Center Tel : (+66 2) 725 9000
Electrolux Thailand Co., Ltd.
Electrolux Building
14th Floor 1910 New Petchburl Road,
Bangkapi, Huay Kwang, Bangkok 10310
Office Tel : (+66 2) 259100
Office Fax : (+66 2) 259299
Email: customercarethalOelectrolux.com
Malaysia
Domestic Toll-Free: 1300-88-11-22
Electrolux Home Appliances Sdn.
BM. Unit T2-7, 7th Floor, Tower 2. Jaya33 Hyperoffice,
No. 3, Jalan Semangat, Seksyen 13, 46100 Petal ing Jaya, Selangor
Office Tel : (+60 3) 7843 5999
Office Fax : (+60 3) 7955 5511
Email: [email protected]
Indonesia
PT Electrolux Indonesia
M. Abdul Muis No.34, Petojo Selatan, Gambit
Jakarta Fusel 10160, Indonesia
Hotline Service: 0804 111 9999
SMS: 0812 8088 8863
WA: 0811 8339 777
Email: [email protected]
Website: www.electrolux.co.id
Diimpor Oleh PT Electrolux Indonesia.
Philippines
Domestic Toll-Free: 1-800-10-845-care 2273
Customer Care Hotline : (+63 2)845 care 2273
Electrolux Philippines, Inc. 10th Floor. W5th Avenue Building 5th Avenue Corner 32nd Street Bonded° Global City, Taguig Philippines 1634
Trunkline: +63 2 737- 4756
Website: vninv.electrokix.COm.ph
Email: [email protected]
Vietnam
Domestic Toll-Free: 1800-58-88-99
Tel : (+84 8) 3910 5465
Electrolux Vietnam Ltd.
Floor 9th, MB Tower 76 Le Lai street – Ben Thanh Ward – District 1
Ho Chi Minh City, Vietnam
Office Tel : (+84 8) 3910 5465
Office Fax : (+84 8) 3910 5470
Email : vncarettelectrolux.com
Singapore
CUSTOMER CARE HOTLINE : (+65) 6507 8699
Elec trolux S.E.A. Pte Ltd.
11 Lorong 3 Toa Payoh Jackson Square, Block B, #01-13/14/15
Singapore 319579
Office Tel : (+65) 6507 8900
Office Fax : (+65) 6356 5489
Email: customer-care.sinOelectrolux.com
Hongkong
Tel: (+852) 8203 0298
Dah Chong Hong, Ltd. – Service Centre
8/F., Yee Lim Godown Block C
2-28 Kwai Lok Street, Kwai Chung, N.T.
Hong Kong
air outlet

















