edbak TR3 Plasma LCD Trolley

WARNING
Please read this manual before the installation to ensure proper assembly. The assembly should be carried out in accordance with this manual by at least two persons with proper qualifications in assembly. EDBAK Company shall not be liable for any material or property damage or bodily injury resulting from improper assembly. Therefore, you should always follow the instructions:
- during the assembly, please follow the instructions carefully. Otherwise, it may result in product damage or even personal injury;
- before the assembly you must ensure that under the surface of the wall where the mount is to be fixed there are no power cables, water or sewage pipes or gas installations;
- while fixing the screen on the mount, please ensure that the screws are of proper length and diameter. In order to ensure the right length and diameter, you may use the accompanying plastic pads. Use of improper screws may result in permanent product damage. Extra caution should be given with movable elements in order to prevent crushing or pressing your hands or fingers. This manual indicates such elements.
The terms of the product guarantee are set forth in the guarantee card.
Checklist

ASSEMBLY INSTRUCTIONS
- Assembling wheels to the base plate

- Assembling base plate with pipes

- Assembling mounting head on pipes

- Assembling back plate with mounting head

- Mounting front plates to the back of screen

- Mounting screen on the VESA adapter

- Security skrew

- Adjustable screen position

- Tilt and height adjustment of the screen

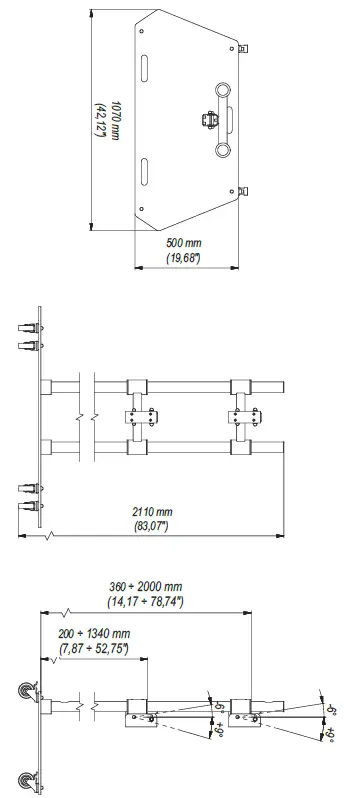
Technical drawing




























