FETtec 4in1 ESC35A Active current limiting

Introduction
Thank you for purchasing the FETtec 4in1 ESC 35A.
Features
- Active current limiting @ 35A
- Input voltage: 3S-6S
- High quality 40V MOSFETs
- STM32G071 @ 64MHz
- 128 kHz Motor PWM
- Automatic input signal detection
- Dshot 300-2400
- PWM
- OneShot42/125
- OneWire
- Soldering holes for up to 5 additional capacitors (required for 5S and 6S application)
- KISS FC Passthrough
- Betaflight Passthrough (available from development version #1723 and further stable releases)
Safety warning
- Remove propeller before flashing and configuration
- The ESC can heat up to 100°C and more
- Please ensure that there is enough space and airflow to prevent any damage because of overheating
- Do not file the mounting holes as this may cause damage
Connection Diagram
Top/Bottom Layout

S1 – S4 – Motor Signal 1-4
TLM – Telemetry (Serial)
GND – Reference Signal Ground
Basic Setup
4S
For 4S usage please note that on 5” and higher builds the use of the supplied capacitor is advised. On 3” to 4” builds the capacitor is not required.
6S
For 6S usage an additional capacitor with the following specification is mandatory. You can use either a single capacitor or use multiple ones which can be connected on each corner of the ESC.
Minimum 330uF
50v
ESR < 1ohm
We recommend to use the provided 337CKE050M capacitor.
KISS-FC
Traditional ESC Connection
On KISS FC hardware motor signals are connected to the corresponding motor output and TLM is connected to one of the TLM pads. GND you can choose the solid or dotted line.
Onewire ESC Connection
On KISS FC v2 hardware and a firmware of at least 1.3RC38a the ESC can also be connected using Onewire protocol. This requires a different connectivity between FC and ESC. The ESC TLM pad has to be connected to the FC motor pin
Betaflight
Connection
Signal 1 – 4 have to be connected to the corresponding FC Motor outputs. The TLM wire has to be connected to an available serial TX pin. (Please see below example based on Omnibus FC)

Configuration
In order to utilize ESC provided current and voltage sensor the following settings need to be applied in Betaflight. (Feature, motor protocol and meter can be configured through the GUI itself). In addition the correct serial port need to be selected and assigned to ESC sensor.

Please update your ESC with the current Firmware version.
The ESC configuration tool is available at https://github.com/FETtec/ESC-Configurator
The ESC firmware is available for download at https://github.com/FETtec/ESC-Firmware
FC passthrough is available for the following platforms:
- KISS FC – Firmware 1.3-RC36j (or higher)
- Betaflight 4.1 firmware (Minimum requirement for Onewire is STM32F
Settings

Mainpage to connect to the ESC. Please select correct connectivity type and serial/COM port.

The Overview page allow to flash individual ESCs.

The Setting page allow to adjust all available ESC parameter
– Reverse rotation direction
– Slow start
– 3D mode
– PWM min & max signal
– ESC Beep enabled
– Current calibration
– Individual ESC ID (for use on Onewire protocol)

In Telemetry page you can spin the motors, view and debug the Motor telemetry.
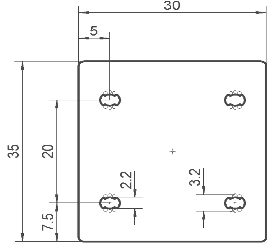
Dimension (in mm)

The FETtec 4in1 ESC 35A comes with a 20 mm x 20mm mounting hole layout designed for M2 and M3 screws. Original is for M2 while you can use a screw driver and force it into M3 by rotating it inside the hole carefully. Do not file the mounting holes as this may cause damage.



















