
MODEL
GGSVD7
V 5.0|1021

7kg Vented Dryer
User Manual
Welcome
Congratulations on purchasing your new Vented Dryer! The Sôlt brand is proudly distributed within Australia by Residentia Group Pty Ltd.
Residential Group
Head Office. 165 Barkly Ave Burnley Victoria 3121 Australia — ACN. 600 546 656 — Online. residential. group
Please refer to the warranty card at the rear of this manual for information regarding your product’s parts and labor warranty, or visit us online at www.residentia.group At Residential Group, we are customer-obsessed and our Support Team is there to ensure you get the most out of your appliance. Should you want to learn more about your range hood features, and importantly take care of your appliance when cleaning, our Support Team is here to help.
You can use our online Support Centre at any time by visiting http://support.residentiagroup.com.au, or you can contact us via calling us on 1300 11 HELP (4357). It is important that you read through the following use and care manual thoroughly to familiarise yourself with the installation and operation requirements of your appliance to ensure optimum performance.
Again, thank you for choosing a Sôlt appliance and we look forward to being of service to you.
Kind Regards, The Residential Team
Safety Instructions
GENERAL SAFETY INSTRUCTIONS
DRYER SAFETY
WARNING! Failure to follow these safety instructions could damage the clothes dryer or your clothes. You may then not be covered by a warranty for this damage.
Only plug this appliance directly into an AC power supply which is properly earthed and had the correct voltage.
Refer to the appliance rating plate (located on the rear of your clothes dryer) for the voltage information.
CAUTION! If this appliance is supplied from an extension cord, power board, or another power adapter, the extension cord/power board must be positioned so that it is not subject to moisture or risk of moisture. For safety reasons, we strongly advise against the use of double adaptors, power boards, extension leads, or other similar devices. This appliance is not intended for use by persons (including children) with reduced physical, sensory or mental capabilities, or lack of experience and knowledge unless they have been given supervision or instruction concerning the use of the appliance by a person responsible for their safety. Children should be supervised to ensure that they do not play with the appliance.
IMPORTANT!
- If the electrical cord of this appliance is damaged, it must be replaced by the Manufacturer, Authorised Service Agent, or similarly qualified person in order to avoid a hazard. Damage to the appliance, including the power cord, is not covered under the manufacturer’s warranty and a fee for service may be payable.
- These dryers are for drying clothes, towels, and linen at home. They are not designed or intended for use in Commercial environments. Do not use them for any other purpose.
- The dryer is not to be used with any clothing articles which have had industrial chemicals used for cleaning.
- This appliance is only intended for use indoors only within a domestic environment.
- The lint trap must be cleaned frequently- we strongly recommend this is done after each use.
- Adequate ventilation must be provided.
- Never dry unwashed items with your clothes dryer.
- Never use your clothes dryer to dry items such as latex, foam rubber, waterproof textiles, rubber-backed articles, or pillows fitted with foam.
- Ensure all objects are removed from pockets.
- Lint must not be allowed to accumulate around the tumble dryer.
- Do not dry unwashed items in the tumble dryer.
- Always check your clothing items’ care labels to ensure they are suitable for use within your dryer.
WARNING! The final cycle of your clothes dryer program is a cool-down cycle to reduce the temperature of your clothes. This is incredibly important to ensure that your clothing items won’t be damaged. Never stop a tumble dryer before the end of the drying cycle unless all items are quickly removed and spread out so that the heat is dissipated.
FIRE HAZARDS
Some fabrics are not suitable for tumble drying. The following MUST NOT be placed in your dryer due to the risk of a fire or an explosion:
- Item(s) that have been spotted or soaked with vegetable oil, cooking oil, suntan oil, linseed oil, salad oil, lubrication oil, or grease. Oil-affected items can ignite spontaneously, especially when exposed to heat sources such as in a tumble dryer. The items become warm, causing an oxidation reaction in the oil. Oxidation creates heat. If heat cannot escape, the items can become hot enough to ignite. Pilling, stacking, or storing oil-affected items can prevent heat from escaping and create a fire hazard. If it is unavoidable that fabrics that contain vegetable or cooking oil or have been contaminated by hair care products be placed in a tumble dryer, they should first be washed in hot water with extra detergent – this will reduce, but not eliminate the hazard. The final part of the tumble dryer cycle occurs without heat (The cooling cycle) to ensure that the items are left at the temperature that ensures that the items will not be damaged.
- Item(s) that have previously been cleaned in, washed in, or spotted with petrol/gasoline, industrial chemicals used only for cleaning, dry-cleaning solvents, or other flammable or explosive substances are highly flammable. Highly flammable or explosive commonly found around the house include acetone, (nail polish remover) denatured alcohol, petrol/gasoline, kerosene, some spot removers, turpentine, waxes, and wax removers should not be put in the dryer. Items containing foam rubber (also known as latex foam) or similarly textured rubber-like materials. Foam rubber materials can produce fire by spontaneous combustion when heated.
- Rubber-backed articles, clothes fitted with foam rubber pads, pillows, rubber boots, and rubber-coated sports shoes.
For your safety, and to reduce the risk of fire or an explosion, DO NOT store or use petrol or other inflammable vapors and liquids near your dryer.
CLEANING THE LINT FILTER
WARNING! LINT BUILD-UP IS A FIRE HAZARD.
A clean lint filter greatly improves the efficiency of your dryer and reduces drying times, saves energy, and avoids overheating. Overheating may also damage your clothes.
Tip! If your lint filter isn’t emptied between drying loads, we estimate the drying time can double after 4-5 cycles and triple after 8 cycles. Aside from creating a risk of fire, this results in a significant increase in energy consumption to dry your clothes.
You must empty your lint filter after each and every load.
The lint filter is located on the inside of the door- shown below (Figure 1).

Figure 1- Lint filter location within your vented dryer.
To remove the lint filter, open the dryer door and simply lift the plastic filter out from its housing. You can click the lint filter open to allow easy access to remove the lint. Ensure that the plastic filter is clicked closed again before replacing your clothes dryer.
Tip! The lint filter can only be inserted into its housing in one way.
IMPORTANT!
- Never operate your dryer without the lint filter in its correct position.
- Do not allow lint to build up around the dryer (on the door itself, inside the drum, around the lint filter itself, etc).
- A torn or damaged lint filter must be replaced immediately- cease use until this is replaced.
- Do not overload your dryer. Overloading can increase lint build-up because the airflow is reduced.
Tip! To avoid potential fire hazards, we recommend that you pay for a qualified appliance technician to inspect and clean your dryer periodically.
OPERATING YOUR DRYER
Your dryer is rated for 7kg of dry clothing. Loads must not exceed this rated capacity.
IMPORTANT! Always check your clothing’s care label information to ensure they are suitable for use within dryers. Excessive drying is one of the most damaging things we do to our laundry. International drying symbols (Figure 2 below) help you select a dryer cycle and a temperature.
Figure 2- International drying symbols used on your clothing care labels.
- If the care label has a circle inside a square, your item can be tumble-dried.
- The more dots on the iron symbol suggests the temperature of heat that can be applied:
- 1 dot = low temperature
- 2 dots = medium temperature
- 3 dots = high temperature
- If there is a cross over the tumble dry symbol, you should not tumble dry the item. It’s recommended for air-drying only.
Some guidelines for various fabric types:
- Permanent press and synthetics – take out as soon as the dryer stops to reduce wrinkles.
- Woolen articles – not recommended. Pull them to their original shape, then dry them flat. Vented dryers can shrink woolen articles.
- Woven and loop knit materials – may shrink, by varying amounts, depending on their quality. Do not use the “Extra” Dryness setting for these fabrics, Always stretch them out immediately after drying.
- Fiber or leather materials – always check the manufacturer’s instructions.
- Baby clothes and nightgowns – acrylic clothing or sleepwear used only on the “Light” Dryness setting.
- Rubber and plastics – Do not dry any items made from or containing rubber or plastics, such as aprons, bibs, babies’ waterproof napkins, curtains, tablecloths, shower caps, clothes fitted with foam rubber pads, pillows, galoshes, or rubber-coated tennis shoes.
- Fiberglass – is not recommended, glass particles left in the dryer could be picked up by your clothes the next time you use the dryer and irritate your skin.
CAUTION! Fabric softeners or similar products should not be used in a tumble dryer to eliminate the effects of static electricity unless this practice is specifically recommended by the manufacturer of the fabric softener or product.
Note We strongly advise against the use of fabric conditioners of the sheet type that are added to the clothes in the drum. These products may lead to rapid blockage of the lint filter and inefficient operation of your dryer.
UNPACKING
During transportation, protective packaging was used to protect the appliance against any damage. After unpacking, please dispose of all elements of packaging in a way that will not cause damage to the environment. All materials used for packaging the appliance are environmentally friendly; they are 100% recyclable and are marked with the appropriate symbol. Check with your local council on which packaging elements can be recycled kerbside and which may need to be disposed of at your local recycling drop-off center.
Tip! Soft plastics can be recycled at most major grocery retailers. Polystyrene (EPS) foam may not be accepted by your local council for recycling- check http://epsa.org.au/ for details of your local EPS recycler.
CAUTION! During unpacking, the packaging materials (polythene bags, polystyrene pieces, etc.) should be kept out of reach of children.
DISPOSAL
Old appliances should not simply be disposed of with normal household waste but should be delivered to a collection and recycling center for electric and electronic equipment. A symbol shown on the product, the instruction manual, or the packaging shows that it is suitable for recycling.
- Materials used to manufacture the appliance are recyclable and are labeled with information concerning this. By recycling materials or other parts from used devices, you are making a significant contribution to the protection of our environment.
- Information on appropriate disposal centers for used devices can be provided by your local council or authority.
Technical Specifications
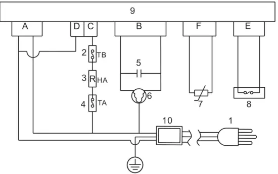
Solt 7kg Vented Dryer![]() | Model: GGSVD7 | Circuit Diagram
1. Plug |
| RATED CAPACITY | 7.0kg | |
| POWER SUPPLY | 220-240V-50Hz | |
| RATED POWER | 2000W | |
| MOTOR INPUT POWER | 200W | |
| HEATING POWER | 1800W | |
| GRADE OF WATERPROOF | IPX4 | |
| Made in China Residential Group PTY LTD |
Your Vented Dryer

Figure 3- A diagram showing the main components of your vented dryer.
| 1. Top-board | 2. Control Panel | 3. Door | 4. Front Panel |
| 5. Side panel | 6. Filter | 7. Flex tube (only to rear vent) | 8. Power plug |
| 9. Door lock/switch | 10. Tumbling Drum | 11. Front vent | |
Control Panel
Your vented clothes dryer’s controls are explained.

Figure 4- The control panel for your vented dryer
- Power button.
- Start or Pause the drying program.
- Drying program selector (1 Hour, Synthetic, Cotton, Mixed Items)
- Dryness level selector (Light, Standard, Extra Dry).
- Anti-crease mode
Before First Use
Step 1. Power source and grounding
The dryer employs an alternating current with the rated voltage and frequency. When the voltage fluctuates between 6% of the rated voltage, the dryer can work normally. Your clothes dryer should be on a dedicated power socket for both convenience and safety. Refer to safety notes in section 1.1 of this manual.
Step 2. Precautions
- Ensure all packaging, user manuals, paper, and plastic are removed from within the clothes dryer before operation.
- Ensure the vents aren’t blocked and adequate airflow exists with your chosen location.
- Always check your clothing articles’ care instructions to ensure they are suitable for use within a clothes dryer. Not all fabric types/clothing articles are suitable for use within vented clothes dryers.
Accessory Kit Components
| PART NAME | OTY | IMAGE/DIAGRAM |
| Hcciontal Save Poston Template | 1 | ![]() |
| Expansion Screw Bolt | 4 | ![]() |
| Hanging bracket | 2 | ![]() |
| Plastic Cover | 2 | ![]() |
| Inverted Control Panel Decal | 1 | ![]() |
Figure 5- Contents of the Accessory Kit included with your vented dryer for wall hanging installation.
Installation Instructions
POWER SOURCE AND GROUNDING
It’s recommended to use the dryer on its own dedicated power outlet for both convenience and safety.
The power outlet must be grounded.
IMPORTANT! If the power cord is damaged, it must be replaced by your local distributor or one of its authorized service representatives. Please contact your local Customer Care team and ensure the appliance is completely disconnected from the power supply.
INSTALLATION
Refer to the diagram on page 8 of this manual
Your Dryer should be placed in a ventilated area with a minimum of 80mm between the top of the dryer and ceiling and with no less than 10cm distance from the wall or cabinetry. It is also recommended that there are no obstacles within 1.5m of the dryers’ front, to ensure ease of operation and ventilation.
WALL HANGING INSTALLATION
Step 1: Confirm the following components are all within the included accessories:
- 2 × Hooks
- 2 × Holders
- 4 × Expansion bolts
- 1 × Installation positioning paper

Step 2: Determine a location to mount the dryer and confirm that the construction type of the wall and location are suitable for installation.
- Do not hang the dryer on the wall if the wall is not solid.
- The distance in front of the wall must be more than 150cm.
Tip! Ensure the power cord and plug is accessible and reach a power source.
Step 3: Paste the installation positioning paper to the solid wall.
- Draw a line with a level, and paste the positioning paper based on the line.
Note: Ensure the screw holes will not overlap with the power outlets or taps nearby. - The bottom edge of the positioning paper must be 45cm+ higher than the floor. Remove the adhesive paper behind the positioning paper, and paste the positioning paper onto the wall horizontally.

Step 4: Drill holes for expansion bolts. The drill diameter is 14mm. Drill 4 holes according to the positioning paper drawing (hole depth 60mm). Find the hole mark on the positioning paper. Drill 4 holes orderly at the positioning paper hole mark with a Ø 14 drill bit (use a specially-made Ø 14 drill bit to pre-drill for the walls with tiles).
Step 5: Fix the hook to the wall. Fix the hook with an expansion bolt to the wall.
- Take out the expansion bolt from the accessories. Insert the bolt and expansion tubular into the drilled holes. Insert one nut into the bolt. To prevent the thread from being damaged, don’t expose the end thread of the bolt. Then hammer the 4 bolts into the holes orderly;

- After the bolts are hammered into the wall, screw off the nuts and expose the bolts.
Then insert one auxiliary tube into the bolt, and hammer the tube until the expansion tubular is flush with the wall surface. The expansion tubular is totally expanded then, and the expansion tubular installation is finished.
- After finishing the expansion procedure, take out the hook and insert it into the bolt.
Fasten the hook with a socket or a wrench.
Step 4: Fix the holder to the dryer machine. Place the unpackaged dryer machine on the floor. Unscrew the two screws at the back of the machine with a cross screwdriver. Take out the holder in the kit. Press the screws into the holes on the holder and then fasten them into the original screw holes. When hanging upside down, Fix the holder at the position of the two screws.
CAUTION! Weight Hazard.
Two or more people are required to lift and install the dryer.

Figure 6- Placement for the dryer holders.
Step 7: Lift the dryer machine with two persons and direct the slots at the back of the washing machine to the hooks. Then insert the hooks with some force to the slots.

Figure 7- Placement for the dryer hooks.

Step 8: When all installation procedures are finished, test the machine by powering it on.
IMPORTANT! Please ensure that the dyer is only ever installed in an internal environment only (and not outside), or an environment where the dryer could become wet. Never place the dryer near combustible surfaces (such as curtains) and ensure the dryer isn’t operating near gas or other flammable materials. Refer to Safety Instructions within this user manual.
Operating Your Vented Dryer
QUICK START
- Ensure the dryer is switched on at the power outlet and add your wet clothes into the tumble drum.
- Press the “Power” button to switch the dryer on.
- Press the “Program” button to select your desired drying program.
The LED light will indicate which program you select. - Press the “Dryness” button to select your desired level of dryness for your clothes.
- Press the “Anti-crease” button to add the optional mode.
- Press the “Start/Pause” button to begin your selected drying program.
- If you would like to activate the Child Lock safety feature, simply press both the “Program” and “Dryness” buttons simultaneously for 3 seconds. The LED indicator next to the lock symbol will alight.
- When your dryer completes its last heating cycle, a buzzer will sound for 1 second and then begin the cooling cycle. Once this cooling cycle is complete, the dryer’s buzzer will sound once more.
- Remove your clothes from the dryer, press the “Power” button to turn the dryer off and for safety reasons, remove the power cord from the power outlet.
- Clean the filter and inner tumble drum.
DETAILED OPERATION
Step 1: Preparation before drying
- Clothes should be washed before use in the dryer.
- Always ensure the same types of clothes are dried together.
- Try to sort your clothes to be dried into loads that take a similar time to dry (for example heavier items separate from light items).
- Make sure any decorations or buttons on your clothing items are safe for high temperatures and well protected.
- It is recommended to turn your clothes inside-out.
- Please ensure that the power cord is in perfect condition before use. Should there be any damage to the power cord or plug, please immediately isolate the dryer from power and contact our After Sales Service Team.
Step 2: Check the filter
- Make sure that the filter is always clean and in the correct position.
- The filter must be cleaned regularly, after each use.
Step 3: Loading the dryer
- For faster drying results, load the dryer to ½ -> 2/3 capacity of the drum. This will allow the clothes and air to circulate evenly.
- When drying a small load of clothes or even expensive clothes, it’s best to add some towels that won’t lose fibers, as this will help the wet clothes to dry more evenly.
- To avoid creases or static charges on your clothes, it’s important to ensure you don’t over-dry your items.
Tip! Refer to the Reference weights of clothing articles (when dry) in the table below, to assist with avoiding overloading your dryer.
| Jacket; about 800g cotton) |
|
|
Single bedsheet (about 600g cotton) | Work clothes (about 1120g) | Sleepwear (about 200g) | Long sleeve shirt (about 300g cotton) |
Short sleeve shirt (about 180g cotton) | Short pants (about 70g cotton) | Socks (about 50g mixed-weave) |
Figure 8- Reference weights for various clothing articles when they are dry
Step 4: Close the dryer door
• The door will click when fully closed.
Step 5: Select your settings
- Set your desired dryer Program, relevant to your load type, along with your preferred Dryness level.
- The various drying programs and the Dryness level options for each program are outlined in the table on the following page.
PROGRAM FUNCTIONS
Clothing type: | Approx. remaining humidity: | Max Capacity (kg): | Program: | Dryness level options: |
| Cotton | 80-90% | 7 | Cotton | Extra |
| 60-70% | 7 / 3.5 | Cotton | Standard | |
| 7 | Cotton | Light | ||
| Mixed load | 70% | 7 / 3.5 | Mix | Extra |
| 60% | 7 / 3.5 | Mix | Standard | |
| Synthetics | 50% | 3.5 | Synthetic | Extra |
| 40% | 3.5 | Synthetic | Standard | |
| Cotton | – | 1 | 1 Hour | – |
Note: Maximum capacity for loads is based on the clothing when dry.
Tip! At the completion of a drying program, the clothes dryer will circulate cold air. This ensures that your clothing is left at a temperature and that your clothes aren’t damaged. Note: the energy rating was calculated using the Cotton program and Extra dryness level.
Step 6: End of the drying program
• At the completion of its last heating cycle, a buzzer will sound for 1 second and then begin the cooling cycle. Once the cooling cycle is complete, the dryer’s buzzer will sound one more time.
• Remove your clothes from the dryer.
Step 7: Take out the plug
• Just to be safe, always unplug the dryer after each use.
Step 8: Clean the filter and inner drum
• Accumulated dust and fibers will affect the air circulation inside the dryer and will cause longer drying times.
IMPORTANT! Always ensure the dryer is switched off and unplugged before cleaning.
OTHER OPTIONAL FUNCTIONS
Anti-crease Function
The Anti-Crease function adds a short amount of time at the end of your drying program to shake the clothes and reduce creasing. Press this button to add the function to your selected drying program/settings. The LED light above the Anti-Crease button will alight to indicate that it’s active.
Child Lock
Your dryer has the ability to lock the controls to prevent accidental operation or changing of settings. If you would like to activate the Child Lock safety feature, simply press both the “Program” and “Dryness” buttons simultaneously for 3 seconds. The LED indicator next to the lock symbol will alight to indicate that the Child Lock is active.
GENERAL HINTS
- Never tumble dry the following: Delicate items such as net curtains, woolen, silk, fabric with metal trim, nylon tights, bulky materials such as blankets, eiderdown, sleeping bags, feather quilts, and any item containing rubber foam or materials similar to foam rubber.
- Do not directly place undergarments such as bras and corsets that contain metal reinforcements, into your dryer. Your dryer may be damaged if a metal part were to come loose from the garment. Place such items in a bag designed for this purpose.
- Check and empty pockets. Clip, pens, nails, and pins can damage both the dryer and your clothes. Other items such as matches or cigarette lighters will cause a fire.
- Close all press studs, hooks, eyes, and zips that may catch on to something else. Tie all belts and aprons string to prevent tangling.
- Drying time will depend on fabric type and construction, load size, and wetness. Save time and money and always spin the load as dry as possible in your washing machine.
- Always clean the lint filter-this will reduce drying time and save you money.
- The laundry must be thoroughly spun before tumble drying. Do not place hand-washed items that have not been spun, into the dryer.
- To avoid static charge when drying is completed, use either a fabric softener when you are washing the laundry or a fabric conditioner specifically for tumble dryers.
- Remove the laundry when the dryer has finished drying.
- Do not over-dry laundry, this avoids creasing and saves energy.
- Clothes or towels containing sand or grit should be washed first.
- Due to variations in dryer load fabric texture and thickness, it is possible that not all items will be dried evenly. If you experience uneven dryness on the Standard program please use the Extra Program but be mindful of the type of fabric being dried to avoid overdrying certain types of fabric. Always follow the drying instructions attached
to the items intended to be dried in a clothes dryer. - Drying time will also be affected by voltage fluctuations, room temperature, and humidity. Clothes will dry more slowly on a cool or humid day.
- For best results, sort the load according to the fabric. Such as heavy items which may take longer to dry (i.e. towels, flannelette sheets, etc) than ones that dry quickly (i.e. cotton shirts and sheets).
- Avoid drying dark clothes with light-colored items such as towels as lint will show on the dark clothes.
- Some fabrics will collect lint from other clothes and items. Separate those articles prone to causing lint and those prone to collecting lint, to minimize this problem. Clothes that give lint include towels, nappies, and chenille. Clothes that collect lint include corduroy, synthetics, and permanent press garments.
- If individual items are still damp after drying, you may need to run another program, or allow the items to finish drying naturally outside the dryer. This will be necessary, particularly for multi-layered items (i.e. collars, pockets, etc).
Cleaning and Maintenance
By ensuring proper cleaning and maintenance of your Esatto Vented Dryer, you can ensure that it will have a long and fault-free operation.
WARNING! To avoid an electric shock, always unplug your dryer before cleaning.
CLEANING THE FILTER
- Remove the lint filter, located within the door opening (refer to Figure 1 within this manual).
- Clean the filter by wiping it with a damp cloth.
- Once dry, re-fit the lint filter into the door opening.
IMPORTANT! Clean the filter after each use.
CLEANING THE INNER DRUM
- Use a soft damp cloth to wipe the inner drum and cabinet.
- Ensure that the cloth is only slightly damp and never use excessive amounts of water.
- Do not use scouring pads or other abrasives as these will cause damage to your dryer.
- Do not use alcohol wipes or harsh cleaning chemicals.

Troubleshooting
BASIC TROUBLESHOOTING
Check the points listed here before you call for help, and make sure that you have followed the Important safety Instructions within this manual.
PROBLEM | POSSIBLE CAUSES |
| My dryer will not start | – Plug is not firmly in its power socket, or the power outlet is not switched on. – You have blown or tripped a fuse. Check the PowerPoint using another portable appliance (i.e. a clock, fan, etc). Check your fuse box to ensure a safety switch hasn’t been tripped. – The door on the dryer hasn’t been completely closed. If the door isn’t closed fully, the dryer will not operate for safety reasons. |
| My clothes are still wet at the end of the program | – The selected drying time was insufficient. Select a longer time setting. – Longer time may be needed when the room temperature is 12ºC or less. – Check that the lint filter is not blocked. – Check to see that you have read all the instructions carefully. – Contact your local Customer Care team if you are still having problems. Write down the model and serial numbers and the date of purchase before you call |
IMPORTANT! To operate all vented clothes dryers efficiently, the clothes dryer must have an unrestricted air supply and exhaust ventilation. Service calls resulting from an installation where ventilation is restricted are not covered by warranty. The cost of this type of service call will be charged to the customer. Should you require further instructions in the use and care of your clothes dryer please contact your local Customer Care team.
POSSIBLE FAILURES
Certain problems are due to a lack of simple maintenance or oversights, which can be solved easily without calling out a service technician. Before contacting your local Customer Care team, please check the possible cause of malfunction and the solution listed below. Once the problem has been eliminated, press the Start/Pause button to restart the program. If after all checks, the problem persists, contact your local Customer Care team.
ERROR CODE | FAILURE INDICATION | DESCRIPTION | ACTION |
| E1 | Light dryness level LED will flash | The dryer temperature internally is too hot. | The dryer may have been overloaded, ventilation is blocked or the lint filter is blocked. Please switch off the dryer (un-plug), open the door, and ensure the load is correct. Ensure that the lint filter is clean. Ensure the dryer can ventilate correctly. |
| E2 | Light & Standard dryness level LED will flash | Temperature sensor error | Try switching the dryer off, unplug and leave for 15 minutes. Reconnect the appliance and see if the fault is fixed. If not, please contact your local Customer Care team. |
| E3 | Extra dryness level LED will flash | Temperature sensor error | Try switching the dryer off, unplug and leave for 15 minutes. Reconnect the appliance and see if the fault is fixed. If not, please contact your local Customer Care team. |
ACCESSORIES, PARTS, OR FURTHER SUPPORT
Should you need to purchase a replacement lint filter or any other spare parts, please contact our local
The customer care team, details of which can be found below.
Online help: support.residentiagroup.com.au
Customer Care: 1300 11 4357
Purchase Details
For future reference, please record the following information which can be found on the rating plate, and the date of purchase which can be found on your sales invoice.
| STORE DETAILS |
| STORE NAME | |
| ADDRESS | |
| TELEPHONE | |
| PURCHASE DATE | |
| PRODUCT DETAILS |
| MODEL NO. | |
| SERIAL NO.* | |
Warranty Information
WARRANTY TERMS & CONDITIONS LAUNDRY APPLIANCES (CLOTHES DRYERS)
This document sets out the terms and conditions of the product warranties for Residentia Group Appliances. It is an important document. Please keep it with your proof of purchase documents in a safe place for future reference should you require service for your Appliance.
- IN THIS WARRANTY
(a) ‘acceptable quality as referred to in clause 10 of this the warranty has the same meaning referred to in the ACL;
(b) ‘ACL’ means Trade Practices Amendment (Australian Consumer Law) Act (No.2) 2010;
(c) ‘Appliance’ means any Residentia Group product purchased by you accompanied by this document;
(d) ‘ASR’ means Residentia Group authorized service representative;
(e) ‘Residentia Group’ means Residentia Group Pty Ltd of 165 Barkly Ave, Burnley VIC 3121, ACN 600 546 656 in respect of Appliances purchased in Australia;
(f ) ‘major failure’ as referred to in clause 10 of this warranty has the same meaning referred to in the ACL and includes a situation when an Appliance cannot be repaired or it is uneconomic for Residentia Group, at its discretion, to repair an Appliance during the Warranty Period;
(g) ‘Warranty Period’ means:
(i) where the Appliance is used for personal, domestic, or household use (i.e. normal single-family use) as set out in the instruction manual, the Appliance is warranted against manufacturing defects for 24 months, following the date of original purchase of the Appliance;
(h) ‘you’ means the purchaser of the Appliance not having purchased the Appliance for re-sale, and ‘your’ has a corresponding meaning. - This warranty only applies to Appliances purchased and used in Australia and is in addition to (and does not exclude, restrict, or modify in any way) any
non-excludable statutory warranties in Australia. - During the Warranty Period, Residentia Group or its ASR will, at no extra charge if your Appliance is readily accessible for service, without special equipment and subject to these terms and conditions, repair or replace any parts that it considers to be defective. Residential Group or its ASR may use remanufactured parts to repair your Appliance. You agree that any replaced Appliances or parts become the property of the Residential Group. This warranty does not apply to light globes, batteries, filters, or similar perishable parts.
- Parts and Appliances not supplied by Residentia Group are not covered by this warranty.
- You will bear the cost of transportation, travel, and delivery of the Appliance to and from Residentia Group or its ASR. If you reside outside of the service area, you will bear the cost of:
(a) travel of an authorized representative;
(b) transportation and delivery of the Appliance to and from Residentia Group or its ASR, in all instances, unless the Appliance is transported by Residentia Group or its ASR, the Appliance is transported at the owner’s cost and risk while in transit to and from Residentia Group or its ASR. - Proof of purchase is required before you can make a claim under this warranty.
- You may not make a claim under this warranty unless the defect claimed is due to faulty or defective parts or workmanship. Residential Group is not liable in the following situations (which are not exhaustive):
(a) the Appliance is damaged by:
(i) accident
(ii) misuse or abuse, including failure to properly maintain or service
(iii) normal wear and tear
(iv) power surges, electrical storm damage or incorrect power supply
(v) incomplete or improper installation
(vi) incorrect, improper or inappropriate operation
(vii) insect or vermin infestation
(viii) failure to comply with any additional instructions supplied with the Appliance;
(b) the Appliance is modified without authority from Residentia Group in writing;
(c) the Appliance’s serial number or warranty seal has been removed or defaced;
(d) the Appliance was serviced or repaired by anyone other than Residentia Group, an authorized repairer, or ASR. - This warranty, the contract to which it relates, and the relationship between you and Residentia Group are governed by the law applicable where the Appliance was purchased.
- To the extent permitted by law, Residentia Group excludes all warranties and liabilities (other than as contained in this document) including liability for any loss or damage whether direct or indirect arising from your purchase, use, or nonuse of the Appliance.
- For Appliances and services provided by Residentia Group in Australia, the Appliances come with a guarantee by Residentia Group that cannot be excluded under the Australian Consumer Law. You are entitled to a replacement or refund for a major failure and for compensation for any other reasonably foreseeable loss or damage. You are also entitled to have the Appliance repaired or replaced if the Appliance fails to be of acceptable quality and the failure does not amount to a major failure. The benefits to you given by this warranty are in addition to your other rights and remedies under a law in relation to the Appliances or services to which the warranty relates.
- At all times during the Warranty Period, Residentia Group shall, at its discretion, determine whether repair, replacement, or refund will apply if an Appliance has a valid warranty claim applicable to it.
- Missing parts are not covered by the warranty. Residential Group reserves the right to assess each request for missing parts on a case-by-case basis. Any parts that are not reported missing in the first week after purchase will not provide free of charge.
- To enquire about claiming under this warranty, please follow these steps:
(a) carefully check the operating instructions, user manual, and the terms of this warranty;
(b) have the model and serial number of the Appliance available;
(c) have the proof of purchase (e.g. an invoice) available;
(d) telephone the numbers are shown below. - You accept that if you make a warranty claim, Residentia Group and its ASR may exchange information in relation to you to enable Residentia Group to meet its obligations under this warranty.
IMPORTANT
Before calling for service, please ensure that the steps in point 13 have been followed.
Telephone contacts
► Service: Please call 1300 11 HELP (4357)
► Spare Parts: Please call 1300 11 SPARE (7727)
The Australian Consumer Law requires the inclusion of the following statement with this warranty:
Our goods come with guarantees that cannot be excluded under the Australian Consumer Law. You are entitled to a replacement or refund for a major failure and for compensation for any other reasonably foreseeable loss or damage. You are also entitled to have the goods repaired or replaced if the goods fail to be of acceptable quality and the failure does not amount to a major failure.

An initiative by
Residential Group
ESSENTIAL FOR LIFE
T. 1300 11 4357
E. [email protected]
www.solt.house![]()
E2447








Mixed-fabric clothes (about 800g)
Jacket; about 800g cotton)
Jeans (about 800g)
Towel quilt (about 900g cotton)
Single bedsheet (about 600g cotton)
Work clothes (about 1120g)
Sleepwear (about 200g)
Long sleeve shirt (about 300g cotton)
Short sleeve shirt (about 180g cotton)
Short pants (about 70g cotton)
Socks (about 50g mixed-weave)


















