INSTALLATION MANUAL
MODEL #BD201097
WhEEL KIT

REV 20210429

or visit black-diamond.com
Mid-States Distributing, LLC., 2800 Meacham Blvd., Fort Worth, TX 76137 USA
INTRODUCTION
Congratulations on your purchase of a Black Diamond product. Black Diamond designs, builds and supports all of our products to strict specifications and guidelines. With proper product knowledge, safe use, and regular maintenance, this product should bring years of satisfying service. Every effort has been made to ensure the accuracy and completeness of the information in this manual at the time of publication, and we reserve the right to change, alter and/or improve the product and this document at any time without prior notice.
Black Diamond highly values how our products are designed, manufactured, operated, and serviced as well as providing safety to the operator and those around the generator. Therefore, it is IMPORTANT to review this product manual and other product materials thoroughly and be fully aware and knowledgeable of the assembly, operation, dangers and maintenance of the product before use. Fully familiarize yourself, and make sure others who plan on operating the product fully familiarize themselves too, with the proper safety and operating procedures before each use. Please always exercise common sense and always err on the side of caution when operating the product to ensure no accident, property damage, or injury occurs. We want you to continue to use and be satisfied with your Black Diamond product for years to come.
When contacting Black Diamond/Champion Power Equipment about parts and/or services, you will need to supply the complete model and serial numbers of your product. Transcribe the information found on your product’s data plate label to the table below.
BLACK DIAMOND TECHNICAL SUPPORT TEAM
1-888-373-8272
MODEL NUMBER: BD201097
SERIAL NUMBER
DATE OF PURCHASE
PURCHASE LOCATION
SAFETY DEFINITIONS
The purpose of safety symbols is to attract your attention to possible dangers. The safety symbols, and their explanations, deserve your careful attention and understanding. The safety warnings do not by themselves eliminate any danger. The instructions or warnings they give are not substitutes for proper accident prevention measures.
DANGER
DANGER indicates a hazardous situation that, if not avoided, will result in death or serious injury.
WARNING
WARNING indicates a hazardous situation which, if not avoided, could result in death or serious injury.
CAUTION
CAUTION indicates a hazardous situation which, if not avoided, could result in minor or moderate injury.![]()
NOTICE indicates information considered important, but not hazard-related (e.g., messages relating to property damage).
CONTROLS AND FEATUrES
CAUTION
The wheel kit is not intended for over-the-road use.
Parts Included

| Part | Part Qty. | Hardware | Hardware Qty. | Tool(s) Needed |
| A. Wheels | 2 | B. Large Roll Pin | 2 | |
| C. Large “R” Clip | 2 | |||
| D. Support Leg | 2 | E. Flange Bolt M8 x 16 | 4 | 1x 12mm wrench |
| F. Flange Lock Nut M8 | 4 | 1x 12mm wrench | ||
| G. Handle | 2 | H. Small “R” Clip | 2 | |
| I. Small Roll Pin | 2 |
ASSEMBLY
Your wheel kit requires assembly. For questions regarding the assembly of your wheel kit, call our helpline at 1-888-373-8272. Please have your model number available.
![]()
Drain oil and fuel before assembly. Failure to drain before assembly can result in oil and fuel leaking onto the generator and ground. Oil and fuel will also drain into the carburetor and engine requiring to disassemble to clean out.
Install Wheels
- Tip generator up onto non-marring surface with panel side up.
- Insert Large Roll Pin (B) through Wheel (A) from the outside.
- Insert the Large Roll Pin through the wheel bracket on the generator frame.
- Insert Large R-clip (C) into the hole on the end of Large Roll Pin.
- Repeat for the second wheel.
- Tip generator back down.

Install the Support Leg
- Tip generator up onto non-marring surface with alternator/ muffler side up.
- Attach Support Leg (D) to generator frame with Flange Bolt (E) and Flange Lock Nut (F).
- Tip generator back down so resting on wheels and support legs.

Install the handle
- Place Handle (G) inside the handle mounting brackets on the frame.
- Insert Small Roll Pin (H) into the hole on the frame and through the Handle and handle mounting bracket.
- Insert Small R-clip (I) into the hole on the end of Small Roll Pin (H).
- Repeat on another side.

Add Engine Oil
See Operator’s Manual for filling the engine with oil.
Add Fuel
See Operator’s Manual for filling the engine with fuel.![]()
Not refilling engine oil after the wheel kit is assembled will damage the engine and void the warranty.
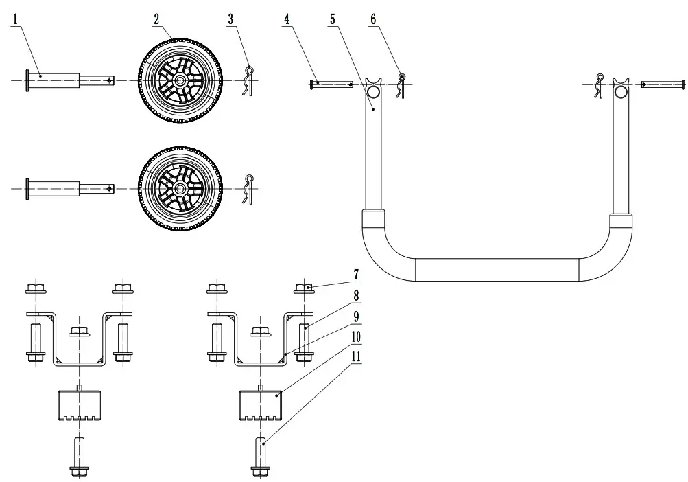
PARTS DIAGrAM

| # | Part Number | Description | Qty. |
| 1 | 122.201501.23.1 | Pin Roll, Wheel, Ø16 x Ø10 x 97, Black | 2 |
| 2 | 122.201701.07.29 | 8 in. Wheel, PU, Cool Gray 11c | 2 |
| 3 | 2.16.001.1 | Pin Ø2 x 33, “R” Shape, Black | 2 |
| 4 | 152.200703.05 | Long Pin, Handle | 2 |
| 5 | 122.200700.15.2 | Handle, U Shape, Black | 1 |
| 6 | 11.110008.00 | Pin Ø1.6 x 24, “R” Shape | 2 |
| 7 | 1.6177.1.08 | Lock Nut M8, Flange | 6 |
| 8 | 1.5789.0816 | Flange Bolt M8 x 16 | 4 |
| 9 | 122.200002.08.2 | Support Leg, 45 mm , Black | 2 |
| 10 | 122.201400.04 | Rubber, Support | 2 |
| 11 | 1.5789.0825 | Flange Bolt M8 x 25 | 2 |
WARRANTY
CHAMPION POWER EQUIPMENT
1 YEAR LIMITED WARRANTY
Warranty Qualifications
To register your product for warranty and FREE lifetime call center technical support please visit: https://www.championpowerequipment.com/register
To complete registration you will need to include a copy of the purchase receipt as proof of the original purchase. Proof of purchase is required for warranty service. Please register within ten (10) days from date of purchase.
Repair/Replacement Warranty
CPE warrants to the original purchaser that the mechanical and electrical components will be free of defects in material and workmanship for a period of one year (parts and labor) from the original date of purchase and 90 days (parts and labor) for commercial and industrial use. Transportation charges on products submitted for repair or replacement under this warranty are the sole responsibility of the purchaser. This warranty only applies to the original purchaser and is not transferable.
Do Not return The Unit To The Place Of Purchase
Contact CPE’s Technical Service and CPE will troubleshoot any issue via phone or e-mail. If the problem is not corrected by this method, CPE will, at its option, authorize evaluation, repair or replacement of the defective part or component at a CPE Service Center. CPE will provide you with a case number for warranty service. Please keep it for future reference. Repairs or replacements without prior authorization, or at an unauthorized repair facility, will not be covered by this warranty.
Warranty Exclusions
This warranty does not cover the following repairs and equipment:
Normal Wear
Products with mechanical and electrical components need periodic parts and services to perform well. This warranty does not cover repair when normal use has exhausted the life of a part or the equipment as a whole.
Installation, Use and Maintenance
This warranty will not apply to parts and/or labor if the product is deemed to have been misused, neglected, involved in an accident, abused, loaded beyond the product’s limits, modified, installed improperly or connected incorrectly to any electrical component. Normal maintenance is not covered by this warranty and is not required to be performed at a facility or by a person authorized by CPE.
Other Exclusions
This warranty excludes:
- Cosmetic defects such as paint, decals, etc.
- Wear items such as filter elements, o-rings, etc.
- Accessory parts such as starting batteries, and storage covers.
- Failures are due to acts of God and other force majeure events beyond the manufacturer’s control.
- Problems caused by parts that are not original Champion
Power Equipment parts.
Limits of Implied Warranty and Consequential Damage
Champion Power Equipment disclaims any obligation to cover any loss of time, use of this product, freight, or any incidental or consequential claim by anyone from using this product. THIS WARRANTY IS IN LIEU OF ALL OTHER WARRANTIES, EXPRESS OR IMPLIED, INCLUDING WARRANTIES OF MERCHANTABILITY OR FITNESS FOR A PARTICULAR PURPOSE.
A unit provided as an exchange will be subject to the warranty of the original unit. The length of the warranty governing the exchanged unit will remain calculated by reference to the purchase date of the original unit.
This warranty gives you certain legal rights which may change from state to state or province to province. Your state or province may also have other rights you may be entitled to that are not listed within this warranty.
Contact Information
Address
Mid-States Distributing, LLC.
2800 Meacham Blvd.
Fort Worth, TX 76137 USA
www.black-diamond.com
Customer Service
Toll-Free: 1-888-373-8272
[email protected]

















