

Microair Avionics Pty Ltd
601 Curtin Ave
E. Pinkenba
QLD 4008
Australia
Tel: +61 7 4160 8200
e-mail: sales@microair.áero
Microair Avionics M760 Transceiver Installation & User Manual
About This Document
This manual describes the various installation configurations available for the Microair M760 Transceiver. The Transceiver’s controls and design features are described and illustrated.
Microair reserves the right to amend this manual as required, to reflect any enhancements or upgrades to the M760 Transceiver.
© Microair Avionics Pty Ltd

MICROAIR M760 ACCESSORIES
Wiring Harness
Boom Microphone
Speaker Box
Dynamic Microphone Amplifier
CURRENT REVISION STATUS
| Revision | Date | Change |
| K | 31/01/2000 | Initial release |
| L | 18/11/2001 | Additional install data and wiring diagram added |
| M | 04/10/2002 | Additional wiring diagram added |
| N | 08/12/03 | Updated for revision N |
1.0 Introduction
Thank you for purchasing this Microair product. The M760 is a 760 channel VHF aircraft transceiver, packaged to fit a standard 57mm (2 ¼”) instrument hole. The M760 has been produced in accordance with CASA APMA approval E2000-004.
2.0 Unpacking
The M760 is boxed in polystyrene for physical protection, and wrapped in an anti-static bag for electrical protection. Once the box is opened and the radio unwrapped, the owner is responsible for physical and electrical protection.
Enclosed with the radio are: User / Install Manual
Warranty Card
CASA form 1 - release certificate
DB15 solder plug and backshell
2.1 User / Install Manual
Please read this manual completely before attempting to install or operate this radio. There are several installation options you may wish to consider, which are clearly laid out in the installation section.
The M760 has all of the basic radio operations, and many other management and programming options, which are described in the operation and memory sections of this manual.
2.2 Warranty Card
Please complete the warranty card and post it back to Microair. The obvious benefit is to ensure your 12 month warranty is recognised (refer to the limited liability warranty statement on the back cover of this manual).
Another benefit of returning the card is, it allows Microair to send you service data directly, should the need arise. Microair monitors all feedback on its products. Should the need arise to alert or advise customers of a potential problem, good installation ideas, or things to avoid, Microair will despatch a service bulletin to the customer address list on file.
The CASA form 1 - release note is an internationally recognised document which clearly identifies the part/component the form 1 is associated with. Please keep this certificate with the aircraft’s file or log book.
3.0 Description
The M760 VHF Transceiver has a 57mm (2 ¼”) round face to fit a standard small instrument hole. The case is 59mm high x 65mm wide x 135mm long.

Front Face Rear Face
| ITEM | CONTROL | DESCRIPTION |
| 1 | M4 Machine Screw | |
| 2 | Priority Switch | Momentary push down switch |
| 3 | Volume / On / Squelch | Click On – Rotate knob for volume Rotate ring for squelch |
| 4 | Receiver / Transmit Annunciator | Red / Green LED |
| 5 | Mode Switch | Momentary push down switch |
| 6 | Frequency Adjust | Rotate for MHZ adjust Push briefly to change to KHZ Rotate for KHZ adjust |
| 7 | Toggle Switch | Momentary push down switch |
| 8 | DB15 Connector | Push in fit with lock nuts |
| 9 | BNC Coaxial Connector | |
| 10 | LCD Display | Two lines of eight characters each |
4.0 Installation
4.1 Physical Installation
The M760 is very simple to physically install in an aircraft’s instrument panel. Select or cut a 57mm (2 ¼”) instrument hole for mounting. Present the M760 to the rear face of this hole. The stepped round face will insert through the hole, and should appear flush with the front of the instrument panel when correctly positioned. Rotate the M760 to align the four M4 machine screws.
For installations where the existing instrument panel screw holes are 1/8″, the hole will need to be enlarged to 5/32″ to fit the M4 machine screws.
Insert and tighten all four M4 machine screws. The M760 requires no rear support, the M4 screws provide all of the physical mounting required.

MICROAIR MA-760 PANEL INSTALLATION
- M4 MACHINE SCREWS
- NO REAR SUPPORT REQUIRED
- BNC CONNECTOR
- 50 OHM COAX
- WIRING HARNESS
- DB-15 CONNECTOR
- MIC GAIN TRIM POT
- SIDETONE TRIM POT
- 57MM (2 1/4″) INSTRUMENT HOLE
The M760 should be located in the aircraft within view of the pilot seated in the pilot-in-command position, and afford this pilot good access to the front face controls.
Do NOT oversize the mounting holes in the front face of the radio, to an imperial size. Drilling will damage internal components.
Do NOT replace the M4 machine screws supplied with the radio with longer screws. Over-length screws will touch or even crush internal components and cause damage.
Either of these actions will void the warranty
4.2 Electrical Installation
Microair recommends the use of the wiring in the table below for the various parts of the radio harness:
| Line | Wire |
| Power & Ground | Tefzel 18 awg wire |
| Intercom | Tefzel 22 awg wire |
| PTT | Tefzel 22 awg wire |
| Memory | Tefzel 22 awg wire |
| Signal Ground | Tefzel 22 awg wire |
| Speaker | Tefzel 22 awg single core shielded |
| Microphone | Tefzel 22 awg single core shielded |
| Headphone | Tefzel 22 awg single core shielded |
| Aerial | RG58C/U 50 ohm Coaxial Cable |
All wiring is connected by soldering to the DB15 connector.
Strip the insulation back 2mm (1/16″), and “tin” the exposed conductor with solder. Slide a 5mm length of 3.2mm (1/16″) heatshrink tubing over the end of the wire. After checking the wiring diagram for the correct pin number, push the “tinned” end into the terminal, and solder into place. Check the soldered joint has been made, by gently pulling on the wire. Slide the heatshrink tubing down over the soldered pin, to completely cover the conductor.


“Tinned” wire Soldered with heatshrink

Locking bolts tightened
Cover the soldered joints with the grey plastic backshells. Ensure that the locking bolts are in place before closing the backshells. Connect to the rear of the radio with a push fit, and secure the locking bolts(top and bottom).
The M760 can be wired in several different configurations, to suit the various needs. The wiring diagrams located in Appendix A cover the most commonly used variations.
Microair recommends the use of its pre-wired M760 harness.
The harness is available from Microair, and comes complete with all switches, sockets, buttons, and mounting hardware.
Separate lines have been wired for Pilot and Copilot:
- Headphone
- Microphone
- PTT
- Remote Memory
- Intercom ON/OFF
4.3 Coax Termination
The coax is cut to length and terminated in a BNC connector. Soldered or crimp type connectors are preferred to the solderless variety, as they have lower signal loss and better shielding.

BNC Termination
Microair recommends using only soldered or crimped BNC connectors. Solderless BNC connectors are NOT recommended, as their performance is not high enough for VHF transmissions.
4.4 Antenna
For certified aircraft the M760 should only be operated with a TSO compliant antenna. The antenna may be ¼ wave whip or ½ wave dipole, using 50ohm coaxial cable and a BNC connector for connection. The VSWR should ideally be less than 2:1 across the 118.000MHz to 136.975MHz airband.
For non-certified aircraft using a non-TSO compliant antenna, the VSWR must be checked to ensure the ratio does NOT exceed 3:1 across the 118.000MHz to 136.975Mhz airband. The M760 will tolerate a VSWR of 5:1 without injury to the transceiver, but the performance is severely deteriorated.
Do not use the stubbie “rubber duckie” antennas meant for use with handheld radios.
Where the cable length for the coaxial cable exceeds 15m (45 feet), the RG-58C/U cable should be replaced with RG-213/U cable. At 15m, the RG-58C/U has approx 3dB loss (50% power), where the RG213/U has only 1.5dB (75% power). For situations where maximum radio output power is essential, use only RG-213/U
4.4.1 Metal Skin Airframes
For metal skin aircraft a ¼ wave whip is the easiest antenna to fit. Ensure that the antenna base and the coax shield are firmly grounded to the skin of the airframe, on the inside of the aircraft. Ensure that any anti-corrosion product, which may be used to seal the exterior surface, does not isolate the antenna base from the airframe. For best performance the whip should be straight and vertical, when mounted on the airframe.
4.4.2 Non-Metal Skin Airframes
For non-metal airframes, a ¼ wave whip may still be used, but a ground plane must be installed, on the inside face of the aircraft skin. The ground plane should ideally be circular, and have a diameter of half the height of the whip. The ground plane should be fabricated from a lightweight metal, eg thin aluminium sheet, or adhesive foil tape. For best performance the ground plane should be flat and horizontal, when mounted on the airframe.
An alternative antenna for non-metal airframes is the Ground Plane independent dipole. This antenna is physically similar to the ¼ wave whip, but has a small stubbie antenna pointing downwards from the antenna base. The stubbie section of the antenna takes the place of the ground plane, and simplifies installation.
Beware of fabric surfaces with silver dope finishes. The silver dope is a conductive surface, and with screen antennas which are mounted internally.
4.5 Backlighting
The backlighting is activated, by taking input supply voltage to pin 8. This line can be individually switched outside the DB15 connector to enable the backlighting to be turned off.
If the backlighting is wired but not switched, the backlighting will come on when the master switch is turned on. The aircraft may be started with the radio off, but with the backlighting active, without the possibility of injury to the radio.
The backlighting line from pin 8 may be taken to a dimmer. The backlighting consists of 4 LED’s behind the LCD display which operate on 1-14 volts. The backlighting cannot be seen below 3 volts.
4.6 Power Savings
For installations, operating from a battery only, Microair recommends saving battery power by NOT wiring the backlighting - do NOT wire pin 8. The backlighting will draw an additional 80mA of power. This nearly doubles the standby power demand.
Not connecting the backlighting can effectively double the running time on your battery.
The operator should remember that the minimum operating voltage is 10 volts. This is the loaded voltage (ie the voltage when the radio is transmitting). For battery operators, check the battery voltage level, then press the PTT briefly to note the voltage drop. If the voltage dips by more than 0.5 volts, change the battery before flying.
4.7 Microphone
The M760 can be operated with an Electret Insert or Amplified Dynamic microphone. These alternatives cover most aviation headsets and hand microphones.
When the PTT is pressed both microphones are live. To reduce background noise, the M760 can be installed with relays across the mic lines and the PTT line, to allow on one microphone at a time to operate (refer appendix A). This reduces background noise when transmitting.
For operators wanting to use a dynamic microphone, a mic amplifier must be used. Microair recommends the installation of the Microair MD-01a amplifier. This amp is compatible with 150-600 ohm dynamic microphones.

- MIC SIGNAL LINE (7-9 VOLTS)
- LINES TO DYNAMIC MIC OR MIC JACK
- CONNECTOR (MIC END)
- MD-01a
- CONNECTOR (RADIO END)
- CRIMP TERMINALS
- GROUND
4.8 Speaker
Microair recommends using a speaker of 4 ohms impedance, rated at a minimum of 5 watts.
Microair recommends the SP01 Box Speaker.The SP01 has a durable thick film plastic cone of 4 ohms, and is rated at 5 watts. The SP01 is fitted with a mounting bracket, and is supplied with clips and screws.
Check your speaker choice by ensuring the audio is clear up to at full volume.
4.9 Intercom
The M760 utilises the sidetone facility, to produce a “hot mic” intercom. This means the mic’s are “live” at all times, to the pre-set levels of the sidetone and the mic gain. Both pilot and co-pilot can speak and be heard at all times. Hot mic operation is not a VOX system where the mic’s only come on when a pre- set noise threshold is reached (ie when you speak the mic comes on).
It is therefore important to ensure that the sidetone and mic gain are set to the correct levels, so that the mic’s do not pick up large amounts of ambient noise. The sidetone and mic gain are pre-set in the factory to levels which should suit most general aviation needs. Microair recommends that mic-muffs be fitted to all microphones, as a principal way of reducing the pick up of ambient noise.
The intercom facility is enabled by grounding pin 5. This can be done via a switch to turn the intercom on and off. If, after installing, and trying the intercom, there is too much background (ambient) noise, re-set the sidetone and the mic gain in the following way:
4.9.1 Sidetone
- Connect headset(s) to the radio
- Turn down headset volume to minimum
- Close sidetone trim pot by turning fully counter clockwise
- Speak into microphone with a constant “Laaaa” tone, and increase the sidetone by turning clockwise
- Stop when good volume is heard. Test this level with the headset volume to maximum
4.9.2 Mic Gain
- Connect headset(s) to the radio
- Start engine, and listen to ambient noise
- If ambient noise is too high, turn down mic gain with a SMALL counter clockwise turn
- When the noise is down to an acceptable level, make a test transmission to another radio
- If the audio quality of the transmission is too weak, the mic gain must be increased
Please refer to the figure below to see how the trim pots are adjusted. The trim pots have a total movement of only 270 degrees (3/4 turn). The heads of the trim pots are plastic, and can be distorted or broken off unless adjusted with great care. A small straight blade screwdriver with an insulated shaft is required. Ensure the radio is turned off before punching the hole under the black dot, and probing for the slot in the head of the trim pot. Once the screwdriver is engaged on the trim pot, the radio can be turned on, and the adjustment made.

- STRAIGHT BLADE SCREWDRIVER WITH INSULATED SHAFT
NOTE
TOTAL TRIMPOT MOVEMENT IS 270 DEGREES ROTATION
Do not attempt to adjust the modulation or power output. These adjustments can only be set correctly by a qualified technician. Adjustment of the power output or modulation by anyone other than Microair or their approved agent will void the warranty.
5.0 Control Functions
5.1 Priority Switch
The priority switch is a push down switch. When pushed down briefly, the radio will go into memory mode, and select the frequency stored in memory 25. Memory 25 should be considered the priority channel, which the user can quickly select when required. Memory 25 must be programmed for the priority switch to operate. Memory 25 is set at the factory as the international distress frequency 121.500MHz. Memory 25 can be programmed the same way as any of the other channels (refer memory programming), hence the factory default can be edited.
5.2 Volume / Squelch Knob
The M760 is turned on, by rotating the volume knob. A positive “click” is heard and felt at the start of the rotation to indicate the on/off position. The volume is increased by rotating the knob clockwise, and decreased by rotating counter clockwise.
The squelch is adjusted by rotating the ring behind the volume knob. There is no automatic level set for the squelch, however the ring affords a large manual adjustment to suit all situations. Rotate the ring clockwise to increase the squelch threshold, and counter clockwise to lower the threshold. When the squelch is “broken” (ie the static hiss can be heard), the annunciator LED lights green.
Note: This does NOT mean you are receiving a signal!
5.3 Annunciator LED
The LED operates red or green, and indicates the following states:
Clear (off) Radio is squelched above the threshold, and is not receiving a signal
Green Squelch is broken or a signal is received
Red Radio is transmitting
Flashing Red Radio has transmitted for over 40 seconds (warning)
The flashing red signal may draw the user’s attention to the fact that the aircraft may have a stuck PTT button! Transmissions in excess of 30 seconds should be avoided.
5.4 Mode Switch
The mode switch is a push down switch. When pushed down briefly the radio will step to the next operating mode. The M760 has four operating modes:
5.4.1 Toggle mode
The display shows the active or in use frequency on the top line. The standby frequency is displayed on the bottom line.
5.4.2 Memory Mode
The top line displays the memory or MEM number, and the lower line displays the frequency for that memory. The displayed memory becomes the frequency the moment it is displayed. The user can scroll through the programmed memories by rotating the frequency adjust knob, or by pressing the remote memory button.
5.4.3 Program Mode
The MEM is replaced with PROG on the top line. The frequency stored in each memory can be set, changed, or cleared in this mode (refer memory programming).

5.4.4 Scan Mode
By holding down the toggle switch for 3 seconds, the M760 goes into scan mode. The programmed memories are cycled quickly across the display. The M760 checks each memory in turn for any signal. If there is no signal the radio moves to the next programmed memory. When a signal is detected, the scan locks to that memory to receive the signal. This memory is held for 10seconds after the signal finishes to afford the user an opportunity to reply on that memory channel. The user can stop the scan operation by pressing down briefly the toggle key, or the PTT button.
5.5 Frequency Adjust Knob
The standby frequency can be changed by scrolling the frequency adjust knob. Rotate knob to scroll the MHz half of the standby frequency. Press the knob in briefly to move the cursor to the KHz half of the standby frequency. Rotate the knob again to scroll the KHz. The cursor will remain where it was lasted toggled.
Only the standby frequency can be changed directly, the active frequency cannot be directly altered by the frequency adjust knob.

5.6 Toggle Switch
The toggle switch is a push down switch. When pushed down briefly, the active and standby frequencies exchange places. Hold the toggle key down for 3 seconds to activate the scan function.

6.0 Memory Programming
The M760 has 25 programmable memories, for storing commonly used frequencies.
Use the mode switch to move the display to the program mode. The word PROG will appear on the top line, with the memory number on the right hand side. On the lower line is the currently stored frequency in that memory.
The cursor can be cycled through the MHz, KHz, and memory number by pressing the frequency adjust knob.
Move the cursor to the memory number and select the memory number for programming, by rotating the frequency adjust knob.
Press the frequency adjust knob to move to the MHz section. Rotate the frequency adjust knob to scroll to the desired value.
Press the frequency adjust knob to move to the KHz section. Rotate the frequency adjust knob to scroll to the desired value.
Cycle cursor between program number, MHz, and KHz, by pressing the frequency adjust knob inwards briefly. Rotate the frequency adjust knob to change value.
With the memory number, and frequency set to the correct values, press down the toggle switch briefly. The word STORE appears briefly on the top line.
To clear a memory, scroll to the desired memory, and press down the priority switch briefly. The word CLEAR appears on the top line.
The user can now move to another memory for programming. Press the frequency adjust knob to move the cursor back to the memory number, and scroll to next memory for programming.
When all programming is complete, press the mode switch to move on from the program mode, back to the active/standby toggle display.
When operating in memory mode, the programmed channels can be scrolled through, by rotating the frequency adjust knob, or by pressing the remote memory button. Only programmed memories are displayed.
Operating the priority switch in either toggle or memory mode will move the M760 to memory 25. The user should consider carefully what frequency to program in memory 25. The factory default is the distress frequency 121.500MHz.
7.0 Operation
The M760 should always be turned off, before starting the aircraft to protect the radio from transient voltages. After starting, the radio can be turned on, and the squelch adjusted so the static hiss can be heard through the headphones. The LED annunciator will light green while the hiss is heard. Use the hisstone to adjust the volume to an appropriate level. With the volume set, turn the squelch ring to break the squelch and eliminate the hiss. The LED annunciator light will go clear.
It may be necessary to readjust the squelch with the engine at full power, as the ignition noise increases dramatically.
The intercom volume is pre-set, and not affected by the volume knob (refer Intercom section on page10).
The M760 can now be adjusted to the correct active and standby frequencies, by scrolling and pressing the frequency adjust knob.
The M760 will transmit when the PTT button is held down. The LED annunciator will light red. When transmitting the user will hear themselves speaking through their own headphones via the sidetone system. If the transmission lasts longer than 40 seconds, either because you have a lot to say, or because the PTT has stuck, the LED annunciator will flash red. When this happens, check the PTT immediately. If you find no obvious fault, turn the radio off, and then on again. If the LED is still red, turn the radio offand leave it off.
If fitted at installation, the remote memory button will allow the user to toggle (exchange) the active and standby frequencies. The remote memory button is typically mounted next to the PTT on the stick.

If the user elects to operate in memory mode, the remote memory button will step through the programmed memories.

If the Remote memory button is held down for 5 seconds, the M760 will go into scan mode, and automatically scroll through the programmed memories, searching for a signal.
To terminate the scan operation, the PTT is pressed briefly.
The remote memory button is highly recommended. It allows the user to be able to keep hands on the controls during flight, while changing channels or scanning.
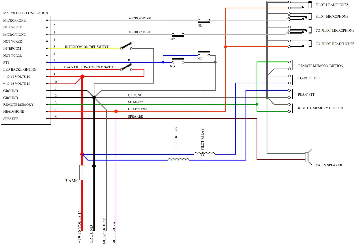
8.0 Appendix A - Wiring Diagrams
Standard Wiring Includes remote memory, intercom, and backlighting switches, along with cabin speaker.
PTT Operation Include a mode switch to allow the PTT button to be used for either transmit or intercom
PTT Relay Operation Includes the use of two relays across both mic ines and the PTT line to allow only one microphone at a time to operate


DB-15 CONNECTOR VIEWED FOR THE SIDE THE WIRES ARE SOLDERED TO
MICROAIR M760 (REV N) TRANSCEIVER
WIRING DIAGRAM
STANDARD INSTALLATION
NOTES
- THE PTT AND REMOTE MEMORY BUTTON ARE TO BE MOMENTARY ON IN THEIR ACTION.
- THE SPEAKER CAN BE EITHER 4 OR 8 OHM, BUT SHOULD BE MINIMUM 5 WATTS.
- POWER FUSING SHOULD BE MINIMUM 3 AMP, AND NOT GREATER THAN 10 AMP.
- DYNAMIC MICROPHONES WILL REQUIRE THE MD-01A AMPLIFIER TO CORRECT OPERATION.
- THE INTERCOM AND BACKLIGHTING SWITCHES ARE SPST ON/OFF SWITCHES.
- WARNING – REVERSE POLARITY OR OVERVOLTAGE WILL INJURE THE M760 AND VOID THE WARRANTY.
- MUSIC AUDIO MAY BE WIRED IN PARALLEL WITH THE HEADPHONE AUDIO.
THE MUSIC SIGNAL LEVEL SHOULD BE TYPICALLY 100mW @ 600 OHMS


DB -15 CONNECTOR VIEWED FOR THE SIDE THE WIRES ARE SOLDERED TO
MICROAIR M760 (REV N) TRANSCEIVER
WIRING DIAGRAM
PTT OPERATION FOR TRANSMIT AND INTERCOM
NOTES
- THE PTT AND REMOTE MEMORY BUTTON ARE TO BE MOMENTARY ON IN THEIR ACTION.
- THE SPEAKER CAN BE EITHER 4 OR 8 OHM, BUT SHOULD BE MINIMUM 5 WATTS.
- POWER FUSING SHOULD BE MINIMUM 3 AMP, AND NOT GREATER THAN 10 AMP.
- DYNAMIC MICROPHONES WILL REQUIRE THE MD-01A AMPLIFIER TO CORRECT OPERATION.
- THE INTERCOM AND BACKLIGHTING SWITCHES ARE SPST ON/OFF SWITCHES.
- WARNING – REVERSE POLARITY OR OVERVOLTAGE WILL INJURE THE M760 AND VOID THE WARRANTY.
- MUSIC AUDIO MAY BE WIRED IN PARALLEL WITH THE HEADPHONE AUDIO.
THE MUSIC SIGNAL LEVEL SHOULD BE TYPICALLY 100mW @ 600 OHMS.


DB -15 CONNECTOR VIEWED FOR THE SIDE THE WIRES ARE SOLDERED TO
MICROAIR M760 (REV N) TRANSCEIVER
WIRING DIAGRAM
RELAY OPERATION OF PTT’S
NOTES
- THE PTT AND REMOTE MEMORY BUTTON ARE TO BE MOMENTARY ON IN THEIR ACTION.
- THE SPEAKER CAN BE EITHER 4 OR 8 OHM, BUT SHOULD BE MINIMUM 5 WATTS.
- POWER FUSING SHOULD BE MINIMUM 3 AMP, AND NOT GREATER THAN 10 AMP.
- DYNAMIC MICROPHONES WILL REQUIRE THE MD-01A AMPLIFIER TO CORRECT OPERATION.
- THE INTERCOM AND BACKLIGHTING SWITCHES ARE SPST ON/OFF SWITCHES.
- WARNING – REVERSE POLARITY OR OVERVOLTAGE WILL INJURE THE M760 AND VOID THE WARRANTY.
- MUSIC AUDIO MAY BE WIRED IN PARALLEL WITH THE HEADPHONE AUDIO.
THE MUSIC SIGNAL LEVEL SHOULD BE TYPICALLY 100mW @ 600 OHMS.
9.0 Appendix B – Specifications
Specifications
| Radio Type | Amplitude Modulation (AM) Aircraft Transceiver |
| Channels | 760 channels, 25KHz spacing 118.000 – 136.975MHz |
| Frequency Selection | VFO dial |
| Frequency Display | 2 line alpha/numeric LCD display (with backlighting) |
| Frequency control | PLL frequency synthesis, which is microprocessor controlled Memory is store in non-volatile EPROM |
| Memories | 25 programmable memories with scan function |
| Scan Function | On programmed memories only – scan rate 3 memories/second |
| Power consumption | Receive (no signal) 86 mA Transmit 1.6 A |
| Input Voltage | 10 – 16 Volts Warning damage will occur above 16 Volts |
| Power output | 4 watts (nominal) |
| VSWR Tolerance | < 5:1 |
| Receiver sensitivity | 12dB for 1.0 uV 30% modulation (KHz audio) |
| Receiver Selectivity | -70dB |
| Squelch Threshold | 0.5uV (full squelch range 0.5-3.5uV) |
| Speaker volume output | Nominal 4 watts output to 4 ohms |
| Headset volume output | Nominal 100milli-watts output to 600 ohms |
| Temperature range | -20 – +55 degrees Celsius |
| Stability | +/- 3.00ppm |
| Dimensions | W-65mm H-59mm D-135mm (plus 35mm for harness) W-2.6” H-2.3” D-5.3” (plus 1.5” for harness) |
| Exposed dial face | 57mm diameter 2 ¼” diameter |
| Weight | 400 grams 19.4 ounces |
10.0 Appendix C – Drilling Template

Drilling Template
11.0 Limited Warranty
Microair Avionics Pty Ltd warrants this product to be free from defects in materials and workmanship for 1 year from the date of purchase or the minimum period described by applicable consumer law.
If the unit is installed by an organisation which holds an avionics installation approval from the local Civil Aviation Authority, and that organisation has co-signed and dated the warranty card, the warranty period shall be deemed to commence from the date of installation.
The customer shall be responsible for any transportation costs for return of this product to Microair Pty Ltd.
This warranty does not cover failures due to abuse, misuse, accident, unauthorized alteration, or repairs carried out by parties other than Microair or an approved Microair service centre. This warranty does not cover failures where the product has not been installed or operated, in accordance with the provisions of the User and Installation manual(s).
It shall be at Microair Pty Ltd’s sole discretion to decide if a defect is a result of material or workmanship failure.
THE WARRANTIES AND REMEDIES CONTAINED HEREIN ARE EXCLUSIVE AND IN LIEU OF ALL OTHER WARRANTIES EXPRESSED OR IMPLIED, INCLUDING ANY LIABILITY ARISING UNDER WARRANTY OF MERCHANTABILITY OR FITNESS FOR A PARTICULAR PURPOSE, STATUARY OR OTHERWISE. THIS WARRANTY GIVES YOU SPECIFIC LEGAL RIGHTS, WHICH MAY VARY FROM STATE TO STATE, AND COUNTRY TO COUNTRY.
IN NO EVENT SHALL MICROAIR AVIONICS PTY LTD BE LIABLE FOR ANY INCIDENTAL, SPECIAL, INDIRECT OR CONSEQUENTIAL DAMAGES, WHETHER RESULTING FROM THE USE, MISUSE OR INABILITY TO USE THIS PRODUCT OR FROM DEFECTS IN THE PRODUCT.
To obtain warranty service, CALL the Microair Avionics Support line in Australia:
Phone: + 61 7 4160 8200
Email: [email protected]
Contact Microair Avionics for instruction on the return of product for service or repair. Please ensure that you are able to supply the date of purchase, product type reference, serial number, method of return and date of return. All product returning to Microair Avionics should be marked clearly:
“PRODUCT RETURNING TO COUNTRY OF ORIGIN, FOR WARRANTY SERVICE /REPAIR, AND WILL BE RE-EXPORTED”
Address to either: Microair Avionics Pty Ltd
601 Curtin Ave E. Pinkenba QLD 4008 Australia
Microair may at its discretion, refer product returns for repair or service, to a service facility closest to you. Microair Avionics Pty Ltd reserves the right to repair or replace the unit or software or offer a full refund of the purchase price at its sole discretion.
SUCH REMEDY SHALL BE YOUR SOLE AND EXCLUSIVE REMEDY FOR ANY BREACH OF WARRANTY.
760 install & user manual ver N 8th December 2003
| Supplied by:
|

















