BROAN BCDJ1 Undercabinet Range Hood Instruction Manual

Series: BCDJ1 and NCDJ1
READ AND SAVE THESE INSTRUCTIONS
Intended for domestic cooking only ![]()
INSTALLER: LEAVE THIS MANUAL WITH HOMEOWNER.
In U.S.A., register your range hood online at www.broan-nutone.com
In Canada, register your Broan range hood online at www.broan.ca or register your NuTone range hood online at www.nutone.ca
WARNING
TO REDUCE THE RISK OF FIRE, ELECTRIC SHOCK, OR INJURY TO PERSONS, OBSERVE THE FOLLOWING:
Use this unit only in the manner intended by the manufacturer. If you have questions, contact the manufacturer at the address or telephone number listed in the warranty.- Before servicing or cleaning unit, switch power off at service panel and lock the service disconnecting means to prevent power from being switched on accidentally. When the service disconnecting means cannot be locked, securely fasten a prominent warning device, such as a tag, to the service panel.
- Installation work and electrical wiring must be done by a qualified person(s) in accordance with all applicable codes and standards, including fire-rated construction.
- Sufficient air is needed for proper combustion and exhausting of gases through the flue (chimney) of fuel burning equipment to prevent back drafting. Follow the heating equipment manufacturer’s guidelines and safety standards such as those published by the National Fire Protection Association (NFPA) and the American Society for Heating, Refrigeration and Air Conditioning Engineers (ASHRAE) and the local code authorities.
- When cutting or drilling into wall or ceiling, do not damage electrical wiring and other hidden utilities.
- Ducted fans must always be vented to the outdoors.
- Do not use this unit with any additional solid-state speed control device.
- To reduce the risk of fire, use only metal ductwork.
- This unit must be grounded.
- As an alternative, this product may be installed with the UL-approved cord kit designated for the product, following instructions packed with the cord kit.
- When applicable local regulations comprise more restrictive installation and/or certification requirements, the aforementioned requirements prevail on those of this document and the installer agrees to conform to these at his own expense.
WARNING
![]()
TO REDUCE THE RISK OF A RANGE TOP GREASE FIRE:
- Never leave surface units unattended at high settings. Boilovers cause smoking and greasy spillovers that may ignite. Heat oils slowly on low or medium settings.
- Always turn hood ON when cooking at high heat or when flambeing food (i.e.: Crêpes Suzette, Cherries Jubilee, Peppercorn Beef Flambé).
- Clean ventilating fan frequently. Grease should not be allowed to accumulate on fan, filters or in exhaust ducts.
- Use proper pan size. Always use cookware appropriate for the size of the surface element.
TO REDUCE THE RISK OF INJURY TO PERSONS IN THE EVENT OF A RANGE TOP GREASE FIRE, OBSERVE THE FOLLOWING*:
- SMOTHER FLAMES with a close-fitting lid, cookie sheet or metal tray, then turn off the burner. BE CAREFUL TO PREVENT BURNS. IF THE FLAMES DO NOT GO OUT IMMEDIATELY, EVACUATE AND CALL THE FIRE DEPARTMENT.
- NEVER PICK UP A FLAMING PAN — You may be burned.
- DO NOT USE WATER, including wet dishcloths or towels — This could cause a violent steam explosion.
- Use an extinguisher ONLY if:
A. You own a Class ABC extinguisher and you know how to operate it.
B. The fire is small and contained in the area where it started.
C. The fire department has been called.
D. You can fight the fire with your back to an exit.
* Based on “Kitchen Fire Safety Tips” published by NFPA.
CAUTION
- For indoor use only.
- For general ventilating use only. Do not use to exhaust hazardous or explosive materials
and vapors. - To avoid motor bearing damage and noisy and/or unbalanced fan blade, keep drywall spray, construction dust, etc. off range hood.
- Your hood motor has a thermal overload which will automatically shut off the motor if it
becomes overheated. The motor will restart when it cools down. If the motor continues to
shut off and restart, have the hood serviced. - For best capture of cooking fumes, the bottom of the hood MUST NOT BE LESS than 18” and at a maximum of 30” above the cooking surface.
- Always follow the cooking equipment manufacturer’s requirements regarding the ventilation
needs. - To reduce the risk of fire and to properly exhaust air, be sure to duct air outside — Do not
exhaust air into spaces within walls or ceiling or into attics, crawl space or garage. - When installing, servicing or cleaning the unit, it is recommended to wear safety glasses
and gloves. - Please read specification label on product for further information and requirements.
Operation
Always turn your hood on before you begin cooking to establish an air flow in the kitchen.
Let the blower run for a few minutes to clear the air after you turn off the range. This will help
keep the whole kitchen cleaner and fresher.
Operate the hood as follows:

NOTE: At range hood start-up or after a power failure, a small icon (1) appears shortly (for ± 2 seconds) on LCD screen; this is normal.
BLOWER ACTIVATION/SPEED LEVEL CHANGE/FILTER INDICATOR RESET
When blower is OFF, press on this push button to turn ON the blower at the last saved speed. If
there was no speed saved, the blower will be set on LOW speed.
NOTE: When LOW speed is activated from OFF, the blower starts on MEDIUM speed for a very short lapse of time, and then resume to LOW speed.
To change the blower speed, press on this button again until the desired speed is reached (from
LOW to MEDIUM to HIGH speed to OFF). Each time a blower speed is activated, a rotating blower icon appears on left side of LCD screen, with dot(s) under it (slow for LOW with one dot, faster for MEDIUM with 2 dots and fastest for HIGH with 3 dots).
When blower is on (no matter the speed level), press and hold this button until the blower icon
disappears from the LCD screen; this will turn off the blower and save the blower speed chosen.
Heat Sentry™
This hood is equipped with a protective device that activates the blower when an abnormally high heat level is detected while the blower is activated. During the Heat Sentry activation, this device takes control of the blower and set it on MEDIUM speed while all dots under the blower icon blink.
However, the lights can be still controlled. The blower will remain on MEDIUM speed until the heat is back to normal, it then returns to the speed previously selected.
NOTE: When excessive heat is detected, Heat Sentry will shut off both blower and lights while
all dots under the blower icon will blink faster. Both blower and lights will remain off until the ambient temperature cools down; the blower will then start on MEDIUM speed (the lights can be controlled again). The blower will remain on MEDIUM speed until the heat is back to normal, it then returns to the speed previously selected.
FILTER CLEANING REMINDER
This icon appears on LCD screen 30 seconds after turning OFF the blower when it is time to clean hood and filters (refer to Cleaning and Maintenance on page 7). This happens every time the blower is turned OFF until the filter cleaning reminder has been reset. Once the cleaning is done, reset the filter cleaning reminder by pressing on blower activation push button for 3 seconds while the icon appears on LCD screen for 30 seconds.
DELAY OFF
When the blower is on, press this button to activate the delay function. This icon appears on LCD screen beside the blower icon to indicate the function is on. The blower will continue to operate for 10 minutes and then, will shut off automatically (both blower and delay icons will disappear from LCD screen). When Delay off is activated, it is possible to change the blower speed by pressing on blower push button without affecting the remaining time of the delay.
To cancel the delay off function before the end of the 10-minute cycle, press button again.
ON LIGHTING/LIGHT INTENSITY CHANGE
Press this button to turn on the lights at the last saved intensity; the light icon appears on right side of LCD screen and the number of dots below it shows which light intensity is on (one dot for LOW, two dots for MEDIUM and three dots for HIGH).
To change the light intensity, press the button until the desired level is reached (from HIGH intensity, pressing again will shut off the lights.
When lights are on (no matter the light intensity), press and hold this button until the light icon
disappears from the LCD screen; this will shut off the lights and save the chosen light intensity.
The LED modules included with this hood are the latest in LED cooktop illumination technology specially designed to operate in the elevated temperatures of cooking – offering bright lighting and lasting up to 25 times as long as a standard bulb and greater reliability than typical replacement LED bulbs.
MASTER ON/OFF
Press this button to turn on the lights and the blower at the last saved intensity. When either lights or blower are ON, pressing this button will memorize the current blower speed and lighting level prior to shut them OFF.
Cleaning and Maintenance
Proper maintenance of the Range Hood will assure proper performance of the unit.
MOTORS
The motors are permanently lubricated and never need oiling. If the motor bearings make excessive or unusual noise, replace the motor with the exact service motor. The fan wheel should
also be replaced.
GREASE FILTERS
The grease filters should be cleaned frequently. Use a warm dish washing detergent solution.
Grease filters are dishwasher safe.
Clean all-metal filters in the dishwasher using a non-phosphate detergent. Discoloration of the
filters may occur if using phosphate detergents, or as a result of local water conditions – but this
will not affect filter performance. This discoloration is not covered by the warranty. To minimize or prevent discoloration, hand wash filters using a mild detergent.
NON-DUCTED RECIRCULATION FILTERS
The non-ducted recirculation filters should be changed every 3 to 6 months. Replace more often
if your cooking style generates extra grease, such as frying and wok cooking. Refer to installation
instructions included with non-ducted recirculation filters.
FAN WHEELS
The center of the fan wheels should be cleaned frequently. Use a clean cloth soaked with warm
detergent solution.
STAINLESS STEEL CLEANING
Do:
- Regularly wash with clean cloth or rag soaked with warm water and mild soap or liquid dish
detergent. - Always clean in the direction of original polish lines.
- Always rinse well with clear water (2 or 3 times) after cleaning. Wipe dry completely.
- You may also use a specialized household stainless steel cleaner.
Don’t:
- Use any steel or stainless steel wool or any other scrapers to remove stubborn dirt.
- Use any harsh or abrasive cleansers.
- Allow dirt to accumulate.
- Let plaster dust or any other construction residues reach the hood. During construction/
renovation, cover the range hood to make sure no dust sticks to the stainless steel surface.
Avoid when choosing a detergent:
- Any cleaners that contain bleach will attack stainless steel.
- Any products containing: chloride, fl uoride, iodide, bromide will deteriorate surfaces
rapidly. - Any combustible products used for cleaning such as acetone, alcohol, ether, benzol, etc.,
are highly explosive and should never be used close to a range.
PAINTED FINISH CLEANING:
Clean with warm water and mild detergent only. If discoloration occurs, use a finish polish such
as automotive polish. (DO NOT use rough abrasive cleaner or porcelain cleaner.)
For ADA compliance installation guidelines, please type the model number into our website.
Recommended Tools and Accessories for Installation
- Measuring tape
- Phillips screwdriver no. 2
- Nutdriver or socket 11/32”
- Flat blade screwdriver (to open knockout holes)
- Drill, 1/8” drill bit and 1½” hole saw (to mark holes for ducting and cut electrical access hole)
- 7/64” drill bit (to drill holes for EZ1 brackets mounting screws)
- 7” round duct plate, not included in NCDJ1 Series (for 7’’ round vertical ducting installation, part no.: SR680508)
- Wood shims (2) and wood screws (4) (required for standard installation to framed cabinet)
- Saw (to cut holes for ducted application)
- Sheet metal shears (ducted installation only, for duct adjustment)
- Pliers (ducted installation only, for duct adjustment)
- Metal foil duct tape (for ducted applications)
- Scissors (to cut metal foil duct tape)
- Pencil
- Wire stripper
- Strain relief, 1/2” diameter (to secure house wiring cable to the hood)
- BP87Q Damper (needed if 7-in. round duct is used)
Install Duct work (Ducted Installations Only)

NOTE: Distances over 30” are at the installer and user discretion.
- Determine whether hood will discharge vertically (3¼” x 10” or 7” round), or horizontally (3¼” x 10” only).
- Decide where the ductwork will run between the hood and the outdoors.
- Choose a straight, short duct run to allow the hood to perform most efficiently. Long duct
runs, elbows and transitions will reduce the performance of the hood. Use as few of them as possible. When possible, use at least 2 foot straight runs before any turns. Larger duct work may be required for best performance with longer duct runs.
NOTE: To use 6” round ducting, install a 3¼” x 10” to 6” round transition (not included). The performances may be affected. - Install wall cap or roof cap (sold separately); ensure there is no leak in house insulation.
Connect metal duct work to cap and work back towards the hood location. Use 2” metal foil duct tape to seal the joints between duct work sections.
Contents
Before proceeding to the installation, check the contents of the box. If items are missing or
damaged, contact the manufacturer.
Make sure that the following items are included:


Prepare the Hood
- If present, remove all protective polyfilm from the hood and/or parts.
- For BCDJ1 Series only: Remove 7” Round Duct Plate from top/back of hood (see illustration below). Keep the screws for further use. For BCDJ Series and NCDJ1 Series: Remove the adapter/damper from back of hood (see illustration below). Keep the screws for further use.

- Using the finger cup, remove the grease filters from the hood by pushing down (1) and tilting filters out (2).

4. Using a 11/32” nutdriver or socket, remove the lock nut retaining the flange of the right cover
plate (shaded part on illustration below) to the inner back of hood (see inset). Remove the right cover plate retaining screws (7 screws), then set the blower cover along with its screws and nut aside.

5. Remove the parts bag, taped on the inner back of hood, near the left corner. Remove the EZ1
brackets from inside the hood by cutting off the tie wrap. Discard the tie-wrap

6. Remove Electrical Power Cable Knockout from top (vertical wiring) or back (horizontal wiring) of hood. For knockout removed from back of hood, install an appropriate strain relief, 1/2” diameter (not included). For knockout removed from top of hood, the strain relief will be installed later.

NON-DUCTED INSTALLATION ONLY
7. Remove 3 screws retaining the recirculation cover plate to the hood. Discard this plate with its screws. Peel off and discard the membrane covering the recirculation grille, ensuring the openings are totally cleared.

DUCTED INSTALLATION ONLY



NOTE: To accommodate off-center ductwork, the 7” round duct plate can be installed up to 1/2” on either side of the hood center.
TIP: Insert a small length of duct over the 3¼” x 10” damper assembly (for rectangular ducting) or 7” round (for round ducting) and seal the joint using aluminum foil duct tape to ease connection with the house ductwork.
Prepare the Hood Location
NOTE: Before starting installation, read all the steps of these instructions.
Use the illustration below to identify your kitchen cabinet type.

This manual covers 2 kinds of installation: the standard (without EZ1 brackets) and the EZ1 one-person installation system (using included template and brackets).
For the standard installation, go to page 18.
EZ1 One-person installation system
EZ1 installation is designed for use with kitchen cabinets that have the same width designation as the range hood width. If the cabinet is greater than 1/2” wider than the range hood width, please use the standard installation method.
- Use the proper template for vertical OR horizontal disharge (included) for placement of
ductwork and electrical cutout in cabinet or wall. For a non-ducted installation, DO NOT cut a duct access hole, only cut the hole for electrical wiring. If replacing a hood and plan to use the existing duct and electrical, steps 2 to 5 may not be necessary. If so, skip to step 6. - Measure and mark the hood center line on cabinet bottom.
- Align the center line on template with the hood center line marked on the bottom of the
cabinet, placing the edge (where indicated) of the template against back wall. When using
with framed cabinet for vertical exhaust installation, fold over rear edge of template equal
to the depth of the cabinet frame at the wall (use graduations on template, C locations on
template). Tape the template in place.
NOTE: When facing the installation, A and B (on template) must be at right.


4. Drill a 1/8” dia. pilot hole for house wiring, at B location on template.
5. Use a sharp pencil or 1/8” drill bit to mark the locations for the appropriate duct access
holes (16 locations for 7” round duct, or 4 corner locations for rectangular duct). Remove the
template.
6. Draw the border for the exhaust ducting by linking its marks (16 for round duct and 4 for
rectangular duct), then cut the opening in the cabinet bottom (vertical exhaust) or in the wall
(horizontal exhaust). Drill the house wiring hole by using a 1½” hole saw centered with the
pilot hole previously made in 4.
7. Install the proper installation brackets according to the type of cabinet (framed or frameless).
See below.
FRAMED CABINET

Refer to the marking on brackets to determine the correct installation side and orientation.

- Mate the corresponding bracket to the cabinet side frame, while placing rear end of bracket against the wall. Use a pencil to mark 3 holes (there are 6 holes but only 3 are necessary).
- Remove the bracket. Using a 7/64” drill bit, drill 3 holes where marked.
- Assemble the bracket to the side frame using a Phillips screwdriver and 3 provided no. 8 x 5/8” wood screws. Repeat for the other side frame.
FRAMELESS CABINET

Refer to the marking on brackets to determine the correct installation side and orientation.

- Align the corresponding bracket to the cabinet side, while placing rear end of bracket against the wall. Draw a line on the outer edge of the bracket (as shown).
- Slide the bracket towards the center of cabinet and align side edge to marked line, keeping the rear end edge leaning on the wall.
- Use a pencil to mark 3 holes.
- Remove the bracket. Using a 7/64” drill bit, drill 3 holes where marked.
- Assemble the bracket to the cabinet bottom using a Phillips screwdriver and 3 provided
countersunk wood screws. Repeat for the other cabinet side.
Install the Hood (EZ1 Bracket)
NOTE: The following procedure applies to both frame or frameless cabinet installations.
- Run house power cable between service panel and hood location.
- There are 2 pairs of recessed holes on each side of the top of the hood (on rear: A and B,
on front C and D on illustration below); these holes allow the range hood to hang on the
brackets (previously installed).
HORIZONTAL EXHAUST INSTALLATION - Temporarily hang the hood on the brackets using its (2) recessed REAR HOLES (A and B).
While holding the hood, run the house power cable into the hood through the strain relief
previously installed in step 6 on page 11.
- Unhook the rear holes from the brackets and hang the hood using its (2) recessed FRONT
HOLES (C and D). While holding the hood, go to step 6. VERTICAL EXHAUST INSTALLATION AND NON-DUCTED INSTALLATION ONLY - Hang the hood on the brackets using the (2) recessed FRONT HOLES (C and D). While
holding the hood, tighten an appropriate strain relief, 1/2” diameter (not included) to the
power cable, then insert the strain relief in the knockout hole. DUCTED INSTALLATION ONLY - Connect ductwork to hood and use metal foil duct tape to make joints secure and air-tight.
Make sure the damper assembly (or round duct plate) enters the duct work and that the damper opens and closes freely.
NOTE: See final installation steps on next page. - For framed cabinet, secure the hood to the EZ1 brackets using four (4) no. 8-18 x 1/2” metal screws (included in parts bag). Insert two (2) screws per side, in the slots (as shown in insets on illustration below).
- For frameless cabinet, secure the hood to the cabinet using four (4) no. 8 x 5/8” round head
wood screws (included in parts bag). Insert two (2) screws in the slots (as shown in insets on
illustration below).
- Attach power cable to the hood using the strain relief.
Standard Installation (without EZ1 brackets)
- Use the proper diagram below for placement of ductwork and electrical cutout in cabinet
or wall. For a non-ducted installation, DO NOT cut a duct access hole, only cut the hole for
electrical wiring.


- Install half-way two (2) ROUND HEAD no. 8 x 5/8” mounting screws into shims/cabinet,
according to the proper diagram above, the other 2 ROUND HEAD no. 8 x 5/8” mounting screws will be used later. (Mounting screws are included in parts bag, but wood shims and shim mounting screws are not included.)
Install the Hood (Standard Installation)
NOTE: Two installers are recommended because of the weight of this hood.
- Run house power cable between service panel and hood location. For hood with power cable access located on back of hood, run the house power cable into the hood through the strain relief previously installed in step 6 on page 11. For hood with power cable access located on top, tighten the strain relief to the power cable before inserting the strain relief in the knockout hole.
- Hang hood from (2) rear mounting screws previously installed. Slide hood back towards
wall until mounting screw heads are engaged in narrow end of keyhole slots in top of hood.
Tighten screws securely and maintain a hold on the hood until completing step 3.
- Secure the hood to the cabinet using two (2) no. 8 x 5/8” round head wood screws (included in parts bag). Insert one (1) screw per side, in the slots (as shown below). Attach power cable to the hood using the strain relief.
DUCTED INSTALLATION ONLY - Connect ductwork to hood and use metal foil duct tape to make joints secure and air-tight.
Make sure the damper assembly (or round duct plate) enters the ductwork and that the damper opens and closes freely.
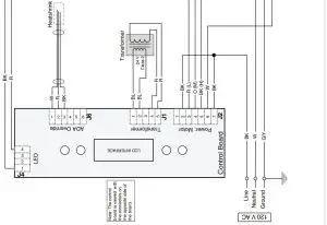
Connect the Wiring
WARNING
Risk of electric shock. Electrical wiring must be done by qualified personnel in accordance with all applicable codes and standards. Before connecting wires, switch power off at service panel and lock service disconnecting means to prevent power from being switched on accidentally.

- Connect House Power Cable to range hood wiring: BLACK to BLACK, WHITE to WHITE and GREEN or bare wire under GREEN ground screw.

- Reinstall the blower cover plate (shaded part on illustration above) using the lock nut and
the 7 screws previously removed in step 4 on page 10. Pay attention to screw 1 location;
from back of hood point of view, it must be located on left side of the lock nut (see inset).
Install the Filters
Ducted Installation Only:
Re-install grease filters removed in step 3 , page 10, under “Prepare the Hood”.
Non-ducted Installation Only:
Purchase two non-ducted filters from your local distributor or retailer (see product specification
label for filter type). Attach the non-ducted filters following instructions packed with the
non-ducted filters.
BCDJ1 AND NCDJ1 SERIES (SECOND GENERATION)




* ITEM NOT SHOWN.
** NOT AVAILABLE FOR NCDJ1 SERIES.
*** NOT INCLUDED IN NCDJ1 SERIES.
REPLACEMENT PARTS AND REPAIRS
In order to ensure your unit remains in good working condition, you must use Broan-NuTone LLC or Venmar Ventilation ULC genuine replacement parts only. Broan-NuTone LLC or Venmar Ventilation ULC genuine replacement parts are specially designed for each unit and are manufactured to comply with all the applicable certification standards and maintain a high standard of safety. Any third party replacement part used may cause serious damage and drastically reduce the performance level of your unit, which will result in premature failing.
Broan-NuTone LLC and Venmar Ventilation ULC recommend to contact a certified service depot for all replacement parts and repairs.


* ITEM NOT SHOWN.
REPLACEMENT PARTS AND REPAIRS
In order to ensure your unit remains in good working condition, you must use Broan-NuTone LLC or Venmar Ventilation ULC genuine replacement parts only. Broan-NuTone LLC or Venmar Ventilation ULC genuine replacement parts are specially designed for each unit and are manufactured to comply with all the applicable certification standards and maintain a high standard of safety. Any third party replacement part used may cause serious damage and drastically reduce the performance level of your unit, which will result in premature failing.
Broan-NuTone LLC and Venmar Ventilation ULC recommend to contact a certified service depot for all replacement parts and repairs.
Limited Warranty
Warranty Period and Exclusions: Broan-NuTone LLC and Venmar Ventilation ULC (either being the “Company”) warrants to the original consumer purchaser of its product (“you”) that the product (the “Product”) will be free from material defects in the Product or its workmanship for a period of one (1) year from the date of original purchase (or such longer period as may be required by applicable law). For Range Hood Product that includes built-in LED modules, the Company warrants the LED modules and driver to be free from material defects for a period of three (3) years from the date of purchase. The limited warranty period for any replacement parts provided by the Company and for any Products repaired or replaced under this limited warranty shall be the remainder of the original warranty period (or such longer period as may be required by applicable law).
This warranty does not cover fluorescent lamp starters, tubes, halogen and incandescent bulbs, fuses, filters, ducts, roof caps, wall caps and other accessories for ducting that may be purchased separately and installed with the Product. This warranty also does not cover (a) normal maintenance and service, (b) normal wear and tear, (c) any Products or parts which have been subject to misuse, abuse, abnormal usage, negligence, accident, improper or insufficient maintenance, storage or repair (other than repair by the Company), (d) damage caused by faulty installation, or installation or use contrary to recommendations or instructions, (e) any Product that has been moved from its original point of installation, (f) damage caused by environmental or natural elements, (g) damage in transit, (h) natural wear of finish, (i) Products in commercial or nonresidential use, or (j) damage caused by fire, flood or other act of God or (k) Products with altered, defaced or removed serial numbers. This warranty covers only Products sold to original consumers in the United States and Canada by the Company or its U.S. and Canadian distributors authorized by the Company.
This warranty supersedes all prior warranties and, subject to applicable law, is not transferable from the original consumer purchaser. No Other Warranties: This Limited Warranty contains the Company’s sole obligation and your sole remedy for defective products. The foregoing warranties are exclusive and in lieu of any other warranties and conditions, express or implied. THE COMPANY DISCLAIMS AND EXCLUDES ALL OTHER EXPRESS WARRANTIES AND CONDITIONS, AND DISCLAIMS AND EXCLUDES ALL WARRANTIES AND CONDITIONS IMPLIED BY LAW, INCLUDING WITHOUT LIMITATION THOSE OF MERCHANTABILITY AND FITNESS FOR A PARTICULAR PURPOSE. To the extent that applicable law prohibits the exclusion of implied warranties or conditions, the duration of any applicable implied warranty or condition is limited to the period specified for the express warranty above. Some jurisdictions do not allow limitations on how long an implied warranty lasts, so the above limitation may not apply to you. Any oral or written description of the Product is for the sole purpose of identifying it and shall not be construed as an express warranty.
Whenever possible, each provision of this Limited Warranty shall be interpreted in such manner as to be effective and valid under applicable law, but if any provision is held to be prohibited or invalid, such provision shall be ineffective only to the extent of such prohibition or invalidity, without invalidating the remainder of such provision or the other remaining provisions of the Limited Warranty.
Remedy: During the applicable limited warranty period, the Company will, at its option, provide replacement parts for, or repair or replace, without charge, any Product or part thereof, to the extent the Company finds it to be covered by and in breach of this limited warranty under normal use and service. The Company will ship the repaired or replaced Product or replacement parts to you at no charge. You are responsible for all costs for removal, reinstallation and shipping, insurance or other freight charges incurred in the shipment of the Product or part to the Company. If you must send the Product or part to the Company, as instructed by the Company, you must properly pack the Product or part—the Company is not responsible for damage in transit. The Company reserves the right to utilize reconditioned, refurbished, repaired or remanufactured Products or parts in the warranty repair or replacement process. Such Products and parts will be comparable in function and performance to an original Product or part and warranted for the remainder of the original warranty period (or such longer period as may be required by applicable law).
Company reserves the right, in its sole discretion, to refund the money actually paid by you for the Product in lieu of repair or replacement. If the Product or component is no longer available, replacement may be made with a similar product of equal or greater value, at Company’s sole discretion. This is your sole and exclusive remedy for breach of this limited warranty. Exclusion of Damages: THE COMPANY’S OBLIGATION TO PROVIDE REPLACEMENT PARTS, OR REPAIR, REPLACE OR REFUND, AT THE COMPANY’S OPTION, SHALL BE YOUR SOLE AND EXCLUSIVE REMEDY UNDER THIS LIMITED WARRANTY AND THE COMPANY’S SOLE AND EXCLUSIVE OBLIGATION. THE COMPANY SHALL
NOT BE LIABLE FOR INCIDENTAL, INDIRECT, CONSEQUENTIAL OR SPECIAL DAMAGES ARISING OUT OF OR IN CONNECTION WITH THE PRODUCT, ITS USE OR PERFORMANCE. Incidental damages include but are not limited to such damages as loss of time and loss of use. Consequential damages include but are not limited to the cost of repairing or replacing other property which was damaged if the Product does not work properly.
THE COMPANY SHALL NOT BE LIABLE TO YOU, OR TO ANYONE CLAIMING UNDER YOU, FOR ANY OTHER OBLIGATIONS OR LIABILITIES, INCLUDING, BUT NOT LIMITED TO, OBLIGATIONS OR LIABILITIES ARISING OUT OF BREACH OF CONTRACT OR WARRANTY, NEGLIGENCE OR OTHER TORT OR ANY THEORY OF STRICT LIABILITY, WITH RESPECT TO THE PRODUCT OR THE COMPANY’S ACTS OR OMISSIONS OR OTHERWISE.
Some jurisdictions do not allow the exclusion or limitation of incidental or consequential damages, so the above limitation or exclusion may not apply to you. This warranty gives you specific legal rights, and you may also have other rights, which vary from jurisdiction to jurisdiction. The disclaimers, exclusions, and limitations of liability under this warranty will not apply to the extent prohibited by applicable law.
This warranty covers only replacement or repair of defective Products or parts thereof at the Company’s main facility and does not include the cost of field service travel and living expenses.
Any assistance the Company provides to or procures for you outside the terms, limitations or exclusions of this limited warranty will not constitute a waiver of such terms, limitations or exclusions, nor will such assistance extend or revive the warranty.
The Company will not reimburse you for any expenses incurred by you in repairing or replacing any defective Product, except for those incurred with the Company’s prior written permission.
How to Obtain Warranty Service: To qualify for warranty service, you must (a) notify the Company at the address or telephone number stated below within seven (7) days of discovering the covered defect, (b) give the model number and part identification and (c) describe the nature of any defect in the Product or part. At the time of requesting warranty service, you must present evidence of the original purchase date. If you cannot provide a copy of the original written limited warranty, then the terms of the Company’s most current written limited warranty for your particular product will control. The most current limited written warranties for the Company’s products can be found at www.broan-nutone.com, www.broan.ca. and www.nutone.ca Broan-NuTone LLC 926 West State Street, Hartford, WI 53027 www.broan-nutone.com 800-637-1453 Venmar Ventilation ULC, 550, Lemire Blvd., Drummondville, Québec, Canada J2C 7W9 www.broan.ca www.nutone.ca 1-877-896-1119
Read More About This Manual & Download PDF:

HORIZONTAL EXHAUST INSTALLATION





DUCTED INSTALLATION ONLY
















