Altronix AL602ADA220 NAC Power Extenders User Guide
General Information
(Use this in conjunction with respective Installation Guide):
Altronix AL602ADA220, AL802ADA220 and AL1002ADA220 are very versatile devices. They can be used with or without specific synchronization modules provided by some manufacturers. Multiple units can be synchronized by using either the built-in sync mode or a external synchronization module. Please note, that only notification appliances with synchronization capabilities can be synchronized. Units can operate with either one (1) or two (2) outputs from the FACP
Class A and Class B Hookups
Units can be used with the outputs configured for:
- Two (2) Class A (Fig. 2a).
- Up to Four (4) Class B.
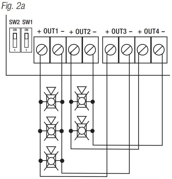
Fig. 2a
Two (2) Class A Hookups
NAC Loop 1 starts on Output 1 and terminates on Output 3. Switch SW1, when ON, provides proper termination for this loop. NAC Loop 2 starts on Output 2 and terminates on Output 4, SW2 must be turned ON for proper termination. Please make sure that all the DIP switches for corresponding outputs are set the same way.
- Two (2) Class B and one (1) Class A NAC circuits (Fig. 2b).
Fig. 2b
One (1) Class A, two (2) Class B Hookups
For combination of two (2) Class B and one (1) Class A circuit, only one (1) switch (SW1 or SW2) must be turned ON, terminating Class A circuit only.
Dry Contact Input Wiring
Fig. 2c
Non-synchronization NAC Appliances
When using NAC appliances not designed to support synchronization feature, it is recommended to use separate output circuits for audible notification appliances (horns) and visual notification appliances (strobes). Set DIP switches for the visual notification appliances to follow Input 1 [IN1] and for audible notification appliances to follow Input 2 [IN2]. This will allow, when using two (2) outputs from the FACP, to support silencing of audible notification appliances. When using only one (1) FACP output, set all DIP switches to follow Input 1 [IN1]. The units outputs can each be set for the desired NAC drive signal, such as Code 3 or march time sequence (Output Programming Selection Table, pg. 6). Non-synchronizable Audible Appliances will follow the sequence, when feature is selected.
Using Multiple NAC Power Extenders from an FACP
AL602/AL802/1002ADA220 units are designed to follow (replicate) the coded sequence, generated by a manufacturer’s sync module. One (1) or more units can be triggered. Connect the output of the FACP module to Input 1 and Input 2 Terminate the input circuit with the EOL or FACP, connecting it to terminals marked [RET +] and [RET –], or continue the input circuit, connecting to terminals marked [RET +] and [RET –] to [INP +] and [INP –] of the next unit, when multiple units need to be triggered.
In case FACP does not have any synchronization capabilities and the sync mode is not used, the notification appliance synchronization will not be provided.
Fig. 4a
CAUTION: Do not connect any notification appliances on the control circuit interconnecting FACP outputs (sync module outputs) and inputs of NAC Power Extenders. Applications that do not employ synchronization module or FACP with synchronization protocol will not provide NAC synchronization between NAC Power Extenders.
Synchronizing NAC Power Extender Using Built-in Sync Protocol
AL602/AL802/1002ADA220 have built-in protocols to support Amseco, Gentex®, System Sensor®, Wheelock® two-wire synchronizable devices, therefore an external sync module is not required (Output Programming Selection Table, pg. 5). In these modes Input 1 is always used to activate visual notification appliances (strobes) and Input 2 is used to activate and silence audible notification appliances (strobes).
Note: Input 1 has to be activated in all the configurations.
Fig. 5a
When connecting, keep wires on different sides of the screws in order to maintain loop integrity supervision. DO NOT LOOP CONTINUOUS WIRE AROUND THE SCREW.
Using a Single FACP Output
When only one FACP output is available, you may connect both Input 1 and Input 2 to it.
Wire [RET1 +] and [RET1 –] to [INP2 +] and [INP2 –].
Both visual and audible notification appliances will be activated simultaneously (Fig. 6a)
Fig. 6a
Output Programming Selection Table\
Outputs must be programmed independently (OUT1 – OUT4)
| Function | Switch Positions | Descriptions | |
| ON | OFF | ||
| Input to Output Follower Mode | 1 | 2, 3 | Output follows signal it receives from the corresponding input (i.e. FACP Sync module – maintains synchronization of notification appliance circuit). |
| Temporal Code 3 Mode | 3 | 1, 2 | Enables Temporal Code 3 signal generation output. This mode will accept a steady or a pulsing input. |
| Steady Mode | 1, 2, 3 | A steady output signal will be generated. This mode will accept steady or pulsing input. | |
For the above modes DIP Switch 4 determines which Input controls the corresponding output:
Switch 4 in the ON position causes output(s) to be controlled by Input 1.
Switch 4 in the OFF position causes output(s) to be controlled by Input 2.
AL800LGK9E Board
Output DIP Switches
INPUT SELECT
TEMPORAL
STROBE SYNC
IN>OUT SYNC
Sync Mode Selection Table
| Function | Switch Positions | Descriptions | |
| ON | OFF | ||
| Amseco Sync Mode* | 1, 3,4 | 2 | This mode is designed to work with the Amseco series of horns, strobes, and horn/strobes to provide a means of synchronizing the Temporal-coded horns, synchronizing the flash timing of the strobe, and allowing audible notification appliances (horns) and visual notification appliances (strobes) to be silienced/ deactivated at the same time. |
| Gentex® Sync Mode* Gentex is a registered trademark of Gentex Corporation. | 1, 2, 3, 4 | This mode is designed to work with the Gentex® series of horns, strobes, and horn/strobes to provide a means of synchronizing the Temporal-coded horns, synchronizing the flash timing of the strobe, and allowing audible notification appliances (horns) and visual notification appliances (strobes) to be silienced/ deactivated at the same time. | |
| System Sensor® Sync Mode* System Sensor is a registered trademark of Honeywell. | 1, 2, 4 | 3 | This mode is designed to work with the System Sensor® series of horns, strobes, and horn/strobes to provide a means of synchroniz- ing the Temporal-coded horns, synchronizing the one-second flash timing of the strobe, and allowing audible notification appliances (horns) and visual notification appliances (strobes) to be silienced/ deactivated at the same time. |
| CooperWheelock® Sync Mode* CooperWheelock is a registered trademark of Cooper Wheelock. | 2, 3, 4 | 1 | This mode is designed to work with the CooperWheelock series of horns, strobes, and horn/strobes to provide a means of synchroniz- ing the Temporal-coded horns, synchronizing the one-second flash timing of the strobe, and allowing audible notification appliances (horns) and visual notification appliances (strobes) to be silienced/ deactivated at the same time. |
Note: AL602ADA220, AL802ADA220 and AL1002ADA220 will only synchronize horns, horn/strobes and strobes that contain synchronization capability. The same synchronization mode must be selected for all outputs.
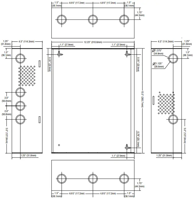
Dimensions
Enclosure Dimensions (BC400):
15.5” x 12” x 4.5” (393.7mm x 304.8mm x 114.3mm)
Support
Altronix is not responsible for any typographical errors.
140 58th Street, Brooklyn, New York 11220 USA | phone: 718-567-8181 | fax: 718-567-9056
website: www.altronix.com
E-mail: [email protected]
Lifetime Warranty
02ADA220 Application Guide
H10U



















