RYOBI PGC21B 5-1/2 in. 18 VOLT FLOORING SAW

WARNING: To reduce the risk of injury, the user must read and understand the operator’s manual before using this product.
GENERAL SAFETY RULES
WARNING:
Read all safety warnings, instructions, illustrations and specifications provided with this power tool. Failure to follow all instructions listed below may result in electric shock, fire and/or serious injury.
Save all warnings and instructions for future reference. The term “power tool” in the warnings refers to your mains-operated (corded) power tool or battery-operated (cordless) power tool.
WORK AREA SAFETY
- Keep work area clean and well lit. Cluttered or dark areas invite accidents.
- Do not operate power tools in explosive atmospheres, such as in the presence of flammable liquids, gases or dust. Power tools create sparks which may ignite the dust or fumes.
- Keep children and bystanders away while operating a power tool. Distractions can cause you to lose control.
ELECTRICAL SAFETY
- Power tool plugs must match the outlet. Never modify the plug in any way. Do not use any adapter plugs with earthed (grounded) power tools. Unmodified plugs and matching outlets will reduce risk of electric shock.
- Avoid body contact with earthed or grounded surfac-es, such as pipes, radiators, ranges and refrigerators. There is an increased risk of electric shock if your body is earthed or grounded.
- Do not expose power tools to rain or wet conditions. Water entering a power tool will increase the risk of elec-tric shock.
- Do not abuse the cord. Never use the cord for carrying, pulling or unplugging the power tool. Keep cord away from heat, oil, sharp edges or moving parts. Damaged or entangled cords increase the risk of electric shock.
- When operating a power tool outdoors, use an exten-sion cord suitable for outdoor use. Use of a cord suit-able for outdoor use reduces the risk of electric shock.
- If operating a power tool in a damp location is un-avoidable, use a ground fault circuit interrupter (GFCI) protected supply. Use of a GFCI reduces the risk of electric shock.
PERSONAL SAFETY
- Stay alert, watch what you are doing and use com-mon sense when operating a power tool. Do not use a power tool while you are tired or under the influence of drugs, alcohol or medication. A moment of inatten-tion while operating power tools may result in serious personal injury.
- Use personal protective equipment. Always wear eye protection. Protective equipment such as dust mask, non-skid safety shoes, hard hat, or hearing protection used for appropriate conditions will reduce personal injuries.
- Prevent unintentional starting. Ensure the switch is in the off-position before connecting to power source and/or battery pack, picking up or carrying the tool. Carrying power tools with your finger on the switch or energising power tools that have the switch on invites accidents.
- Remove any adjusting key or wrench before turning the power tool on. A wrench or a key left attached to a rotating part of the power tool may result in personal injury.
- Do not overreach. Keep proper footing and balance at all times. This enables better control of the power tool in unexpected situations.
- Dress properly. Do not wear loose clothing or jewel-lery. Keep your hair, clothing and gloves away from moving parts. Loose clothes, jewellery or long hair can be caught in moving parts.
- If devices are provided for the connection of dust extraction and collection facilities, ensure these are connected and properly used. Use of dust collection can reduce dust-related hazards.
- Do not let familiarity gained from frequent use of tools allow you to become complacent and ignore tool safety principles. A careless action can cause severe injury within a fraction of a second.
POWER TOOL USE AND CARE
- Do not force the power tool. Use the correct power tool for your application. The correct power tool will do the job better and safer at the rate for which it was designed.
- Do not use the power tool if the switch does not turn it on and off. Any power tool that cannot be controlled with the switch is dangerous and must be repaired.
- Disconnect the plug from the power source and/or remove the battery pack, if detachable, from the power tool before making any adjustments, changing accessories, or storing power tools. Such preventive safety measures reduce the risk of starting the power tool accidentally.
- Store idle power tools out of the reach of children and do not allow persons unfamiliar with the power tool or these instructions to operate the power tool. Power tools are dangerous in the hands of untrained users.
- Maintain power tools and accessories. Check for misalignment or binding of moving parts, breakage of parts and any other condition that may affect the power tool’s operation. If damaged, have the power
GENERAL SAFETY RULES
tool repaired before use. Many accidents are caused by poorly maintained power tools.
- Keep cutting tools sharp and clean. Properly main-tained cutting tools with sharp cutting edges are less likely to bind and are easier to control.
Use the power tool, accessories and tool bits etc. in accordance with these instructions, taking into account the working conditions and the work to be performed. Use of the power tool for operations different from those intended could result in a hazardous situation.
Keep handles and grasping surfaces dry, clean and free from oil and grease. Slippery handles and grasping surfaces do not allow for safe handling and control of the tool in unexpected situations.
BATTERY TOOL USE AND CARE
- Recharge only with the charger specified by the manufacturer. A charger that is suitable for one type of battery pack may create a risk of fire when used with another battery pack.
- Use battery only with charger listed. For use with 18 V lithium-ion battery packs, see tool/appliance/battery pack/charger correlation supplement 987000-432.
- Use power tools only with specifically designated bat-tery packs. Use of any other battery packs may create a risk of injury and fire.
- When battery pack is not in use, keep it away from other metal objects, like paper clips, coins, keys, nails, screws or other small metal objects, that can make a connection from one terminal to another. Shorting the battery terminals together may cause burns or a fire.
- Under abusive conditions, liquid may be ejected from the battery; avoid contact. If contact accidentally occurs, flush with water. If liquid contacts eyes, ad-ditionally seek medical help. Liquid ejected from the battery may cause irritation or burns.
- Do not use a battery pack or tool that is damaged or modified. Damaged or modified batteries may exhibit unpredictable behavior resulting in fire, explosion, or risk of injury.
- Do not expose a battery pack or tool to fire or exces-sive temperature. Exposure to fire or temperature above 265° F may cause explosion.
- Follow all charging instructions and do not charge the battery pack or tool outside the temperature range specified in the instructions. Charging improperly or at temperatures outside the specified range may damage the battery and increase the risk of fire.
- Battery tools do not have to be plugged into an elec-trical outlet; therefore, they are always in operating condition. Be aware of possible hazards when not using your battery tool or when changing accessories. Following this rule will reduce the risk of electric shock, fire, or serious personal injury.
- Do not place battery tools or their batteries near fire or heat. This will reduce the risk of explosion and possibly injury.
- Do not crush, drop or damage battery pack. Do not use a battery pack or charger that has been dropped or received a sharp blow. A damaged battery is subject to explosion. Properly dispose of a dropped or damaged battery immediately.
- Batteries can explode in the presence of a source of ignition, such as a pilot light. To reduce the risk of serious personal injury, never use any cordless product in the presence of open flame. An exploded battery can propel debris and chemicals. If exposed, flush with water immediately.
- Do not charge battery tool in a damp or wet location. Do not use, store, or charge battery packs or products in locations where the temperature is less than 50°F or more than 100°F. Do not store outside or in vehicles.
- Under extreme usage or temperature conditions, bat-tery leakage may occur. If liquid comes in contact with your skin, wash immediately with soap and water. If liquid gets into your eyes, flush them with clean water for at least 10 minutes, then seek immediate medical attention. Following this rule will reduce the risk of seri-ous personal injury.
SERVICE
- Have your power tool serviced by a qualified repair person using only identical replacement parts. This will ensure that the safety of the power tool is maintained.
- Never service damaged battery packs. Service of bat-tery packs should only be performed by the manufacturer or authorized service providers.
- Flooring saws are intended to cut wood or wood-like products, they cannot be used with abrasive cut-off wheels for cutting ferrous material such as bars, rods, studs, etc. Abrasive dust causes moving parts such as the guard to jam. Sparks from abrasive cutting will burn the guard, the kerf insert and other plastic parts.
- Do not use the saw until the table is clear of all tools, wood scraps, etc., except for the workpiece. Small de-bris or loose pieces of wood or other objects that contact the revolving blade can be thrown with high speed.
- Cut only one workpiece at a time. Stacked multiple workpieces cannot be adequately clamped or braced and may bind on the blade or shift during cutting.
- Ensure the flooring saw is mounted or placed on a level, firm work surface before use. A level and firm work surface reduces the risk of the flooring saw becom-ing unstable.
- Use the saw on the floor or a secure table to ensure adequate support.
- Do not use another person as a substitute for a table extension or as additional support. Unstable support for the workpiece can cause the blade to bind or the workpiece to shift during the cutting operation pulling you and the helper into the spinning blade.
- Let the blade reach full speed before contacting the workpiece. This will reduce the risk of the workpiece being thrown.
- If the workpiece or blade becomes jammed, turn the flooring saw off. Wait for all moving parts to stop and disconnect the plug from the power source and/or re-move the battery pack. Then work to free the jammed material. Continued sawing with a jammed workpiece could cause loss of control or damage to the flooring saw.
- Save these instructions. Refer to them frequently and use to instruct other users. If you loan someone this tool, loan them these instructions also.
FOR RIP CUTS
- Never cross your hand over the intended line of cut-ting either in front or behind the saw blade. Supporting the workpiece rc”oss ”dednahi.e. holding the workpiece to the right of the saw blade with your left hand or vice versa is very dangerous.
- Do not reach behind the fence with either hand closer than 4 in. (100 mm) from either side of the saw blade, to remove wood scraps, or for any other reason while the blade is spinning. The proximity of the spinning saw blade to your hand may not be obvious and you may be seriously injured.
- After finishing the cut, release the switch and wait for the blade to stop before removing the cut-off piece. Reaching with your hand near the coasting blade is dan-gerous.
- Make sure the flooring saw is locked during rip cutting and fences are locked in place before cutting.
FOR CROSS CUTS
- Use clamps to support the workpiece whenever pos-sible. If supporting the workpiece by hand, you must always keep your hand at least 4 in. (100 mm) from either side of the saw blade. Do not use this saw to cut pieces that are too small to be securely clamped or held by hand. If your hand is placed too close to the saw blade, there is an increased risk of injury from blade contact.
- Plan your work. Every time you change the bevel or miter angle setting, make sure the adjustable fence is set correctly to support the workpiece and will not interfere with the blade or the guarding system. With-out turning the tool ”NO”and with no workpiece on the table, move the saw blade through a complete simulated cut to assure there will be no interference or danger of cutting the fence.
- The cut-off piece must not be jammed or pressed by any means against the spinning saw blade. If confined,
i. e. using length stops, the cut-off piece could get wedged against the blade and thrown violently. - The workpiece must be stationary and clamped or held against both the fence and the table. Do not feed the workpiece into the blade or cut ”dnaheerf”in any way. Unrestrained or moving workpieces could be thrown at high speeds, causing injury.
- Inspect your workpiece before cutting. If the workpiece is bowed or warped, clamp it with the outside bowed face toward the fence. Always make certain that there is no gap between the workpiece, fence and table along the line of the cut. Bent or warped workpieces can twist or shift and may cause binding on the spinning saw blade while cutting. There should be no nails or foreign objects in the workpiece.
- Always use a clamp or a fixture designed to properly support round material such as rods or tubing. Rods have a tendency to roll while being cut, causing the blade .edalb eht otni dnah ruoy htiw krow eht llup dna etib ot
- Push the saw through the workpiece. Do not pull the saw through the workpiece. To make a cut, start the saw and push the saw through the workpiece. Cut-ting on the pull stroke is likely to cause the saw blade to climb on top of the workpiece and violently throw the blade assembly towards the operator.
- Know your power tool. Read the operator’s manual carefully. Learn the applications and limitations as well as the specific potential hazards related to this tool.
- Always wear eye protection with side shields which is marked to comply with ANSI Z87.1 when using this product. Failure to do so could result in objects being thrown into your eyes, resulting in possible serious injury.
- Never stand on tool. Serious injury could occur if the tool is tipped or if the cutting tool is unintentionally contacted.
- Never touch blade or other moving parts during use.
- Double check all setups. Make sure blade is tight and not making contact with saw or workpiece before con-necting to power supply.
- If you choose to use the saw on a workbench or table, firmly clamp or bolt your tool to the work surface at approximately hip height.
- Never move the workpiece or make adjustment to any cutting angle while the saw is running and the blade is rotating. Any slip can result in contact with the blade causing serious personal injury.
- Avoid awkward operations and hand positions where a sudden slip could cause your hand to move into the blade. ALWAYS make sure you have good balance.
- Do not turn the motor switch on and off rapidly. This could cause the saw blade to loosen and could create a hazard. Should this ever occur, stand clear and allow the saw blade to come to a complete stop. Disconnect your saw from the power supply and securely retighten the blade bolt.
- If any part of this flooring saw is missing or should break, bend, or fail in any way, or should any electrical component fail to perform properly, shut off the power switch, remove the flooring saw plug from the battery and have damaged, missing, or failed parts replaced before resuming operation.
- Always turn off the saw before removing the battery to avoid accidental starting when reconnecting to power supply. NEVER leave the saw unattended with battery installed.
- This tool should have the following markings:
- To reduce the risk of injury, user must read the opera-tor’s manual.
- Wear eye protection.
- Keep hands and body out of the path of the saw blade. Contact with the blade will result in serious injury.
- Check guarding system to make sure it is functioning correctly.
- Do not perform any operation freehand.
- Never reach around the saw blade.
- Turn off tool and wait for saw blade to stop before moving workpiece or changing settings.
- Remove the battery pack before changing blade or servicing.
- Always carry the tool only by the carrying handle.
- Always make sure the saw blade has clearance of all obstructions before turning the saw on.
- Use a different blade for each type of material being cut such as LVT and wood flooring.
GUARDING RELATED WARNINGS
- Keep guards in place. Guards must be in working order and be properly mounted. A guard that is loose, damaged, or is not functioning correctly must be repaired or replaced.
- Always use saw blade guard, riving knife and anti-kickback device for every rip cut.
- Make sure the saw blade is not contacting the guard, riving knife or the workpiece before the switch is turned on. Inadvertent contact of these items with the saw blade could cause a hazardous condition.
- Adjust the riving knife as described in this instruction manual. Incorrect spacing, positioning and alignment can make the riving knife ineffective in reducing the likelihood of kickback.
- For the riving knife and anti-kickback device to work, they must be engaged in the workpiece. The riving knife and anti-kickback device are ineffective when cut-ting workpieces that are too short to be engaged with the riving knife and anti-kickback device. Under these conditions a kickback cannot be prevented by the riving knife and antikickback device.
- Use the appropriate saw blade for the riving knife. For the riving knife to function properly, the saw blade diameter must match the appropriate riving knife and the body of the saw blade must be thinner than the thickness of the riving knife and the cutting width of the saw blade must be wider than the thickness of the riving knife.
CUTTING PROCEDURES WARNINGS
- DANGER: Never place your fingers or hands in the vicinity or in line with the saw blade. A moment of inat-tention or a slip could direct your hand towards the saw blade and result in serious personal injury.
- Feed the workpiece into the saw blade only against the direction of rotation. Feeding the workpiece in the same direction that the saw blade is rotating above the table may result in the workpiece, and your hand, being pulled into the saw blade.
- When ripping, always apply the workpiece feeding force between the fence and the saw blade. Use a push stick when the distance between the fence and the saw blade is less than 6 in. (150 mm), and use a push block when this distance is less than 2 in.(50 mm). Work helping devices will keep your hand at a safe distance from the saw blade.
ADDITIONAL SAFETY RULES
- Use only the push stick provided by the manufacturer or constructed in accordance with the instructions. This push stick provides sufficient distance of the hand from the saw blade.
- Never use a damaged or cut push stick. A damaged push stick may break causing your hand to slip into the saw blade.
- Do not perform any operation freehand. Always use either the rip fence or the miter gauge to position and guide the workpiece. Freehand means using your hands to support or guide the workpiece, in lieu of a rip fence or miter gauge. Freehand sawing leads to misalignment, binding and kickback.
- Never reach around or over a rotating saw blade. Reaching for a workpiece may lead to accidental contact with the moving saw blade.
- Provide auxiliary workpiece support to the rear and/or sides of the saw table for long and/or wide workpieces to keep them level. A long and/or wide workpiece has a tendency to pivot on the table’s edge, causing loss of control, saw blade binding and kickback.
- Feed workpiece at an even pace. Do not bend or twist the workpiece. If jamming occurs, turn the tool off im-mediately, unplug the tool then clear the jam. Jamming the saw blade by the workpiece can cause kickback or stall the motor.
- Do not remove pieces of cut-off material while the saw is running. The material may become trapped between the fence or inside the saw blade guard and the saw blade pulling your fingers into the saw blade. Turn the saw off and wait until the saw blade stops before removing mate-rial.
- Use an auxiliary fence in contact with the table top when ripping workpieces less than 1/16 in. (2 mm) thick. A thin workpiece may wedge under the rip fence and create a kickback.
KICKBACK CAUSES AND RELATED
WARNINGS
Kickback is a sudden reaction of the workpiece due to a pinched, jammed saw blade or misaligned line of cut in the workpiece with respect to the saw blade or when a part of the workpiece binds between the saw blade and the rip fence or other fixed object.
Most frequently during kickback, the workpiece is lifted from the table by the rear portion of the saw blade and is propelled toward the operator.
Kickback is the result of saw misuse and/or incorrect operating procedures or conditions and can be avoided by taking proper precautions as given below.
- When using saw on a table or workbench, stand at a 45-degree angle to the saw. Always position your body on the same side of the saw blade as the fence. Kick-back may propel the workpiece at high velocity towards anyone standing in front and in line with the saw blade.
- Never reach over or in back of the saw blade to pull or to support the workpiece. Accidental contact with the saw blade may occur or kickback may drag your fingers into the saw blade.
- Never hold and press the workpiece that is being cut off against the rotating saw blade. Pressing the workpiece being cut off against the saw blade will create a binding condition and kickback.
- Align the fence to be parallel with the saw blade. A misaligned fence will pinch the workpiece against the saw blade and create kickback.
- Use a featherboard to guide the workpiece against the table and fence when making non-through cuts such as rabbeting, dadoing or resawing cuts. A featherboard helps to control the workpiece in the event of a kickback.
- Support large panels to minimise the risk of saw blade pinching and kickback. Large panels tend to sag under their own weight. Support(s) must be placed under all portions of the panel overhanging the table top.
- Use extra caution when cutting a workpiece that is twisted, knotted, warped or does not have a straight edge to guide it with a miter gauge or along the fence. A warped, knotted, or twisted workpiece is unstable and causes misalignment of the kerf with the saw blade, bind-ing and kickback.
- Never cut more than one workpiece, stacked verti-cally or horizontally. The saw blade could pick up one or more pieces and cause kickback.
- When restarting the saw with the saw blade in the workpiece, centre the saw blade in the kerf so that that the saw teeth are not engaged in the material. If the saw blade binds, it may lift up the workpiece and cause kickback when the saw is restarted.
- Keep saw blades clean, sharp, and with sufficient set. Never use warped saw blades or saw blades with cracked or broken teeth. Sharp and properly set saw blades minimise binding, stalling and kickback.
FLOORING SAW OPERATING PROCEDURE WARNINGS
- Turn off the flooring saw and disconnect the power cord or remove battery pack when removing the table insert, changing the saw blade or making adjustments to the riving knife, antikickback device or saw blade guard, and when the machine is left unattended. Pre-cautionary measures will avoid accidents.
- Never leave the flooring saw running unattended. Turn it off and don’t leave the tool until it comes to a com-plete stop. An unattended running saw is an uncontrolled hazard.
- Locate the flooring saw in a well-lit and level area where you can maintain good footing and balance. It should be installed in an area that provides enough room to easily handle the size of your workpiece. Cramped, dark areas, and uneven slippery floors invite accidents.
- Frequently clean and remove sawdust from around the saw table and/or the dust collection device. Ac-cumulated sawdust is combustible and may self-ignite.
- Remove tools, wood scraps, etc. from the table before the flooring saw is turned on. Distraction or a potential jam can be dangerous.
- Always use saw blades with correct size and shape (diamond versus round) of arbor holes. Saw blades that do not match the mounting hardware of the saw will run off-centre, causing loss of control. The maximum blade capacity of your saw is 5-1/2 in.
- Never use damaged or incorrect saw blade mounting means such as flanges, saw blade washers, bolts or nuts. These mounting means were specially designed for your saw, for safe operation and optimum performance.
- Make sure that the saw blade is installed to rotate in the proper direction. Do not use grinding wheels, wire brushes, or abrasive wheels on a flooring saw. Improper saw blade installation or use of accessories not recommended may cause serious injury.
SYMBOLS
| The following signal words and meanings are intended to explain the levels of risk associated with this product. | ||
| SYMBOL | SIGNAL | MEANING |
| DANGER: | Indicates a hazardous situation, which, if not avoided, will result in death or serious injury. | |
| WARNING: | Indicates a hazardous situation, which, if not avoided, could result in death or serious injury. | |
| CAUTION: | Indicates a hazardous situation, that, if not avoided, may result in minor or moderate injury. | |
| CAUTION: | (Without Safety Alert Symbol) Indicates information considered important, but not related to a potential injury (e.g. messages relating to property damage). | |
Some of the following symbols may be used on this tool. Please study them and learn their meaning. Proper interpretation
of these symbols will allow you to operate the tool better and safer.
| Safety Alert | Indicates a potential personal injury hazard. | |
| Read Operator’s Manual | To reduce the risk of injury, user must read and understand operator’s manual before using this product. | |
| Eye Protection | Always wear eye protection with side shields marked to comply with ANSI Z87.1. | |
| No Hands Symbol | Failure to keep your hands away from the blade will result in serious personal injury. | |
| Wet Conditions Alert | Do not expose to rain or use in damp locations. | |
| V | Volts | Voltage |
| A | Amperes | Current |
| Hz | Hertz | Frequency (cycles per second) |
| min | Minutes | Time |
| Direct Current | Type or a characteristic of current | |
| no | No Load Speed | Rotational speed, at no load |
| …/min | Per Minute | Revolutions, strokes, surface speed, orbits, etc., per minute |
GLOSSARY OF TERMS
Anti-Kickback Pawls (flooring, radial arm, and table saws) A device which, when properly installed and maintained, is designed to stop the workpiece from being kicked back toward the front of the saw during a ripping operation.
Arbor
The shaft on which a blade or cutting tool is mounted.
Bevel Cut
A cutting operation made with the blade at any angle other than 90° to the table surface.
Compound Cut
A cross cut made with both a miter and a bevel angle.
Cross Cut
A cutting or shaping operation made across the grain or the width of the workpiece.
Cutterhead (planers and jointer planers)
A rotating cutterhead with adjustable blades or knives. The blades or knives remove material from the workpiece.
Dado Cut
A non-through cut which produces a square-sided notch or trough in the workpiece (requires a special blade).
Featherboard
A device used to help control the workpiece by holding it securely against the table or fence during any ripping operation.
FPM or SPM
Feet per minute (or strokes per minute), used in reference to blade movement.
Freehand
Performing a cut without the workpiece being guided by a fence, miter gauge, or other aids.
Gum
A sticky, sap-based residue from wood products.
Heel
Alignment of the blade to the fence.
Kerf
The material removed by the blade in a through cut or the slot produced by the blade in a non-through or partial cut.
Kickback
A hazard that can occur when the blade binds or stalls, throwing the workpiece back toward operator.
Miter Cut
A cutting operation made with the workpiece at any angle to the blade other than 90°.
Non-Through Cuts
Any cutting operation where the blade does not extend completely through the thickness of the workpiece.
Pilot Hole (drill presses)
A small hole drilled in a workpiece that serves as a guide for drilling large holes accurately.
Push Blocks (jointer planers)
Device used to feed the workpiece over the jointer planer cutterhead during any operation. This aid helps keep the operator’s hands well away from the cutterhead.
Push Blocks (flooring and table saws)
Device used to hold the workpiece during cutting opera-tions. This aid helps keep the operator’s hands well away from the blade.
Push Sticks (flooring and table saws)
Device used to push the workpiece during cutting operations. A push stick should be used for narrow ripping operations. The aid helps keep the operator’s hands well away from the blade.
Resaw
A cutting operation to reduce the thickness of the workpiece to make thinner pieces.
Resin
A sticky, sap-based substance that has hardened.
Revolutions Per Minute (RPM)
The number of turns completed by a spinning object in one minute.
Ripping or Rip Cut
A cutting operation along the length of the workpiece.
Riving Knife/Spreader/Splitter (flooring and table saws) A metal piece, slightly thinner than the blade, which helps keep the kerf open and also helps to prevent kickback.
Saw Blade Path
The area over, under, behind, or in front of the blade. As it applies to the workpiece, that area which will be or has been cut by the blade.
Set
The distance that the tip of the saw blade tooth is bent (or set) outward from the face of the blade.
Snipe (planers)
Depression made at either end of a workpiece by cutter blades when the workpiece is not properly supported.
Through Sawing
Any cutting operation where the blade extends completely through the thickness of the workpiece.
Throw-Back
The throwing back of a workpiece usually caused by the workpiece being dropped into the blade or being placed inadvertently in contact with the blade.
Workpiece or Material
The item on which the operation is being done.
Worktable
Surface where the workpiece rests while performing a cutting, drilling, planing, or sanding operation.
FEATURES
PRODUCT SPECIFICATIONS
- Blade Diameter ……………………………………………… 5-1/2 in.
- Blade Arbor …………………………………………………….. 3/8 in.
- Rip Capacity ………………………………………………………..8 in.
- Miter Capacity …………………………10 in. at 45° / 15 in. at 0°
- Cross Cut Capacity ………………………………….10 in. / 15 in.
- Maximum Cutting Depth …………………………………….3/4 in.
- Input ………………………………………………………….18 Volt DC
- No Load Speed ………………………………….6000/min. (RPM)
KNOW YOUR FLOORING SAW
The safe use of this product requires an understanding of the information on the tool and in this operator’s manual as well as a knowledge of the project you are attempting. Before use of this product, familiarize yourself with all operating features and safety rules.
5-1/2 in. BLADE
A 5-1/2 in. blade is included with the saw. It will cut materials up to 3/4 in. thick.
WARNING:
Do not use blades rated less than the speed of this tool. Failure to heed this warning could result in personal injury.
ANTI-KICKBACK PAWLS (FOR USE WITH RIP CUTS)
Kickback is a hazard in which the workpiece is thrown back toward the operator. The teeth on the anti-kickback pawls point away from the workpiece. If the workpiece should be pulled back toward the operator, the teeth dig into the workpiece to help prevent or reduce the possibility of kick-back.
BLADE GUARD
Always keep the blade guard down and over the saw blade for all cuts.
BLADE WRENCH STORAGE
A blade wrench is packed with the saw. One end of the wrench is a Phillips screwdriver and the other end is a hex key. Use the hex key when installing or removing blade and the phillips when removing or loosening screws. A storage area for the blade wrench is located under the saw’s table.
CARRYING HANDLE
For convenience when carrying or transporting the saw from one place to another, a carrying handle has been provided on the side of the saw.
DUST BAG /DUST EXHAUST OUTLET
A dust exhaust outlet makes dustless cutting possible by blowing the dust away from the user. A dust bag is provided to attach to the dust exhaust outlet or the outlet can be con-nected to a dust collection system or 2-1/4 in. (57.15 mm) shop vacuum hose.
FENCE LOCK KNOB
With the locator pin in place, the fence lock knob locks the fence to the table at the desired cutting angle.
MITER/CROSS CUT FENCE
The miter/cross cut fence attaches to the saw table and is used for straight or angled cuts. It is stored on the underside of the saw table.
RIP CUT FENCE
The rip fence attaches to the table and is used for straight cuts. It is stored on the underside of the saw table.
RIP GROOVE
The rip fence guide pins ride in the rip groove on the saw table to secure the fence in place when making rip cuts.
RIVING KNIFE
A metal piece, slightly thinner than the saw blade which helps keep the kerf open and prevent kickback.
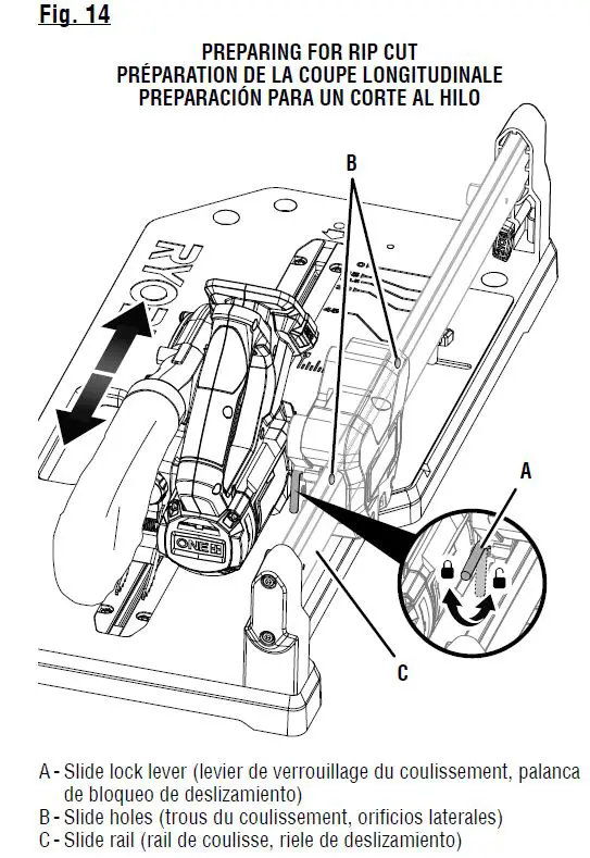
SLIDE LOCK LEVER
The slide lock lever locks and unlocks the sliding feature of this tool.
SPINDLE LOCK BUTTON
The spindle lock button locks the spindle and stops the blade from rotating. Depress and hold the lock button while installing, changing, or removing blade.
SWITCH TRIGGER
The saw will not start until you depress the trigger lockout lever and squeeze the switch trigger. To prevent unauthor-ized use of the flooring saw, remove the battery and lock the switch in the off position. To lock the switch, install a padlock (not included) through the hole in the switch trigger and make certain the switch is inoperable.
ASSEMBLY
PACKING LIST

The following items are included with the saw:
- Key No. /Description /Qty.
- A/Miter/Cross Cut Fence ………………………………….1
- B/Fence Lock Knob …………………………………………2
- C/Dust Bag ……………………………………………………..1
- D/Rip Cut Fence ………………………………………………1
- E/Push Stick …………………………………………………..1
- F/Work Clamp …………………………………………………1
- G/Combination Wrench …………………………………….1
- H/Extra 5/8” Arbor Spacer ……………………………….1
- Operator’s Manual (not shown) ………………………1
UNPACKING
This product ships completely assembled.
- Carefully lift saw from carton and place on a level work surface.
WARNING:
Do not use this product if it is not completely assembled or if any parts appear to be missing or damaged. Use of a product that is not properly and completely assembled or with damaged or missing parts could result in serious personal injury. - Inspect the tool carefully to make sure no breakage or damage occurred during shipping.
- Do not discard the packing material until you have care-fully inspected and satisfactorily operated the product.
- The saw is factory set for accurate cutting. After assem-bling it, check for accuracy. If shipping has influenced the settings, take to an authorized service center.
- If any parts are damaged or missing, please call 1- 800-525-2579 for assistance.
WARNING:
- If any parts are damaged or missing do not operate this product until the parts are replaced. Use of this product with damaged or missing parts could result in serious personal injury.
- Do not attempt to modify this product or create acces-sories not recommended for use with this tool. Any such alteration or modification is misuse and could result in a hazardous condition leading to possible serious personal injury.
- When using saw on a table or workbench, stand at a 45 degree angle to the saw. Do not allow hands to come closer than 4 in. (100 mm) to the blade. Do not reach over or across the blade. Failure to heed this warning can result in serious personal injury.
- The saw ships with both fences installed on the saw table, however when using the saw, only one fence can be used at a time. Do not use both fences at the same time.
OPERATION
MOUNTING HOLES
The saw can be mounted to a firm supporting surface such as a workbench or mounting boards, if desired. The saw base has four mounting holes for this purpose. Trace mounting holes onto mounting surface as shown. Secure using bolts and washers (not included). Bolts should be of sufficient length to accommodate the saw base, washers, and the thickness of the workbench or mounting board. Tighten bolts securely.
Carefully check the workbench after mounting to make sure that no movement can occur during use. If any tipping, slid-ing, or walking is noted, secure the workbench to the floor before operating.
WORK CLAMP
WARNING:
In some operations, the work clamp assembly may interfere with the operation of the blade guard assembly. Always make sure there is no interference with the blade guard prior to beginning any cutting operation to reduce the risk of serious personal injury.
The work clamp provides greater control by clamping the workpiece to the fence or the saw table. It also prevents the workpiece from creeping toward the saw blade. This is very helpful when cutting miters. Depending on the cutting operation and the size of the workpiece, it may be neces-sary to use a C-clamp or other suitable clamp instead of the work clamp to secure the workpiece prior to making the cut.
To install the work clamp:
- Remove the battery pack.
- Align the work clamp shaft in the corresponding hole lo-cated at the end of the saw table. Clamp will only install in one position.
- Rotate the work clamp knob to move it up or down as needed to secure the workpiece.
To use the work clamp:
- With fence mounted to the flooring saw (see instructions below), place the workpiece firmly against the fence.
- Rotate the knob on the work clamp to move the clamp up or down as needed. Do not overtighten.
- Use the adjusting knob to adjust the length or rotation of the clamp.
TO INSTALL FENCE FOR MAKING MITER / CROSS CUTS


- Remove the battery pack.
- Remove fence lock knob from slide rail.
- Install fence.
- Place the fence lock knob into the miter groove and the locator pin (under center of fence) in the anchor hole.
- Slide the adjusting clamp along the miter groove until reaching the desired angle.
- Insert the work clamp through the hole in the miter fence and into the hole on the table. Do not tighten clamp knob.
- Tighten the fence lock knob to secure the miter fence.
- Tighten the clamp knob securely to the work piece.
TO INSTALL FENCE FOR MAKING RIP CUTS

- Remove the battery pack.
- Remove fence lock knob and washer from slide rail.
- With the fence parallel to the saw table, place the locator pins in the right groove of the saw table and the left side of the fence in the left groove of the saw table.]
- Slide the adjusting clamp along the rip groove until reach-ing the desired distance for the cut.
- Place the fence lock knob into the corresponding hole of the saw table.
- Using the scales on the saw table, check that both the left and right sides of the fence are the same distance from the blade so the fence is squared to the blade.
- Tighten the fence lock knob and washer to secure the miter fence.
- Tighten the clamp knob securely to the work piece.
TO USE THE DUST BAG
- Remove the battery pack.
- Slide dust bag onto dust exhaust port.
WARNING:
Collected dust from surface coatings such as polyure-thanes, linseed oil, etc., can self-ignite in the dust bag or elsewhere and cause fire. To reduce the risk of fire, always empty the dust bag frequently (10-15 minutes) and never store or leave the tool without totally emptying its dust bag. Also follow the recommendations of the coatings manufacturers.
TO USE WITH A SHOP VACUUM OR DUST COLLECTION SYSTEM
You can easily attach a shop vacuum or dust collection system to the saw.
To attach:
- Remove the battery pack.
- Remove dust bag from saw.
- Attach vacuum hose to dust exhaust port.
OPERATION
WARNING:
- When not connected to vacuum, always install the dust bag back on saw. Failure to do so could cause dust or foreign objects to be thrown into the face or eyes which could result in possible serious injury.
- Do not allow familiarity with tools to make you care-less. Remember that a careless fraction of a second is sufficient to inflict serious injury.
- Always wear eye protection with side shields marked to comply with ANSI Z87.1. Failure to do so could result in objects being thrown into your eyes, resulting in possible serious injury.
- Do not use any attachments or accessories not recommended by the manufacturer of this tool. The use of attachments or accessories not recommended can result in serious personal injury.
APPLICATIONS
This product has been designed only for the purpose listed below:
- Cutting laminate, engineered LVT, and solid, hardwood flooring material up to 3/4 in. thick
WARNING:
NEVER make adjustment to any cutting angle while the saw is running and the blade is rotating. Any slip can result in contact with the blade causing serious personal injury.
INSTALLING/REMOVING THE BATTERY PACK
- Insert the battery pack into the product as shown.
- Make sure the latches on each side of the battery pack snap in place and that battery pack is secured in the product before beginning operation.
WARNING:
Always remove battery pack from your tool when you are assembling parts, making adjustments, cleaning, transporting, or when not in use. Removing battery pack will prevent accidental starting that could cause serious personal injury. - Depress the latches to remove the battery pack.
For complete charging instructions, see the operator’s manu-als for your battery pack and charger.
AVOIDING KICKBACK
- Inspect the work for knots or nails before beginning a cut. Knock out any loose knots with a hammer. Never saw into a loose knot or nail.
- Always use the fence when rip cutting. This helps prevent twisting the wood in the cut.
- Always use clean, sharp, and properly set blades. Never make cuts with dull blades.
- To avoid pinching the blade, support the work properly before beginning a cut.
- When making a cut, use steady, even pressure. Never force cuts.
- Do not cut wet or warped lumber.
- Use extra caution when cutting some prefinished or composition wood products as the anti-kickback pawls may not always be effective.
- Always guide your workpiece with both hands or with push sticks and/or push blocks. Keep your body in a balanced position to be ready to resist kickback should it occur. Never stand directly in line with the blade.
- Clean the saw, blade guard, under the throat plate, and any areas where saw dust or scrap workpieces may gather.
- Use the right type of blade for the cut being made.
- Always use the riving knife for every operation where it is allowed. The use of this device will greatly reduce the risk of kickback.
STARTING/STOPPING THE SAW

To start the saw:
- Depress the lock-out lever.
- Depress the switch trigger.
Always let the blade reach full speed, then guide the saw into the workpiece. - For rip cuts, engage the lock-on feature by depressing the lock-on button and switch trigger. Push in and hold the lock-on button located on the side of the handle, then release the switch trigger.
WARNING:
- The blade coming in contact with the workpiece before it reaches full speed could cause the saw to “kickback” towards you resulting in serious injury.
- To stop the saw: release the switch trigger.
- After you release the switch trigger, allow the blade to come to a complete stop. Do not remove the saw from the workpiece while the blade is moving.
- To lock the saw:
- Install a padlock (not included) through the hole in the switch trigger and make certain the switch is inoperable. If the switch is still operable with the padlock installed, a padlock with a larger shackle diameter must be used. Store the padlock key in another location.
TO RAISE AND LOWER ANTI-KICKBACK PAWLS

The anti-kickback pawls are spring-loaded and very sharp. Use only one finger to raise or lower these pawls while care-fully keeping all body parts away from the sharp points of the pawls.
- Rotate anti-kickback release knob counterclockwise to loosen.
- From behind the saw, place one finger under the anti-kickback pawls.
- Raise or lower to adjust the height of the anti-kickback pawls based on the thickness of the material to be cut.
- Rotate anti-kickback release knob clockwise to tighten.
- When cross cutting, lift the anti-kickback pawls using the knob to ensure no interference with the workpiece during operation.
MAKING CUTS
This saw can perform a variety of cuts that are not all men-tioned in this manual. DO NOT attempt to make any cuts not covered here unless you are thoroughly familiar with the proper procedures and necessary accessories. Your local library has many books on saw usage and specialized woodworking procedures for your reference.
The blade provided with your saw is a high-quality combi-nation blade suitable for ripping and cross cut operations. Carefully check all setups and rotate the blade one full revolution to assure proper clearance before connecting saw to power source.
WARNING:
Do not use blades rated less than the speed of this tool. Failure to heed this warning could result in personal injury.
WARNING:
Always keep hands and body out of the path of the saw blade. Failure to heed this warning could result in per-sonal injury.
TO MAKE A CROSS-CUT
A cross cut is made by cutting across the width of the workpiece.
- Remove the battery pack.
- Remove the work clamp from its storage area under the saw table.
- Install the work clamp on the fence (see To Install The Work Clamp earlier in this manual).
- Place the miter fence in the cross cut position (see To Install Fence For Making Miter / Cross Cuts earlier in this manual) and set at 0°. Tighten the clamp knob securely.
- Lower the slide lock lever and push the saw to the rear of the saw table.
- Place the workpiece flat on the saw table with one edge securely against the fence.
- Align cutting line on the workpiece with the edge of saw blade. Use the work clamp to secure the workpiece. Do not overtighten.
- Insert battery in the saw.
- Disengage the anti-kickback pawls.
- Make sure the wood is clear of the blade before turning on the saw.
NOTE: Raise the anti-kickback pawls when making cross cuts or miter cuts. - Lower the anti-kickback pawls (see To Raise and Lower Anti-Kickback Pawls earlier in this manual).
- Grasp the saw handle firmly. Depress the trigger lockout lever and squeeze the switch trigger.
- Allow several seconds for the blade to reach maximum speed before feeding the workpiece into the blade.
- Slowly push the blade into and through the workpiece.
- When the cut is made, release the switch trigger. Wait for the blade to come to a complete stop before removing the workpiece.
TO MAKE A MITER CUT
Miter cuts are made with the fence set at some angle other than 0°.
- Remove the battery pack.
- Remove the work clamp from its storage area under the saw table.
- Install the work clamp on the fence (see To Install The Work Clamp earlier in this manual).
- Place the miter fence in the miter cut position (see To Install Fence For Making Miter / Cross Cuts earlier in this manual) and the fence to the desired angle. Tighten the clamp knob securely.
- Lower the slide lock lever and push the saw to the rear of the saw table.
- Place the workpiece flat on the saw table with one edge securely against the fence.
- Align cutting line on the workpiece with the edge of saw blade. Use the work clamp to secure the workpiece. Do not overtighten.
- Insert battery in the saw.
- Disengage the anti-kickback pawls.
- Make sure the wood is clear of the blade before turning on the saw.
NOTE: Raise the anti-kickback pawls when making cross cuts or miter cuts. - Lower the anti-kickback pawls (see To Raise and Lower Anti-Kickback Pawls earlier in this manual).
- Grasp the saw handle firmly. Depress the trigger lockout lever and squeeze the switch trigger.
- Allow several seconds for the blade to reach maximum speed.
- Slowly push the blade into and through the workpiece.
- When the cut is made, release the switch trigger. Wait for the blade to come to a complete stop before removing the workpiece.
TO MAKE A RIP CUT

WARNING:
Risk of Laceration. Only use the lock-on feature of the saw when making rip cuts. Using this feature in any other cutting mode may result in serious personal injury.
Rip cuts are made with the saw locked in place. If the fence isn’t properly squared to the blade, the cut edges of the workpiece may blacken or scorch.
- Remove the battery pack.
- Remove the fence from its storage area under the saw table.
- Place the fence in the rip cut position (see To Install Fence For Making Rip Cuts earlier in this manual) the desired distance from the blade for the cut. Tighten the clamp knob securely.
- Lower the slide lock lever and push or pull the saw on the sliding rail until the lock pin and one of the two holes in the rail are aligned.
- Lift the slide lock lever to lock the saw to the rail.
- Make sure that the fence is parallel to the blade by mak-ing a measurement from the fence to the front and rear of the blade to ensure the distances are equal.
- Insert battery in the saw.
- Engage the lock-on feature.
- Make sure the wood is clear of the blade before turning on the saw.
- Turn the saw on by depressing the trigger lockout lever and squeezing the switch trigger.
NOTE: This saw is equipped with a lock-on feature to be used only for continuous rip cutting or for extended periods of time. To engage the lock-on feature, depress the lock-on button and switch trigger. Push in and hold the lock-on button located on the side of the handle, then release the switch trigger. Release the lock-on button and the saw will continue to run. To release the lock-on feature, depress the switch trigger and release. - Place the workpiece flat on the saw table with one edge securely against the fence.
- Align the cutting line on the workpiece with the indicator.
- Allow several seconds for the blade to reach maximum speed before feeding the workpiece into the blade.
- Using the included push stick, slowly feed the workpiece toward the blade. Stand slightly to the side of the wood as it contacts the blade to reduce the chance of injury should kickback occur.
- When ripping a long workpiece, place a support the same height as the table surface in front of and behind the saw to support the workpiece.
- Once the blade has made contact with the workpiece, use the hand closest to the fence to guide it. Make sure the edge of the workpiece remains in solid contact with both the fence and the surface of the table. Use a push stick and/or push blocks to move the piece through the cut and past the blade.
- When the cut is made, disengage the switch trigger. Wait for the blade to come to a complete stop before removing the workpiece.
TO STORE ACCESSORIES
The saw has a convenient storage area specifically designed for the push stick, rip fence, miter fence and the blade wrenches (under the saw table).
To store the push stick:
- With battery removed, tilt the saw table back.
- Place the large holes in the push stick over the screws.
- Slide the push stick to the left to secure on the screws. To store the rip fence and miter fence:
- With battery removed, tilt the saw table back.
- With locator pins facing outward, slide both ends of each fence into the rubber slots on the bottom of the saw.
To store the blade wrench:
- With battery removed, tilt the saw table back.
- Push the blade wrenches into the storage slot on the bottom of the saw.
TO MOVE THE SAW
When transporting the saw, always lock the saw to prevent the saw arm from moving on the sliding rails.
- Remove the battery pack.
- Push or pull the saw on the sliding rails until the lock pin and hole in the rail are aligned.
- Lift the slide lock lever to lock the saw in place.
- Lift the saw by the carrying handle to transport.
MAINTENANCE
WARNING:
- When servicing, use only identical replacement parts. Use of any other parts may create a hazard or cause product damage.I
- Always wear eye protection with side shields marked to comply with ANSI Z87.1 during product operation. If operation is dusty, also wear a dust mask.
- Before performing any maintenance, make sure the bat-tery pack is removed from the tool. Failure to heed this warning could result in serious personal injury.
GENERAL MAINTENANCE
Avoid using solvents when cleaning plastic parts. Most plastics are susceptible to damage from various types of commercial solvents and may be damaged by their use. Use clean cloths to remove dirt, dust, oil, grease, etc.
WARNING:
Do not at any time let brake fluids, gasoline, petroleum-based products, penetrating oils, etc., come in contact with plastic parts. Chemicals can damage, weaken, or destroy plastic which may result in serious personal injury.
- Periodically check all clamps, nuts, bolts, and screws for tightness and condition. Make sure the throat plate is in good condition and in position.
- Check the blade guard.
- Clean the fence and rails with a gum and pitch remover.
- Clean plastic parts only with a soft damp cloth. DO NOT use any aerosol or petroleum solvents.
LUBRICATION
All of the bearings in this tool are lubricated with a sufficient amount of high grade lubricant for the life of the unit under normal operating conditions.
Some areas will require lubrications. You will need to apply:
- Light oil or a pressurized light spray oil to the sliding rails.
TO REPLACE THE BLADE

WARNING:
A 5-1/2 in. blade is the maximum blade capacity of the Larger blades will come in contact with the blade guard, while thicker blades may not allow the riving knife to ef-fectively reduce the risk of kickback. Either of these situ-ations could result in a serious accident and can cause serious personal injury.
- Remove the battery pack.
- Loosen the screws on the blade guard door.
- Open blade guard door to expose the blade bolt.
- Depress the spindle lock button and rotate the blade bolt until the spindle locks.
- Using the blade wrench provided, loosen and remove the blade bolt.
NOTE: The blade bolt has left hand threads. Turn blade bolt clockwise to loosen. - Remove the outer blade washer. Do not remove the inner blade washer.
WARNING:
If the inner blade washer has been removed, replace it before placing blade on saw. Failure to do so could cause an accident since blade will not tighten properly.\ - Fit saw blade inside blade guard and onto spindle. The blade teeth point upward as shown.
NOTE: Kerf must be a minimum of 3/32 in. - Replace the outer blade washer. Double “D” flats on blade washers align with flats on spindle.
- Depress spindle lock button and replace blade bolt.
CAUTION:
Always install the blade with the blade teeth and the arrow printed on the side of the blade pointing up at the front of the saw. - Tighten blade bolt securely.
NOTE: The blade bolt has left hand threads. Turn blade bolt counterclockwise to tighten. - Close blade bolt door and tighten the screws securely.
TO REMOVE / REPLACE THE THROAT PLATE
WARNING:
The throat plate must be below the saw table. If the throat plate is too high or too low, the workpiece can catch on the uneven edges resulting in binding which could result in serious personal injury.
Never operate the saw without a throat plate installed.
To remove / replace:
- Remove the battery pack.
- Remove the screws securing the throat plate.
- Lift the throat plate from the saw. Repeat the above steps for the left side of the throat plate.
- To reinstall the throat plate, align the holes in the throat plate with the holes in the saw base.
- Retighten the screws, being careful not to overtighten which can cause the throat plate to bow or bend.
TO ADJUST LOWER ROLLER
- Loosen both nuts on lower roller.
- Move the bolt that secures the roller. in or out to adjust the saw until it is square to the saw table.
TO ADJUST THE SLIDE RAIL
The slide rail should travel the entire length of the saw as-sembly and be perpendicular to the fences.
- Use the two oval slots on the underside of the rail mounts located under the saw to adjust the slide rail so that it is square to the fences.
- Use a framing square to align the blade to the miter/cross cut fence at a 90° angle.
ACCESSORIES
The following recommended accessories are currently available at retail stores:
Saw Blade ……………………………………………………………………………………………………………………………………. 089230100053
WARNING:
Current attachments and accessories available for use with this tool are listed above. Do not use any attachments or ac-cessories not recommended by the manufacturer of this tool. The use of attachments or accessories not recommended can result in serious personal injury.
NOTE: ILLUSTRATIONS BEGIN ON PAGE 19
AFTER FRENCH AND SPANISH LANGUAGE SECTIONS.
To request service, purchase replacement parts,
locate an Authorized Service Center or obtain Customer or Technical Support:
Visit: www.ryobitools.com or call 1-800-525-2579
If any parts or accessories are damaged or missing, do not return this product to the store. Call 1-800-525-2579 for immediate service.
Please obtain your model and serial number from the product data plate.
This product is covered under a 3-year limited Warranty. Proof of purchase is required.
MODEL NUMBER* _______________ SERIAL NUMBER ____________________________
Model number on product may have additional letters at the end. These letters designate manufacturing information and should be provided when calling for service.
RYOBI is a registered trademark of Ryobi Limited and is used pursuant to a license granted by Ryobi Limited.
















