ATV TRAILER KIT
Instruction Manual
DO NOT RETURN TO STORE. CALL
CHAPIN CUSTOMER SERVICE:
800-950-4458
www.chapinmfg.com
97761 ATV Trailer Kit
WARNING
Carefully Read These Instructions Before Use
Contents:
Trailer Hardware (Actual size)

Trailer Components (Not Actual size)


Note: Not all components shown may be needed on your model
Boom Kit Hardware (Actual size)


Boom Kit Components (Not Actual size)


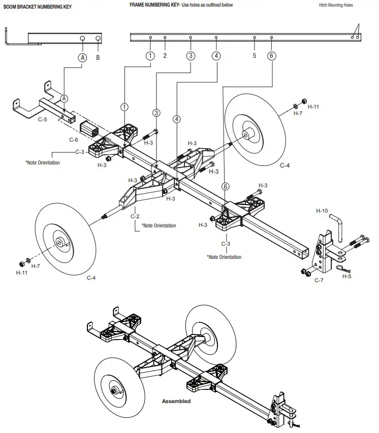
TRAILER ASSEMBL
15 GALLON TRAILER ASSEMBLY INSTRUCTIONS
NOTE: If accompanying sprayer is a 15 gallon tank, continue with below instructions. If 25 gallon go to page 5.

25 GALLON TRAILER ASSEMBLY INSTRUCTIONS

15 and 25 Gallon

NOTE: Do not over tighten bolts. Tighten bolts to point where lock washer is visibly squeezed, but no more. Over-tightening can lead to assembly failure.
15 and 25 Gallon
Install upper boom bracket (C-1) with boom anchor bracket screws (H-9).

15 and 25 Gallon
Install boom (C-10) to vertical bracing bars (C-9) using supplied bolts (H-12) and nuts (H-14). From the top, insert boom’s bracing bars (C-9) through the upper boom bracket (C-1); then proceed to secure the bracing bars (C-9) to the bottom support bracket (C-5) using H-12 and C-5 nuts and bolts.

FINAL ASSEMBLED UNIT
Attach boom to output manifold (location may vary per model) per threaded coupling.

Note: 25 gallon sprayer shown. Accessories and features may vary depending on model.
REPLACEMENT PARTS

| Ref.# | Qty | Part No | Description |
| 1 | 1 | Jun-23 | Tire and Hardware Kit |
| 2 | 1 | Jun-24 | Hitch Kit |
| 3 | 1 | Jun-72 | Trailer Hardware kit |
| 4 | 1 | Jun-05 | Hose, Rubber, 3/8” |
| 5 | 1 | Jun-00 | Hardware Bag, with nozzle |
| 6 | 2 | Jun-99 | Upright Attachment Bracket |
| 7 | 1 | Jun-97 | Frame Kit |
| 8 | 1 | Jun-98 | Swivel Nut |
CHAPIN CUSTOMER SERVICE: 800-950-4458
www.chapinmfg.com
CHAPIN INTERNATIONAL, INC. P.O. BOX 549 700 ELLICOTT ST. BATAVIA, NY 14021-0549

















