enginko MCF-LW13IO LoRaWAN Wireless Actuator Instruction Manual
Important safety information
Read this manual before attempting to install the device! Failure to observe recommendations included in this manual may be dangerous or cause a violation of the law. The manufacturer will not be held responsible for any loss or damage resulting from not following the instructions of this operating manual.
- Do not dismantle or modify in any way.
- Avoid mechanical stress
- Do not use any detergent or alcohol to clean the device.
- Do not mount in horizontal position.
Disposal information for users
Pursuant to and in accordance with Article 14 of the Directive 2012/19/EU of the European Parliament on waste electrical and electronic equipment (WEEE).

The barred symbol of the rubbish bin shown on the equipment indicates that, at the end of its useful life, the product must be collected separately from other waste.
Description
The MCF-LW13IO is a LoRaWAN® actuator that allows to switch ON and OFF a 230Vac~, 8A load. It also reads the status of a 230Vac~ input. This device can transmit the status of its input and control the output through the LoRaWAN® network. It can be used for industrial process control and home automation, water treatment, agriculture irrigation and similar applications. Input can be used as pulse counter.

Overview
Technical data
- CPU Cortex M0+
- EEProm 32KB
- Flash 64KB
- Real time clock
- Encryption AES 128 bit
- Class C LoRaWAN® stack EU868, AS923, AU915, US915
- EU868 version CE certified according to 2014/53/EU – Radio
- Equipment Directive (RED)
- US915 version FCC compliant
- Transmission band (EU version): 868 MHz
- Transmission Power (EU version): 14dBm max
- Power supply 110÷230Vac~ 50/60 Hz
- Power consumption 1W
- 1 opto-isolated input, 230Vac
- 1 relay output with COM, NO, NC contacts, 8A@230Vac~
- NFC for node setup ad FW upgrade
- Storage temperature range -20°C ÷+80°C
- Working temperature range -10°C ÷+70°C
- Dimension: 58x44x25mm

Installation
The installation has to be done by a qualified electrician.
The device is intended as subassembly (component).
It is responsibility of the assembler of equipment incorporating to ensure that the overall equipment is safe.
The MCF-LW13IO must be mounted in vertical position.
Please refer to following connections:
| Name | Description |
| L LINE | Device power supply: 110÷230Vac~ Live |
| N LINE | Device power supply: 110÷230Vac~ Neutral |
| L IN | Digital Input monitor: 110÷230Vac~ Live |
| N IN | Digital Input monitor: 110÷230Vac~ Neutral |
| C | Terminal for Common contact |
| Name | Description |
| NC | Terminal for Normally Close contact |
| NO | Terminal for Normally Open contact |
Caution: NIN and NLINE are internally connected.
The device must be placed where the LoRaWAN® signal coverage is good (SF = 7 optimal, SF = 12 weak).
Power supply
Connect the power supply to pins L LINE and N LINE. Valid range is 100Vac~ to 240Vac~ 50/60Hz.

Configuration
To deploy the sensor, download the latest LoRa Tool Android App to setup LoRaWAN® credentials and other preferences :

Move the NFC antenna of the mobile (the exact position varies depending on the model of the smartphone) to the sensor antenna, in the area shown in the figure:

To use the NFC interface, the device must be powered through terminals L LINE and N LINE. The power status is visible on the red/green led.
Always validate your settings by reading the NFC data after the sensor has restarted.
Configuration can be done only via NFC. No USB port available.
System leds
| LoRaWAN® not configured | Slow flashing | |
| Joining | Quick flashing | |
| Sending | Quick flashing | |
| Receiving | Quick flashing | |
| Steady state | Fixed | |
| Data error | Flashing 2 seconds | |
| Connection error | Flashing 1 second |
Firmware update
Download the latest firmwares available on the smartphone with LoRaTool app:



Update the sensor with LoRaTool:

During the update, do not move the smartphone untill the end message.

As default, the device sends a message every time an input or an output changes.
A downlink with new output status forces the device to send back an unplink with the new status. If the output status is the same of current one, the sensor will not send back any message.
Downlink examples (hex):
| turn ON the output: | 0400 0100 0000 0000 0000 |
| turn off the output: | 0400 0000 0000 0100 0000 |
| receive the current status: | 0400 0000 0000 0000 0000 |
Is possible to set a period (in minutes) to receive a recurrent periodic message with the I/O status.
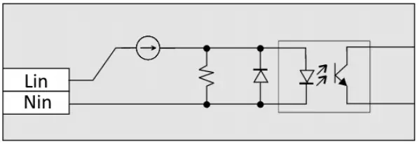
Input
| Off voltage | 0÷2Vac 50/60Hz |
| On Voltage | > 8Vac 50/60Hz |
| Maximum input voltage | 250Vac 50/60Hz |
| Input current | 3mA typ |
| Max frequency (as counter) | 2 Hz |
| Optoinsulation | NONE |

Caution: NIN and NLINE are internally connected.
Input can be used as pulse counters (see settings chapter).
Output
| Contact mode | SPDT |
| Max. power commutable | 2000VA |
| Maximum switching voltage | 250Vac~ |
| Max. current | 8A |

The output has pulse capability (minimum pulse duration is 100ms, maximum around 100 minutes), so, instead to send two different commands (one to turn on and one to turn off the ouput), is possible to send a duration command.
As application example, to safely turn on an output, send a ON-pulse command for a defined time (for example, for the maximum allowed interval), and before the expiring time, another ON-pulse command (making a kind of watchdog) if the output still needs to be ON, or a simply OFF command if you want to turn it off.
Wiring examples
Load connected to the same supply of the sensor, connected to the relay output (normally open contact):

Load connected to an auxiliary power supply (AC or DC), connected to the relay output (normally open contact), and a switch connected the digital input :

LoRaWAN® network
The sensor is compliant with LoRaWAN® specification 1.0.2, regional 1.0.2b.

Activation
The device supports the following activations on a LoRaWAN® network:
- NONE: sensor not activated
- OTAA: the JoinEUI and the AppKey not setted, must be written to the device;
- OTAA MCF88: Over the air activation, fixed keys: JoinEUI = 904e915000000003, AppKey on request;
- OTAA ENGINKO: Over the air activation, fixed keys: JoinEUI = 904e915000000003, AppKey on request;
- ABP: requires writing to the device of NwkSkey, AppSkey, DevAddr.

The device exits factory activated with NONE mode. On request devices can be shipped aleady activated.
Note: in OTAA AppKey is write only, in reading the field will always be empty, even if set.
Other settings

Network settings:
please keep “Any” settings. Change it only if Objenious network is used (default_ any).
Network type:
LoRa syncword can be setted as “private”(0x12) instead “public” (0x34), but the NS must be setted accordingly (default: public).
Band:
select the right LoRaWAN ® band settings accodingly to country requirements.

OUT:
set to force a change of the output (default: off).
DST:
set to change DST (default: none).
No time sync:
set to disable time synchronization request (default: enabled)

Normally sensor asks for a time sync at every power on (uplink starting with 01) or, if enabled, once a week.
Please check chapter 2.1 DATA FRAME FORMAT.
UnConfirmed:
set for unconfirmed uplinks (default: confirmed uplink).
Led Off:
set to disable the system leds (default: enabled).
Input counter:
set to enable the pulses counter funcion (default: disabled).
Single join/day:
set for to allow only one join per day (default: multiple join allowed).
Counters period [min]:
if counter enabled, this is the interval (in minutes) between one measure and the next one. The sensor sends one measures for every transmission. Value can be between 1 and 255 minutes (default: 0 minutes). Period interval can be set with App or with downlink command.
I/O period [min]:
if different from 0, this is the interval (in minutes) between one I/O messages status and the next one. Value can be between 1 and 255 minutes (default: 0 minutes – disabled). Period interval can be set with App or with downlink command.
Passwords
The device can be protected by passwords, to avoid unauthorized persons to read data or modify parameters.
As default passwords are equal to 0.
Allowed values range from 0 to 999999999 (only numbers).
To change the passwords, set the new values with the LoRa Tool App:

Once the passwords are setted, to gain access from LoRa Tool to the sensor, open the App:

and set the right values before reading from the device:

To bring back the sensor to factory default and reset the passwords, a reset code must be requested to enginko (please provide the DevEUI of the sensor when you ask for that code).
Configuration file
WIth LoRa Tool App is possible to configure the device using an XML file, instead to manually adjust the parameters (for details about the file format please ask to enginko). This is very useful especially in case of multiple devices configuration.
With “Save” button an XML file with the actual configuration of the sensor will be generated. This is useful to store or clone the configuration, or to send it to enginko’s support if needed.

Multi devices configuration
WIth LoRa Tool App is possible to configure many devices in an easy way.
For multi-configuration is needed at least one XML file with the parameters to set.
Settings on this file will be applied to all the sensors.
With an additional XLS file is possible to load different LoRa configuration parameters (Activation
Type, AppKey, AppEUI, NetKey, DevAddress, Band, Private option) for each sensor, based on DevEUI.
When the sensor is approached, if one parameter is different from files, the APP will ask you if you want to overwrite.
XLS is prevailing on the XML, so if both files are enabled, if the DevEUI of the device matches one of the DevEUIs in the XLS file, LoRa parameters will be setted from this one.
These configuration can be done in the in the Settings:
- Enable or disable the use of the general configuration by file;
- Enable or disable the use of the specific configuration by file;
- Verify the passwords;
- Writing the passwords.

For details on files format please ask to enginko.
LoRaWEB Tool
enginko provides, upon free registration, LoRaWEB online tool, where for each sensor it is possible to find documentation, javascript examples for parsing, downlink generator and uplink decoder: LoRaWEB Tool (iot.mcf88.cloud/LoRaWeb)

Payload
For payload descriptions, uplinks and downlinks format and available commands please refer to this document:
DATA FRAME FORMAT
Ordering code
| Code | Description |
| MCF-LW13IO | enginko LoRaWAN® wireless actuator EU863-870 |
| MCF-LW13IO-AS | enginko LoRaWAN® wireless actuator AS920-925 |
| MCF-LW13IO-US | enginko LoRaWAN® wireless actuator US902-928 |
| MCF-LW13IO-AU | enginko LoRaWAN® wireless actuator AU915-928 |
Declaration of conformity
Hereby, enginko Srl declares that MCF-LW13IO complies with the essential requirements and other relevant provisions of Directive 2014/53/EU.
FCC compliance for MCF-LW13IO-US
This device complies with part 15 of the FCC Rules. Operation is subject to the following two conditions: (1) This device may not cause harmful interference, and (2) this device must accept any interference received, including interference that may cause undesired operation.
This equipment has been tested and found to comply with the limits for a Class B digital device, pursuant to part 15 of the FCC Rules. These limits are designed to provide reasonable protection against harmful interference in a residential installation. This equipment generates, uses and can radiate radio frequency energy and, if not installed and used in accordance with the instructions, may cause harmful interference to radio communications. However, there is no guarantee that interference will not occur in a particular installation. If this equipment does cause harmful interference to radio or television reception, which can be determined by turning the equipment off and on, the user is encouraged to try to correct the interference by one or more of the following measures:
- Reorient or relocate the receiving antenna.
- Increase the separation between the equipment and receiver.
- Connect the equipment into an outlet on a circuit different from that to which the receiver is connected.
- Consult the dealer or an experienced radio/TV technician for help.
Any changes or modifications not expressly approved by the party responsible for compliance could void the user’s authority to operate this equipment.
Contains FCC ID: 2AWAL409810
Contacts
enginko Srl
Via Roma 3 I-28060 Sozzago (NO)
T : +39 0321 15 93 088
E : [email protected]
PEC: [email protected]
W: enginko.com
From:
https://www.enginko.com/support/ – e n g i n k o . s u p p o r t . c e n t e r
Permanent link:
https://www.enginko.com/support/doku.php?id=manual_mcf-lw13io
Last update: 2022/06/16 09:40
References
Home - Enginko
IoT & Wireless - ime mobile solutions GmbH +49 6821 91900
LoRaWeb
data_frame_format [e n g i n k o . s u p p o r t . c e n t e r]
wiki:manual_mcf-lw12co2e:1200px-weee_symbol_vectors.svg.png [e n g i n k o . s u p p o r t . c e n t e r]
wiki:manual_mcf-lw12co2e:g_rev0.jpg [e n g i n k o . s u p p o r t . c e n t e r]
wiki:manual_mcf-lw12co2e:gf_ev0.jpg [e n g i n k o . s u p p o r t . c e n t e r]
wiki:manual_mcf-lw12co2e:gfr_rev0.jpg [e n g i n k o . s u p p o r t . c e n t e r]
wiki:manual_mcf-lw12co2e:rf_rec0.jpg [e n g i n k o . s u p p o r t . c e n t e r]


















