pGDx 10″ Terminale utente pGDx 10” / User terminal pGDx 10″

PGB10010FA0D0
READ AND SAVE THIS INSTRUCTION
Assembly and installation
Dimensions and drilling template (in mm/inc.)
Tab.1
| MODEL | A | B | H | L | C | T |
| PGB10010FAODO | 271mm (10.66″) | 186mm (07.32″) | 197mm (07.75″) | 282mm (11.10″) | 29mm (01.14″) | 6mm (00.23″) |
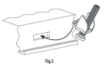
Screw each fixing screw until the bezel corner gets in contact with the panel.
Remove the protective film from the display.
Mounting
Legenda/Legende:
A. Installation cut-out
Meaning of LED on RJ45 connector

Tab.2
| Green | Yellow | |
| ON | OFF | No LAN cable connected |
| BLINK (link active) | ON | LAN cable connected with 100Mbit/s link |
| BLINK (link active) | OFF | LAN cable connected with 10Mbit/s link |
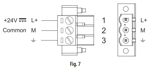
Terminals description

Tab.3
| 1 | Serial Port (functioning only in RUNTIME mode) |
| 2 | Ethernet Port |
| 3 | USB Port |
| 4 | Power Supply |
Note: use the USB port only for Service.
RS422 and RS485 serial port

Tab.4
| Pin | Description |
| 1 | GND |
| 2 | |
| 3 | CHA- |
| 4 | CHB- |
| 5 | |
| 6 | +5V output |
| 7 | CHB+ |
| 8 | CHA+ |
| 9 |
Power supply, grounding and shielding
La morsettiera dell’alimentazione è mostrata nella figura.
Connettore CC – cavo AWG24 – morsettiere R/C (XCFR2), femmina passo 5,08 mm, coppia 4,5 lb-in
The power supply terminal block is shown in figure.
DC Power Connector – AWG24 wire size – R/C Terminal Blocks (XCFR2), Female pitch 5.08mm, torque 4.5 lb-in
Electrical connections

Low voltage safety/limited power source power supply.
All ports are SELV (Safety Extra – Low Voltage) according European Standards and Class 2 according UL Standards.
Do not open the panel casing when it is under power.
Make sure the power supply is able to deliver the necessary power for proper device operation (27VA / 12W).
Disposal regulations
- Do not dispose of the product as solid municipal waste; take it to the proper collection centres.
- The product contains a battery, which must be removed, before proceeding with disposal.
- Improper use or disposal could have a negative effect on human health and the environment.
- Public or private waste collection systems defined by local legislation must be used for its disposal.
- in the event of illegal disposal of waste electrical and electronic equipment, penalties have been established by the current local laws regarding disposal.
Introduction
The pGDx 10 inch graphic terminal belongs to the family of touch screen terminals designed to surfing the web server in Carel’s device easily and intuitively. The electronic technology used and the new 64K colors display allows high quality images and advanced functionality to obtain a high aesthetic standard. The touch screen panel also facilitates human-machine interaction making it easier to navigate between the various screens.
At the startup, it is possible to select the operating mode, BROWSER or RUNTIME
Model code
| Code | Description |
| PGB10010FA0D0 | pGD 10” |
Contents of the package
- pGDx 10″;
- Attachment hook kit with screws;
- instruction sheet.
Warnings for installation
For state-of-the-art installation, contact qualified installers. Avoid installing the terminal in environments with the following characteristics:
- relative humidity greater than that indicated in the technical specifications;
- strong vibrations or impacts;
- exposure to aggressive and polluting atmospheres (i.e.: sulphuric and ammonia gases, salt vapours, smoke) with subsequent corrosion and/ or oxidation;
- high magnetic and/or radio interference (therefore, avoid installing machines near transmitting antennas);
- exposure to direct sunlight and weather in general;
- wide and rapid temperature fluctuations;
- areas where there are explosives or mixtures of flammable gases.
General warnings
The following requirements must be met:
- for Ethernet communication networks, only use shielded cables;
- a power supply voltage that differs from the one required could seriously damage the system;
- use wire terminals suitable for the terminal boards in use. Loosen each screw and insert the wire terminal then tighten the screws. When the operation is complete, pull the cables slightly to make sure they are properly tightened;
- do not open the product when it is under power;
- particularly low temperatures could cause a visible decrease in the response speed on the display. This is considered normal and is not a sign of malfunction.
System settings
pGDx 10″ product has a system settings interface to allow configuration of system options. The user interface of System Settings is based on HTML pages accessible locally on HMI or in remote using a Web browser Chrome v44 or higher on port 443 ( https://IPmachine.config ). Default username is “admin”, default password is “admin”. Use navigation menu on the left side of the screen to browse through the available options.
The active item of menu is highlighted on the left side. The right side shows related information and settings. Based on the size of the HMI screen, both menu and content of selected item may be shown on screen or not.
System Settings:
The procedure to enter in the system settings menu consists in tapping the surface of the touchscreen during the device power-up phase. Tapping frequency must be high. You have to start tapping the touchscreen as soon as power has been applied to the device. When the sequence has been recognized, the system shows the message: “TAP-TAP DETECTED”. At this point release touch to boot in User Mode without running browser or press and hold few seconds (selecting so “RESTART: CONFIG OS”) to boot in System Mode.
System Settings includes options for basic settings of the device
| Language | Configure language used for System Setting menu only |
| System | show informations about platform, status and timers (like System on time, backlight on time). |
| Logs | enable persistent log for BSP and allows to export it |
| Date &Time | change the device date and time, including time zone and NTP Server |
| Network | configure IP Address of Ethernet interface and the other network settings like DNS, Gateway, DHCP, Hostname |
| Services Management | enable/disable services. Example of services are OpenSSH server, Cloud services, SNMP and logging |
| update of BSP components (Main OS, Config OS, Boot loader, XLoader), check for partitions consistence, update of splash screen, informations about usage and size of partitions. | |
| Display | adjust brightness, configure automatic backlight turnoff and select HMI orientation (90°, 180°, 270° and 360°). |
| Restart Authentication | restart the device. “Main OS” option restarts as per default in User Mode, “Config OS” option restart panel directly into System Settings in System Mode |
| configure password for administrator (“admin”) and for the standard user (“user”). Administrator has full access to System Settings (updates of BSP and other system components). |
Technical characteristics
Display
| Type | LCD TFT |
| Resolution | 1024×600 (WVGA); |
| Active display area | 10.1″ diagonal, 16:9 aspect ratio |
| Colors | 64 K |
| Backlighting | LED |
| Brightness control | Si |
System resources
| Operating system | Linux O.S. |
| User memory | 4 GB Flash |
| RAM | 512 MB DDR |
User interface
| Touchscreen | Resistive |
Interfaces
| Ethernet Port 1 | Auto-MDIX 10/100 Mbit – RJ45 femmina |
| USB Port | Host interface 2.0 – USB type A fem – 500 mA max Lmax cable < 1m |
| Serial Port 1 | RS485, with PGTA00CNV0 adapter |
Functionality
| Vector graphics | Yes, SVG 1.0 support included |
| Dynamic objects | Yes, Visibility, position, rotation |
| TrueType fonts | Yes |
| Multi-protocol | Yes |
| Real Time Clock | Yes, with Supercapacitor back-up |
| Screen saver | Yes |
Ratings
| Power supply | 24Vdc, 0.38A max, Class 2 |
| Minimum power cross-section | 0.5 mm² |
| Fuse | Automatic |
| Weight | Approx 1 kg |
| Software class and structure | A |
Environmental conditions
| Working temperature | 0…+50°C |
| Storage temperature | -20…+70 °C |
| Working and storage humidity | 5…85 % relative, non-condensing humidity |
| Protection rating | IP66 (front); IP20 (back) |
| Pollution degree environment | 2 |
Dimensions
| Front panel LxH | 282×197 mm (11.10×7.75″) |
| Drilling AxB | 271×186 mm (10.66×7.3″) |
| Depth | 29+6 mm (1.14+0.23″) |
| Compliant with the European standards EMC and LVD Directives. UL Certificate, File E199715 |
| Suitable for mounting on the flat surface of Type 2 and 4X indoor use only enclosure. |
| CAREL INDUSTRIES reserves the right to make changes or modifications to its products without prior notice. |
Disposal of the product
![]()
The appliance (or the product) must be disposed of separately in compliance with the local standards in force on waste disposal.
WARNING: separate as much as possible the probe and digital input signal cables from the cables carrying inductive loads and power cables to avoid possible electromagnetic disturbance. Never run power cables (including the electrical panel wiring) and signal cables in the same conduits.
For Canadian Installation use in a controlled environment.
Pour l’installation au Canada, utiliser dans un atmosphère contrôlé.
IMPORTANT WARNINGS
The CAREL product is a state-of-the-art product, whose operation is specified in the technical documentation supplied with the product or can be downloaded, even prior to purchase, from the website www.carel.com. – The client (builder, developer or installer of the final equipment) assumes every responsibility and risk relating to the phase of configuration the product in order to reach the expected results in relation to the specific final installation and/or equipment. The lack of such phase of study, which is requested/ indicated in the user manual, can cause the final product to malfunction of which CAREL can not be held responsible. The final client must use the product only in the manner described in the documentation related to the product itself. The liability of CAREL in relation to its own product is regulated by CAREL’s general contract conditions edited on the website www.carel.com and/or by specific agreements with clients.
CAREL Industries HQs
Via dell’Industria, 11 – 35020 Brugine – Padova (Italy)
Tel. (+39) 0499716611 – Fax (+39) 0499716600 – www.carel.com –
e-mail: [email protected]


















