toPARC SAM-1A Gateway PLC or Automated Network

GENERAL INFORMATION
| Review | Date | Modification | SAM firmware version |
| 1.0 | 01/04/2022 | Design | 1.0 |
| 2.0 | 27/02/2023 | Modification | 1.0 |
WARNINGS – SAFETY REGULATIONS
GENERAL ADVICE
This user’s manual contains information on the operation of the device and the precautions to be taken for the safety of the user.
Please read it carefully before using the machine for the first time and keep it for future reference.
These instructions must be read and understood before any operation.
Any modification or maintenance not specified in the manual must not be undertaken.
The manufacturer shall not be liable for any damage to persons or property arising from use not in accordance with the instructions in this manual.
If you have any problems or uncertainties, please consult a qualified person to handle the appliance correctly.
This device may only be used for ticket printing and/or data transmission within the limits indicated on the device and in the manual. The safety instructions must be observed. In case of improper or dangerous use, the manufacturer cannot be held responsible.
The device is intended for indoor use. It should not be exposed to rain.
Regulation :
The device complies with the European directives. The declaration of conformity is available on our website (see cover page).
Material conforms to UK requirements. The UK Declaration of Conformity is available on our website (see cover page).
This material is subject to separate collection in accordance with the European Directive 2012/19/EU. Do not dispose of in domestic waste!
A recyclable product that is subject to sorting instructions.
ELECTRICAL SAFETY
When working on the product, be sure to secure the area by not allowing anyone who is not familiar with the safety instructions in this user manual to enter the area. This device should preferably be installed by a professional according to the installation rules in force in the particular country. If this is not possible, it is recommended that you read these rulesbefore proceeding.
ELECTROSTATIC DAMAGE WARNING
Static electricity can damage electronic equipment. Use an earthed, antistatic wrist strap, ankle strap or equivalent safety device to prevent electrostatic discharges (ESD) when installing this product.
Electrostatic damage can irreparably impair the power source and/or the entire product. To protect electronic components from electrostatic damage, place this product on an antistatic surface, such as an antistatic discharge mat, antistatic bag or disposable antistatic mat
PRODUCT OVERVIEW
This document contains information on how to set up and connect the SAM-1A gateway in a PLC or automated network.
The Smart Automation Module (SAM-1A) is a communication tool between compatible GYS welding power sources and programmable logic controllers (PLCs).
A SAM-1A connection converts GYS devices’ internal communication language into digital or analogue input/output signals.
The settings can be changed by using pre-loaded JOBs saved in the power source.
The power source/SAM-1A module assembly can be reassigned to a new system without requiring any modifications to the system (integrating it into a new machine, replacing a PLC or automating a process, etc.).
INTRODUCTION
The SAM-1A (PN. 071940) enables additional applications on compatible power sources. The module allows access to parameters of the welding generator for control by the PLC or robot.
The following products are compatible:
| MIG/MAG | NEOPULSE 320 C PULSEMIG 320 C | 062474 062641 |
| NEOPULSE 400 CW PULSEMIG 400 CW | 062061 062658 | |
| NEOPULSE 400 G PULSEMIG 400 G | 014497 062665 | |
| NEOPULSE 500 G PULSEMIG 500 G | 014503 062672 | |
| TIG | TITAN 400 DC | 013520 |
| TITANIUM 400 AC/DC IMS TITANIUM 400 AC/DC | 013568 037830 |
CONTENTS / SPARE PARTS
- Electronic board E0101C

- Cable bundle 300 mm F0035

- RJ45 cables 300 mm 21574 750 mm 21575

- Connectors 20 points 63851 4 points 53115


Electronic board support brackets
- NEOPULSE 320 C / 400 CW
PULSEMIG 320 C / 400 CW
98129 - NEOPULSE 400 G / 500 G
PULSEMIG 400 G / 500 G
K0539Z
Connector support plates:
- NEOPULSE 320 C / 400 CW
PULSEMIG 320 C / 400 CW
EXAGON 400 FLEX
GENIUS 400 FLEX
K0535GF - NEOPULSE 400 G / 500 G
PULSEMIG 400 G / 500 G
K0536GF4 - TITAN 400
TITANIUM 400
98116
Connector cover plate:
- NEOPULSE 400 G / 500 G
PULSEMIG 400 G / 500 G
99089GF - TITAN 400
TITANIUM 400
K0537G
Some configurations do not require all the kit’s items.
SETTING UP THE DEVICE
INSTALLATION
WARNING
ELECTRIC SHOCKS CAN BE FATAL
Only experienced personnel authorised by the manufacturer may install the equipment. During installation, ensure that the power source is disconnected from the mains.
Videos on how to set up the kit:
NEOPLUSE 320 C
PULSEMIG 320 C
NEOPULSE 400 CW
PULSEMIG 400 CW
NEOPULSE 400 G / 500 G
PULSEMIG 400 G / 500 G
TITAN 400 DC
TITANIUM 400 AC/DC
Access to internal areas beyond those outlined in this video manual is prohibited and voids the warranty as well as all other forms of support. Indeed, these interventions can be damaging to the power source’s internal electronic parts and/or components.
SWO FEATURE (SAFE WELDING OFF)
The «Safe Welding Off» function mainly prevents the current or voltage source from starting. It acts directly on the power source in a very short time.
This function is also used to safely stop the power source in the event of an emergency stop. This avoids a sudden power supply interruption to the power source if a problem arises. It should be remembered that a break in the power supply downstream of a loaded power source is dangerous and can damage the equipment.
- Electrical safety
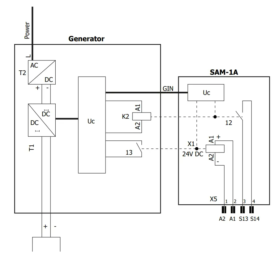
The «Safe Welding Off» function does not offer electrical isolation; therefore, before any work is carried out on the power source, it must be electrically isolated by switching off the power supply and locally isolating the power source (padlock procedure). - Schematic diagram of how the safety system work

- Activating the ‘Safe Welding Off’ (SWO) function (Hard)
A switch (DIP 1), located on the SAM-1A board (see electronic board on page 11), is fitted to the equipment to provide a robust safety feature. Simply switch both switches to ON.
- SWO (Safe Welding Off) wiring and feedback
If switch 1 (DIP 1) is set to the ON position and switch 2 (DIP 1) to the OFF position, the safety device must be wired.
A dedicated terminal block (X5) is available on the SAM-1A circuit board (see circuit board on page 11).
- Electrical characteristics of terminal block X5 inputs/outputs
OUTPUT (feedback) INPUT Insulation type Dry contact Relay Connection 3- S13 contact NO 4- S14 Vcc 1- AU_A2 : Earth 2- AU_A2 : VCC Voltage range 20 – 30 VDC 20 – 30 VDC 15 VDC logic threshold Maximum low voltage at 3 V Current rating at 24 VDC Max. 2 A 10 mA Current rating response time 8 ms 4 ms max. time 16 ms 8 ms Test pulse train < 1 ms at frequencies below 100 Hz
No response No response - Activating the SWO function (Soft)
A switch (DIP 2), located on the SAM-1A board (see page 11), provides the user with a way to set the various SAM-1A board functions. In order to activate the safety feature, switch 3 must be set to ON.
INPUT/OUTPUT ASSIGNMENTS
CONNECTOR X20 TECHNICAL SPECIFICATIONS%

Power supply
The inputs/outputs (24 V) can be supplied either internally by the SAM-1A or by an external, 24 V power supply. The SAM-1A is set up for an internal power supply as standard. To use an external power supply, simply switch the jumper on the three-pin power connector (see electronic board on page 11) and apply 24 V to the X20 connector (pin 10).
| Internal power supply | External 24 V power supply | ||
| Rated voltage | Rated current | Maximum voltage | Maximum current |
| 24 V | 100 mA | 24 V | 2 A |
| 10 V | 20 mA | ||
Digital inputs/outputs
Digital inputs

Digital inputs Digital outputs

SAM digital input/output overview and technical data:
| Output | Input | |
| Insulation type | DRY contact 24 VDC 1 – 24 VDC 2-5 – DO1 – DO4 (NO) | 500 VDC isolation photocoupler 6-9 – DI1 – DI4 (NO) 10 – Earth (0 V) |
| ON Voltage Vmin/Vmax | +20 – +30 V | 15 – 28 VDC |
| OFF Voltage Vmin/Vmax | 0 – 5 VDC | |
| Rated current at +24 V | Max. 2 A | 5 mA |
Analogue inputs/outputs
Analogue inputs

Analogue outputs

| Output | Input | |
| Voltage | 0 – 10 V | 0 – 10 V |
| Current | 100 µA | 1 mA |
DIP 2 settings
| Description | MIG | TIG | ||||
| JOB | Manual | JOB | CC Tracking | |||
| DIP Switch | SWITCH-1 | OFF | JOB Mode | JOB Mode | ||
| ON | Manual Mode | Tracking Mode | ||||
| SWITCH-2 | ON | Weld_Current | ||||
| OFF | Wire_Speed | |||||
| SWITCH-3 | OFF | Safety disabled | ||||
| ON | Safety activated | |||||
| SWITCH-4 | OFF | Job Lock | Job Lock | |||
| ON | Job Unlock | Job Unlock | ||||
WELDING PROCESSES
This chapter contains diagrams of different welding processes.
A) SCHEMATIC DIAGRAM OF THE WELDING CYCLE
Job Mode init

B) SCHEMATIC DIAGRAM OF A WELDING CYCLE IN TRACKING MODE
Tracking Mode TIG

Welding cycle

C) SCHEMATIC DIAGRAM IN CASE OF AN ERROR
Error

MAINTENANCE
Before using the product for the first time, it is recommended to check whether a new software update is available on the GYS after-sales service site (customer code required).
A single update allows the user to update all connected products (power source, remote control, wire-feed reel and SAM, etc).
- Disconnect all devices from the network.
- Connect a USB key containing the latest updates to the specific USB port and start the device.

- The screen comes on if a new software version is detected. Wait until the step is complete and restart the product after having disconnected the USB key.

! Before upgrading, check the changes made by the new firmware update. In the event of a major software update, changes may be required to the PLC’s software programming.
DEFECTS LIST
Please refer to the after-sales section of the website www.gys.fr.
ELECTRONIC BOARD

| 1 | X20 |
| 2 | Power supply |
| 3 | DIP 2 |
| 4 | X5 |
| 5 | DIP 1 |
WARRANTY CONDITIONS FRANCE
The warranty covers any defects or manufacturing faults for two years from the date of purchase (parts and labour).
The warranty does not cover:
- Any damage caused by transporting the device.
- The normal wear and tear of the parts (e.g. : cables and clamps, etc.).
- Incidents due to misuse (incorrect wire feeding, dropping or dismantling the machine, etc.).
- Environmental failures (pollution, rust or dust, etc).
In the event of a breakdown, return the appliance to your distributor, enclosing:
– a dated proof of purchase (receipt or invoice, etc.)
– a note explaining the breakdown
Digital inputs/outputs for NEOPULSE/PULSEMIG machines
a) Digital inputs
The SAM-1A has four digital inputs as detailed below:
| Status | |||
| Pin Connector | 0 | 1 | |
| MMI_LOCK | X20-18 | Current-Voltage multimeter mode | Accessing the power source settings |
| Start_Process | X20-19 | Stopping the welding process | Starting the welding cycle |
| Start_Gaz | X20-20 | GAS solenoid valve closed | GAS solenoid valve open |
| Wire_Feed (only in MIG) | X20-16 | Wire stopped | Unwinding the wire |
b. Digital outputs
As well as the following four digital outputs
| Status | |||
| Pin Connector | 0 | 1 | |
| Error | X20-6 | No error | Error detected |
| Authorised_Start | X20-7 | Welding prohibited | Welding permitted |
| Arc_Detect | X20-14 | Arc not detected | Arc detected |
| Welding_Process | X20-8 | No welding in progress | Welding in progress |
| Main_Current | X20-13 | Outside the main welding phase | In the main welding phase |
NEOPULSE/PULSEMIG analogue inputs/outputs
a. Analogue outputs
The SAM-1A has two analogue outputs providing voltage- and current-measurement information as follows: Voltage measurement (M_Weld_Voltage, X20-5): varies from 0 – 10 V and covers a measurement range of 0 – 50 V. Current measurement (M_Weld_Current, X20-15): varies from 0 – 10 V and covers a measurement range of 0 – 500 A.
b) Analogue input functions
I. JOB mode – Without settings
All parameter settings stored in JOB mode are used (the values of inputs 1, 2 and 3 are, therefore, not taken into account).
DIP2-SWITCH 1 = OFF (Mode: JOB)
DIP2-SWITCH 2 = OFF
DIP2-SWITCH 4= OFF (JOB LOCK)

Table of adjustable values:
| SAM-1A input | Pin Connector | Setting | Value |
| INPUT_1 | X20-1 | – | – |
| INPUT_2 | X20-2 | – | – |
| INPUT_3 | X20-4 | – | – |
| INPUT_4 | X20-3 | JOB number | between 1 – 20 |
II. JOB mode – Current settings
The current parameter setting values, Arc_LEN, Self and Weld_Current in JOB mode are disregarded (the values are taken from the SAM-1A inputs).
DIP2-SWITCH 1 = OFF (Mode: JOB)
DIP2-SWITCH 2 = OFF (Management: Current)
DIP2-SWITCH 4 = ON (JOB UNLOCK)

Table of adjustable values:
| SAM-1A input | Pin Connector | Setting | Value |
| INPUT_1 | X20-1 | ARC_LEN | 0 V = -6 5 V = 0 10 V = +6 |
| INPUT_2 | X20-2 | WELD_CURRENT | 0 V = minimum synergy value 10 V = maximum synergy value |
| INPUT_3 | X20-4 | SELF | 0 V = -4 5 V = 0 10 V = +4 |
| INPUT_4 | X20-3 | JOB number | between 0 – 20 |
III. JOB mode – Wire-speed settings
The parameter setting values, Arc_LEN, Self and Wire_Weld_Speed in JOB mode are disregarded (the values are taken from the SAM-1A inputs).
DIP2-SWITCH 1 = OFF (Mode: JOB)
DIP2-SWITCH 2 = ON (Management: Wire speed)
DIP2-SWITCH 4 = ON (JOB UNLOCK)

Table of adjustable values:
| SAM-1A input | Pin Connector | Setting | Value |
| INPUT_1 | X20-1 | ARC_LEN | 0 V = -6 5 V = 0 10 V = +6 |
| INPUT_2 | X20-2 | WIRE_WELD_SPEED | 0 V = minimum synergy value 10 V = maximum synergy value |
| INPUT_3 | X20-4 | SELF | 0 V = -4 5 V = 0 10 V = +4 |
| INPUT_4 | X20-3 | JOB number | between 0 – 20 |
IV. MANUAL Mode
DIP2-SWITCH 1 = ON (Mode: MANUAL)

Table of adjustable values:
| SAM-1A input | Pin Connector | Setting | Value |
| INPUT_1 | X20-1 | WELD_VOLTAGE | 0 V = 0 V 10 V = 50 V |
| INPUT_2 | X20-2 | WIRE_WELD_SPEED | 0 V = minimum synergy value 10 V = maximum synergy value |
| INPUT_3 | X20-4 | CHOKE | 0 V = -4 5 V = 0 10 V = +4 |
| INPUT_4 | X20-3 | – | – |
Where to find the JOB number?
On the product’s man machine interface (MMI), complete the following steps:

Where to find the synergy values?
From the product’s MMI, the MIN. and MAX. synergy values are indicated on the left-hand cursor.

How to change the management mode to find the min./max. values?

The TITAN/TITANIUM’S DIGITAL INPUTS/OUTPUTS
a) Digital inputs
The SAM-1A has four digital inputs as detailed below:
| Status | |||
| Pin Connector | 0 | 1 | |
| MMI_LOCK | X20-18 | Current-Voltage multimeter mode | Accessing the power source settings |
| Start_Process | X20-19 | Stopping the welding process | Starting the welding cycle |
| Start_Gaz | X20-20 | GAS solenoid valve closed | GAS solenoid valve open |
| Wire_Feed (only in MIG) | X20-16 | Wire stopped | Unwinding the wire |
b) Digital outputs
As well as the following four digital outputs:
| Status | |||
| Pin Connector | 0 | 1 | |
| Error | X20-6 | No error | Error detected |
| Authorised_Start | X20-7 | Welding prohibited | Welding permitted |
| Arc_Detect | X20-14 | Arc not detected | Arc detected |
| Welding_Process | X20-8 | No welding in progress | Welding in progress |
| Main_Current | X20-13 | Outside the main welding phase | In the main welding phase |
The TITAN/TITANIUM’S ANALOGUE INPUTS/OUTPUTS
a) Analogue outputs
The SAM-1A has two analogue outputs providing voltage- and current-measurement information as follows:
Voltage measurement (M_Weld_Voltage, X20-5): varies from 0 – 10 V and covers a measurement range of 0 – 50 V.
Current measurement (M_Weld_Current, X20-15): varies from 0 – 10 V and covers a measurement range of 0 – 500 A.
b) Analogue input functions
I. JOB mode – Without settings
All parameter settings stored in JOB mode are used (the values of inputs 1, 2 and 3 are, therefore, not taken into account).
DIP2-SWITCH 1 = OFF (Mode: JOB)
DIP2-SWITCH 4 = OFF (JOB LOCK)

Table of adjustable values:
| SAM-1A input | Pin Connector | Setting | Value |
| INPUT_1 | X20-1 | – | – |
| INPUT_2 | X20-2 | – | – |
| INPUT_3 | X20-4 | Current type (Titanium only) | <5 V = DC >5 V = AC |
| INPUT_4 | X20-3 | JOB number | between 0 – 20 |
II. JOB mode – SAM-1A settings
The welding current value (JOB mode’s Weld_Current parameter) is disregarded (the value is taken from the SAM-1A’s input). DIP2-SWITCH 1 = OFF (Mode: JOB)
DIP2-SWITCH 4 = ON (JOB UNLOCK)

Table of adjustable values:
| SAM-1A input | Pin Connector | Setting | Value |
| INPUT_1 | X20-1 | ARC_LEN | 0 V = -6 5 V = 0 10 V = +6 |
| INPUT_2 | X20-2 | WELD_CURRENT | 0 V = minimum power source value 10 V = maximum power source value |
| INPUT_3 | X20-4 | Current type (Titanium only) | <5 V = DC >5 V = AC |
| INPUT_4 | X20-3 | JOB number | between 0 – 20 |
III. TRACKING Mode
DIP2-SWITCH 1 = ON (Mode: TRACKING)

Table of adjustable values:
| SAM-1A input | Pin Connector | Setting | Value |
| INPUT_1 | X20-1 | – | – |
| INPUT_2 | X20-2 | WELD_CURRENT | 0 V = minimum power source value 10 V = maximum power source value |
| INPUT_3 | X20-4 | Current type | DC |
| INPUT_4 | X20-3 | Arc_Initiation | < 1 V = HF 1 – 2 V = Lift 2 – 3 V = Touch_HF |
Where to find the JOB number?
On the product’s man machine interface (MMI), complete the following steps:

CUSTOMER SUPPORT
JBDC
1, rue de la Croix des Landes
CS 54159
53941 SAINT-BERTHEVIN Cedex
France





































