
Remote controller
INSTRUCTION OF INSTALLATION AND OPERATION
INSTALLING RECEIVER IN CEILING FAN
A. Safety precautions
- WARNING: HIGH VOLTAGE! Disconnect power by removing fuse or switching off circuit breaker.
- Do not use with solid state fans.
- Electrical wire must meet all local and national electrical code requirements.
- Supply for fan must be 110/120 volt, 60Hz, 3.5A
- Maximum fan motor amps: 1.0.
- Maximum light watts: 180 incandescent or ballast and LED.
- To Reduce the risk of shock, this fan must be installed with a wall switch/control.
B. Installing receiver in fan
- Remove power from the circuit.
- Remove ceiling fan canopy from the mountingbracket.
- Disconnect existing wiring between ceiling fan and Supply in electrical junction box.
- Make connections as follows, using the wire nuts supplied.

If other fans or supply wires are different color, have this unit installed by qualified licensed electrician.
a.Push all connected wires up into junction box.
b.Lay the brown antenna wire on top of the receiver, and put the receiver into the mounting bracket.
c. Reinstall the canopy on the mounting bracket.
d.Restore power.
e.Install 3 volt battery(not included). (To prevent damage to transmitter, remove the battery if not used for a long time).
f. Store the transmitter away from excessive heat or humidity.
g.This remote control unit is equipped with roll code combinations. In order to prevent possible interference from or to other remote units such as garage door openers, car alarm or security system. If you find that your fan and light kit go on and off without using your remote control, simply change the code combination in your transmitter and receiver.
CAUTION: Ceiling Angle Shall Not Exceed 30 Degrees, For
MountingController,Model:
RE-028W
CONNECT TO
Green fan wire …… Bare supply wire
Red or Black receiver wire(AC IN L) ….Red or Black supply wire
White receiver wire(AC IN N)…… White supply wire
White receiver wire(TO MOTOR N)…… White fan wire
Black receiver wire(TO MOTOR L)…… Black fan wire
Blue receiver wire(FOR LIGHT)…… Blue light wire
OPERATING TRANSMITTER
Operating the buttons on the panel of the transmitter.
3 key -for fan high speed.
2 key-for fan medium speed.
1 key-for fan low speed.
OFF key-for fan off.
LIGHT key-for light on and off.
LIGHT
key-for light brightness +.
LIGHT
key-for light brightness -.
REV key-for fan rev.
YOUR REMOTE NOW HAS FULL CONTROL OF THE FAN AND LIGHT
TROUBLE SHOOTING GUIDE
a. Power to receiver ?
b. Receiver wired correctly ?
c. Fan manual speed control in highest position ?
d. Light kit switch turned on ?
e. Good battery in the transmitter ?
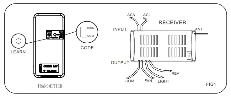
If there are two or more ceiling fans installed in the same house, in order to prevent your ceiling fans from being affected by the remote control of the adjacent ceiling fans, first turn the switch in each remote control transmitter to the CODE(UP) position (see the schematic diagram FIG1) Remarks: The standard state of the transmitter is in the down code COM.
(Power-off means you need to use a wall switch to shut down the power of the ceiling fan, if you do not have a wall switch, please power off the whole room from the air circuit-breaker for each room)
After installing the remote control receiver on the ceiling fan
- Turn on the power of the 1# ceiling fan receiver (the power of the 2# receiver is kept in a power-off state), within 30 seconds after the fan power is turned on, press the LEARN button corresponding to the 1# transmitter, then The receiver will learn the transmitter code. When the transmitter code is learned successfully, the light of the receiver will flash twice, and then it can be used normally.
- Turn on the power of the 2# ceiling fan receiver (the power of the 1# receiver is kept in the power-off state), within 30 seconds after the fan power is turned on, press the LEARN button corresponding to the 2# transmitter, then The receiver will learn the transmitter code. When the transmitter code is learned successfully, the light of the receiver will flash twice, and then it can be used normally.
And so on, only one ceiling fan is powered on each time the corresponding transmitter learns.
After the 1# and 2# remote control transmitters have been successfully learned, turn on the power of the two ceiling fans. At this time, the 1# transmitter and the 2# transmitter can be used separately for one ceiling fan.
FCC Statement:
This device complies with Part 15 of the FCC Rules. Operation is subject to the following two conditions.
This device may not cause harmful interference.
This device must accept any interference received, including interference that may cause undesired operation.
Changes or modifications not expressly approved by the party responsible for compliance could void the user’s authority to operate the equipment.
NOTE: This equipment has been tested and found to comply with the limits for a Class B digital, pursuant to Part 15 or the FCC Rules. These limits are designed to provide reasonable protection against harmful interference in a residential installation. This equipment generates, uses and can radiate radio frequency energy and, if not installed and used in accordance with the instructions, may casue harmful interference to radio communications,
However, there is no guarantee that interference will not occur in a particular installation. If the equipment does cause harmful interference to radio or television reception, which can be determined by turning the equipment off and on, the user is encouraged to try to correct the interference by one or more of the following measures:
— Reorient or relocate the receiving antenna.
— Increase the separation between the equipment and receiver.
— Connect the equipment into an outlet on a circuit different from that to which the receiver is connected.
— Consult the dealer or an experienced radio/ TV technician for help.


















