MultiFoamer Inox
Directions for use
Instruction Manual
For this unit the following manuals are available:
110006171 Direction for use – Inox MultiFoamer
110005692 User guide MultiFoamer
Direction for use and User guide will be enclosed as physical paper manuals.
Declaration of Conformity
We Nilfisk FOOD, declare under our sole responsibility that the products Inox MultiFoamer. To which this declaration relates, are in conformity with these Council directives on the approximation of the laws of the EC member states:
Machinery Directive (2006/42/EC).
– EN 60335-2-79: 2012
EMC Directive (2014/30/EC)
– EN 55014-1: 2007
– EN 55014-2: 2015
– EN 61000-3-2: 2014
– EN 61000-3-3: 2013.
Symbols used in this document
| Read before use | |
| Wear glasses when using the unit. | |
| Wear gloves and suitable clothing when using the unit. | |
| Note: A potentially damaging situation. Possible consequences: The product or something in its vicinity could be damaged. Prevention. | |
| Caution: A dangerous situation.’Possible consequences: light or minor injuries. Can also be used to warn against damage to property or other goods prevention. | |
| Warning: A Potentially dangerous situation. Possible consequences: Death or severe injury. | |
| Danger: A dangerous situation. Possible consequences: Death or severe injury. | |
![]() | Danger: Risk of electric shock! Possible consequences: Death or severe injury. |
| Danger: Warning! Sharp edges – watch your fingers. | |
| Hot Surfaces Risk of burns! Possible consequences: Severe injuries. |
General information
Nilfisk FOOD congratulates you on your new low-pressure foam and sanitizing cleaning equipment.
The equipment provides the latest standard of technology in low-pressure cleaning equipment in your factory.
The equipment can be used for rinsing, foaming, and application of disinfectants.
It is important that your operational staff read these directions for use prior to installation, start-up, and use of the equipment.
Manual series
For this unit the following manuals are available :
110006171 Direction for use – MultiFoamer Inox
110005692 User guide – MultiFoamer Inox
Direction for use and User guide will be enclosed as physical paper manuals.
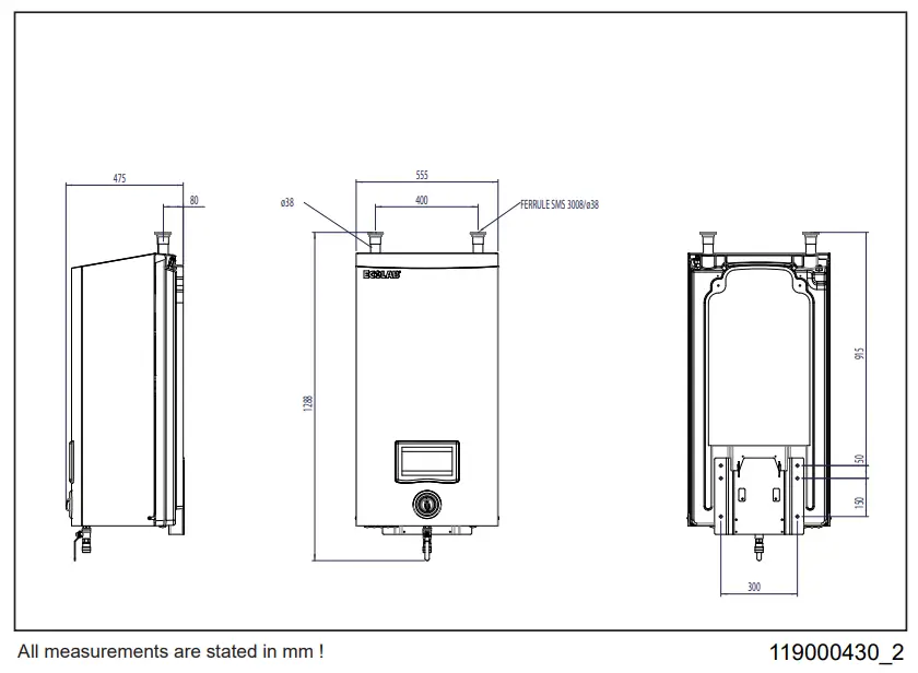
3.1. Identification plate

| 1. Producer 2. Serial no 3. Type 4. Date of production 5. Article no 6. Maximum pressure | 7. Supply voltage 8. Frequency 9. Maximum water consumption 10. Maximum temperature 11. Current 12. Weight |
3.2. Supplier
Nilfisk FOOD
Blytækkervej 2
DK-9000 Aalborg, Denmark
Tel.: +45 7218 2000
CVR no. 6257 2213
www.nilfiskfood.com
3.3. Specifications
| Water | Unit | MultiFoamer Inox |
| Max.outlet pressure. | bar/psi | 3-20 / 43.5 – 290* |
| Consumption during rinsing (manual) | Ipm – gpm | 30 / 7.9 |
| Consumption during foaming (manual) | Ipm – gpm | 8.7 / 2.3 |
| Max Water consumption during rinsing (automatic) | Ipm – gpm | 200 / 52.8 |
| Water consumption during foaming (automatic) | Ipm – gpm | 11 / 2.9 |
| Min. supply pressure | bar/psi | 2 / 29 |
| Max. supply pressure | bar/psi | 8 / 116 |
| Min. water supply | Ipm – gpm | 263 / 58 |
| Max water temperature | C°/F° | 70 / 158 |
| Pipe dimension inlet 0 | mm | 38 |
| Pipe dimension outlet 0 | mm | 38 |
| Clamp connection type/size | Type/mm | DS-SMS / 050.4 |
| Compressed air | ||
| Min/max. air pressure | bar/psi | 5.9 – 9.9 / 87 – 145 |
| Compressed air consumption | Ipm – gpm | 540 / 118.8 |
| Pipe dimension inlet 0 | inch | 1/4″ |
| Electricity | ||
| Supply voltage | V | 380 – 500 |
| Frequency | Hz | 50 / 60Hz |
| Motor load (kW) | kW | 8. |
| Nominal current | A | 14. |
| Fuse | A | 20 |
| Internal fuse 5x2Omm – 400V | A | 1A slow |
| L1, L2, L3, PE | mm2 | 3. |
| General | ||
| Sound level ISO 11202 | dB | Below 70 |
| Dimensions HxWxD | mm/inch | 1310x560x470 / 51.57×22.04×18.5 |
| Weight | kg/pounds | 115 / 253 |
| IP class | 55 |
* By inlet pressure of minimum 43,5 bar/psi.
Overview and use
MultiFoamer is a complete hygiene and pumping station that supplies pressurized water to both its integrated hygiene points (optional) and to several connected cleaning areas. Therefore the main station must be supplied with:
water in sufficient quantity, power, compressed air, detergent(s), and disinfectant.
The station is then ready for hygiene duties.
The main station is fitted with a frequency-controlled pump, which ensures a constant working pressure independent of usage pattern.
Warning: Do not use the water from the system for applications other than cleaning.
Consumptions:
The unit is approved for the use of detergents and disinfectants.
Warning: Do not change the settings made or recommended by the supplier of the detergents!
Detergents are supplied via a User Pack system or from separate standard cans.
Before installation and set up of the unit always read this instruction thoroughly. Always make sure to follow personal safety procedures for chemicals in connection with refilling procedures (product change)maintenance and repair. See also the product label and Material Safety Data Sheet (MSDS).
Safety instructions
Only professional service personnel are allowed to carry out service and repairs on the unit.
Only instructed personnel are allowed to operate the unit.
System Safety
In case of error/defect or service on equipment:
- Close the water supply
- Close the air supply
- Turn of power supply
5.1. Closing valve for water supply.
We recommend installing a closing valve for the water supply. With this valve, the unit can be isolated from the water supply. Further, a non-return valve is built in the unit to prevent the backflow of water.

5.2. Closing valve for air supply
With this valve, the unit can be isolated from the air supply. Two non-return valves for air are built in the unit to prevent the backflow of air.

| The air pressure regulation/gauge only works when the supply valve is open. | |
| Wear glasses when using the unit. | |
| Wear gloves and suitable clothing when using the unit. | |
![]() | Warning: The spray jets can be dangerous if subjected to misuse. The jets must not be directed at persons, live electrical equipment or the unit itself. |
![]() | Warning: Do not use the unit within range of persons unless they wear protective clothing. |
5.3. Noise
Sound level according to ISO 11202: Below 70dB.
5.4. Vibrations
Hand-arm vibrations according to ISO 5349-1
5.5. Anticipated failures
Burst air tube in the unit:
- The unit must never be used without the front cover being mounted.
- The air closing valve on /in connection with the unit must always be closed when not in use.
- Air tubes and fittings should be examined regularly and exchanged in case of visible damage.
Breakdown of non-return valves for air and water: - The unit must never be used without the cover being mounted.
- Air and water closing valve on/in connection with the unit must always be closed when the unit is not in use.
- After use of the unit, all chemical non-return valves must be thoroughly rinsed with clean water. Follow the instructions in paragraph 9.4.
- Non-return valves for air and water should be examined a minimum of once a year by authorized personnel for defects.
Repair of unit:
- Do not attempt to repair a defective unit by yourself. Always contact an authorized service company.
- Block and mark any defective unit in order to avoid unintended use – see paragraph below regarding “Rest Risk – Use of the unit”
- For safety reasons only use approved and original spare parts.
5.6. Rest Risk
Use of unit:
- Never use the unit without prior instructions on the use of the unit and its safety instructions. The instruction must be prepared by an educated/ instructed personnel.
- Never use the unit without having read the enclosed guide and safety instructions.
- Always close the water and air supply after use.
Damaged unit:
- Never use the unit if leakages (air, water, or chemical) are observed.
- Never use the unit if it is not possible to operate the closing valves and/or if it is not possible to select the required operation.
- Never use the unit if it has been dislodged from its original place of mounting.
Installation
For safety reasons, it is important to read all of the enclosed information before installation of this equipment. In addition, the legislation in force at the time of purchase must always be considered in connection with the installation and mounting of this equipment, no matter the contents of this manual. If there are matters of a dispute please contact your dealer.
| The pipeline must be rinsed thoroughly before the system is connected. | |
| Remove the cover before the unit is mounted on the wall. |
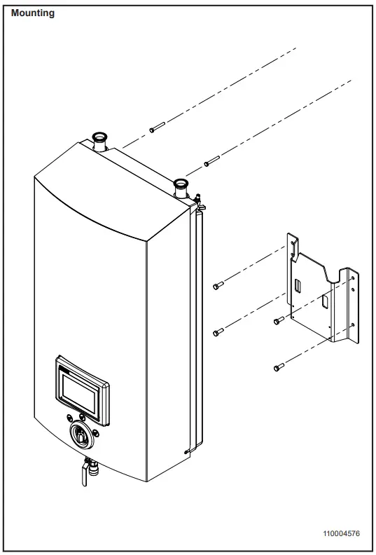
6.1. Directions for mounting
The unit should be mounted in frost-free rooms only.- The unit can be mounted on a wall or on a separate frame which may be installed in production areas and anchored to the floor.
- For mounting on walls, please note the following:
The wall for mounting should be either a stable brick wall or a wall made of concrete.
If the wall the unit is to be mounted on is made of bricks or concrete, the enclosed screws and rawl plugs are used to mount the delivered bracket, otherwise, you have to make sure that the carrying capacity of the wall is sufficient.- The wall bracket should be mounted on the wall according to the above description and the station is hung onto the bracket.
- When mounted on the bracket secure the unit on the top with two screws through the designated holes. The hose and User Pack holders should be mounted afterward.
(See installation drawing)
6.2. Transportation
For secure transportation of the unit, we recommend always ensuring, that the unit can not slide or tip.
The unit might have to be secured with straps.
Transportation of the unit only in horizontal position:
The unit must not be placed on the front where you find the operation panel. Neither can it be placed on top or bottom where connections and outlets are mounted.
In case the unit is moved at a temperature of approx or below 0°C (32°F), you must always make sure that the unit has been fully emptied for water. If this is not the case, you may damage the unit.
6.3. Electrical installation
6.3.1. Power supply
Connection instruction is mounted on the cables.
The phase order is subordinated.
6.3.2. Earth leakage circuit breaker (ELCB).
When using an earth leakage circuit breaker (ELCB) also known as a residual current device (RCD) or a residual current circuit breaker (RCCB) in a system that incorporates a variable speed drive connected to 3 phase 400 V.
The trip level of the ELCB has to be 300 mA. (30 mA used in households will malfunction due to earth leakage).
6.3.3. Service switch
The unit must always be connected to the main supply through a separate service switch.
NB! Installation must always be in accordance with local legislation.
| MultiFoamer | |
| Voltage: | 3/PE 380-500V |
| Frequenz: | 50/60 Hz |
| Motor load: | 7.5 kW |
| Nominal current: | 14.1 A |
| Fuse: | 20 A |
| L1, L2, L3, PE | 2.5 mm² |
6.4. Water connection
Before the unit is connected to the water supply pipe, the supply line should be rinsed thoroughly in order to remove coarse impurities and metal shavings.- The connection for water must be made at the top of the unit. (see layout drawing).
- The minimum diameter of the supply pipe must be at least Ø38 external (ø35mm internal).
- The unit must be fitted with a closing valve for water on the inlet (see drawing 110005285 on page 14).
The pressure loss in the supply line must be held as low as possible by
– avoiding long supply pipes
– mounting low-pressure resistance ball valves and
– avoiding fittings with high-pressure loss.- When installing the piping, take care to avoid air traps.
- All pipe connections to the unit must be clamp connections ensuring simple maintenance and dismantling of the station.
Max. allowed temperature of supply water: 158°F
Max. allowed pressure of supply water: 29-116 psi
For optimum functioning of the injector system, we recommend installing a filter on the inlet to avoid impurities.

6.5. Air connection
Before the unit is connected to the air supply, the pipe system must be thoroughly rinsed in order to remove coarse impurities.
- The unit requires an air supply boosting
– an inlet pressure of a minimum of 87 psi
– a minimum capacity of 118 GPM. - The air supply pipe is connected directly with a quick fitting for easy dismantling. In all units, an inlet valve with 1/4” thread is fitted (layout drawings).
6.6. Supply of detergent
The main station with user pack system Sees drawing no 110005307.
- Place the specially designed user pack in the automatic holder.
- If changing to a different product when ending the cleaning process, rinse the product inlet line with clean water as follows:
Replace the User Pack containing product by one with clean water; place the foam nozzle and open the spray gun/outlet valve. The product inlet line is now rinsed with clean water before the use of another product.

The main station is without a user pack system.
See drawing no 110003498
- Place the can with detergent in the can holder
- Check the suction filter for impurities.
- Put the suction hose into the can below the product level and avoid the suction of air.
- After pre-rinsing, check again that the hose is sufficiently below product level and avoid the suction of air during foam or spray operation.
- After use of and when changing product as well as after the use of the unit, remove the hose from the can and rinse the product inlet line and injector with clean water.

6.7. Hose connection
- The special hose fitted with a spray gun/outlet valve is connected to the outlet quick coupling the unit (layout drawing).
- Maximum hose length: 30 m.
- It is recommended only to use Nilfisk FOOD hoses, which have been tested for resistance.
System preparation
7.1. Start-up of the new system
In order to ensure a problem-free start-up of a new system, the pipe system, and pump must be flushed and bled.
Bleeding the pipe system
- Turn on the water supply to rinse and bleed the entire system. If satellites are installed open the tap furthest away until no air or dirt comes out.
Then rinse and bleed the next tap and continue until the tap closest to you has been rinsed and bled.
Bleeding the pump
- Loosen the relief plug (A) (drawing 0627131)
1-2 revolutions until water and air begin to flow out.
Never loosen the relief plug while the pump is running as this may damage the packing.
Tighten the relief plug again. - Start the pump so that all remaining air pockets are forced up to the top of the pump.
- Stop the pump
- Loosen the relief plug 1-2 revolutions again and bleed the system until only water flows out.
- Tighten the relief plug once more.

The main station is now ready for operation.
7.1.1. Start
- Make sure that the water and air supply to the unit is open. For air see the layout drawing. In the case of central chemical supply, this must be activated too.
7.1.2. Stop
- Stop the program if running.
- Close the water supply (see drawing 110005285page 14).
- Close the air supply (see drawing 110005288page 14).
- Deactivate the chemical supply by pulling up the suction hose or removing the User Pack.
Due to the following, it is very important to close the water, air, and chemical supply when the unit is not in use.
- If the air supply is open when the unit is not in use – air might seep into the water pipe – which means that the system has to be bled again.
7.1.3. Adjustment of air
Remove the cover from the unit.
Adjust the air pressure on the reduction valve until an appropriate foam quality is reached.
When setting the regulator, carefully pull up the knob and turn it clockwise for pressure increase and counterclockwise for pressure decrease.

Operation
| Wear glasses when using the unit. | |
| Wear gloves and suitable clothing when using the unit. | |
![]() | WARNING This machine has been designed for use with the cleaning agents supplied or recommended by the supplier |
8.1. Start/Stop (change, rinse, foam, des)
Start the main station
- Check that water- and air supplies for the system are open.
- Make sure that the water and air supply to the unit is open. For air see drawing 110005288page 14. In the case of central chemical supply, this must be activated too.
Stop the main station - Turn off the water supply
- Close the air supply
- Deactivate the chemical supply by pulling up the suction hose or removing the User Pack.
It is important to shut off the water and air when the unit is left after use.
If the air supply is open when the unit is not in use, air may seep into the water pipe. If this is the case the system may have to be bled again.
It may be necessary to bleed the pipes and the unit again after it has been closed for a longer period of time (holidays, and the like)
CAUTION
The chemical supply must always be rinsed thoroughly after use.
The following procedure will clean the chemical supply for detergents and/or remains of disinfectants:
- Remove the User Pack or standard can.
- Hold the rinsing bottle with clean water tightly against the suction opening (with User Pack). Alternatively, you can place a User Pack with clean water in the holder or – without a User Pack – place the hose in a bucket of clean water.
- Activate the hose handle until clean water comes out of the nozzle (approx. 30 seconds).
8.2. Long stops
If long productions stops are planned (more than 6 months) and the pump is emptied of water, it is recommended that the pump be secured as follows:
- Remove the coupling safety guard.
- Spray a couple of drops of silicone oil onto the axle between the top section and the coupling.
Carefully follow the instructions given in the manual provided by the pump supplier. Never store or install equipment where the ambient temperature gets at or below the freezing point.
8.3. Regular maintenance
Quick coupling; it is recommended to lubricate all coupling parts regularly, approx. once a month) by waterproof grease to prevent leaks and damage to o-rings.
- If the quick couplings leak, o-rings should be replaced.
- Depending on usage, maintenance should be undertaken by an authorized service engineer at least once a year in order to prevent defects and failure of the operation. Authorized engineers are persons who due to their skills and experience have sufficient knowledge of Hygiene Systems and are confident with the state work safety regulations, accident-preventing regulations, lines, and generally acknowledged technical regulations such as DIN-norms and VDE provisions. For your safety, this cleaning unit has been manufactured according to all relevant regulations valid in the EU, and therefore it has been supplied with the CE marking. For further information, please refer to the service department.
- When the cleaning process has been completed or chemicals have been changed, it is important to rinse the suction and injector system in the following way:
• Replace the can with a can containing clean water.
• Put the suction hose into the water can.
• Connect the foam nozzle.
• Open the spray gun/outlet valve and keep it open until the injector has been rinsed through (approx. 30 seconds). Remove the suction hose from the water can. - It is recommended to delete the unit according to paragraph 9.6
Maintenance, troubleshooting, service
Service may only be carried out by authorized and qualified personnel.
CAUTION
The system must only be serviced when there is no voltage or pressure on the system.
- Turn off the main switch.
- Open a water outlet to depressurize the system.
CAUTION
The system might be hot.
Ensure sufficient cooling time.
| Wear glasses. | |
| Wear gloves and be aware of chemicals. | |
![]() | WARNING To ensure machine safety, use only original and approved spare parts. |
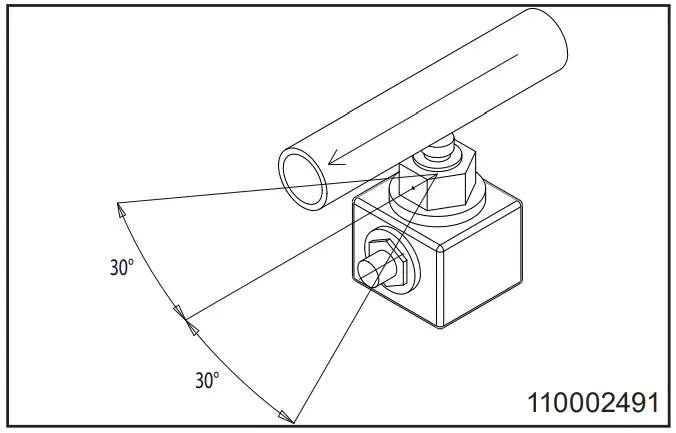
9.1. Installation instruction for flow switch
There is a dot on one of the nut surfaces on the sensor. This is used to position the contact point of the sensor in relation to the direction of flow of the medium.

This marking must be located within an angle of +/- 30° parallel to the direction of flow, as shown in the example.

Diagram of sensor fitted in a pipe.

Loctite 577 is used at the factory to seal the thread, but packing yarn/packing tape can also be used.
9.2. Components
9.2.1. Pump/motor
The pump/motor is maintenance-free.
9.2.2. Flow switch
Maintenance-free.
If defective, replace the flow switch.
- Stop the system.
- Remove the cover.
- Turn the “rinse/foam” handle to the foam position.
- Activate the spray handle on the outlet hose so water runs out.
- Check that the flow switch is turned the correct way (the wire must follow the following direction).
- Turn the brass screw at the bottom of the hole until a green diode lights up.
- Close the spray handle again and check that the red diode lights up.
- Mount the cover.
9.2.3. Product solenoid valve
Maintenance-free.
If defective, replace the product solenoid valve and/or replace chemical supply hoses.
Warning: Risk of chemical residue.
Wear protective gear.
- Turn off the power supply.
- Remove the valve with a slot-head screwdriver.
- Change valves and/or hoses. Be aware of the flow direction marked on the bracket.
- Mount the valve in the bracket.
The flow direction is marked on the bracket. The flow of chemical supply is in the direction of the arrow with the tip pointing towards the automatic block.
Do NOT use the marking printed on the solenoid valve.
9.3. Preventive maintenance
Depending on usage, maintenance should be undertaken by an authorized service engineer at least once a year in order to prevent defects and failure of the operation. Authorized engineers are persons who due to their skills and experience have sufficient knowledge of the Hygiene Systems and are confident with the state work safety regulations, accident preventing regulations, lines, and generally acknowledged technical regulations such as DIN-norms and VDE-provisions. For your safety, this cleaning unit has been manufactured according to all relevant regulations valid in the EU, and therefore it has been supplied with the CE marking. For further information, please refer to the service department.
9.4. Rinsing the chemical supply/injector system
The chemical supply must always be rinsed thoroughly after use.
Activate the spray handle on the outlet hose so water 5. Check that the flow switch is turned the correct way urn the brass screw at the bottom of the hole until a Remains of detergents or disinfectants can clog the injector so it needs to be rinsed or replaced.
The following procedure will clean the chemical supply for detergents and/or the remains of disinfectants.
- Remove the User Pack, if any.
- Hold the rinsing bottle with clean water tightly against the suction opening (with User Pack) or against the hose (without User Pack). Alternatively, you can place a User Pack with clean water in the holder or – without a User Pack – place the hose in a bucket of clean water.
- Activate the hose handle until clean water comes out of the nozzle (approx. 30 seconds).
This procedure should be followed both on the detergent and the disinfectant side (if this is installed).
9.5. Change of injector
- Turn off the power supply.
- Turn off the water and air supply.
- Depressurize the system.
- Unscrew and change injector. Beware of chemical residue.
- Reconnect water, air supply, and power supply.
![]() | WARNING Risk of chemical residue. Wear protective clothing. |
| CAUTION The unit might be hot. Ensure sufficient cooling time. |
9.6. Deliming
The interval of the deliming procedure depends on the water hardness. Please see the table at the end of this section.
9.6.1. Manual block
- Make sure the water and the power to the unit are disconnected.
- Remove the cover from the unit.
- Depressurize the system.
- Dismount the injector block, product non-return valve, air valve, and air non-return valve including the air fittings.
- Rinse the injector block in clean water.
- Place the injector block and product non-return valves in a deliming bath – make sure the selector knob is over the surface.
- Wait for 60 minutes.
- Rinse the injector block in clean water.
- Mount the air valve, air non-return valve, and product non-return valve on the injector block and mount the injector block in the unit.
- Reconnect the water to the unit.
- Test the unit in foam position and make sure the vacuum is sufficient, it is recommended to be between 14,8-20,7 inHg/-0,05-0,07MPa.
- Test that the unit can start and stop in both foam and rinse positions.
- Reinstall the cover on the unit.
9.6.2. Automatic block
A dedicated deliming program is needed for the following process:
- Remove the cover from the unit.
- Place the chemical supply hoses in clean water and activate the foaming function on all chemical valves for 1 minute.
- Place the chemical hoses in deliming fluid and activate the foaming function for all chemical valves for 1 minute.
- Wait 60 minutes.
- Place the chemical hoses in clean water and activate the foaming function on all chemical valves for 5 minutes.
- Activated the rinsing function for 1 minute.
- Test the foaming function and make sure the vacuum is sufficient, it is recommended to be between 14,8-20,7 inHg/-0,05-0,07MPa.
- Reinstall the cover on the unit.
| °dH | ppm | Time between deliming |
| 0-5 | 18-90 | 12 months |
| 5-10 | 90-180 | 6 to 12 months |
| 10-15 | 180-270 | 3 to 6 months |
| 15-20 | 270-360 | 3 to 6 months |
| >20 | >360 | 1 to 3 months |
Table 9.1
9.7. Coupling
It is recommended to lubricate all coupling parts regularly (approx. once a week) with waterproof grease to prevent leaks and damage to the O-ring. If the unit is equipped with a spray gun the -o-ring of the gun should also be lubricated.
In leaking quick couplings the O-rings should be replaced.
9.8. Internal cleaning of the unit
Depending on the environment where the unit is installed, internal cleaning of the unit might be required.
We recommend opening and cleaning the unit inside once a year.
Do not spray inside the unit.
Chemical hoses; it is recommended to check all chemical hoses regularly, approx. once every 3rd month.
9.9. Troubleshooting and remedy
In case of errors/troubles not mentioned above, please contact your local service technician for further assistance.
| Fault | Cause | Remedy |
| The unit does not start | •Is their supply voltage to the unit •Flow switch out of adjustment | •Reconnect voltage and ensure the right supply •Try to readjust the flow switch |
| No pressure / too low pressure | •Insufficient water supply at the unit •Is the filter clogged •Is the pump leaking or making jarring sounds •Rinsing nozzle not installed •Defect in main station unit •No water supply | •Open water supply valve •Clean the filter •Call technician •Place rinsing nozzle •Consult direction for use of the main station •Ensure water supply |
| Insufficient foam creation | •No supply of diluted products •Product not suitable •Insufficient air supply at the unit •Air pressure in mixing chamber too high •Defect non-return valve for air •Incorrect nozzle •Leaking or blocked chemical non-return valve •System needs deliming | •Consult directions for use of the dosing unit •Choose a suitable product •Provide sufficient air supply •Adjust air pressure setting •Replace non-return valve for air •Place foam nozzle 50/200 •Clean or replace chemical non-return valve •Delime the unit according to paragraph 9.5 |
| No foam creation | •No supply of diluted products •Product not suitable •Air pressure in mixing chamber too high •Defect non-return valve for air •No air supply at the unit •Non-return valve blocked •Nozzle of mixing chamber blocked •Leaking or blocked chemical non-return valve •System needs deliming | •Consult directions for use of the dosing unit •Choose a suitable product •Adjust air pressure setting •Replace non-return valve for air •Ensure air supply •Clean or replace non-return valve •Clean nozzle •Clean or replace chemical non-return valve •Delime the unit according to paragraph 9.5 |
| No spray sanitizing | •No supply of diluted products •Non-return valve blocked •Nozzle of mixing chamber blocked •Leaking or blocked chemical non-return valve •System needs deliming | •Consult directions for use of the dosing unit •Clean or replace non-return valve •Clean nozzle •Clean or replace chemical non-return valve •Delime the unit according to paragraph 9.5 |
| Error | Cause | Remedy |
| Limit exceed 1 — Temperature sensor | 1) Water pump top temperature above 80 degrees C / 175 degrees F | 1) Lower the inlet water temperature to below 70 degrees C / 158 degrees F |
| Limit exceed 2 — Dry run sensor | 1) Inlet water pressure is too low Water consumption too high — pump in suction mode | 1)Secure sufficient water supply pressure min. 1 bar / 14 psi Secure that water consumption does not exceed pump capacity 2)Check the inlet filter for impurities/clean filter |
| Signal outside range analog input 1 (165) | 1) Output signal from pressure sensor on the automatic block is outside range | 1)Reset unit via reset contact terminals 4A and 4B 2)If the error remains after reset either sensor or sensor cable is broken |
| Signal outside range analog input 2 (166) | 1) Output signal from the dry run sensor on the inlet pipe is outside the range | 1)Reset unit via reset contact terminals 4A and 4B 2)If the error remains after reset either sensor or sensor cable is broken |
9.10. Service address
Please see the back cover of this manual.
Tools
Standard tools that are useful/necessary for service and maintenance on the full range of equipment.
| BF/BW & MB Booster Main station Dramatic main station | Satellites BF/BW & MB Booster Main station Dramatic satellites Dramatic main station |
![]() | ![]() |
| Satellites BF/BW & MB Booster Main station Dramatic satellites Dramatic main station | Satellites BF/BW & MB Booster Main station Dramatic satellites Dramatic main station |
![]() | ![]() |
| BF/BW & MB Booster | Dramatic satellites Dramatic main station |
![]() | ![]() |
| Satellites BF/BW & MB Booster Main station Dramatic satellites Dramatic main station | Satellites Main station Dramatic satellites Dramatic main station |
![]() | ![]() |
End of use
11.1. Dismounting
Close all supply valves and remove the unit from the wall.
11.2. Disposal
In case the unit should be disposed of, it must be separated and sorted into recyclable and non-recyclable parts.
The steel construction is easily separated and disposed of and constitutes no environmental risk – nor for the user.
Disposal must be made according to rules and regulations in force for disposal of machines as well as all standards in connection with environmental protection.
CAUTION
Disposal of electronic components and other remedies must be handled as special disposal when disposed of.
Alternatively, it can be disposed of by a specialized disposal company.
Spare Parts

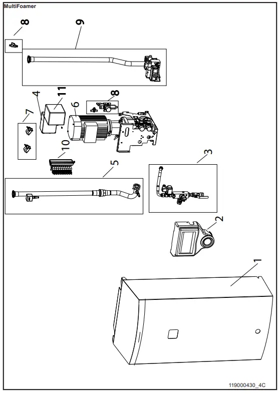
| Pos./Ref. | No. | Description | Multifoamer Inox 200-2 | Multifoamer Inox 200-2M | Multifoamer Inox 200-3 | Multifoamer Inox 200-3M |
| 1 | 110005898 | Cover Hybrid MS +70 | 1 | 1 | 1 | 1 |
| 2 | 110003965 | Vacuum cover | 1 | 1 | 1 | 1 |
| 3 | See page 28 drawing 110004572 | – | 1 | – | 1 | |
| 4 | Screw terminals | 1 | 1 | 1 | 1 | |
| 5 | See page 30 drawing 110001888 | 1 | 1 | 1 | 1 | |
| 6 | 110005904 | CRNE 5-9 | 1 | 1 | 1 | 1 |
| 7 | 110005281 | Solenoid valve complete valid until 22/1-2021 | 2 | 2 | 3 | 3 |
| 7 | 110006599 | Solenoid valve complete valid from 22/1-2021 | 2 | 2 | 3 | 3 |
| 7 | 110006677 | Chemical valve, Bürkert (cURus approved) | 2 | 2 | 3 | 3 |
| 8 | See page 36, drawing 119000430_3 | 1 | 1 | 1 | 1 | |
| 9 | See page 32 drawing 110004580 | 1 | 1 | 1 | 1 | |
| 10 | 10002433 | Pilot manifold f. 10 valves (Optional) | 1 | 1 | 1 | 1 |
| 11 | 110008156 | Power supply for flow switch | * | * | * | * |

| Pos./Ref. | No. | Description | Multifoamer Inox 200-2 | Multifoamer Inox | Multifoamer Inox 200-3 | Multifoamer Inox |
| 1 | 110003512 (0602021) | Screw kit | – | 1 | – | 1 |
| 2 | 110003282 | Air regulation valve complete | – | 1 | – | 1 |
| 3 | 110001102 | Chemical nonreturn valve | – | 2 | – | 2 |
| 4 | 110001979 | Air nonreturn valve | – | 1 | – | 1 |
| 5 | 110003512 (110000526) | Screw kit | – | 1 | – | 1 |
| 6 | 110004384 | Water nonreturn valve complete | – | 1 | – | 1 |
| 7 | 110004246 | Fitting | – | 1 | – | 1 |
| 8 | 110005355 (0600078) | O-ring kit | – | 1 | – | 1 |
| 9 | 110005355 (110002785) | O-ring kit | – | 1 | – | 1 |
| 10 | 110002306 | Plug | – | 1 | – | 1 |
| 11 | 110005355 (110002952) | O-ring kit | – | 4 | – | 4 |
| 12 | 110005355 (110000038) | O-ring kit | – | 1 | – | 1 |
| 13 | 110003682 | Outlet coupling complete | – | 1 | – | 1 |
| 14 | 110005355 (641101) | O-ring kit | – | 1 | – | 1 |
| 15 | 110005355 (641102) | O-ring kit | – | 1 | – | 1 |
| 16 | 110003283 | Injector kit | – | 1 | – | 1 |
| 17 | 110003512 (110000526) | Screw kit | – | 1 | – | 1 |
| 18 | 110005355 (110002508) | O-ring kit | – | 1 | – | 1 |
| 19 | 110005355 (350108) | O-ring kit | – | 1 | – | 1 |
| 20 | 110003401 | Axle for block complete | – | 1 | – | 1 |
| 21 | 909100214 | Operation button | – | 1 | – | 1 |
| 22 | 110003512 (110000525) | Screw kit | – | 1 | – | 1 |
| 23 | 110003092 | Hexagon nipple | – | 1 | – | 1 |
| 24 | 350705 | Lock nut | – | 1 | – | 1 |
| 25 | 110005355 (110004888) | O-ring kit | – | 1 | – | 1 |
| 26 | 110005355 (110004887) | O-ring kit | – | 1 | – | 1 |
| 27 | 110003355 | O-ring kit | – | 1 | – | 1 |
| (0635021) | ||||||
| 110001214 | Chemical hose (blue) | |||||
| 110001197 | Chemical hose (yellow) | |||||
| 110001198 | Chemical hose (red) | |||||
| 110001199 | Chemical hose (green) | |||||
| 0646105 | Chemical limiting nozzle |

| Pos./Ref. | No. | Description | Multifoamer Inox 200-2 | Multifoamer Inox | Multifoamer Inox 200-3 | Multifoamer Inox |
| 1 | 0631030 | Pressure-sensitive switch (dry run) until 20/8-2020 | 1 | 1 | 1 | 1 |
| 1 | 110006663 | Pressure transmitter 0-40 bar from 21/8-2020 | 1 | 1 | 1 | 1 |
| 2 | 110000973 | Flow switch | 1 | 1 | 1 | 1 |
| 2 | 110007807 | Flow switch (cURus approved) | 1 | 1 | 1 | 1 |
| 3 | 110005273 | Clamp kit Foamatic | 1 | 1 | 1 | 1 |
| 4 | 630900 | Nonreturn valve 1 1/4″ | 1 | 1 | 1 | 1 |
| 5 | 110004913 | Piping support inlet | 1 | 1 | 1 | 1 |
| 6 | 110005273 | Clamp kit Foamatic | 1 | 1 | 1 | 1 |

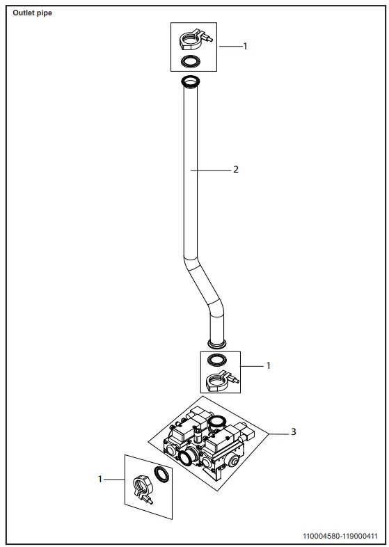
| Pos./Ref. | No. | Description | Multifoamer Inox 200-2 | Multifoamer Inox 200-2 | Multifoamer Inox 200-3 | Multifoamer Inox 200- |
| 1 | 110005273 | Clamp kit Foamatic | 3 | 3 | 3 | 3 |
| 2 | 110005106 | Outlet pipe complete | 1 | 1 | 1 | 1 |
| 3 | See page 34 drawing 119000430-5 | 1 | 1 | 1 | 1 |

| Pos./Ref. | No. | Description | Multifoamer Inox 200-2 | Multifoamer Inox 200-2M | Multifoamer Inox 200-3 | Multifoamer Inox 200-3M |
| 2 | 110005274 | Fitting | – | 1 | – | 1 |
| 3 | 110005275 | Plug | 1 | – | 1 | – |
| 4 | 110005279 | Clamp fitting | 2 | 2 | 2 | 2 |
| 5 | 110005355 (110004837) | O-ring kit | 2 | 2 | 2 | 2 |
| 6 | 110003512 (110005104) | Screw kit | 4 | 4 | 4 | 4 |
| 7 | 110005355 (110004835) | O-ring kit | 2 | 2 | 2 | 2 |
| 8 | 110005276 | Service kit actuator | 1 | 1 | 1 | 1 |
| 11 | 0605792 | Actuator | 2 | 2 | 2 | 2 |
| 12 | 110004622 | Solenoid valve | 2 | 2 | 2 | 2 |
| 12 | 110006681 | Solenoid valve (cURus approved) | 2 | 2 | 2 | 2 |
| 13 | 110003512 (110004573) | Screw kit | 4 | 4 | 4 | 4 |
| 14 | 110005277 | Service kit automatic block | 2 | 2 | 2 | 2 |
| 15 | 110005355 (110004870) | O-ring kit | 1 | 1 | 1 | 1 |
| 16 | 110005355 (110004871) | O-ring kit | 1 | 1 | 1 | 1 |
| 17 | 110005355 (110002955) | O-ring kit | 1 | 1 | 1 | 1 |
| 18 | 110005363 | Injector kit | 1 | 1 | 1 | 1 |
| 19 | 110001979 | Air nonreturn valve | 1 | 1 | 1 | 1 |
| 20 | 110005355 (110002952) | O-ring kit | 3 | 3 | 4 | 4 |
| 21 | 110001102 | Chemical nonreturn valve | 2 | 2 | 3 | 3 |
| 22 | 110005355 (0635021) | O-ring kit | 3 | 3 | 4 | 4 |
| 23 | 110002306 | Plug | 1 | 1 | – | – |
| 25 | 110005207 | Bracket | 1 | 1 | 1 | 1 |
| 26 | 110003512 (110003900) | Screw kit | 2 | 2 | 2 | 2 |
| 27 | 110005355 (110002952) | O-ring kit | – | – | – | – |
| 28 | 110002306 | Plug | – | – | – | – |
| 29 | 110006663 | Sensor | 1 | 1 | 1 | 1 |
| 30 | 110005355 (0635042) | O-ring kit | – | 2 | – | 2 |
| 31 | 110005355 (110004140) | O-ring kit | 1 | 1 | 1 | 1 |
| 32 | 110005227 | Block automatic complete, 3 detergents w. sat | – | – | – | 1 |
| 32 | 110005226 | Block automatic complete, 2 detergents w. sat | – | 1 | – | – |
| 32 | 110005229 | Block automatic complete, 3 detergents | – | – | 1 | – |
| 32 | 110005228 | Block automatic complete, 2 detergents | 1 | – | – | – |
| 33 | 110005351 | Fixation for actuator | 2 | 2 | 2 | 2 |
| 34 | 110003512 (156519) | Pinol screw | 4 | 4 | 4 | 4 |

| Pos./Ref. | No. | Description | Multifoamer Inox 200-2 | Multifoamer Inox | Multifoamer Inox 200-3 | Multifoamer Inox |
| 1 | 110000655 | Regulator | 1 | 2 | 1 | 2 |
| 2 | 635660 | Manometer | 1 | 2 | 1 | 2 |
| 3 | 635650 | Air filter, regulator | 1 | 1 | 1 | 1 |
| 4 | 634000 | Ball valve air | 1 | 1 | 1 | 1 |
| 5 | 110002787 | Solenoid valve 5/2″ complete | 1 | 1 | 1 | 1 |
| 5 | 110006653 | Solenoid valve (cURus approved) | 1 | 1 | 1 | 1 |
| 6 | 59000 | Air fittings, elbow 6 mm | 2 | 3 | 2 | 3 |
| 7 | 639500 | Air fittings 8 mm | 2 | 2 | 2 | 2 |
| 8 | 0600084 | Tee-piece 1/4″ | – | 1 | – | 1 |
| 9 | 110005431 | Reduction ø8-ø6 | 1 | 1 | 1 | 1 |
| 10 | 638601 | Air fittings 8 x 1/4″ x 8 | 1 | 1 | 1 | 1 |
| 11 | 0663009 | Air fittings 6 mm | 1 | 1 | 1 | 1 |
| 12 | 638500 | Air fittings, elbow 8 mm | 1 | 1 | 1 | 1 |
| 13 | 0663011 | Air fittings 6 mm tee-piece | 1 | 1 | 1 | 1 |
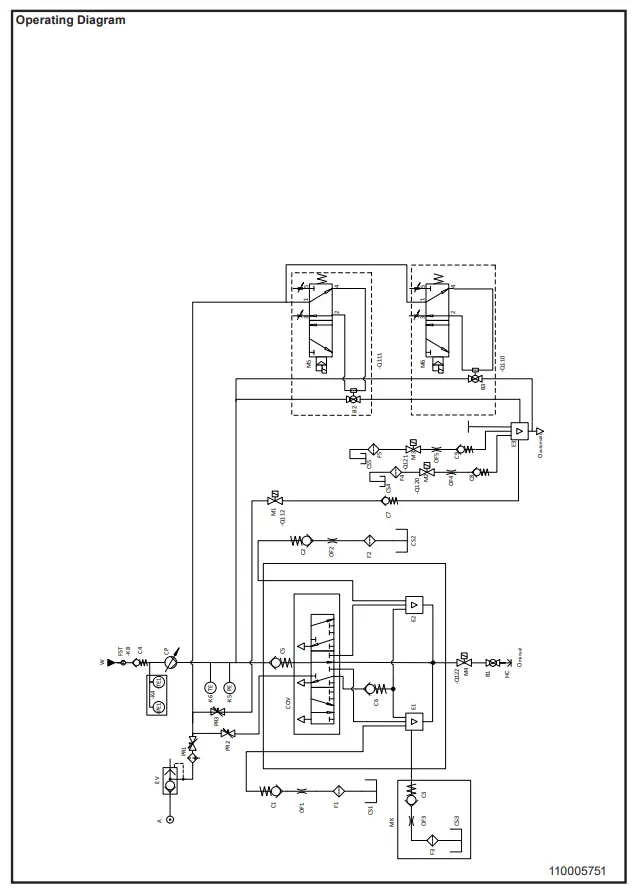
| Number/Mark | Description |
| A | Air supply |
| B | Ball valve |
| C | Check valve |
| COV | Change over valve |
| CP | Centrifugal pump |
| CS | Chemical supply |
| E | Ejector |
| EV | Exhaust valve |
| F | Filter |
| FST | Flow sensor and -trigger |
| HC | Hose coupling |
| K | Component reference |
| M | Magnetic valve |
| MK | Mix kit (optional) |
| 0 | Outlet |
| OF | Orifice |
| PE | Pressure sensor |
| PR | Pressure regulator |
| Q | Component reference |
| TE | Temperature sensor |
| W | Water inlet |





| J | 12/4/21 | Kosmetiske infringer | KMS |
| I | 19/3-21 | 0-40 bars sensor | KMS |
| H | 16/3-21 | Release signal tilf. | KMS |
| G | 14/9-20 | Pumpealarm, fejl: flyttet fra NC til NO. | KMS |
| F | 26/8-20 | Torlob, nye farver pa ledning. | KMS |
| E | 25/8-20 | Torlob atter tilbage som pressost. | KMS |
| D | 6/7/20 | Lampe fjernet, Input X5 box fjernet. | KMS |
| C | 17/3-20 | Output X5 rettet til Input X5. | KMS |
| B | 27/1-20 | Pressostat ind pa dry-run. | KMS |
| Mrk. | Dato | Rettelser | Init. |

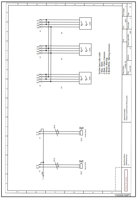
Chemical Product valves

| Position | Description |
| Q123 | Chemical Valve C |
| Q122 | Solenoid valve for a manual outlet |
| Q121 | Chemical product valve B |
| Q120 | Chemical product valve A |
| Q112 | Air valve |
| Q110 | Rinse valve |
MultiFoamer Terminal box
Terminal description
Rinse valve (Q110)
Terminals 5.A and 5. B is used for an opening for rinse water. This is water going through the block but not through the injector inside the block. Opening this valve is done by applying 24Vdc to terminal 5.A and 0V to terminal 5. B.
The product water valve (Q111)
Terminals 6.A and 6. B is opening the valve in the block leading water through the injector to the outlet pipe.
Opening the valve is done by applying 24Vdc to terminal 6.A and 0V to terminal 6. B.
Air Valve (Q112)
Terminals 7.A and 7. B is opening for compressed air to the block. This is done for instance to make foam or empty off the pipes. Activating this valve is done by applying 24Vdc to terminal 7A and 0V to terminal 7B.
Product valves A, B, and C (Q120, Q121, Q123)
Terminals 8 and 9-A and B are opening for products to flow to the injector. Activating these valves is done by applying 24Vdc to the A terminal and 0V to the B terminal. NB! Be very careful not to open more than one product valve at a time, unless it is approved by the chemical supplier.
Manual outlet (Q122)
Terminals 10. A and 10. B is for opening the valve for manual cleaning. Activating this valve is done by applying 24Vdc to the A terminal and 0V to the B terminal.
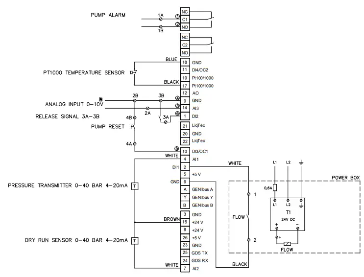
Error
This signal is a relay signal indicating if an error is active at the pump. If an error is active terminal 1. A and 1.B will be short-circuited otherwise they will be disconnected.
Speed Control/enable motor
Terminals 2.A and 2. B is used for controlling the pressure of the pump, with a signal of 0-10Vdc. 0V being pump stopped and 10Vdc is equal to maximum pressure. A signal to control the pressure must be applied for the motor to run.
Release signal
Terminals 3A and 3B are used for a release signal. From the factory, we build a wired bridge between 3A and 3B to simulate the release signal. When the unit is delivered it can therefore run as if the release signal was present. If you want to actively use the release signal, remove the wired bridge and make the release signal from your PLC.
Reset
Terminal 4.A and 4. B is used for resetting any errors detected. Reset will happen by making a short circuit between 4. A and 4. B for a short period of time.
After this release the short circuit again.
Description of internal valves in MultiFoamer – Description of sequence for wash steps
Rinsing
| Sequence | Activity/function | Time/Valve no. to activate |
| 1 | Activate area valve* | |
| 2 | Activate rinse valve | (Q110) |
| 3 | Step time – rinsing | XX sec. |
| 4 | Deactivate rinse valve | (Q110) |
| 5 | Action pause (closing of the valve) | 3 sec. |
| 6 | Deactivate area valve | |
| 7 | Action pause (close of the valve) | 3 sec. |
Rinsing
| Sequence | Activity/function | Time/Valve no. to activate |
| 1 | Activate area valve* | |
| 2 | Activate product water valve | (Q111) |
| 3 | Activate chemical product valve** | (Q120/Q121/Q123) |
| 4 | Action pause (opening of the valve) | 3 sec. |
| 5 | Activate air valve | (Q112) |
| 6 | Step time – foaming | XX sex. |
| 7 | Deactivate air valve | (Q112) |
| 8 | Deactivate chemical product valve** | (Q120/Q121/Q123) |
| 9 | Deactivate product water valve | (Q111) |
| 10 | Action pause (closing of the valve) | 3 sec. |
| 11 | Deactivate area valve | |
| 12 | Action pause (closing of the valve) | 3 sec. |
Rinsing
| Sequence | Activity/function | Time/Valve no. to activate |
| 1 | Activate area valve* | |
| 2 | Activate product water valve | (Q111) |
| 3 | Activate chemical product valve** | (Q120/Q121/Q123) |
| 4 | Step time – sanitizing | XX sec. |
| 5 | Deactivate chemical product valve** | (Q120/Q121/Q123) |
| 6 | Deactivate product water valve | (Q111) |
| 7 | Action pause (closing of the valve) | 3 sec. |
| 8 | Deactivate area valve | |
| 9 | Action pause (closing of the valve) | 3 sec. |
Pause
| Sequence | Activity/function | Time/Valve no. to activate |
| 1 | Step time – pause | XX sec. |
Injector pulse flush function
| Sequence | Activity/function | Time/Valve no. to activate |
| 1 | Activate area valve* | |
| 2 | Activate product water valve | (Q111) |
| 3 | Action pause (opening of the valve) | 10 sec. |
| 4 | Deactivate product water valve | (Q111) |
| 5 | Action pause (closing of the valve) | 5 sec. |
| 6 | Activate product water valve | (Q111) |
| 7 | Action pause (opening of the valve) | 5 sec. |
| 8 | Deactivate product water valve | (Q111) |
| 9 | Action pause (closing of the valve) | 5 sec. |
| 10 | Activate product water valve | (Q111) |
| 11 | Action pause (opening of the valve) | 5 sec. |
| 12 | Deactivate product water valve | (Q111) |
| 13 | Action pause (closing of the valve) | 5 sec. |
| 14 | Activate product water valve | (Q111) |
| 15 | Action pause (opening of the valve) | 5 sec. |
| 16 | Deactivate product water valve | (Q111) |
| 17 | Action pause (closing of the valve) | 5 sec. |
| 18 | Activate product water valve | (Q111) |
| 19 | Action pause (opening of the valve) | 5 sec. |
| 20 | Deactivate product water valve | (Q111) |
| 21 | Action pause (closing of the valve) | 5 sec. |
| 22 | Deactivate area valve* |
Fill pipe
| Sequence | Activity/function | Time/Valve no. to activate |
| 1 | Activate product water valve | (Q111) |
| 2 | Action pause (opening of the valve) | 5 sec. |
| 3 | Activate area valve* | |
| 4 | Step time – filling pipe | XX sec. |
| 5 | Deactivate product water valve | (Q111) |
| 6 | Action pause (closing of the valve) | 3 sec. |
| 7 | Deactivate area valve* | |
| 8 | Action pause (closing of the valve) | 3 sec. |
Empty pipe
| Sequence | Activity/function | Time/Valve no. to activate |
| 1 | Activate area valve* | |
| 2 | Activate air valve | (Q112) |
| 3 | Step time – emptying pipe | XX sec. |
| 4 | Deactivate air valve | (Q112) |
| 5 | Action pause (closing of the valve) | 5 sec. |
| 6 | Deactivate area valve* | |
| 7 | Action pause (closing of the valve) | 3 sec. |
Manual cleaning
| Sequence | Activity/function | Time/Valve no. to activate |
| 1 | Activate valve for manual cleaning | Q122 |
* Customer must decide which area valve
** WARNING! Be sure not to open two chemical product valves at the same time! Unless your chemical supplier advises doing so!
Pump curve MultiFoamer Inox

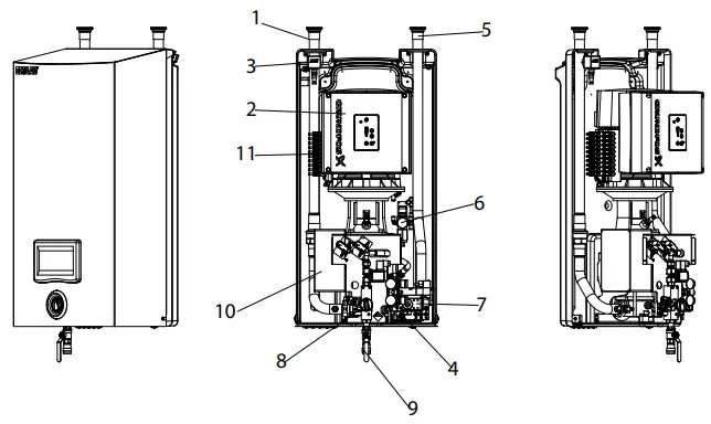
Installation Diagram


Layout Hybrid Foamatic

| 1 | Water inlet |
| 2 | Pump |
| 3 | Flow switch |
| 4 | Pressure sensor |
| 5 | Water Outlet pipe |
| 6 | Air regulator with manometer |
| 7 | Multiblock |
| 8 | Operation button, manual cleaning |
| 9 | Ball valve with quick coupling |
| 10 | Screw terminal |
| 11 | Manifold for air |
No.: 110006171J 12/2021
Serial no: 128.02.000xxx
© 2017 All rights reserved
Technical file responsible:
Flemming Asp
Nilfisk FOOD
Blytaekkervej 2
9000 Aalborg, Denmark
Signature:
Flemming Asp
R & D Manager
Aalborg d. 01-07-2018


























