nilfisk food Griff Power Cleaning Machine

IMPORTANT SAFETY INSTRUCTIONS
WARNING
When using electric appliances, basic precautions should always be followed, including the following:
- Read all the instructions before using the appliance.
- To reduce the risk of injury, close supervision is necessary when an appliance is used near children.
- Do not touch moving parts.
- Only use attachments recommended or sold by the manufacturer.
- Do not use outdoors.
Exception: This item is not required if the appliance has been evaluated for outdoor use. - For a cord-Connected appliance, the following shall be included:
- To disconnect, turn all controls to the off (“O”) position, then remove plug from outlet.
- Do not unplug by pulling the cord. To unplug, grasp the plug, not the cord.
- Unplug from outlet when not in use and before servicing or cleaning.
- Do not operate any appliance, with a damaged cord or plug, after appliance malfunctions or if dropped or damaged in any manner. Return appliance to the nearest authorized service facility for examination, repair, electrical or mechanical adjustment.
- For a portable appliance – To reduce the risk of electrical shock, do not put Griff in water or other liquid. Do not place or store appliance where it can fall or be pulled into a tub or sink.
- For a grounded appliance – connect to a properly grounded outlet only. See Grounding Instructions.
Symbol

Description
The Griff unit is a complete hygiene station for foaming, rinsing and desinfecting. The unit requires sufficient supply of water, compressed air and detergent or desinfectant.
The unit is tested and approved to operate with a wide range of chemical products.
Using Hygiene Chemicals:
The Griff unit can be used with foam detergents and disinfectants.
Warning: Do not use the water from the unit for applications other than cleaning.

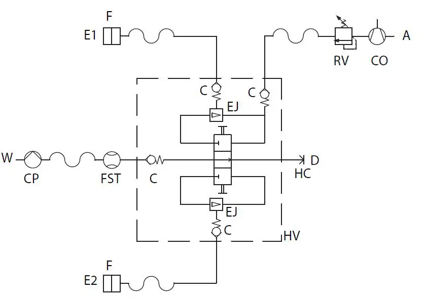
Layout for Griff.
Single user unit

- Water inlet
- Pump
- Flow Switch
- Injector block
- Chemical inlet, block
- Sanitizer inlet, block
- Air inlet, block
- Compressor
- Water outlet
- Switch, Compressor
- Control box
- Power supply
Operating Diagrams
according to ISO14617

F. Filter.
FST. Flow-switch and -trigger.
C. Check valve.
CP. Centrifugal pump.
EJ. Ejector.
HV. Hydraulic valve.
HC. Hose connection.
A. Air supply.
D. Outlet.
E. Inlet, detergent.
W. Water inlet.
CO. Compressor
RV. Regulating valve
Identification Plate

- Producer
- Serial no.
- Type
- Date
- Article No.
- Maximum pressure
- Supply voltage
- Frequency
- Maximum water consumption
- Maximum water temperature
- Weight
General information
For safety reasons it is important to read this manual before mounting the equipment. In addition, the legislation in force at the time of purchase must always be considered in connection with the installation and mounting of this equipment, no matter the contents of this manual.
If there are matters of dispute please contact your dealer. This equipment is produced and tested by specially qualified personnel, following approved instructions to ensure our high level of product quality. After the product is finished and tested it is manually inspected just before the product is released for shipping.
To obtain our high level of quality and long life we use stainless steel parts. These parts, in defiance of our manual inspections may still have some sharp edges,which can present a cutting hazard. Therefore it is advised always to use protective gloves and show caution when installing the equipment.
The unit is UL/CSA listed.
Preparation
Wall version:
Identify what type of wall the unit will be mounted on.
The installation procedure for the most common wall types is described in the installation guide.
Make sure that the walls carrying capacity is sufficient.
Mobile version:
Identify a suitable place for the unit within the reach of the inlet hose.
Make sure the floor is level.
![]() | Note: The pipeline must be rinsed through before the system is connected. |
![]() | Note: Remove cover before the system is mounted on the wall. |
![]() | Note: The weight of the unit is listed in the specification section. |
Transportation
For secure transportation of the unit, we recommend always ensuring, that the unit can not slide or tip.
The unit might have to be secured with straps.
Transportation of the unit only in vertical position:
In case the unit is moved at a temperature of approx or below 0°C (32°F), you must always make sure that the the unit has been fully emptied for water. If this is
not the case, you may damage the unit.
Placing/application
- Do not use the unit outdoors.
- The unit must be placed in frost-free rooms only.
- The free space around unit should be as much as possible to make operation of the unit as easy as possible.
- Max. ambient temp. 104°F/40°C.
- Non-vibrating surface.
Water supply
| Min. inlet pressure | 2 bar/29 psi@ 3 gal/min/11 l/min. |
| Max. inlet pressure | 72 psi/5 bar |
| Max. water temperature | 158°F – 70oC |
![]() | Before the unit is connected to the water supply pipe, the supply line should be rinsed carefully in order to remove coarse impurities and metal shavings. |
The supply line must be sized so that it can supply the minimum indicated pressure and water volume when connected to this equipment.
When dimensioning the water supply, it is recommended to increase the available volume with 15-20 % compared to the minimum requirements listed in the table.
![]() | Note: Recomented water hardness 100 – 129 PPM / 14 – 18 °dH. |
The equipment will operate with water hardness exceeding this level. However, descaling of pump system, injectors and like must be expected depending on use pattern and water quality. Furthermore, wear of the mechanical parts will increase as well. If not supplied, filter should be mounted.
![]() | Note: Descaling frequency – see section 15. |
Air supply
The unit is equipped with an internal compressor.
Adjustment of air
Normally the Air will not need adjustment on the unit.
If adjustment is necessary.
Do not attempt to adjust the air your self always contact an authorised service company.
WARNING:
When working on the compressor be care full, several parts of the Compressor may be very hot.
Power supply
The power installation must allways be in accordance with local legislation regardless what this manual says.
The 60 HZ version is equipped with a GFCI plug that must be connected to a power outlet.
| Voltage: | 1×110-115 Vac ±10% |
| Frequency: | 60 Hz 62 +0% |
| Power consumption: | 1 kW |
| Nominal current: | 11.1 A |
| Security of electircal wiring | 12 A |
Installation Guide
a) For all grounded, cord-connected appliances:
GROUNDING INSTRUCTIONS
This appliance must be grounded. In the event of malfunction or breakdown, grounding provides a path of least resistance for electric current to reduce the risk of electric shock. This appliance is equipped with a cord having an equipment-grounding conductor and a grounding plug. The plug must be plugged into an appropriate outlet that is properly installed and grounded in accordance with all local codes and ordinances.
If there is any doubt whether the outlet box is properly grounded a qualified electrician must be consulted.
DANGER – Improper connection of the equipmentgrounding conductor can result in a risk of electric shock. The conductor with insulation having an outer surface that is green with or without yellow stripes is the equipment-grounding conductor. If repair or replacement of the cord or plug is necessary, do not connect the equipment-grounding conductor to a live terminal. Check with a qualified electrician or serviceman if the grounding instructions are not completely
understood, or if in doubt as to whether the appliance is properly grounded. Do not modify the plug provided with the appliance – if it will not fit the outlet, have a proper outlet installed by a qualified electrician.
Exception: For products employing date code marking on power supply cord attachment plug blade in accordance with 70.1.19, the instructions above shall be replaced with the following:
DANGER – Improper connection of the equipmentgrounding conductor can result in a risk of electric shock. Check with a qualified electrician or serviceman
if the grounding instructions are not completely understood, or if in doubt as to whether the appliance is properly grounded. Do not modify the plug provided with the appliance – if it will not fit the outlet, have a proper outlet installed by a qualified electrician.
b) For grounded, cord-connected appliances rated less than 15 A and intended for use on a nominal 120 V supply circuit:
This appliance is for use on a nominal 120 V circuit, and has a grounding plug that looks like the plug illustrated in sketch A in Figure 73.1. A temporary adaptor, which looks like the adaptor illustrated in sketches B and C, may be used to connect this plug to a 2-pole receptacle as shown in sketch B if a properly grounded outlet is not available. The temporary adaptor should be used only until a properly grounded outlet can be installed by a qualified electrician. The green-colored rigid ear, lug, and the like, extending from the adaptor must be connected to a permanent ground such as a properly grounded outlet box cover. Whenever
the adaptor is used, it must be held in place by the metal screw.
c) For grounded, cord-connected appliances other than as mentioned in (b)
To reduce the Risk of Electric Shock, this appliance has a polarized plug. This plug will fit in a polarized outlet only one way. If the plug does not fit fully in the outlet, reverse the plug. If it still does not fit, contact a qualified electrician to install the proper outlet. Do not change the plug in any way.

Connecting the unit
Before the unit can be put into operation Water,
Cleaning products and Electricity must be connected
to the unit.
Connections
Water:
Connect the inlet water hose to the unit, a 3/4″ GHT male connector is required for connection.
Products:
Install pick-up hoses on both check valves and use appropriate color-coded limiting nozzles depending on the needed concentration. See table for guideline below. Connect the pickup hoses to the product cans by using a cap adaptor.

Tests have been made with water.
| Nozzle color | Concentration in % Foam | Concentration in % Desinfection |
| Purple | 1,83 | 1,98 |
| Turquoise | 1,90 | 1,98 |
| Yellow | 2,44 | 2,44 |
| Brown | 3,04 | 2,74 |
| Orange | 3,57 | 3,64 |
| Green | 4,38 | 4,45 |
| Tan | 6,10 | 6,07 |
| Blue dark | 7,15 | 7,15 |
| White | 8,17 | 8,31 |
| No limiting nozzle | 9,17 | 9,17 |
Electricity:
![]() | WARNING: ALLWAYS CONNECT ELECTRICITY LAST. |
Connect the plug to the wall socket, make sure the plug is properly connected.
![]() | NOTE: Red LED will illuminate. If not, press red reset button. |
Preparing the unit
![]() | NOTE: Before use, the unit must be filled with water. |
![]() | NOTE: Make sure the power supply to the unit is not connected. |
Turn on the water supply to the unit.
Open the ball walve on the outlet hose until no air or dirt comes out.The unit is now ready for use, reconnect the power supply.
Bleed the piping system.
Testing the unit
- Make sure water, product and electricity are connected to the unit.
- Pull the outlet to the desired length.
- Connect the desired nozzle foam (white), rinse (blue).
- Connecting the nozzle is done by pulling back the quick connector/coupler (Fig. 11). Connect the nozzle by pushing the nozzle into the opening of the quick connector.
![]() | NOTE: Make sure the nozzle is “clicked” properly into the coupling, you will hear a small click when the nozzle slips into place. |
Testing the Rinse function:
Hold the ball valve/pistol over sink for testing.
- Turn the selector knob on the unit to rinse position.
- Connect the rinse nozzle to the ball valve/pistol.
- Open the ball valve/pistol and the pump will start. It may take several seconds for the outlet hose to be filled completely with water.
- The unit is now rinsing.
- Close the ball valve/pistol to stop rinsing, the unit will automatically stop a few seconds after the ball valve/pistol is closed.
Testing the Foam function:
Hold the ball valve/pistol over sink for testing.
- Turn the selector knob on the unit to foam position.
- Connect the foam nozzle to the ball valve/pistol.
- Open the ball valve/pistol. First the pump and then the compressor will start. It will take about 10-15 seconds for the outlet hose to be filled completely with foam.
- The unit is now foaming.
- Close the ball valve / pistol to stop foaming, the unit will automatically stop, it can take up to 10 – 20 seconds after the Ball valve / Pistol is closed
before the unit stops.- We recommend maximum 20 min. continuous operation of the compressor (foam mode). After 20 min. operation a 20 min break must follow before foam operation is continued.
WARNING:
When opening the ball valve/pistol after the unit has stopped in foam position, a burst of Foam/Air/Water will come out. as the outlet hose is filled with foam. The burst will disappear after 3-5 seconds.
Point the ball valve towards the floor when opening.
Testing the Sanitise function:
Hold the ball valve/pistol over sink for testing.
- Turn the selector knob on the unit to sanitise position.
- Connect the blue sanitise nozzle to the ball valve/ pistol.
- Open the ball valve/pistol and the pump will start. It may take several seconds for the outlet hose to be filled completely with sanitiser.
- The unit is now sanitising.
- Close the ball valve/pistol to stop sanitising. The unit will automatically stop a few seconds after the ball valve/pistol is closed.
If all 3 tests perform correctly the unit is ready for use.
Checking the unit for leaks
- Remove the cover by loosening the 4 screws on both sides of the unit using a 4mm Allen key.
- Check all connections and hoses for leaks.
- Once you have determined that there are no leaks, remount the cover and tighten the 4 screws.
WARNING:
Service / Maintenance may only be carried out by authorized and qualified personnel.
Recycling and scrapping
Recycle the wrapping and scrap the unit according to recommendations from the local authorities.
Descaling
The following descaling intervals must be observed to prevent lime build up in the unit, that can discontinue operation of the unit
| °dH | ppm | Time between Descaling |
| 0-5 | 18-90 | 12 months |
| 5-10 | 90-180 | 6 to 12 months |
| 10-15 | 180-270 | 3 to 6 months |
| 15-20 | 270-360 | 3 to 6 months |
| >20 | >360 | 1 to 3 months |
Troubleshooting
For details regarding troubleshooting see troubleshooting guide.
WARNING:
Service / Maintenance may only be carried out by authorized and qualified personnel.
Specifications
| Technical Data | |
| Water | 110Vac 60 Hz version |
| Connection type inlet | 3/4″ GHT (ASME B1.20.7 3/4″ – 11,5-NH) |
| Recommended inlet pipe dimensions (min) | 3/4″ |
| Local outlet | 1/2″ quick coupler |
| Pump pressure | 52 psi / 3,7 bar |
| Operational pressure | 82-116 psi / 5,7-8 bar |
| Operational flow range | 1,5-3 gal/min / 5-11 l/min |
| Water consumption – foaming | 1,5 gal/min / 5 l/min |
| Water consumption – spraying | 1,5 gal/min / 5 l/min |
| Water consumption – rinsing | 3 gal/min / 11 l/min |
| Min. inlet pressure | 29 psi/4 gal/min / 2 bar @ 11 l/min |
| Max. inlet pressure | 72 psi/5 bar |
| Max. water temperature | 158°F/70°C |
| Electricity | |
| Power consumption | 1 kW |
| Nom. current | 11,1 A |
| Supply | 1/PE 110 Vac ±10% 60 Hz |
| Security of electrical wiring | 12A |
| Electrical cable; L1, L2, L3, PE | 1,5 mm2 |
| Nozzles (recommended) | |
| Rinsing nozzle | 15/12 |
| Foam nozzle | Foam lance 100 mm |
| Spray nozzle | 15/12 |
| General | |
| Number of products | 2 |
| IP class | IP54 |
| Max. hose length (recommended) | 82 ft/25 m (50 ft/15 m) |
| Sound level ISO 11202 | Below 70 dB |
| Weight | 66 lbs/30 kg |
| Dimensions H x W x D | 19,7 x 19,7 x 10,2 inch / 500 x 500 x 260 mm |
| Dimensions are without cart/trolley | |
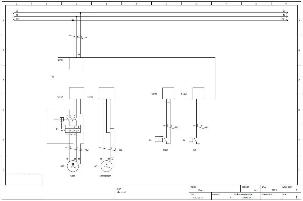
Electric diagram

Pump curve

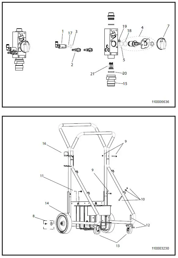
Recommended spare parts




Installation





















