nVent HOFFMAN FUSION G7 Enclosure Double Door

Product Information
- Product Name: FUSION G7TM
- Part Numbers: 89046401, 89046560
Product Usage Instructions
- Ensure that the product is placed on a stable surface.
- Connect the power cable to the appropriate power source.
- Press the power button to turn on the product.
- Wait for the product to initialize and display the main screen.
- Use the provided remote control or buttons on the product to navigate through the menu options.
- To select an option, press the corresponding button on the remote control or use the touch screen if available.
- Adjust the settings according to your preferences using the menu options.
- To turn off the product, press and hold the power button until the display turns off.
- Disconnect the power cable from the power source.
Note: For detailed information on specific features and functions, please refer to the complete user manual.
OVERVIEW
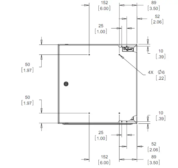
DIMENSION
DESCRIPTION

PARTS
© 2018 Hoffman Enclosures Inc. PH 763 422 2211 • nVent.com/HOFFMAN


















