
HOFFMAN
PROLINE ® Light Switches
GENERAL SAFETY INFORMATION
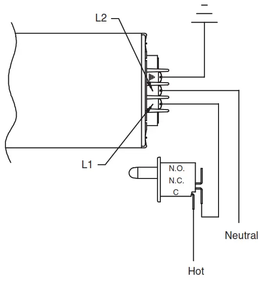
- Before installing switches, read these instructions carefully. Failure to follow instructions could damage the product or cause a hazardous condition.
- Route supply wires away form door hinge, sharp edges, etc.
WARNING
To avoid electric shock and equipment damage, disconnect any power supplies to the enclosure before installing the switch.
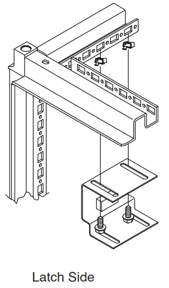
Before drilling mounting holes, check all mechanical and electrical clearances to verify latch rods and other enclosure accessories will operate freely without interference.
To avoid electric shock, do not energize any circuits before all internal and external electrical and mechanical clearances are checked to assure that all assembled equipment functions safely and properly.


Rev. B
© 2018 Hoffman Enclosures Inc.
PH 763 422 2211 • nVent.com/HOFFMAN
P/N 87540679 87569349














