RENISHAW NCi-E non Contact tool setting interface 
Before you begin
Warranty
Unless you and Renishaw have agreed and signed a separate written agreement, the equipment and/or software are sold subject to the Renishaw Standard Terms and Conditions supplied with such equipment and/or software, or available on request from your local Renishaw office.
Renishaw warrants its equipment and software for a limited period (as set out in the Standard Terms and Conditions), provided that they are installed and used exactly as defined in associated Renishaw documentation. You should consult these Standard Terms and Conditions to find out the full details of your warranty.
Equipment and/or software purchased by you from a third-party supplier is subject to separate terms and conditions supplied with such equipment and/or software. You should contact your third-party supplier for details.
CNC machines
CNC machine tools must always be operated by fully-trained personnel in accordance with the manufacturer’s instructions.
Care of the interface
Keep system components clean and treat the interface as a precision tool.
NCi-E software notice
This NCi-E product includes embedded software (firmware) to which the following notices apply:
US government notice
NOTICE TO UNITED STATES GOVERNMENT CONTRACT AND PRIME CONTRACT CUSTOMERS
This software is commercial computer software that has been developed by Renishaw exclusively at private expense. Notwithstanding any other lease or licence agreement that may pertain to, or accompany the delivery of, this computer software, the rights of the United States Government and/or its prime contractors regarding its use, reproduction and disclosure are as set forth in the terms of the contract or subcontract between Renishaw and the United States Government, civilian federal agency or prime contractor respectively. Please consult the applicable contract or subcontract and the software licence incorporated therein, if applicable, to determine your exact rights regarding use, reproduction and/or disclosure.
Renishaw software EULA
Renishaw software is licensed in accordance with the Renishaw licence at:
www.renishaw.com/legal/softwareterms
Intended use
The NCi-E non-contact tool setting interface is used in conjunction with NC4, NC4+ or NC4+ Blue non-contact tool setters and the NCi-6 interface. The NCi-E interface converts continuous voltage signals from the non-contact tool setter into encoder output signals that can be read by the CNC controller. This enables analysis of laser obscuration, from a scanned object, synchronised with machine position.
Safety
Information to the user
In all applications involving the use of machine tools, eye protection is recommended.
Information to the machine supplier / installer
It is the machine supplier’s responsibility to ensure that the user is made aware of any hazards involved in operation, including those mentioned in Renishaw product literature, and to ensure that adequate guards and safety interlocks are provided.
The NCi-E interfaces with Renishaw laser-based non-contact tool setting and tool breakage detection systems. If any of the products in this system fails, the system may falsely indicate that the beam is not blocked. Do not rely on signals from the NCi-E interface or Renishaw laser-based non-contact tool setting and tool breakage detection products to halt the movement of the machine.
Information to the equipment installer
All Renishaw equipment is designed to comply with the relevant UK, EU and FCC regulatory requirements. It is the responsibility of the equipment installer to ensure that the following guidelines are adhered to, in order for the product to function in accordance with these regulations:
- any interface MUST be installed in a position away from any potential sources of electrical noise (for example, power transformers, servo drives);
- all 0 V/ground connections should be connected to the machine “star point” (the “star point” is a single point return for all equipment ground and screen cables). This is
- very important and failure to adhere to this can cause a potential difference between grounds;
all screens must be connected as outlined in the user instructions; - cables must not be routed alongside high current sources (for example, motor power supply cables), or be near high-speed data lines;
- cable lengths should always be kept to a minimum.
Equipment operation
If this equipment is used in a manner not specified by the manufacturer, the protection provided by the equipment may be impaired.
Warnings
Use of controllers or adjustments or performance of procedures other than those specified within this publication may result in hazardous radiation exposure.
Switch off the power supply before carrying out maintenance on the NCi-E system, or other non-contact (NC) tool setting and tool breakage detection products.
CAUTION – LASER SAFETY
The NCi-E interfaces with Renishaw laser-based non-contact tool setting and tool breakage detection products. Laser safety guidelines and safety rules are described in the relevant non-contact tool setting product guides.
If the equipment is used in a manner not specified by the manufacturer, the protection provided by the equipment may be impaired.
NCi-E basics
Introduction
The NCi-E non-contact tool setting interface is used in conjunction with NC4, NC4+ or NC4+ Blue non-contact tool setters and the NCi-6 interface. The NCi-E interface converts continuous voltage signals from the non-contact tool setter into encoder output signals that can be read by the CNC controller. This enables analysis of laser obscuration, from a scanned object, synchronised with machine position.
This guide describes how to install and configure the NCi-E interface.
Specification
| Principal application | The NCi-E non-contact tool setting interface is used in conjunction with NC4, NC4+ or NC4+ Blue non-contact tool setters and the NCi-6 interface . The NCi-E interface converts continuous voltage signals from the non-contact tool setter into encoder output signals that can be read by the CNC controller . This enables analysis of laser obscuration, from a scanned object, synchronised with machine position . | |
| Supported encoder protocols | FANUC (a/ai) | |
| Dimensions | 135 mm × 98 mm × 35 mm (5 .31 in × 3 .86 in × 1 .38 in) . | |
| Weight | 172 g (6 .1 oz) | |
| Power supply | NCi-6 to NCi-E | 11 Vdc to 30 Vdc, 15 mA @24 Vdc, 20 mA @ 12 Vdc (Protected by a 0 .5 A resettable fuse) |
| Controller to NCi-E | 5 Vdc ±10%, 250 mA @ 5 Vdc, 1 .25 W maximum (Protected by a 0 .5 A resettable fuse) | |
| Analogue DVM input | 0 Vdc to 4 Vdc | |
| Serial data output | Uncalibrated Maximum 16 bit value (0 to 65535) Typical values: 0 (laser beam blocked, 0 V on analogue DVM input) to 40,000 (laser beam clear, 2 .5 V on analogue DVM input with NCi-6 connected) | |
| Bandwidth | 150 Hz to 1650 Hz, adjustable | |
| Diagnostic LEDs | M-code A status, encoder communications status | |
| Modes of operation | Data active: reports analogue voltage in the Position Data field Data inactive: reports zero in the Position Data field | |
| M-code inputs | 0 Vdc = “Low”, 11 Vdc to 30 Vdc = “High” | |
| Interface encoders electrical connection | NCi-6 to NCi-E | 9-way screw terminal |
| NCi-E to controller | 9-way D-type | |
| Cable | NCi-6 to NCi-E | Wiring loom of length 100 mm (3 .94 in) maximum (supplied by the customer) |
| NCi-E to controller | 2 .0 m (6 .56 ft) cable with 9-way D-type connector to 20-way Honda connector (A-6861-0200) (sold separately) . Alternative cable lengths and connector types are available . | |
| Mounting | DIN rail . Alternative mounting using screws . Locate next to NCi-6 . | |
| Environment | IP rating | IP20, BS EN 60529:1992+A2:2013 |
| Altitude | Maximum 2000 m (6562 ft) | |
| Relative humidity | Maximum relative humidity 80% for temperatures up to +31 °C (+87.8 °F) decreasing linearly to 50% relative humidity at +40 °C (104 °F). | |
| Storage temperature | –25 °C to +70 °C (–13 °F to +158 °F) | |
| Operating temperature | +5 °C to +55 °C (+41 °F to +131 °F) | |
Dimensions
Top view and label
Power supply
The NCi-E interface draws its power from the NCi-6 interface and the encoder communications channel.
The supplies to the NCi-E interface are protected by a 0.5 A resettable fuse. To reset a fuse, remove the associated power supply, then identify and rectify the cause of the fault.
The nominal current drawn by the NCi-E from the NCi-6 supply is as follows:
- 15 mA @ 24 Vdc
- 20 mA @ 12 Vdc
NOTE: To disconnect the NCi-E power supply from the NCi-6, remove the wires from the terminals. To disconnect the NCi-E power supply from the encoder communications channel, remove the 9-way D-type connector.
Interface status LEDs
Two LEDs are fitted on the front of the NCi-E interface. These provide the operator with a visual indication of the M-code A status and encoder communications status.
M-code A status LED
The LED indicates the status of M-code A to the operator. M-code A activates and deactivates voltage readings from the NC4, NC4+ or NC4+ Blue unit.
When M-code A is inactive, the NCi-E outputs zeros. When M-code A is active, the NCi-E outputs the voltage readings from the NC4, NC4+ or NC4+ Blue unit.
| LED colour | Status |
| Red | M-code inactive |
| Green | M-code active |
| Off | No power from the NCi-6 |
Encoder communications status LED
Indicates the status of the communications between the NCi-E interface and the encoder communications channel of the CNC machine controller.
| LED colour | Status |
| Red | No communication |
| Green | Active communication |
| Off | No power from the encoder communications channel |
System installation
Installing the NC4, NC4+ or NC4+ Blue system installation with NCi-E interface unit
For step-by-step instructions on how to install the NC4, NC4+, NC4+ Blue or NCi-6; see either the NC4 non-contact tool setting system installation guide (Renishaw part no. H-6270-8501) or the NC4+ Blue non-contact tool setting system installation guide (Renishaw part no. H-6435-8501), available from www. renishaw.com).
- Install the air preparation pack. Do not switch on the air supply or set the air pressure at this stage.
- Install the NC4, NC4+ or NC4+ Blue system.
- Install the NCi-6 interface.
- Install the NCi-E interface (see page 3-2, “Installing the NCi-E interface”, for further information).
- Connect the NCi-E interface to the NCi-6 interface and the CNC machine controller (see page 3-4, “Connecting the NCi-E interface to the NCi-6 interface and CNC machine controller”, for further information).
- Configure the NCi-E interface filter settings (see page 3-5, “Configuring the NCi-E interface filter settings”, for further information).
- Switch on electrical power to the NCi-6 interface unit.
- Switch on the air supply to the NC4+ Blue system and set the air pressure.
- Align the NC4, NC4+ or NC4+ Blue system to the machine tool axes.
- Calibrate the system as described in the relevant non-contact tool setting software programming guide.
Installing the NCi-E interface
WARNING: Before installing the NCi-E interface, ensure that the machine is safe to work on. Switch off machine power when working in the controller cabinet.
The NCi-E interface must be installed in the CNC controller cabinet. Site the NCi-E interface alongside the NCi-6 interface and away from potential sources of interference such as transformers and motor controllers.
Standard DIN rail mounting
Alternative mounting
Connecting the NCi-E interface to the NCi-6 interface and CNC machine controller
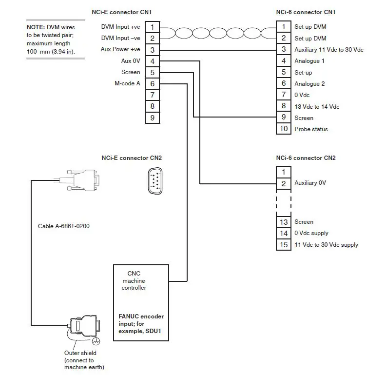
9-way NCi-E connector CN1
NCi-E connector CN1 is used to connect the NCi-E interface to the NCi-6 interface, and M-code A to the CNC machine controller.
9-way D-type NCi-E connector CN2
NCi-E connector CN2 is used to connect the NCi-E interface to the CNC machine tool encoder communications input.
Configuring the NCi-E interface filter settings
The filter settings are applied using the switches in switch bank SW1. The SW1 switch locations which correspond to ON and OFF settings are shown on the label.
CAUTION: Only qualified persons should adjust switches on the interface.
| SW1-1 | SW1-1 | SW1-1 | SW1-1 | |
| 800 | 400 | 200 | 100 | Total Hz |
| ON | ON | ON | ON | 150 |
| ON | ON | ON | OFF | 250 |
| ON | ON | OFF | ON | 350 |
| ON | ON | OFF | OFF | 450 |
| ON | OFF | ON | ON | 550 |
| ON | OFF | ON | OFF | 650 |
| ON | OFF | OFF | ON | 750 |
| ON | OFF | OFF | OFF | 850 |
| OFF | ON | ON | ON | 950 |
| OFF | ON | ON | OFF | 1050 |
| OFF | ON | OFF | ON | 1150 |
| OFF | ON | OFF | OFF | 1250 |
| OFF | OFF | ON | ON | 1350 |
| OFF | OFF | ON | OFF | 1450 |
| OFF | OFF | OFF | ON | 1550 |
| OFF | OFF | OFF | OFF | 1650 |
Renishaw recommends that all switches are switched to the ON position to reduce the likelihood of machine alarms. To increase the bandwidth and enable higher scan velocities, switches can be switched to the OFF position.
Configuring the M-code polarity
The M-code polarity is set using the switches in switch bank SW2. The M-code polarity determines whether the input responds to an active-high or active-low signal. 0 Vdc is used to set the M-code to “Low” and 11 Vdc to 30 Vdc is used to set the M-code to “High”. SW2 is located inside the NCi-E interface housing. The removable cover must be detached to access switch bank SW2 (see page 2-1, “NCi-E basics”, for further information).
| Setting the M-code polarity | |||
| Switch | On | Off | |
| 1 | Not used | – | – |
| 2 | M-code A active | Low | High |
| 3 | Not used | – | – |
| 4 | Not used | – | – |
Supplying electrical power to the NCi-E interface
WARNING: Before switching on electrical power, ensure that the machine is safe to work on.
Electrical power is supplied to the NCi-E interface unit via the NCi-6 interface unit. For information about supplying electrical power to the NCi-6 interface unit; see either the NC4 non-contact tool setting system installation guide (Renishaw part no. H-6270-8501) or the NC4+ Blue non-contact tool setting system installation guide (Renishaw part no. H-6435-8501), available from www.renishaw.com).
Maintenance
No routine maintenance is required.
Remove dust from the external surfaces with a dry cloth.
Further dismantling and repair of Renishaw equipment is a highly specialised operation, which must be carried out at an authorised Renishaw Service Centre.
Equipment requiring repair, overhaul or attention under warranty should be returned to your supplier.
Alterations to NC4, NC4+ or NC4+ Blue set-up or maintenance when used with the NCi-E interface
Set-up and re-alignment
During set-up and re-alignment of an NC4, NC4+ or NC4+ Blue unit, the NCi-E connector CN1 must be unplugged if a digital voltmeter is to be used. If NCi-E connector CN1 remains plugged-in, the digital voltmeter readings will be halved.
To re-align the NC4, NC4+ or NC4+ Blue unit:
- Ensure the NCi-E interface M-code A is disabled. The M-code A status LED on the NCi-E interface unit should be red.
- Unplug connector CN1 from the NCi-E interface unit.
- Align the NC4, NC4+ or NC4+ Blue unit according to the relevant installation guide; see either the NC4 non-contact tool setting system installation guide (Renishaw part no. H-6270-8501) or the NC4+ Blue non-contact tool setting system installation guide (Renishaw part no. H-6435-8501), available from www.renishaw.com).
- Plug connector CN1 back in to the NCi-E interface unit.
Following re-alignment, the NC4, NC4+ or NC4+ Blue unit must be recalibrated according to the relevant installation guide; see either the NC4 non-contact tool setting system installation guide (Renishaw part no. H-6270-8501) or the NC4+ Blue non-contact tool setting system installation guide (Renishaw part no. H-6435-8501), available from www.renishaw.com).
Parts list
| Item | Part number | Description |
| NCi-E interface pack | A-6861-2000 | NCi-E interface and box with DIN rail mounting and terminal block . |
| NCi-E terminal block (9-way) | P-CN03-0118 | 9-way socket terminal for NCi-E interface . |
| Encoder axis input cable assembly | A-6861-0200 | 2 .0 m (6 .56 ft) cable with 9-way D-type connector to 20-way Honda connector . Contact Renishaw for alternative cable lengths or connector types . |
For more NC4 system accessories or details of NC4 system publications; see the NC4 non-contact tool setting system accessories data sheet (Renishaw part no. H-2000-2223, available from www.renishaw.com).
© 2022 Renishaw plc. All rights reserved. This document may not be copied or reproduced in whole or in part, or transferred to any other media or language by any means, without the prior written permission of Renishaw.
RENISHAW® and the probe symbol are registered trade marks of Renishaw plc. Renishaw product names, designations and the mark
‘apply innovation’ are trade marks of Renishaw plc or its subsidiaries. Other brand, product or company names are trade marks of their respective owners.
WHILE CONSIDERABLE EFFORT WAS MADE TO VERIFY THE ACCURACY OF THIS DOCUMENT AT PUBLICATION, ALL WARRANTIES, CONDITIONS, REPRESENTATIONS AND LIABILITY, HOWSOEVER ARISING, ARE EXCLUDED TO THE EXTENT PERMITTED BY LAW. RENISHAW RESERVES THE RIGHT TO MAKE CHANGES TO THIS DOCUMENT AND TO THE EQUIPMENT, AND/OR SOFTWARE AND THE SPECIFICATION DESCRIBED HEREIN WITHOUT OBLIGATION TO PROVIDE NOTICE OF SUCH CHANGES.
Renishaw plc. Registered in England and Wales. Company no: 1106260. Registered office: New Mills, Wotton-under-Edge, Glos, GL12 8JR, UK.
[email protected]
Phone: +44 (0) 1453 524524























