TELGUARD TG-7FP Universal Fire Communicator Installation Guide
Installation Summary
IF YOU DO NOT FOLLOW THESE SEVEN STEPS IN THE ORDER AND MANNER PRESCRIBED, YOU MAY NOT COMPLETE THE INSTALLATION IN THE TIME ALLOCATED.
STEP 1: REGISTER FOR TELGUARD SERVICE
Registration controls how the unit will be configured and should be completed in the dealer portal at www.telguard.com
STEP 2: LOCATE UNIT AND INSTALL
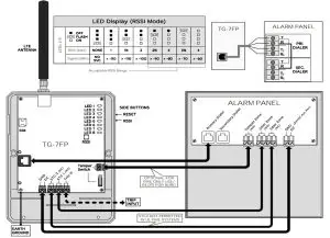
Identify a location for the TG-7FP and mount it. To find a location with good signal strength, connect the antenna, power up, and press one of the RSSI buttons to toggle the LED display to indicate signal strength (use provided tool or unbent paper clip if using side button). Minimum recommended reading is 2 ½
NOTE: Outdoor antennas and accessories to extend the antenna connection are available to improve signal strength.
STEP 3: PROGRAM, ACTIVATE, AND TRANSMIT ALARMS
Verify the panel is programmed to transmit a signal as it would over a Telco connection. Connect the panel’s DACT output to the RJ Jack on the TG-7FP. Trigger two signals from the alarm panel to activate the TG-7FP. LED 1 becomes illuminated when the TG-7FP activates.
NOTE: The first alarm will activate the TG-7FP and will not be delivered to the central station. All signals after the unit is active will be sent to the central station.
STEP 4: CONNECT SUPERVISORY TRIP OUTPUTS
Wire the supervisory trip outputs (STC) to the alarm panel and test.
STEP 5: CONNECT TRIP INPUT (OPTIONAL)
Wire an external relay to the trip input lead and ground, and test.
STEP 6: CONNECT TAMPER (OPTIONAL-FIRE/REQUIRED-BURG)
Wire the tamper end points on the TG-7FP to a supervising zone on the panel and test. Generally not required for fire-only systems.
STEP 7: COMPLETE INSTALLATION
Verify signal delivery to central station, connect earth ground, and secure cover on TG-7FP.
For complete instructions, download the Installation & Operation Guide at telguard.com/tg-7fp (part 56052401 Rev. A).

OPTIONAL CONNECTION
(When secondary dialer cannot be disabled)

CAUTION: Incorrect connections can cause damage to the device.

ULC NOTE: For compliance in Canada, the radio frequency warning label (supplied) must be affixed to the outside of the cover.
















