Honeywell TG-7FS LTE Commercial Fire Alarm Communicator

General
Purpose
When preparing a specification or quotation for the use of a Telguard cellular device in a commercial fire application, it may be necessary to supply a detailed functional description of the equipment. The architectural and Engineering Specifications presented in this publication cover such information for the TG-7FS LTE models—indiscriminate of variance—and are intended to be used for this purpose as required.
Scope
Although the hardware is slightly different, this Architectural and Engineering Specification document contains detailed functional description for the following Telguard units to work in conjunction with FACP systems with DACT connections:
- TG-7FS LTE for AT&T Wireless (Model No. TG7LAF01/TG7LAF02)
- TG-7FS LTE for Verizon (Model No. TG7LVF01/TG7LVF02)
- Honeywell TG-7FS LTE for AT&T Wireless (Model No. HW-TG7LAF02)
- Honeywell TG-7FS LTE for Verizon (Model No. HW-TG7LVF02)
Warranty
Telguard sells its hardware through authorized distributors. As such, Telguard has a responsibility to repair or replace (our option) inoperative units for up to a specified time from date of manufacture. The warranty period is agreed upon by the distributor upon purchase. This excludes damage due to lightning or installer error. Unauthorized modifications void this warranty. Telguard is not responsible for incidental or consequential damages. Liability is limited to price of unit to the distributor.
System Summary
Unit Description
The Telguard TG-7FS LTE is a line of digital cellular radio alarm transmission devices used to provide the following three methods of communications for FACP units via a cellular network:
- Sole path (Cellular Transmission Only)
- Primary path (Cellular Primary & Telco Backup)
- Back-up path (Telco Primary & Cellular Backup)
System Overview
Depending on the configuration (determined at time of installation), the FACP will use the TG-7FS LTE as sole, primary or back-up (secondary) transmission path to deliver alarm messages. When it is configured as a backup, it will provide transparent access from the FACP to the central station. When transmitting an alarm signal using the cellular path, the Telguard obtains its data from the alarm panel by way of a Telco line interface. The Telguard will obtain all alarm signal information including monitoring station phone number, account number and all zones for every alarm transmission. The Telguard handshakes with the FACP causing it to transmit the alarm data. The Telguard encodes the alarm data and transmits to the Telguard Communication Center (TCC) over the digital cellular network. The TCC performs a function similar to a central station receiver and issues the transmission acknowledgement when the last message in the transmission is received. After decoding and reformatting, the alarm signal is routed to the appropriate alarm company monitoring station for action.
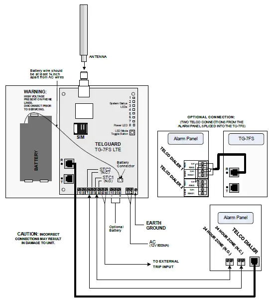
In a cellular back up alarm installation, the incoming Telco line is connected from the premises’ RJ-31x jack to the Telguard and then from the Telguard’s RJ-45 jack to the alarm panel in the normal fashion. Two programmable System Trouble Condition (STC) relays provide supervisory trip outputs for connection to the FACP’s trip zone input terminals in order to provide a Telguard trouble signal. Additionally, automatic self-test and remote query signals are transmitted exclusively over the cellular network with all Telco line and cellular monitoring, switching and supervisory functions built in. No extra modules are required. The Telguard TG-7FS LTE has its own power supply which keeps the Telguard battery charged.
Approvals
- UL: Underwriters Laboratories Inc
- ULC: Underwriters Laboratories of Canada
- CSFM: California State Fire Marshall
Listings (UL/ULC Standards)
- UL 864: Standard for Control Units and Accessories for Fire Alarm Systems
- UL 365: Standard for Police Station Connected Burglar Alarm Units and Systems
- UL 1610: Standard for Central-Station Burglar-Alarm Units
- UL 985: Standard for Household Fire Warning System Units
- UL 1023: Standard for Household Burglar-Alarm System Units
- ULC S559: Equipment for Fire Signal Receiving Centres and Systems
- ULC S545: Canadian Household Fire Warning Systems
- ULC S304: Canadian Commercial Burglary Alarm Systems
- ULC C1023: Canadian Household Burglary Alarm Systems
Functional Description
Signal Transmission from FACP to Central Station
The path of a signal from the FACP to the Central Station receiver through the TG-7FS LTE unit has three main stages:
- Local capture of the signal: Using dialer capture technology
- Data delivery to the TCC: By means of the carrier of choice
- Delivery of the signal to the Central Station: Through a choice of IP or PSTN connection
Dialer Capture
The TG-7FS LTE unit has a patented integrated interface that allows digital dialers to dial into the unit using the following specifications:
- Line voltage: -30 Vdc into standard telephone device when on hook.
- Dial tone: Precision 350 + 440Hz +/- 1%. 10 digits dial out capability.
- Mode: Loop start only. 25mA +/- 10% off-hook.
As long as the TG-7FS LTE unit has a proper connection to the wireless network, it will provide a dial tone for the FACP to use. Once the FACP has dialed in, the TG-7FS LTE will interact with the panel by providing handshakes and kiss-offs, similar to a Central Station receiver. Provided that the alarm data received is valid per the alarm format protocol, the TG-7FS LTE will capture the message and pertinent information for delivery, while the FACP will be satisfied with the received kiss-off. If an invalid format, or invalid data is captured, no kiss-off will be provided. Compatible formats for the TG-7FS LTE units are
- Pulse Formats (Hexadecimal account numbers can be used):
- 3+1 pulse; 10pps, Double Round, 1400 Hz ack
- 3+1 pulse; 20pps, Double Round, 2300 Hz ack
- 3+1 pulse; 40pps, Double Round, 2300 Hz ack
- 4+2 pulse; 20pps, Double Round, 1400 Hz ack
- 4+2 pulse; 20pps, Double Round, 2300 Hz ack
- 4+2 pulse; 40pps, Double Round, 2300 Hz ack
- Contact ID (Hexadecimal account numbers can be used, 4 or 10 digits in length)
- Modem IIe/IIIa2/4 (Hexadecimal account numbers can be used, 4 digits in length)
- SIA2 (SIA-DC-03 level 2 release at 300 baud)
- Sonitrol
- DMP
Cellular Transmission
Once the signal is obtained by the TG-7FS LTE, it is encrypted (128-bit AES) and packetized for digital delivery via the cellular network. Depending on the version of the TG-7FS LTE unit used (Verizon or AT&T), the carrier of choice will be used. All transmissions between the TG-7FS LTE and the TCC will occur via the best available technology at the time, with data sessions being the primary delivery path and SMS being the secondary option. The TG-7FS LTE can work on different bands depending on the carrier of choice:
- AT&T supported bands: 3G B2/B5, LTE B2/B4/B5/B17
- Verizon supported bands: LTE B4/B13
Similar to the way a central station receiver operates, the TG-7FS LTE will not be satisfied until there is an acknowledgment of receipt from the TCC. If acknowledgment is not received by the TG-7FS LTE, a failure will be created and annunciated via suppression of the dial tone.
Delivery to Central Station
After the TCC receives the data, it will process for its delivery. Based on the subscription options chosen during the registration of the TG-7FS LTE, the TCC can either use the captured phone number and account number to deliver the signal or use a predetermined phone number and account number to redirect the signal. A third option that is available to companies that have set up a connection with a Central Station ahead of time is to use IP delivery rather than POTS to send signals to Central Station. The TCC can deliver signals via IP using the Fibro protocol (for Contact ID and SIA formats) to Surgard receivers, as well as using DMP protocol to send to DMP receivers. Whether using POTS or IP for delivery, the TCC uses an acknowledgment-based retry sequence, where it requires receiver acknowledgment
Link Supervision for Sole Path installations
NFPA 72 requirement
The TG-7FS LTE unit provides a feature known as “Link Supervision” that complies with NFPA 72, editions 2010-2016 for use a sole path communicator. Link Supervision is a feature by which the TCC checks the unit’s connectivity and will create a signal to be delivered to the Central Station if a disruption in service is discovered, lasting 5 minutes (per 2010 edition requirements) or 60 minutes (per 2013 and 2016 edition requirements).
Link Supervision
Link Supervision must be enabled from the online portal. It will reprogram the device to initiate check-in signals over the data network, at a frequency that is much higher than the disruption timeout (5 or 60 minutes). If the TCC detects that there has been no communication for the predetermined disruption timeout, it will create a signal (customized during registration) that will be delivered to the Central Station. Once the check-ins resume, a restoral signal will be created and delivered as well. The check-in signals are between the TG-7FS LTE and the TCC and are therefore not visible to the FACP or the Central Station.
Physical Description
Metal Enclosure
- Paint: Red Urethane
- Locking Mechanism: Zinc die cast lock, 90° turn
- Physical Size: 11.4” x 7.75” x 3.3” (290mm x 197mm x 84mm)
- Shipping weight: Approximately 5 lbs.
PCB
The TG-7FS LTE unit has I/O connections for communication and power, as well as LEDs to display device status.
I/O Connections
- Antenna port: TNC female connection, 50 ohms
- RJ connections: Two RJ-45 connectors. Gray jack from communication from the panel. Black jack for pass through to incoming Telco (not applicable to sole path)
- Pin connectors and terminal blocks: There are four sets of pins, with three available terminal blocks.
- DC-GND pins: 6.2V-16VDC in. To be used if receiving power from an FACP with an auxiliary output within that range.
- STC and Trip In pins: There are two pairs of STC pins. STC 1 acts as a Normally Open relay that will trip on a programmed Telguard failure, whereas STC2 will trip as a Normally Closed relay. There is also a pair of Trip Input connections labeled as Trip and Gnd, which can be optionally used to monitor a dry contact device, with the capability of sending an event to Central Station or provide customer notification on that trip closure/restoral.
- Battery pins: There is a set three pins labeled as BATT, with only the outer pins functional and labeled as – and +. This is an alternate connection for the battery, with the same functional specifications as the battery connector.
- AC pins: There is a set of two pins for the AC Adapter to connect to. Polarity is not labeled because it is AC voltage
- Battery Connector: There is a VHR-2N connector that is keyed to fit with the provided battery harness. Polarity is not labeled as the battery harness can only fit in a specific way.
| LED Symbol | Color | Pattern | Indication |
|
LED 1 Activation |
Green | Solid On | Unit is activated at TCC and enabled |
| Off | Unit not activated at TCC (and disabled) | ||
| 1 Flash* | Unit is disabled | ||
|
LED 2 STC (System Trouble Condition) |
Red | Off | All OK |
| 1 Flash* | System Trouble Condition – Low/Missing AC Power | ||
| 2 Flashes* | System Trouble Condition – Low/Missing Battery and/or Battery Charger Failure | ||
| 3 Flashes* | System Trouble Condition – LFC | ||
| 4 Flashes* | System Trouble Condition – NSC | ||
| 5 Flashes* | System Trouble Condition – RFC | ||
| 6 Flashes* | System Trouble Condition – DTF | ||
| 7 Flashes* | System Trouble Condition – PPF | ||
|
LED 3 Mode |
Yellow | Off | FACP idle (Telguard is primary or Sole Path) |
| Flash | FACP off-hook (cellular mode) | ||
| On | FACP idle (Telguard is backup) |
| LED Symbol | Color | Pattern | Indication |
|
LED 4 Acknowledge |
Red | Solid On | Waiting for acknowledgement from TCC |
| Off | Idle state | ||
| 1 Flash* | When flashing with LED 1, unit has failed activation | ||
|
LED 5 Radio |
Green | Off | Telguard initialized |
| On | Telguard initializing with cellular network | ||
| Flash (1 sec) | Radio receiving message | ||
| Flash (2 sec) | Radio sending message | ||
| Flash * (2 flashes / 6 sec) | Link Supervision Mode | ||
| LED 6 | Not used | ||
| LED 7 Trip Input | Green | Solid On | Trip Input activated |
| Off | Trip Input not activated or restored | ||
| LED 8 AC Power | Red | Solid On | AC power connected to unit |
Accessories
Included with TG-7FS LTE
- Cellular antenna: 8in, 50-ohm nominal, omni-directional LTE antenna with knuckle and male TNC connector. 2dBi gain.
- Antenna cable: 12-ft RG-58 UL approved cable in PVC jacket with 50-ohm TNC male connector and TNC female bulkhead.
- Mounting bracket: 90° angle bracket with .566in-diameter opening for TNC connector.
- RJ cord: 7-ft RJ-45 plug-to-plug flat modular cord with PVC outer jacket.
- Battery harness: 20in battery cable assembly with VHR-2N connector on one end and two quick connect connectors on black and red 18ga wires.
- Enclosure key lock.
- Terminal blocks: Pluggable screw terminal blocks, 3.5mm pitch. Set of 6-, 3-, and 2-position blocks.
- Transformer: UL Listed 12VAC 800mA
Optional Accessories
- ACD-35 antenna cable: RG-8 UL approved cable in PVC jacket with 50-ohm TNC male connector and TNC female bulkhead. 35ft in length.
- ACD-50 antenna cable: RG-8 UL approved cable in PVC jacket with 50-ohm TNC male connector and TNC female bulkhead. 50ft in length.
- ACD-100 antenna cable: RG-8 UL approved cable in PVC jacket with 50-ohm TNC male connector and TNC female bulkhead. 100ft in length.
- HGDL-0: High gain directional LTE antenna, wideband 690-2700MHz, 50-ohm. U-bolts for up to 1.75” pole-mount outdoor use. 8-10dBi. 11.575” x 8” x 2.375” (294mm x 203mm x 60mm). Type-N female connection, comes with adapter to TNC
- EXDL-0: Omnidirectional LTE antenna, 698-960MHz, 1700-2700MHz, 50-ohm. No ground plane, 3dBi. 3.45” x 1.45” diameter (88mm x 37mm). Type-N female connection, comes with adapter to TNC.
- TG-PEM: Power and expansion module, receives 12/24VDC from panel auxiliary power and supplies DC power needed by the TG-7FS to operate without an AC source. Provides up to 8 dry contact inputs.
Sole Path Installation
Power Up Requirements
The TG-7FS LTE unit must comply with the NFPA 72 requirements which state that the unit will have a secondary power source besides the main power source, that will allow it to go remain uninterrupted for 24 hours at the end of which period it should be able to handle 5 minutes of signal transmission on the secondary power source. While for primary power source, the provided transformer is expected to be used, the TG-7FS LTE units do not come with a battery included. However, the following consumption rates are to be used to calculate the size of the battery required.
12VDC: 40mA (idle with link supervision enabled), 160mA (transmitting)
Note: For a UL approved installation, the transformer and connections must be protected. A UL Listed pull box must be used in conjunction with a UL Listed outlet box and receptacle. Same guidelines that apply to the FACP power supply installation should apply here.
Signal Strength Requirements
It is recommended that the signal strength during the time of installation follows our guidelines to reduce the amount of perceived network issues. Having a lower signal strength than recommended may result in a higher number of incidents as it is the nature of the cellular network to fluctuate in quality and bandwidth
| RSSI Value | LED’s Lighted | RF dBm |
| No SVC | LED 5 = slow flash, LED 4- 2 = off | n/a |
| 1 | LED 5 = on, LED 4-2 = off | ≤ -111 |
| 1½ | LED 5 = on, LED 4 = slow flash LED 3-2 = off | ³ -110 |
| 2 | LED 5-4 = on, LED 3-2 = off | ³ -100 (Minimum signal strength required when Telco is involved) |
| 2½ | LED 5-4 = on, LED 3 = slow flash LED 2 = off | ³ -90 (Minimum signal strength when used as a Sole Path) |
| 3 | LED 5-3 = on, LED 2 = off | ³ -80 |
| 3½ | LED 5-3 = on, LED 2 = slow flash | ³ -70 |
| 4 | LED 5-2 = on | ³ -60 |
Approved accessories as previously listed can be used to relocate or change the type of antenna used.
Communication and Supervision Requirements
If using the TG-7FS LTE unit as the sole path of communication, it will be necessary for the TG-7FS LTE unit to provide dial tone to both Telco connections on the panel, unless one can be disabled. To do this, the Tip and Ring connection on the FACP must be connected in parallel for both Telco connections. As far as supervision of the TG-7FS, there are two System Trouble Condition relays that can be used to locally annunciate to the panel of any issues, as programmed during registration. However, the TG-7FS LTE will also announce through the suppression of the dial tone to the panel of any issues caused by No Service or Radio Failure conditions.
Note: Because a low/missing battery or low/missing AC power on the TG-7FS LTE unit will not results in any other type of annunciation, at least one STC relay should be connected to a zone on the FACP.
Other UL Installation Requirements
| Household Fire | Household Burg/Fire Combination | Commercial Fire | |
| Optional | Optional | Required | AC transformer lines in flexible conduit. |
| Required | Required | Required | AC transformer plugged into un- switched outlet. |
| Optional | Optional | Required | AC transformer plugged into dedicated branch circuit. |
| Optional | Optional | Optional | Enclosure Tamper Switch connected to 24-hour circuit. |
| Optional | Optional | Required | Antenna cable in flexible conduit concealed or covered by motion detector. |
Wiring Diagram

Note: Drawing available as a CAD file.

















