WOLFVISION VZ-C6 Ceiling Visualizer Instruction Manual
Precautions
WARNING ![]()
Risk of electric shock Dangerous voltage inside.
CAUTION
Double pole / neutral fusing.
Please observe the following:
!CAUTION! INSTALLATION AND SERVICING OF THE VISUALIZER MUST BE PERFORMED BY QUALIFIED SERVICE/INSTALLATION PERSONNEL FOLLOWING THE MANUFACTURER’S INSTALLATION INSTRUCTIONS AND IN COMPLIANCE WITH THE NATIONAL ELECTRIC CODE, ALL LOCAL BUILDING AND SAFETY CODES AND ALL OTHER APPLICABLE CODE PROVISIONS OR REGULATIONS.
USE THIS UNIT ONLY WITH THE CORRECT VOLTAGE AS SHOWN ON THE TYPE LABEL!
DO NOT EXPOSE THE UNIT TO HEAT OR MOISTURE!
PROTECT THE UNIT FROM EXCESSIVE SHOCKS !
USE SECURITY ROPE TO PREVENT IT FROM FALLING DOWN !
Make sure that sufficient air circulation for cooling the unit is possible (ventilation slots on top of the unit)!
If there is any abnormality (abnormal noise, smell, smoke etc.) disconnect the unit from mains immediately and contact your Visualizer dealer!
Do not use a damaged power cord. This may cause short circuits or electrical shocks!
To prevent danger, do not modify the unit or operate without the cover panel firmly in place!
Do not expose the unit to water, metallic objects or any flammable material.
Avoid installing the unit in locations exposed to strong magnetic fields or electrical currents.
Avoid installing the unit in environments where there is radiation. This could cause monitor image distortion or damage to the camera sensor.
Do not pull the plug from the power socket with wet hands!
If the unit is not used for a long time, disconnect it from mains!
The protective earth shall be connected!
Operation of the unit might be harmful for domestic animals and operation is only permitted without their presence. The integrated LED lamps are classified as risk group 2 (RG2) according to the EN 62471:2008.
The integrated LED lamps are exclusively intended to illuminate objects and documents to be recorded.
The batteries of the remote control shall be checked at regular intervals. Remove it if the remote control will be not used for a long period of time.
The device is designed to be mounted stationary on room ceiling, its disconnecting device from mains is considered to be part of building installation.
The earthing connection shall be tested with the end product to be connected.
Additional information regarding the integrated LED lamps:
Warning
Damage to eyes and optical instruments!
- Do not stare into beam!
- Do not modify the LED lighting system!
- Do not view the light beam with optical instruments!
Warning notice
The integrated LED lamps are exclusively intended to illuminate objects and documents to be recorded.
Regulatory Information
Warning!
This is a class A device. Operation of these equipment in a residential area is likely to cause harmful interference in which case the user will be required to correct the interference at his own expense.
FCC information:
This device complies with part 15 of the FCC rules. Operation is subject to the following two conditions:
- this device may not cause harmful interference, and
- this device must accept any interference received, including interference that may cause undesired operation.
Note:
This equipment has been tested and found to comply with the limits for a class Adigital device, pursuant to part 15 of the FCC rules. Operation of these equipment in a residential area is likely to cause harmful interference in which case the user will be required to correct the interference at his own expense.
Information to user: Changes or modifications not expressly approved by WolfVision could void the user’s authority to operate this equipment.
Warning notice
Operation of this equipment in a residential environment could cause radio interference.
Purpose of use
The present device is a visualizer for the image acquisition of documents and objects, including the transmission of the image data to an output device, for example to a monitor during a presentation.
The device is only to be used in an office environment and indoors.
Worldwide Patents
EU 0 362 737
KR 128059 AU 765617
DE P58907684.1-08
US 5,027,219
CN ZL99118847.0
CN 89107780.4 EU 0 987 874
JP 1725033
JP 3 544 900
and others
Copyright Information
Copyright © by WolfVision. All rights reserved.
WolfVision, Wofu Vision and are registered trademarks of WolfVision Holding AG, Austria.
No part of this document may be copied, reproduced, or transmitted by any means, without prior written permission from WolfVision. Except documentation kept by the purchaser for backup purposes.
In the interest of continuing product improvement, WolfVision reserves the right to change product specifications without notice.
Information in this document may change without notice.
Disclaimer: WolfVision shall not be liable for technical or editorial errors or omissions.
The units are “MADE IN EU/AUSTRIA”
Printed in Austria, December 2021
Symbol Legend
Attention
This symbol marks safety instruction procedures where a High Risk of Personal Injury is present. Be sure to read all directions very carefully and exercise extreme caution! Also be sure to follow proper health and safety rules in accordance with applicable local and federal laws.
Attention Warning
This symbol marks instructions that require special attention in order to avoid possible Equipment Damage.
Safety Procedures
The Ceiling Visualizer is built with state-of-the-art technology and is safety engineered. Regardless of this operational risks may be present if proper safety procedures are not obeyed.
It is essential that all safety and instruction procedures are read and followed accordingly!
- Store all operation manuals in an easily accessible area !
- The unit must be installed or repaired by authorized and certified personnel only !
- Always follow safety and operational procedures when working with the unit !
- Respect all warning and operation signs !
- Security features must not be disabled or removed !
Preparation
- Inspect the unit for any transport damage. In the event that damage is found, call your WolfVision dealer immediately and do not attempt installation of the Ceiling Visualizer !
- Confirm that all parts and accessories are present
Read this document through completely before starting the installation!
Ceiling Preparation
Due to the diverse installation possibilities of our ceiling mounting bracket, WolfVision kindly requires you to mount the appliance only on a concrete ceiling capable of carrying heavy load. Please study the following installation steps carefully. Should you encounter any problems (not covered in the installation instructions), please contact your WolfVision representative for assistance. Take special notice regarding the weight of the Ceiling Visualizer and the potential for personal injury, as well as the possibility for damage to the Ceiling Visualizer or other objects that may occur if proper mounting precautions are not followed !
Failure to follow instructions can lead to severe injury!
To avoid possible injury, ensure that the ceiling construction is able to support five times the required Visualizer weight !
Installation Position
A difference between Ceiling- and “Desktop-“Visualizers is that the size of the smallest and largest image the unit can pick up is not fixed. This depends on how high above the working surface the Visualizer is mounted. It is very important to know which image sizes you would like to pick up with the Ceiling Visualizer before installing the unit, in order to correctly calculate the respective mounting height.
Please refer to the calculation program on WolfVision’s homepage (see page 5).
Distance to image center

The table shows the distance which is called “x” in the illustration on the left side:
| Distance Visualizer to working surface | Distance Visualizer- center to image center |
| 1,203 | 217 |
| 1,400 | 271 |
| 1,600 | 324 |
| 1,800 | 378 |
| 2,000 | 432 |
| 2,200 | 485 |
| 2,400 | 539 |
| Distance Visualizer to working surface | Distance Visualizer- center to image center |
| 47.4 | 8.54 |
| 50 | 9.29 |
| 60 | 11.97 |
| 70 | 14.65 |
| 80 | 17.33 |
| 90 | 20.01 |
| 94.6 | 21.22 |
Picture Size Chart (Regular Distance From 1.2m to 2.4m / 47″ to 95″)
The following chart shows image size (optical zoom range) in relation to the mounting height:
Calculation program on WolfVision Homepage
A very useful method to calculate the exact positioning and the possible image sizes is a dedicated calculation program on WolfVision’s homepage:
Installation of an Additional Ceiling Mount (third-party)
If the Visualizer needs to be suspended further from the ceiling than with the supplied ceiling mount (in order to allow greater magnification), a standard ceiling mount or ceiling lift for projectors may be used. An adapter plate, suitable for weight and screw fittings for the Visualizer, might be necessary. Designed for Ceiling-mount with VESAstandard (□75)
Fixing the assembly to the ceiling is dependent on the respective construction and desired mounting location. Ensure that the ceiling construction is able to carry a weight of 26kg (58lbs) and that possible collision accidents are prevented.
Important: Please give special attention to the country specific regulations for training and conferencing rooms!
IMPORTANT: Ensure solid mounting and secure connection of all parts to avoid the possibility that the unit detaches itself from the ceiling.
Installation in a Suspended Ceiling or Plenum Box
When the unit is built-in into the ceiling or into a plenum box, the infrared receiver may be covered. If the internal infrared receiver is insufficient, the optional external infrared receiver should be connected to the “IR-SENSOR” port.
Alternatively, the unit can be controlled via LAN.
The Ceiling Visualizer is plenum rated and a plenum box is not necessary. However when the Ceiling Visualizer will be installed in a Plenum box keep enough clearance around to enable mechanical fineadjustment of the Visualizer by moving and rotating.
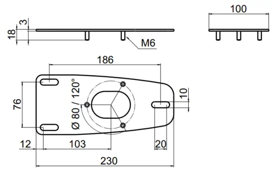
Dimensions of the Ceiling Mount Assembly [mm] (see list for dimensions in inches)
| mm | Inch |
| 3 | 0.118 |
| 10 | 0.394 |
| 12 | 0.472 |
| 18 | 0.709 |
| 20 | 0.787 |
| Ø 45 | 1.772 |
| 47 | 1.847 |
| 75 | 2.953 |
| Ø 80 | 3.149 |
| 89.9 | 3.539 |
| 100 | 3.937 |
| 103 | 4.055 |
| 126 | 4.961 |
| 175 | 6.89 |
| 203 | 7.99 |
| 225 | 8.858 |
| 230 | 9.055 |
| 263 | 10.371 |
| 271.39 | 10.685 |
| 473.46 | 18.64 |
Dimensions of Ceiling Visualizer [mm] (see list for dimensions in inches)
Complying to VESA standard (□75)
Technical Specifications are Subject to Change!

IMPORTANT
Sufficient ventilation is to be provided, otherwise it can result in damage to the equipment.
Installation of WolfVision‘s Ceiling Mount
Mounting the Visualizer on the ceiling using WolfVision’s ceiling mount can be done very quickly and easily
IMPORTANT!
The ceiling mount must be affixed directly to concrete with three steel anchors as illustrated, to ensure a secure mounting and operation of the Visualizer! Ensure that the ceiling construction is able to carry a weight of 26kg (58lbs) and that possible collision accidents are prevented.

| mm | Inch |
| 8 | 0.315 |
| 15 | 0.59 |
| 17 | 0.67 |
| 61 | 2.4 |

IMPORTANT: Please give special attention to the country specific regulations for G training and conferencing rooms.
IMPORTANT: Ensure solid mounting and secure connection of all parts to avoid the possibility that the unit detaches itself from the ceiling.
IMPORTANT: Other ceiling contruction requires an appropriate mounting solution.
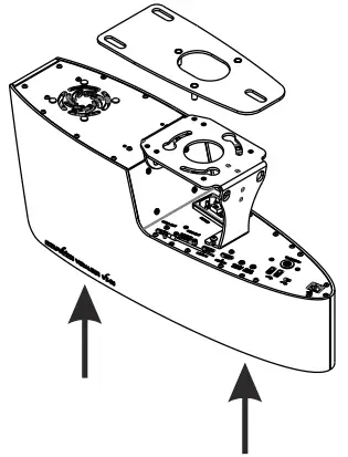
In order to fix the assembly to the ceiling, please hold the Ceiling Visualizer to the ceiling mount (fig.1), attach it and turn the unit counter-clockwise to the desired position (fig.2). The unit is now installed only temporarily. The installation is not finished yet!
Now, remove the cable cover by pushing it carefully upwards and connect all desired cables to the Visualizer. The cable cover is secured to the Visualizer by a rope to prevent it dropping down. Tighten all three hex nuts at the ceiling to secure the Visualizer (fig.3) (for fine adjustment see next page).
Firmly place the cable cover in position.
fig.1
fig.2
fig.3
Note: cable cover is not shown in the drawings to improve readability.
LIMITATION OF WARRANTY!
WOLFVISION MAKES NO EXPRESS OR IMPLIED WARRANTY, STATUTORY OR OTHERWISE, CONCERNING THE PRODUCT, INCLUDING WITHOUT LIMITATION ANY WARRANTY OF FITNESS FOR A PARTICULAR PURPOSE OR ANY WARRANTY OF MERCHANTABILITY. IN NO EVENT SHALL WOLFVISION BE LIABLE TO ANY PERSON FOR ANY CONSEQUENTIAL, INDIRECT EXEMPLARY, SPECIAL OR PUNITIVE DAMAGES OR DAMAGES FOR LOST PROFITS. WOLFVISION SHALL IN NO EVENT BECOME LIABLE FOR ANY DAMAGES ARISING OUT OF OR IN CONNECTION WITH A FAULTY INSTALLATION DUE TO (1) THE USE OF INAPPROPRIATE MOUNTING PARTS, (2) MOUNTING THE CEILING MOUNT TO A CEILING WHICH DOES NOT PROVIDE A SUFFICIENTLY SECURE SUPPORT OR (3) ANY OTHER FAULTY WORKMANSHIP.
The Visualizer can be finely-adjusted if necessary.
By loosening all three hex nuts the unit can be turned by 15 degrees to the left or right (please make sure that all three hex nuts are tightened after re-adjustment). The Visualizer can also be moved backwards or forwards +/- 10mm (0.39″) by loosening the three mounting plate hex nuts on the steel anchors (please make sure that the mounting plate hex nuts are tightened again after re adjustment).

Operating the Visualizer for the first time
- Connect power cord to the unit (#9) and to mains.
(all cables can be hidden by pulling them through the ceiling mount). - Connect a monitor or video projector to the HDMI /RGB output
To select the proper output mode, please read the user manual! - Turn the main switch on the unit (#10) to “I” (Power LED must illuminate)
- By default, the Visualizer will be fully powered-up when mains is supplied. When the default behavior is changed by the user, press the POWER key (#46) on the remote control.
Quick Setup Guide
When the Visualizer is switched on the first time, the Quick Setup Guide will be started automatically onscreen (visible on HDMI output). Use the arrow keys to navigate through the menu.
Language
Select the desired language for the on-screen menu.
Height Adjustment
It is only necessary to conduct the Height Adjustment procedure once, unless the distance between the Visualizer and working surface is changed.
For usual installations, WolfVision recommends to use the function “Auto Height Adjustment”. Should the unit be unable to adjust itself (e.g. bright ambient light), please use the “Manual Height Adjustment” instead.
The Height Adjustment procedure can be repeated at any time. Just enter the on-screen menu and select Advanced Settings / Height Adjustment.
Ethernet Settings
The IP-address, Subnet Mask and Gateway IP-address can be set automatically by a DHCP-server or manually.
Time Settings
The Visualizer offers the possibility to use the internal clock or an external time server (a time valid time server IPaddress and internet connection are required)
Audio Settings
Set up audio configuration. Line-In is switched off by default and can be activated when desired.
Auto Height Adjustment
Preparation
Center the adjustment chart to the pick-up area and follow the further instructions on-screen.
Once the settings are correct, confirm it to complete the Height Adjustment Function. If the settings are incorrect, re-do the Height Adjustment or perform manual adjustment.
Manual Height Adjustment
Preparation
Center the adjustment chart to the pick-up area.
Follow the further instructions on-screen.
“Step 1: Center the Lightfield”
Center the lightfield until it is roughly in the center of the camera picture. Use the arrow buttons (#25 and #44) to center the lightfield. Confirm the setting by pressing the OK key (#26).
“Step 2: Adjust Camera Focus”
Use the FOCUS keys(#35) until a sharp image is visible. Confirm the setting by pressing the OK key (#26).
“Step 3: Adjust Light Focus”
With the FOCUS key (#35), you can focus the edge of the lightfield that is visible on the working surface until it is sharp. Again, confirm the setting by pressing the OK key (#26).
“Step 4: Center lightfield”
With the arrow buttons you can center the lightfield to pick-up area of the camera. When the lightfield is centered, press the OK key (#26) to complete the setting procedure and exit the Height Adjustment mode.
Dismantling of the Visualizer
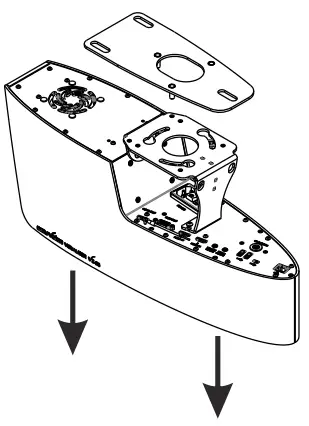
Should it be required to dismantle the Ceiling Visualizer due to re-location or after sales service, please follow the drawings below.
Push the cable cover carefully upwards and disconnect all cables from the Visualizer. The cable cover is secured to the Visualizer by a rope to prevent it dropping down. Loosen all three hex nuts at the ceiling mount to release the Visualizer (fig.4). Turn the Visualizer clockwise to loosen it from the ceiling mount (fig.5) and remove it from the ceiling mount.
Please take into consideration the weight of the unit (5.2 kg / 11.5 lbs) when detaching it from the ceiling. Prevent dropping down of the unit!
When needed, loosen all three hex nuts from the steel anchors at the ceiling mount to remove the mount.
fig.4
fig.5

fig.6
Note: cable cover is not shown in the drawings to improve readability
Declaration of conformity (CE)
We, the WolNision GmbH, A-6833 Klaus, Oberes Ried 14 – declare under our full responsibility that the product
WolfVision Visualizer VZ-C6
complies with following European Union harmonisation legislation:
Directive 2014/35/EU Low Voltage
Directive 2014/30/EU Electromagnetic Compatibility
Directive 2011/65/EU Restriction of the use of certain hazardous substances
Commission Delegated Directive 2015/863/EU amending Annex II of 2011/65/EU
Harmonised European standards applied:
Product Safety:
EN 62368-1:2014
EN 62471:2008
EN 62311:2008
Electromagnetic compatibility:
EN 55032:2015 + A11:2020
EN 55035:2017 + A11:2020 EN 61000-3-2:2014
EN 61000-3-3:2013
RoHS:
EN IEC 63000:2018
Klaus, November 15th, 2021

UK Declaration of Conformity
We, the WoliVision UK Ltd, 10 John Street, London WC1 N 2EB – declare under our full responsibility that the product
WolfVision Visualizer VZ-C6
complies with following UK Regulations:
- The Electromagnetic Compatibility Regulations 2016
- The Electrical Equipment (Safety) Regulations 2016
- The Restriction of the Use of Certain Hazardous Substances in Electrical and Electronic Equipment Regulations 2012
The following designated standards are applied:
- EN 62368-1 : 2014
- EN 62471 :2008
- EN 62311 :2008
- EN 55032 : 2015 + A11:2020
- EN 55035 : 2017 + A11:2020
- EN 61000-3-2 : 2014
- EN 61000-3-3 : 2013
- EN IEC 63000: 2018
London, November 15th, 2021

Manufacturer / Worldwide Distribution
WolfVision GmbH
A-6833 Klaus
AUSTRIA
www.wolfvision.com
E-Mail: [email protected] / [email protected]
International Distribution Offices
USA
WolfVision Inc.
E-Mail: [email protected] / [email protected]
Asia
WolfVision Pte Ltd
E-mail: [email protected]
Middle East
WolfVision Representation Office Middle East
E-Mail: [email protected]
Germany
WolfVision Germany
E-mail: [email protected]
Northern Europe
WolfVision Nordic
E-mail: [email protected]
Japan
WolfVision Co. Ltd.
E-mail: [email protected]
United Kingdom
WolfVision UK Ltd.
E-Mail: [email protected]















